首页 > 轻工行业标准(QB) > QB/T 1152-1991 速印机
QB/T 1152-1991

基本信息

标准号: QB/T 1152-1991

中文名称:速印机

标准类别:轻工行业标准(QB)

标准状态:现行

发布日期:1991-06-04

实施日期:1992-01-01

出版语种:简体中文

下载格式:.rar.pdf

下载大小:141930

标准分类号

中标分类号:轻工、文化与生活用品>>文教、体育、娱乐用品>>Y54办公用品及办公机具

关联标准

出版信息

出版社:中国轻工业出版社

页数:5页

标准价格:8.0 元

出版日期:1992-01-01

相关单位信息

起草人:江伟勇、张桂莲

起草单位:上海速印机厂

归口单位:全国文体用品标准化中心

提出单位:轻工业部质量标准司

发布部门:中华人民共和国轻工业部

标准简介

本标准规定了速印机的产品分类、技术要求、试验方法、检验规则和标志、包装、运输、贮存。本标准适用于手摇或手摇、电动两用速印机。半自动、自动速印机亦可参照使用。 QB/T 1152-1991 速印机 QB/T1152-1991 标准下载解压密码:www.bzxz.net

标准图片预览

QB/T 1152-1991 速印机
QB/T 1152-1991 速印机
QB/T 1152-1991 速印机
QB/T 1152-1991 速印机
QB/T 1152-1991 速印机

标准内容

中华人民共和国轻工行业标准
速印机
1主题内容与适用范围
QB/T 1152—1991
本标准规定了速印机的产品分类、技术要求、试验方法、检验规则和标志、包装、运输、贮存。本标准适用于手摇或手摇、电动两用速印机。半自动、自动速印机亦可参照使用。2引用标准
GB 191
包装储运图示标志
GB/T 1720
GB/T 1740
GB/T 1771
GB/T 2828
GB/T 2829
GB/T3785
GB 4706. 1
GB 5938
漆膜附着力测定法
漆膜耐湿热测定法
漆膜耐盐雾测定法
逐批检查计数抽样程序及抽样表(适用于连续批的检查)周期检查计数抽样程序及抽样表(适用于生产过程稳定性的检查)声级计的电、声性能及测试方法家用和类似用途电器的安全通用要求轻工产品金属镀层和化学处理层的耐腐蚀试验法中性盐雾试验(NSS)法GB5944
轻工产品金属镀层腐蚀试验结果的评价3术语
3.1橡胶棍弹簧压缩量
当橡胶棍上升顶住下滚简时,用专用塞尺测量两边支撑弹簧上的支高螺母上平面与橡胶棍搁脚内平面之间的距离。
3.2送纸正直度
当速印机工作时,扒架推进待印纸张的头尾歪斜程度。4产品分类
4.1型式
手摇速印机
手摇、电动两用速印机。
4.2基本参数
用纸最大面积:8开纸(382mmX265mm);最大印刷面积:320mmX220mm;
托纸板载纸数量:不小于50g纸180张;额定电压:220+i.%V;
额定频率:50Hz。
中华人民共和国轻工业部1991-06-04批准1992-01-01实施
5技术要求www.bzxz.net
印刷质量应符合表1规定。
印刷清晰、着墨均匀,纸面无明显皱纹
纱网的横向偏移
蜡纸的横向偏移
橡胶棍与下滚简的平行度允差
橡胶棍弹簧压缩量
送纸正直度
QB/T 11521991
断线处不超过8处,断线距离不大于1.5,纸面明显皱纹不大于2%
合格品
断线处不超过10处,断线距离不大于2.0,纸面明显皱纹不大于2%1.5
5.2速印机的计数器应计数准确。5.3手柄摇动力矩
等品:不大于3.7Nmz
合格品:不大于3.9N·m。
橡胶棍打在纱网上的痕印与纱网挂头(挂头宽度的参考尺寸为13mm)的距离为12~15mm。5.4
5.5电动速印机的调速范围
一等品:35~75张/min;
合格品:35~70张/min。
5.6电动速印机噪声应不大于75dB(A)。5.7电动速印机的安全性能
泄漏电流:不大于3.5mA;
绝缘电阻:不小于2MQ;
电器强度试验电压:1250V。
5.8表面质量
5.8.1烘漆件外观:小于10mm2的补漆处不超过3处且不能在同一表面上,小于5mm2的补漆处不超过5处。内表面不允许漏漆、脱漆。5.8.2电镀件外观:镀铬件表面平整光亮,镀层无发黄、脱皮等缺陷;镀锌件和镀镍件表面镀层无脱皮缺陷。
烘漆件漆膜附着力为3级,漆膜耐盐雾为3级,喷雾周期为8h。5.8.4镀铬层中性盐雾试验,耐蚀级别为6级,喷雾周期为12h。6试验方法
6.1印刷质量试验
6.1.1印刷清晰度试验
用在320mm×220mm面积范围内刻写间距为5mm平行线的蜡纸,试印在100张50g8开纸上,目测印刷纸面,并用示值误差为0.5mm的钢直尺测量。6.1.2纱网横向偏移试验
速印机空转300次,用示值误差为0.5mm的钢直尺测量。80
6.1.3蜡纸横向偏移试验
2—1991
QB/T 1152
加油墨装贴蜡纸,速印机空转300次,用示值误差为0.5mm的钢直尺测量。6.1.4橡胶棍与下滚简平行度试验当橡胶棍刚与下滚簡接触,用手拨动橡胶棍能转动时,用厚度为0.2mm的塞尺测量。6.1.5橡胶棍弹簧压缩量试验
用专用塞尺测量。
6.1.6送纸正直度试验
扒架扒送3号纸50g,用示值误差为0.5mm的钢直尺测量。6.2计数器试验
将计数器字轮号码拨至显示为\8888”,摇动速印机手柄12转,其最终计数显示应为“8900”,再将计数器字轮号码拨至显示为“9999”,播动手柄一转,其最终计数显示应为*0000”。6.3手柄摇动力矩试验
速印机不加油墨,在橡胶棍刚与下滚筒简接触时,拆下摇手柄,在摇手柄手柄轴上水平装上一根中心对称的横臂,在距横臂中心200mm处(合格品指标一等品为190mm),挂上2kg的重锤,横臂能顺时针转动自行落下。
6.4橡胶棍与纱网挂头距离试验
摇动手柄5~10次,使橡胶棍在纱网上留下痕印,用示值误差为0.5mm的钢直尺测量痕印中线距纱网挂头的距离。
6.5电动速印机调速范围试验
调整工作电压至220V,在不加油墨的情况下,使速印机空载运行5min后,用转速表在摇手柄轴端部测量调速范围,其测量值在低速和高速时应符合技术要求5.5条。6.6电动速印机噪声试验
调整工作电压至220V,不加油墨,打开印刷开关,调至电动速印机调速范围的最高速度,按GB/T 3785规定测量。
6.7电动速印机电器安全性能试验按GB4706.1规定试验。
6.8外观质量、镀层质量检验
6.8.1烘漆件外观检验
自测检验。
6.8.2电镀件外观检验
目测检验。
6.8.3漆膜附着力及耐盐雾试验
按GB/T1720和GB/T1740规定评级。6.8.4镀铬层中性盐雾试验
按GB5938规定试验,并按GB5944规定评级。7检验规则
7.1本检验采用记件法,样本单位为台。7.2检验分类:出厂检验、型式检验。7.3出厂检验规则
7.3.1出厂检验按GB/T2828中特殊检查水平S-3的一次正常检查方案进行。样本必须在交货批量中随机抽取。
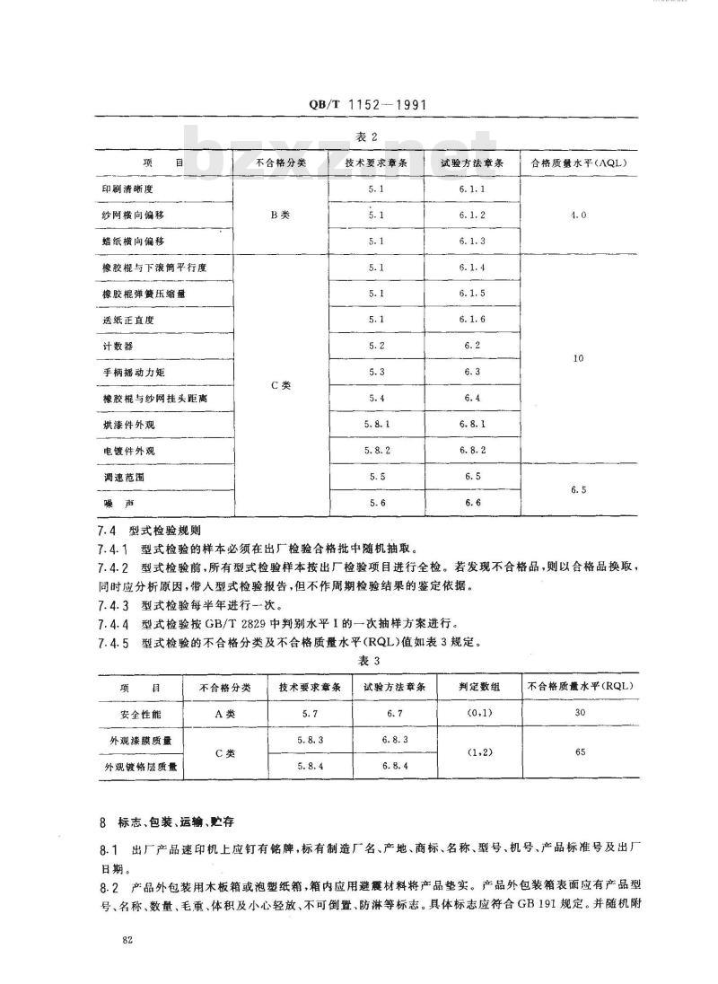
7.3.2出厂检验的不合格分类及合格质量水平(AQL)值如表2规定。81
印剧清晰度
纱网横向偏移
蜡纸横向偏移
橡胶棍与下滚簡平行度
橡胶棍弹簧压缩量
送纸正直度
计数器
手柄摇动力矩
橡胶棍与纱网挂头距离
烘漆件外观
电镀件外观
调速范围
7.4型式检验规则
不合格分类
QB/T1152--1991
技术要求章条
7.4.1型式检验的样本必须在出厂检验合格批中随机抽取。试验方法章条
合格质量水平(AQL)
7.4.2型式检验前,所有型式检验样本按出厂检验项目进行全检。若发现不合格品,则以合格品换取,同时应分析原因,带人型式检验报告,但不作周期检验结果的鉴定依据。7.4.3型式检验每半年进行一次。7.4.4型式检验按GB/T2829中判别水平I的一次抽样方案进行。型式检验的不合格分类及不合格质量水平(RQL)值如表3规定。7.4.5
安全性能
外观漆膜质量
外观镀铬层质量
不合格分类
8标志、包装、运输、贮存
技术要求章条
试验方法章条
判定数组
不合格质量水平(RQL)
8.1出厂产品速印机上应钉有铭牌,标有制造厂名、产地、商标、名称、型号、机号、产品标准号及出厂百期。
8.2产品外包装用木板箱或泡塑纸箱,箱内应用避震材料将产品垫实。产品外包装箱表面应有产品型号、名称、数量、毛重、体积及小心轻放、不可倒置、防淋等标志。具体标志应符合GB191规定。并随机附82
YTKAONYKAC
—1991
QB/T1152
有产品使用说明书、装箱单和由专职检验人员签署或盖章的产品合格证。8.3速印机产品在运输过程中应保持干燥,防止日晒,严禁雨淋及酸碱性气体的侵蚀,并在装卸时不得随意抛掷,避免受强烈麗动。
8.4贮存速印机产品的仓库应干燥通风,相对湿度不大于80%,不得与腐蚀性物品一起堆放,严禁酸碱性气体的侵蚀。产品的贮存期为一年。附加说明:
本标准由轻工业部质量标准司提出。本标准由全国文体用品标准化中心归口。本标准由上海速印机厂负责起草。本标准主要起草人江伟勇、张桂莲。83
小提示:此标准内容仅展示完整标准里的部分截取内容,若需要完整标准请到上方自行免费下载完整标准文档。