首页 > 轻工行业标准(QB) > QB/T 1844-1993 健身器械弹簧拉力器
QB/T 1844-1993

基本信息

标准号: QB/T 1844-1993

中文名称:健身器械弹簧拉力器

标准类别:轻工行业标准(QB)

标准状态:现行

实施日期:1994-01-01

出版语种:简体中文

下载格式:.rar.pdf

下载大小:123792

相关标签: 健身 器械 弹簧

标准分类号

中标分类号:轻工、文化与生活用品>>文教、体育、娱乐用品>>Y55体育设施及器械

关联标准

出版信息

页数:5页

标准价格:8.0 元

相关单位信息

标准简介

QB/T 1844-1993 健身器械弹簧拉力器 QB/T1844-1993 标准下载解压密码:www.bzxz.net

标准图片预览

QB/T 1844-1993 健身器械弹簧拉力器
QB/T 1844-1993 健身器械弹簧拉力器
QB/T 1844-1993 健身器械弹簧拉力器
QB/T 1844-1993 健身器械弹簧拉力器
QB/T 1844-1993 健身器械弹簧拉力器

标准内容

中华人民共和国轻工行业标准
健身器械
主题内容与适用范围
弹簧拉力器,
QB/T18441993
本标准规定了弹簧拉力器的产品分类、技术要求、试验方法、检验规则、标志、包装、运输、贮存。2引用标准
逐批检查计数抽样程序及抽样表(适用于连续批的检查)GB/T 2828
GB/T2829
GB5926
GB5933
GB5938
周期检查计数抽样程序及抽样表(适用于生产过程稳定性的检查)轻工产品金属镀层和化学处理层的外观质量测试方法轻工产品金属镀层结合强度测试方法轻工产品金属镀层和化学处理层耐腐蚀测试方法中性盐雾试验(NSS)法GB5944车
轻工产品金属镀层腐蚀试验结果的评价3产品分类
3.1产品按使用方式不同分为手拉(扩胸功能为主)、脚踏(练腰腿功能为主)两类,按阻力源力量大小不同,每类又可分轻型、普通型、重型三种。产品型号用汉语拼音第1个字母命名,各字母含义如下:S—手;L-拉;J—脚;T-踏;Q轻型;P普通型;Z—重型。3.2标记示例
手拉轻型弹簧拉力器:
弹簧拉力器SLQQB/T1844
脚踏普通型弹簧拉力器:
弹簧拉力器JTPQB/T1844
3.3弹簧拉力器各部位名称、尺寸代号如图1和图2所示。3.4规格尺寸如表1所示。
产品类别
SLQ弹簧拉力器
SLP弹簧拉力器
SLZ弹簧拉力器
JTP弹簧拉力器
基本尺寸
≤1600
≤1900
≤800
极限偏差
中华人民共和国轻工业部1993-10-05批准基本尺寸
极限偏差
1994-06-01实施
4技术要求
4.1规格尺寸
应符合表1的要求。
4.2弹簧
护脚带
QB/T 1844-1993
保险带
图1SLQ弹簧拉力器
保险带
图2JTP弹簧拉力器
连接环
4.2.1弹簧拉伸至Lmax时,弹簧拉力应符合表2的规定。当外力卸去后仍能立即恢复原状,无脱节。表2
产品类别
SLQ弹簧拉力器
SLP弹簧拉力器
SLZ弹簧拉力器
JTP弹簧拉力器
≥196
弹簧条数
≥>174
≥264
≥232
≥353
≥290
≥444
4.2.2弹簧应平整、顺直,无明显弯曲。QB/T18441993
4.2.3弹簧内应具有保险带,其破断拉力应不小于250N,或采取其他保证使用者安全的措施。4.2.4弹簧经7×103次拉伸变形试验,卸去外力不应发生迭节和脱节,拉力不小于初始值的85%4.3手柄
手柄的破坏拉力应不小于1000N。4.4木制件
木制件应干燥,含水率不大于18%。4.5塑料件
塑料件表面应光整、色泽均匀,不允许有裂纹、气泡、明显色差等缺陷。4.6表面处理
4.6.1弹簧拉力器金属零件表面镀镍铬,镀层表面应光亮一致,无斑痕、丝纹、起壳等电镀缺陷。4.6.2镀层应牢固,无揭起或脱落。4.6.3镀层耐腐蚀性应符合GB5944的8级要求。4.6.4涂饰件(涂漆、喷塑)表面应光滑、色泽均匀,不应有露底、剥落、凹凸或明显的流挂、疙瘩、皱纹等影响外观的缺陷。
4.6.5涂饰件的涂饰薄膜要求结合牢固,无剥落。5试验方法
5.1规格尺寸
规格尺寸用分度值为1mm的量具测定。5.2弹簧拉力
弹簧拉力以4等标准磁码换算后测定。5.3保险带与手柄的破坏拉力
保险带与手柄的破坏拉力以材料拉力试验机测定。5.4弹簧拉伸变形试验
弹簧拉伸变形试验在专用拉伸试验机上连续进行(拉伸长度为Lmax、拉伸速度≥900次/h)。5.5木制件
木制件含水率用量程8%~25%,精度为2.5级的木材含水率测定仪检测。5.6电镀件
5.6.1电镀件外观按GB5926中2.1、2.2、3.1、4.1条规定检测。5.6.2镀层结合强度按GB5933中锉刀法测定,采用中齿锉刀。5.6.3电镀层耐腐蚀性按GB5938的规定检测,连续喷雾时间8h。5.7涂饰件与塑料件外观
涂饰件与塑料件外观质量以感官判定。5.8涂饰件的涂饰薄膜牢固性
将涂饰零件自800mm高度自由落至光滑地面3次后以感官判定。6检验规则
6.1交收检验
6.1.1每批产品出厂前由生产厂质量检验部门按本标准检验,检验合格的产品签发合格证后方可出厂
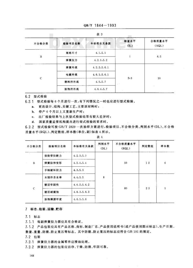
6.1.2交收检验可按GB/T2828中一次正常检查抽样方案,检验项目、不合格分类、检查水平(IL)、合格质量水平(AQL)如表3所示。
不合格分类
6.2型式检验
检验项目名称
规格尺寸
弹簧拉力
弹簧外观
电镀外观
塑料件外观bzxz.net
涂饰件外观
QB/T1844--1993
本标准有关条款
4.2.1,5.2
4.2.2,5. 6.1
4.6.1,5.6.1
4.6.4,5.7
检查水平
型式检验每6个月进行一次,有下列情况之一时也应进行型式检验。6.2. 1
更改设计、结构、关键工艺、主要原材料时;停产6个月以上又重新生产时;
出厂检验结果与上次型式检验结果有较大差异时;国家质量监督机构提出进行型式检验的要求时。合格质量水平
6.2.2型式检验可按GB/T2829一次抽样方案进行,检验项目、不合格分类、判别水平(DL)、不合格质量水平(RQL)、判定数组、样本数(单位:副)如表4所示。表4
不合格分类
检验项目名称
保险带拉断力
弹簧拉伸变形
手柄破坏拉力
木制件含水率
镀层牢固性
镀层耐腐蚀
涂饰薄膜牢度
7标志、包装、运输、贮存
7.1标志
本标准有关条款
4.2.3,5.3
4.2.4,5.4
4.6.2,5.6.2
4.6.3,5.6.3
4.6.5,5.8
7.1.1每副弹簧拉力器应具有合格证。判别水平
不合格质量水平
判定数组
样本数
7.1.2产品包装应具有产品名称、商标、制造厂名、产品使用说明书(或产品使用图示标志)、生产日期、数量、重量、防潮、防止重压等标志。其中防潮、防止重压的标志应符合GB191的规定。7.2包装
7.2.1弹簧拉力器的金属零件应浸油处理。7.2.2弹簧拉力器的包装应洁净、干燥、防潮、牢固可靠168
7.3运输
运输应防止重压、雨淋、受潮。7.4贮存
QB/T 1844—1993
7.4.1弹簧拉力器应贮存于通风、干燥的仓库内,严禁接触酸碱及其他腐蚀性物质,防止重压、受潮。7.4.2在正常贮存条件下,自出厂之日起贮存期为1年,在此期限内应保证弹簧拉力器不锈蚀,不脱漆。
附加说明:
本标准由轻工业部质量标准司提出。本标准由全国文体用品标准化中心归口。本标准由上海体育器材三厂负责起草。本标准主要起草人杨武久、说春弘。169
小提示:此标准内容仅展示完整标准里的部分截取内容,若需要完整标准请到上方自行免费下载完整标准文档。