首页 > 轻工行业标准(QB) > QB/T 1951.2-1994 金属家具质量检验及质量评定
QB/T 1951.2-1994

基本信息

标准号: QB/T 1951.2-1994

中文名称:金属家具质量检验及质量评定

标准类别:轻工行业标准(QB)

标准状态:现行

发布日期:1994-04-23

实施日期:1994-12-01

出版语种:简体中文

下载格式:.rar.pdf

下载大小:319302

相关标签: 质量检验 质量 评定

标准分类号

中标分类号:轻工、文化与生活用品>>家具>>Y80家具综合

关联标准

出版信息

出版社:中国轻工业出版

页数:10页

标准价格:15.0 元

出版日期:1994-12-01

相关单位信息

起草单位:上海市家具研究所

归口单位:全国家具标准化中心

提出单位:轻工业部质量标准司

发布部门:中华人民共和国轻工业部

标准简介

本标准规定了金属家具检验分类、检验项目、抽样规则、试验方法、试验程序和检验结果的评定本标准适用于金属家具和钢木家具产品质量检验及评定。 QB/T 1951.2-1994 金属家具质量检验及质量评定 QB/T1951.2-1994 标准下载解压密码:www.bzxz.net

标准图片预览

QB/T 1951.2-1994 金属家具质量检验及质量评定
QB/T 1951.2-1994 金属家具质量检验及质量评定
QB/T 1951.2-1994 金属家具质量检验及质量评定
QB/T 1951.2-1994 金属家具质量检验及质量评定
QB/T 1951.2-1994 金属家具质量检验及质量评定

标准内容

中华人民共和国轻工行业标准
金属家具
质量检验及质量评定
1主题内容与适用范围
2—1994
QB/T 1951.2
本标准规定了金属家具检验分类、检验项目、抽样规则、试验方法、试验程序和检验结果的评定。本标准适用于金属家具和钢木家具产品质量检验及评定。2引用标准
GB/T 1720
漆膜附着力测定法
GB/T 1730
漆膜硬度测定法
GB/T1732
漆膜耐冲击测定法
GB/T 1740
漆膜耐湿热测定法
GB/T1743
漆膜光泽度测定法
GB/T 1763漆膜耐化学试剂性测定法GB/T4893.1~4893.8家具表面漆膜测定法GB/T4893.9家具表面漆膜抗冲击测定法轻工产品金属镀层和化学处理层的外观质量测试方法GB/T 5926
GB/T5928
GB/T 5933
轻工产品金属镀层和铝氧化膜的厚度测试方法测重法轻工产品金属镀层的结合强度测试方法GB/T10357.1~10357.5家具力学性能试验GB/T10357.6家具力学性能试验单层床强度和耐久性QB/T3655家具表面软质覆面材料剥离强度的测定QB/T3656
家具表面硬质覆面材料剥离强度的测定3术语
钢木家具
主要部件由金属材料和木材或木质人造材料制成的家具。4检验分类
产品检验分型式检验和出厂检验。4.1型式检验是对产品质量进行全面考核,即对标准中规定的技术要求全部进行检验。4.2出厂检验是产品出厂或产品交货时必须进行的各项检验。5型式检验
5.1检验条件
有下列情况之一时,应进行型式检验。新产品或老产品转厂生产的试制定型鉴定;a.
中华人民共和国轻工业部1994-04-23批准180
1994-12-01实施
QB/T1951.2—1994
正式生产后,如结构、材料、工艺有较大改变,可能影响产品性能时,正常生产时,定期或积累一定产量后,应周期性进行一次检验,检验周期一般为一年;产品长期停产后,恢复生产时;d.
出厂检验结果与上次型式检验有较大差异时;国家质量监督机构提出进行型式检验要求时。5.2检验项目
5.2.1检验时应按附录A(补充件)中与被检产品有关的项目逐项进行检验。5.2.2当产品中出现附录A以外的必须检验项目时,应在企业产品标准中作出规定。5.3抽样与组批规则
5.3.1型式检验应采用抽样检验方法,在母样中编号后随机抽取检验子样。5.3.2单件产品的母样数不少于20件。从中抽取4件,2件封存,2件送检。5.3.3成套产品的母样数不少于5套。从中随机抽取2套,1套封存,1套送检。若送检样品中含有两件以上结构相同的单体,则此类单体应随机抽送两件,余也封存。5.3.4漆膜理化性能试验的样板一般应在样品上直接取得,也可以在与受检产品相同的工艺条件下制作。样板的规格尺寸和数量见表1。表1
测试内容
漆膜硬度
漆膜附着力
漆膜冲击强度
漆膜耐腐蚀
漆膜光泽度
漆膜耐湿热
木制件漆膜理化性能
5.4试验方法
5.4.1外观检验
试样材料
玻璃板(光平面)
马口铁板
马口铁板
普通低碳薄钢板
玻璃板
酱通低碳薄钢板
试件数量
应符合GB/T4893.1~4893.9的规定试件厚度
0.20~~0.30
0.20~~0.30
0. 8~1. 5
试件大小
100×100
50×100
50×120
70X150
20×90
70×150
应在自然光或光照度300~6001x范圈内的近似自然光(例如40W日光灯)下,视距为700~1000mm,由三人共同检查,以多数相同结论为检验结果。5.4.2木材含水率测定
木材含水率测定仪的误差应不大于土2%。木材含水率应在抽样现场或同一地区测定。取试件离地100mm以上部分为测试部位,任选三个不同位置的零件,在每一个零件上任选三个点各一次,分别求出在每个零件上测得的平均值,以其中最大的平均值为该试件的木材含水率测定值。5.4.3主要尺寸测定
应采用每米误差不大于土0.6mm的3m钢卷尺(或钢直尺),对安放在平板(或平整地面)上的试件进行测定。
5.4.4翘曲度测定
应采用误差不大于0.1mm的翘曲度测定器具。测定时,将器具先后放置在被测部件表面的两条对181
QB/T 1951.2—1994
角线上,分别测量对角线中点与基准直线的距离,以其中一个最大距离为翘曲度测定值。5.4.5底脚着地平稳性测定下载标准就来标准下载网
应采用塞尺。测定时,将试件放置在平板上,使三个底脚着地,测量另一个底脚与平板间的距离。5.4.6平整度测定
应采用误差不大于0.03mm的平整度测定器具。测定时,将器具放置在试件的被测表面,分别选择不平整程度最严重的三个部位,测量0~150mm长度范围内被测表面与基准直线间的距离,以其中一个最大值为平整度测定值。
5.4.7邻边垂直度测定
应采用每米误差不大于土0.6mm的3m钢卷尺(或钢直尺)。用钢卷尺(或钢直尺)测量矩形部件的两条对角线,其差值即为邻边垂直度测定值。5.4.8平行度测定
应采用误差不大于0.1mm的平行度测定器具。测定时,可任选框架、门、抽屉中某一前表面的任一边为测量基准面,用平行度测定器具测出测量基准面和与其相邻表面之间的最大间距和最小间距,然后取两个间距的差的绝对值即为平行度测定值。5.4.9分缝测定
应采用塞尺进行测量。
抽屉分缝测定时,所有抽屉面板应紧靠同一侧,测量另一侧的最大分缝以及左右和上下分缝;门分缝测定时,应分别测量门四侧分缝最大的部位。取所有抽屉或门在某一一侧上的分缝最大值,即为该侧的分缝测定值。
5.4.10水平偏差测定
用钢卷尺测量方桌面每组对边中点的离地高度,圆桌面分别测量圆周上最高一点和过圆心相对称另一点的离地高度。其差值与边长(或直径)的比值即为水平偏差测定值。5.4.11圆度测定
用0.02mm精度的游标卡尺测量圆管弯曲段中部最大管径和最小管径,其差值即为圆度测定值。5.4.12皱纹测定
用0.02mm精度的游标卡尺测量管材弯曲处皱纹的蜂谷值,其差值即为皱纹的测定值。5.4.13理化性能试验
5.4.13.1金属件漆膜(包括烘漆、喷塑)理化性能试验方法应符合GB/T1720、GB/T1730、GB/T1732.GB/T1740、GB/T1743和GB/T1763的规定。5.4.13.2金属件电镀层盐雾试验是将试件表面除油污后,呈15°~30°角悬挂在盐雾箱内,用5%的氯化钠溶液(用蒸馏水溶解化学纯氯化钠试剂配制)间断喷雾8h[每小时喷雾15min,保持温度(35土2)℃),存放16h(存放时自然降温冷却),24h为一周期。盐雾沉降率为(1士0.5)mL/h/80cm2。取出后试件用清水洗去试液,并观察试件上锈点大小及多少。5.4.13.3金属件镀层厚度测定应使用计时点滴法。试件表面除油污后,将试件、试剂、试验器具在20~25C温度下存放至少3h。试验时,试件平放,用0.5mL滴管,将盐酸(密度1.18g/mL)滴滴于镀层表面。自盐酸与镀层反应开始按秒表计时,直至局部镀层溶穿,露出内层为止。根据所时间查表2,并按式(1)进行计算:
式中:d—镀层厚度,μm,
t——溶穿镀层所需时间,s;
k—每秒溶解的镀层厚度,um/s。182
(1))
溶液温度
QB/T 1951.2
2—1994
溶液温度
5.4.13.4金属件电镀层结合力检验应符合GB/T5933—1986中2.1.2条的规定。5.4.13.5金属件电镀层表面粗糙度检验应符合GB/T5926—--1986中3.2条的规定。5.4.13.6铝合金件氧化膜厚度检验应符合GB/T5928—1986中4.1条的规定。5.4.13.7本制件漆膜理化性能检验应符合GB/T4893.1~4893.9的规定。5.4.14力学性能试验
软质或硬质覆面材料剥离强度试验应符合QB/T3655和QB/T3656的规定;强度、耐久性和稳定性试验应符合GB/T10357.110357.6的规定。5.5检验程序
送检试样的检验应按下列程序进行:外观检验,力学性能试验,理化性能试验。5.6检验结果评定
5.6.1不符合技术要求项目的不合格类别判定,应按附录A(补充件)的规定。5.6.2单件样品检验结果若不存在A类不合格项目,C类不合格项目不超过3项,或者B类不合格项目不超过1项并且C类不合格项目也不超过1项时,则评定该型号产品为合格品,否则即为不合格品。5.6.3成套样品中的各件样品应按单件样品评定要求评定其合格与否,成套样品中各件样品均为合格品时,评定该型号成套产品为合格品,若成套样品中存在1件不合格品,则评定该型号成套产品为不合格品。
5.7复验规则
5.7.1产品经型式检验不合格的,可进行一次复验。5.7.2复验时应对型式检验不合格的项目以及因试件损坏而未能检验的项目进行检验。5.7.3试样必须从封存样品中抽取一件含型式检验不合格项目的相同产品。5.7.4检验结果评定应按5.6.2、5.6.3条规定。在检验报告中注明\复验合格(或不合格)\结论。6出厂检验
出厂检验应在本产品型式检验合格的有效期内,由企业质量检验部门进行检验。6.1检验项目
6.1.1检验时应按附录A(补充件)Ai中与被检产品有关的项目逐项进行检验。6.1.2当产品中出现附录A(补充件)A1以外的必须检验项目时,应在企业产品标准中作出规定。183
QB/T1951.2—1994
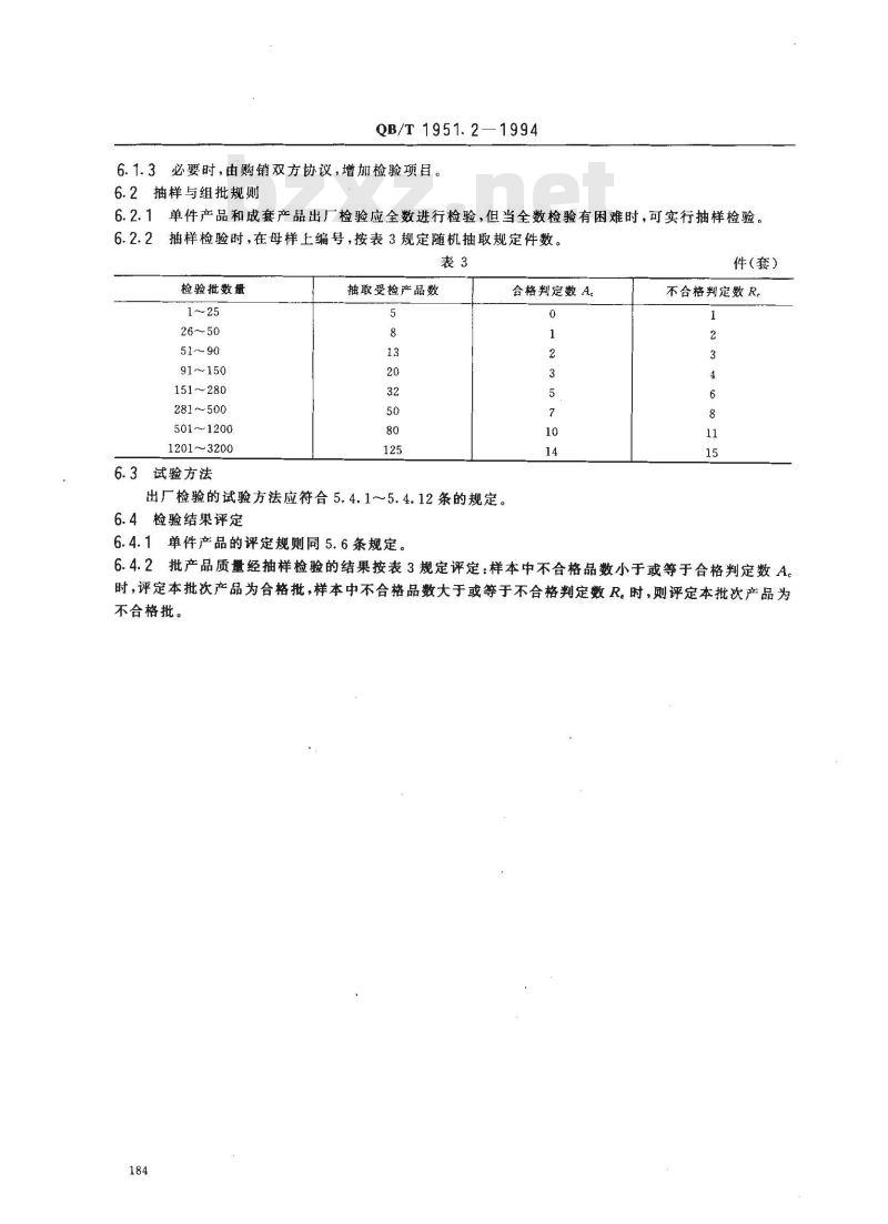
6.1.3必要时,由购销双方协议,增加检验项目。6.2抽样与组批规则
6.2.1单件产品和成套产品出厂检验应全数进行检验,但当全数检验有困难时,可实行抽样检验。6.2.2抽样检验时,在母样上编号,按表3规定随机抽取规定件数。表3
检验批数量
91~150
151~280
281~500
501~~1200
1201~3200
6.3试验方法
抽取受检产品数
出厂检验的试验方法应符合5.4.1~5.4.12条的规定。6.4检验结果评定
6.4.1单件产品的评定规则同5.6条规定。合格判定数 A。
件(套)
不合格判定数 R。
6.4.2批产品质量经抽样检验的结果按表3规定评定:样本中不合格品数小于或等于合格判定数A。时,评定本批次产品为合格批,样本中不合格品数大于或等于不合格判定数R。时,则评定本批次产品为不合格批。
检验项目名称
产品外形尺寸的极限
各类产品主要尺寸
(即功能尺寸)
邻边垂直度
桌面水平偏差
板件平整度
QB/T 1951.2—1994
附录A
金属家具检验项目及评定表
(补充件)
表A1外观检验项目
检验内容及技术要求
受检产品图样尺寸与实测值允差:非折叠式产品土5,折叠式产品士6桌类
①菜面商700,720,740,760
②中间净空高≥580
③中间净空宽≥520
④桌、椅(瑟)配套产品的高差280~320旖魏类
①座高 400,420.440
②扶手椅扶手内宽≥460
①挂衣棍下沿至底板上表面间距②挂衣空间深度≥500
③折叠衣物放置空间深≥450
④书柜捆板层高≥220
①床铺面净长1920
挂长衣≥1350
挂短衣≥850
②床铺面宽800,900,1000,1200,13501500③床铺面高400~440
④双层床层间净空高≥950
③双层床安全栏板高≥120,长≥1/2床长木制件面板、门或屉面板
对角线长度
≤1000
折叠式产品
不大于7%
折叠桌面水平偏差
不大于0.2
对角线长度
≥1400
对角线长度
≥700
对角线长度
充许值
充许值
允许值
非折叠式产品
不合格类别评定
检验项目名称
平行度
门分缝要求
抽屈分缝要求
焊接要求
铆接要求
涂层(镀层)要求
安全性要求
产品底脚著地平稳性
木材含水率要求
管材和冲压件要求
金属件外观要求
19金属件漆膜涂层外观
电镀层外观要求
QB/T 1951.2—1994
续表A1
检验内容及技术要求
门与框架(前表面),抽展与框架(前表面)允许偏差2规格
高<1000
高≥1000
长<300
长≥300
各≤2
各≤2
圆管弯曲处,25,允许偏差2;≥25,允许偏差2.5焊接处应无脱焊、虚焊、焊穿
铆接处应无漏铆、脱铆
涂层(镀层)应无剥落,无返锈,无粘漆在接触人体或收藏物品的部位不得有突出的毛刺或刃口棱角各种产品底脚着地平稳性偏差应不大于2应不超过各地区的年平均木材平衡含水率加1%管材和冲压件不允许有裂缝
系数≥0.7为合格
①管材要求
1)无叠缝;2)焊接无错位;3)无结疤②冲压件要求
1)无脱层;2)圆管和异型管弯曲处的波纹高低不大于0.4;3)弯曲处弧形应圆滑一致
③焊接件要求
1)焊疤表面波纹高低不大于1;2)无夹渣;3)无气孔:4)无焊瘤,5)无咬边;6)无飞溅
④铆接要求
1)铆钉头圆滑2)端正无锤印
系数≥0.7为合格
1)无露底;2)无凹凸:3)无明显流挂;4)无疙瘩;5)无皱皮;6)无飞漆;7)无色差:8)图案完整和无漏喷系数≥0.7为合格
外露部位:1)不得有烧焦;2)不得有起泡;3)不得有针孔;4)不得有裂纹;5)不得有明显毛刺;6)不得有花斑;7)不得有划痕mm
不合格类别评定
检验项目名称
零部件木材材质要求
工艺外观要求
23封边要求
木制件涂饰工艺外观
配件安装要求
产品标志
检验项目名称
金属件漆膜理化性能
2电镀层结合性能
QB/T 1951. 2
—1994
续表A1
检验内容及技术要求
虫蛀材须经杀虫处理,不得使用昆虫尚在继续侵蚀的木材零部件不允许有贯通裂缝
外表不得使用腐朽材,内部用材的轻微腐朽面积不得超过零件面积的15%,深度不得超过材厚的25%宽度不超过可见材宽的三分之一,直径不超过12的节子,经修补后不影响结构强度和外观的,可使用涂饰或存放物品的部位不得有树脂囊斜纹程度超过20%的不得使用
系数≥0.7为合格
覆面材料:1)无明显透胶;2)无凹陷,3)无压痕:4)无脱胶;5)无明显鼓泡
结合处:1)无漏钉;2)无期;3)外表应倒梭:4)圆角应一致;5)圆线应一致;6)木创件表面应细光;7)封边条不允许有脱胶、鼓泡
使用的各种人造板部件应作封边处理系数≥0.7为合格
不合格类别评定
1)着色不得露底:2)无积粉:3)无杂渣,4)无漏嵌腻子,5)无刷毛;6)无明显粒子;7)无涨边;8)无缩孔9)无色差;10)无过楞;11)无流挂;12)无皱皮;13)无白点启闭配件应灵活,折叠产品应折叠烫活,不得有自行折叠现象产品应使用中文标明产品名称、规格型号、主要技术指标、生产厂名及厂址。产品应具有中文标明的使用保养说明书、检验合格证书、产品等级标志及出厂日期或生产批号表A2理化性能检验项目
检验内容及技术要求
光泽度≥65%
漆膜硬度≥0. 4
漆膜冲击强度,质量 1 kg,冲击高度 400mm,经冲击漆膜不应有剥落、裂纹或皱纹
漆膜附着力应达到 3 级
漆膜耐腐蚀、加温耐盐水 1h,不得有锈蚀癌迹、鼓泡、开裂膝膜抗湿热,温度(47士1)C,相对湿度(96士2)%(48h),允许轻微变色、无锈蚀、鼓泡、剥落等现象镀层结合力,试件经弯曲镀层无起皮脱落O
不合格类别评定
检验项目名称
电镀层理化性能
木制件表面漆膜理化
木制件表面软、硬质
瘦面理化性能
检验项目名称
覆面材料剥离强度
强度和耐久性
稳定性
QB/T1951.2—1994
续表A2
检验内容及技术要求
镀层抗盐雾试验,1.5mm以下锈点≤20点/dm2,其中≥1.0mm锈点不超过5点(距离边缘棱角2mm以内的不计)镀层厚度不小于0.3μm
铝合金氧化膜厚度不小于3pam
电镀层表面粗糙度R.应不大于1.25um耐液
耐湿热
耐干热
附著力
10%碳酸钠
30%乙酸
24h,不低于3级
70℃,不低于3级
80℃,不低于3级
不低于3级
10001,不低于2级
耐冷热温差
耐湿热
耐干热
3周期,无鼓泡、裂缝和明显失光不低于3级
10%碳酸钠
30%乙酸
24h,不低于2级
70℃,不低于3级
80℃,不低于2级
宝丽板、华丽板
PVC贴面
耐冷热温差
2000r,不低于3级
400r,不低于3级
3 周期,无鼓泡、裂缝和明显失光表A3
力学性能检验项目
检验内容及技术要求
软质覆面材料剥离强度应达到3.5×10°N/m硬质覆面材料剥离强度应达到1.4×10N/m应符合GB/T10357的规定,取三级试验水平(其中搁板挠度与长度的比值<0.5%,主体结构和底架位移值<15mm)应符合GB/T10357的规定(其中垂直加载力,门为100N,抽屈为150N)
不合格类别评定
不合格类别评定
注:①同一序号内若有几项不同的检验内容不符合技术要求时,不合格类别的评定应有一项计一项。②同一件产品上若不同的部位都出现一类型的不合格,应作一项不合格计算。188
QB/T 1951.2 --1994
附录B
合格系数计算及评定
(补充件)
B1检验项目中有部分定性的外观检验内容,根据该检验项目中规定的检验内容个数,用合格系数法评定该项目合格或不合格。
B2合格系数是指该检验项目中的检验内容达到合格的程度,即达到0.7的,评定该检验项目为合格,达不到0.7的则评定该检验项目为不合格。B3合格系数计算公式:
C,=n/N.·
式中:C
该项目的合格系数;
该项目中实际应检内容的个数;n;—该项目中经检验符合技术要求的个数。B4合格系数的有效位数应保留到小数点后第一位,修约方法应符合下列规定。拟舍弃数字的最左一位数字小于5时,则舍去,即保留的一位小数数字不变,a.
拟舍弃数字的最左一位数字大于5,或者是5,而其后跟有并非全部为0的数字时,则进1,即b.
保留的一位小数上加1;
拟舍弃数字的最左一位数字为5,而右面无数字或皆为0时,若所保留的末位数字为奇数(1,3,5,7,9)则进1,为偶数(0,2,4,6,8)则舍弃;d.不许连续修约。
附加说明:
本标准由轻工业部质量标准司提出。本标推由全国家具标推化中心归口。本标准由上海市家具研究所负责起草。189
小提示:此标准内容仅展示完整标准里的部分截取内容,若需要完整标准请到上方自行免费下载完整标准文档。