首页 > 轻工行业标准(QB) > QB/T 1963-1994 打字腊纸
QB/T 1963-1994

基本信息

标准号: QB/T 1963-1994

中文名称:打字腊纸

标准类别:轻工行业标准(QB)

标准状态:现行

发布日期:1994-06-10

实施日期:1995-02-01

出版语种:简体中文

下载格式:.rar.pdf

下载大小:146768

标准分类号

中标分类号:轻工、文化与生活用品>>文教、体育、娱乐用品>>Y54办公用品及办公机具

关联标准

替代情况:替代GB/T 2802-1981

出版信息

出版社:中国轻工业出版社

页数:5页

标准价格:8.0 元

出版日期:1995-02-01

相关单位信息

起草人:李绍满、刘建平、袁玉英、孙秀霞、马玉顺

起草单位:北京文教用品厂

归口单位:全国文体用品标准化中心

提出单位:轻工业部质量标准司

标准简介

本标准规定了打字蜡纸的产品分类、技术要求、试验方法、检验规则、标志、包装、运输、贮存。本标准适用于中文打字、印刷的打字蜡纸。 QB/T 1963-1994 打字腊纸 QB/T1963-1994 标准下载解压密码:www.bzxz.net

标准图片预览

QB/T 1963-1994 打字腊纸
QB/T 1963-1994 打字腊纸
QB/T 1963-1994 打字腊纸
QB/T 1963-1994 打字腊纸
QB/T 1963-1994 打字腊纸

标准内容

中华人民共和国轻工行业标准
打字蜡纸
主题内容与适用范围
QB/T1963-1994
本标准规定了打字蜡纸的产品分类、技术要求、试验方法、检验规则、标志、包装、运输、贮存。本标准适用于中文打字、印刷的打字蜡纸。2引用标准
GB/T451.1纸和纸板尺寸及偏斜度的测定法GB/T2828逐批检查计数抽样程序及抽样表(适用于连续批的检查)周期检查计数抽样程序及抽样表(适用于生产过程稳定性的检查)GB/T 2829
QB/T3524凸版印刷纸
3产品分类
3.1打字蜡纸按规格分为2号(250.0mm×270.0mm)和4号(442.0mm×270.0mm)两种3.2根据打字蜡纸质量不同,分为A等品、B等品。3.3特殊规格由供需双方另行商定。4技术要求
打字蜡纸的规格尺寸应符合表1规定。型号
底版纸
有效印框
基本尺寸
4.2打字蜡纸的技术指标应符合表2规定中华人民共和国轻工业部1994-06-10批准表1
A等品
B等品
A等品
单位:mm
B等品
1995-02-01实施
指标名称
打印性
耐印性
耐热性
耐寒性
耐湿性
4.3外观要求
QB/T 1963
A等品
打字,划线完整不破,印刷清晰印刷1000次,漏墨点在1mm2以下的,4号B等品
印刷1000次,漏墨点在1mm2以下的,4号蜡纸不超过30个,2号蜡纸不超过15个;蜡纸不超过50个,2号蜡纸不超过25个;1mm2以上的不许有
(105土2)℃,恒温1h,结膜基本不变,蜡纸1mm2以上的不许有
(105土2)℃,恒温1h,结膜基本不变,蜡纸颜色略变或变深,三张蜡纸黄点平均不超过3颜色略变或变深,三张蜡纸黄点平均不超过5个
(—40士3)C恒温,24h,蜡纸结膜不变滴一滴蒸馏水,在1000g压力下持续10min,无显著变化4.3.1A等品
蜡纸应涂料均匀,手感不干不腻,纸面平整,不得有影响打印的浆块、硬梗、砂粒、孔洞、污迹等a.bzxZ.net
纸病;
底版纸平整,不得有孔洞、破裂等影响使用的纸病,印刷完整、清晰、洁净、印框位置居中;贴头平整、牢固,蜡纸不得超出底版纸。4.3.2B等品
蜡纸上不允许有影响打印字迹辨认的硬梗、砂粒、泡泡砂、针眼等纸病,蜡纸不得超出底版纸。5试验方法
尺寸和偏斜
按GB/T451.1测量。
5.2打印性
5.2.1仪器和材料
中文打字机,一台,
手推油印机,一台,
4004型打字蜡纸专用油墨;
符合QB/T3524的52g/m2的B等凸版纸,数张;d.
直尺、铁笔(笔尖应圆滑)、玻璃板。5.2.2取样方法:在盒内任取三张。5.2.3检验方法
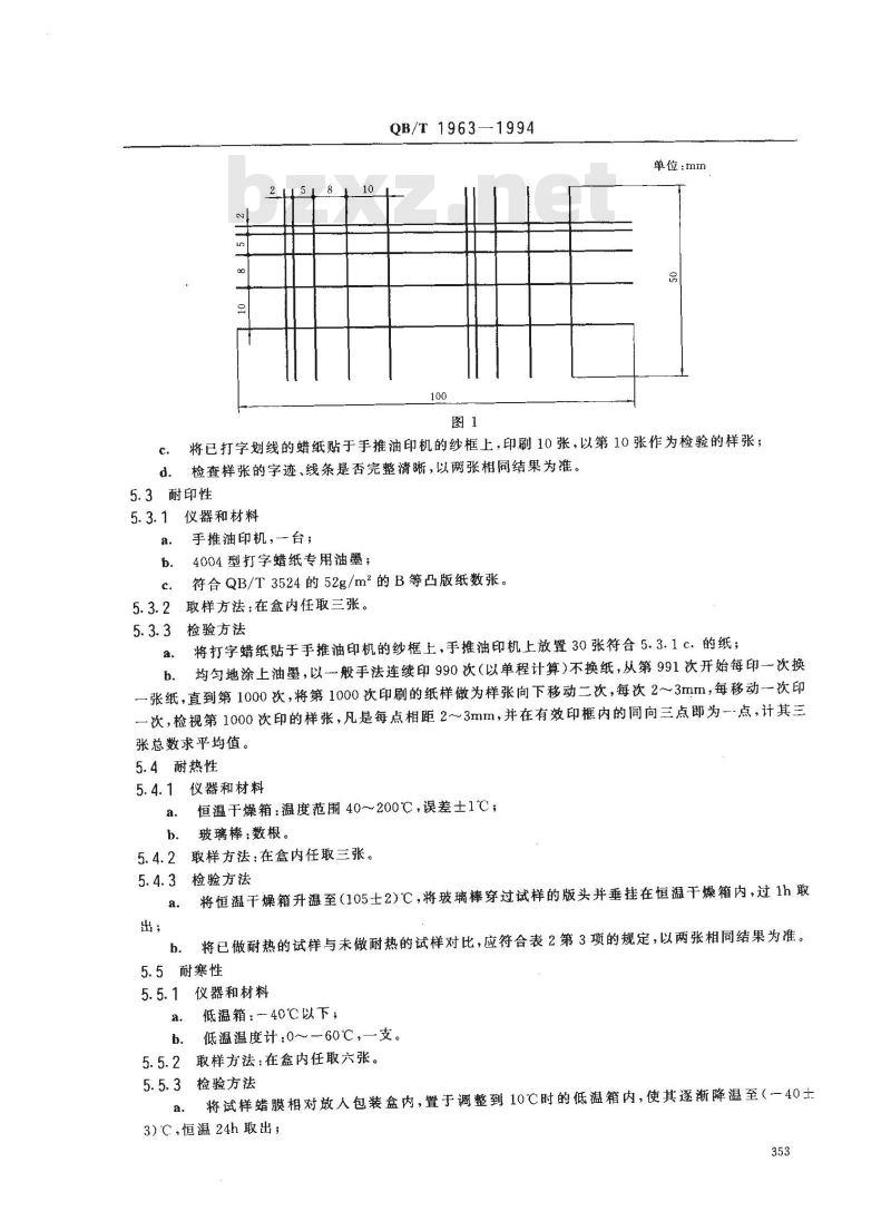
a。在同一张试样上以一般手法打“中文打字蜡纸行业标准漏墨试验”平行三组;“口田日○”五组,每组字间隔一个字的距离;
将已打字的试样平放在玻璃板上,用铁笔按图1的规定划线。b.
QB/T1963—1994
单位:mm
将已打字划线的蜡纸贴于手推油印机的纱框上,印刷10张,以第10张作为检验的样张;c.
d.检查样张的字迹、线条是否完整清晰,以两张相同结果为准。5.3耐印性
5.3.1仪器和材料
手推油印机,一台;
b.4004型打字蜡纸专用油墨;
符合QB/T3524的52g/m2的B等凸版纸数张。5.3.2取样方法:在盒内任取三张。5.3.3检验方法
将打字蜡纸贴于手推油印机的纱框上,手推油印机上放置30张符合5.3.1c.的纸;a.
b.均匀地涂上油墨,以一般手法连续印990次(以单程计算)不换纸,从第991次开始每印一次换一张纸,直到第1000次,将第1000次印刷的纸样做为样张向下移动二次,每次2~3mm,每移动一次印一次,检视第1000次印的样张,凡是每点相距2~3mm,并在有效印框内的同向三点即为一点,计其三张总数求平均值。
5.4耐热性
5.4.1仪器和材料
恒温干燥箱:温度范围40~200℃,误差士1℃;a.
玻璃棒:数根。
5.4.2取样方法:在盒内任取三张。5.4.3检验方法
将恒温干燥箱升温至(105土2)℃,将玻璃棒穿过试样的版头并垂挂在恒温干燥箱内,过1h取a.
将已做耐热的试样与未做耐热的试样对比,应符合表2第3项的规定,以两张相同结果为准。b.
5.5耐寒性
5.5.1仪器和材料
低温箱:40℃以下,
低温温度计:0~一60℃,一支。b.
5.5.2取样方法:在盒内任取六张。5.5.3检验方法
将试样蜡膜相对放入包装盒内,置于调整到10℃时的低温箱内,使其逐渐降温至(一40士a.
3)C,恒温24h取出;
QB/T1963--1994
耐寒后的试样取出后立即开盒观察,应符合表2第4项的规定,以两张相同结果为准。5.6耐湿性
仪器和材料
玻璃片:6快(100.0mmX100.0mmX6.0mm),磁码:1000g,3个;
滴管:1个;
蒸馏水。
取样方法:在盒内任取三张。
检验方法
将蜡纸连间衬纸裁成100.0mm×100.0mm的规格,同效在玻璃板上;在蜡纸和衬纸之间滴一滴蒸馏水(约0.2mL),将另一块玻璃片盖在蜡纸上,再压1000g磁码,10min后分开蜡纸和衬纸,同时看蜡纸和衬纸是否容易脱开,检查蜡纸膜上有无明显变化。以两张相同结果为准。
6检验规则
6.1检验分类
产品检验分为出厂检验和型式检验,样本单位为盒。6.2出厂检验
6.2.1出厂检验按GB/T2828的特殊水平S-2的一次抽样检查。6.2.2出厂检验的项目及合格质量水平(AQL)按表3的规定进行。表3
规格尺寸及体料
外观要求
技术要求
试验方法
6.3型式检验
6.3.1型式检验的样本必须在出厂检验合格的批中随机抽样。不合格品分类
6.3.2型式检验每月进行一次,发生下列情况时也应及时进行型式检验。正式生产后,如结构、材料、工艺有较大改变,可能影嗮产品的性能时;a.
出厂检验结果与上次型式检验结果有较大差异时:国家质量监督机构提出进行群式检验的要求时。6.4型式检验按GB/T2829中判别水平I的一次抽样方案进行。型式检验项目及不合格质量水平(RQL)按表4规定进行。6.5
打印性
耐印性
耐热性
耐寒性
技术要求
试验方法
不合格品分类
合格质量水平(AQL)
A等品
B等品
不合格质水平(RQL)
QB/T1963-1994
6.6需方可全部按本标准的技术要求进行验收。7标志、包装、运输、贮存
7.1打字蜡纸蜡膜相对装入盒内,盒内附产品说明书、合格证(标有生产日期、工号),盒外应有产品名称、商标、生产厂家、规格品种、数量及质量等级标志。7.2打字蜡纸每5盒或10盒为一包,用包装纸包封牢固,每包要竖立放置。7.3纸箱外要注明品名、牌号、厂家、厂址、等级、数量、体积、重量、生产日期、防潮、防热等标志。7.4贮存时仓库应阴凉、干爆、通风,勿接近热源,货箱应用木垫板垫起,避免直接放在地上受潮,码放高度以底层箱子不变形为准,不得曦晒雨淋,不得与液体化工原料混放。入库产品应做到先进先出先销售。
7.5运输中应使用有篷而干净的运输工具,运输途中不可曝晒雨淋,装卸时应轻搬轻放,保证产品包装完好。
7.6该产品在符合本标准的保管条件下,自生产日期起保用期为二年。附加说明:
本标准由轻工业部质量标准司提出。本标准由全国文体用品标准化中心归口。本标准由北京文教用品厂负责起草。本标准主要起草人李绍满、刘建平、袁玉英、孙秀霞、马玉顺。355
小提示:此标准内容仅展示完整标准里的部分截取内容,若需要完整标准请到上方自行免费下载完整标准文档。