首页 > 轻工行业标准(QB) > QB/T 2047-1994 金属表带
QB/T 2047-1994

基本信息

标准号: QB/T 2047-1994

中文名称:金属表带

标准类别:轻工行业标准(QB)

标准状态:已作废

发布日期:1995-01-05

实施日期:1995-08-01

作废日期:2008-03-01

出版语种:简体中文

下载格式:.rar.pdf

下载大小:281984

相关标签: 金属 表带

标准分类号

中标分类号:轻工、文化与生活用品>>钟表、自行车、缝纫机>>Y11钟表

关联标准

替代情况:替代SG 282-83;被QB/T 2047-2007代替

出版信息

出版社:中国轻工业出版社

页数:11页

标准价格:15.0 元

出版日期:1995-08-01

相关单位信息

起草人:邱翎忠、李丽丽、萧兆权、许淑琴、张放

起草单位:上海表带厂、北京表带厂

归口单位:全国钟表标准化中心

提出单位:中国轻工总会质量标准部

发布部门:中国轻工总会

标准简介

本标准规定了金属表带的产品分类、技术要求、试验方法、检验规则和标志、包装、运输、贮存。本标准适用于用金属材料制造的弹性表带与非弹性表带。 QB/T 2047-1994 金属表带 QB/T2047-1994 标准下载解压密码:www.bzxz.net

标准图片预览

QB/T 2047-1994 金属表带
QB/T 2047-1994 金属表带
QB/T 2047-1994 金属表带
QB/T 2047-1994 金属表带
QB/T 2047-1994 金属表带

标准内容

中华人民共和国轻工行业标准
金属表带
主题内容与适用范围
QB/T 2047—1994
本标准规定了金属表带的产品分类、技术要求、试验方法、检验规则和标志、包装、运输、贮存。本标准适用于用金属材料制造的弹性表带与非弹性表带。引用标准
GB/T2828逐批检查计数抽样程序及抽样表(适用于连续批的检查)GB/T2829
GB/T 4048
周期检查计数抽样程序及抽样表适用于生产过程稳定性的检查)手表表壳与表带联结部位的尺寸系列GB/T4049手表表带栓尺寸系列
金属和氧化物覆盖层横断面厚度显微镜测量方法GB/T 6462
金属和其他无机盖层厚度测量方法评述GB/T 6463
QB/T1901.1表壳体及其附件金合金覆盖层第1部分一般要求
第2部分纯度、厚度、耐腐蚀性能和结合强度表壳体及其附件金合金覆盖层
QB/T 1901. 2
的测试
3产品分类
3.1按表带材质分
不锈钢表带;
铜合金表带:
铝合金表带。
3.2按表带结构分www.bzxz.net
弹性表带
弹性表带分为:片簧式弹性表带;非片簧式弹性表带。b。非弹性表带
非弹性表带分为:折扣式表带:搭扣式表带;散开式表带与柔性(轴连接结构)表带:非柔性(非轴连接结构)表带:实心(或半实心)表带。3.3尺寸规格
表带主要尺寸规格见表1。
规格代号
中国轻工总会1995-01-05批准
带身中间宽度
表带总长
150~170
140~160
1995-08-01实施
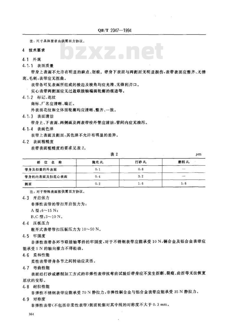
注:尺寸具体要求由供需双方协议。4技术要求
4.1外观
4.1.1表面质量
QB/T2047—1994
带身上表面不允许有明显的麻点、划痕。带身下表面与两侧面无明显损伤,表带表面应整齐、无锈斑、毛刺,表带应无扭曲,
表带各可见表面所组成的棱边及棱角均应光滑、无锋利刃口。实心表带两侧面应无过盈联接轴端面轮廓的痕迹等。4.7.2标记、花纹
商标、厂名应清晰、端正。
外表面花纹和立体面轮廊均应清晰、整齐、一致。4.1.3表面清洁
带身上、下表面、两侧面及两表带栓外管应清洁,管间内应无油污。4.1.4表面色泽
表带上表面及侧面,其色泽不允许有明显的差异。4.2表面粗糙度
表带表面粗糙度的要求见表2。
部位名称
带身及扣盖的外表面
带身的内表面及扣底心表面
注:对于特殊表面按供需双方协议。4.3开启张力
非弹性表带的带扣开启张力为:A型:6~15N;
B.C型:3~10 N。
4.4压板压力
抛光R
开式表带带扣压板压力为10~50N。4.5牢固度
打砂R
磨前R。
非弹性表带各环节联接轴零件的牢固度,对于不锈钢表带应能承受10N,铜合金及铝合金表带应能承受5N的轴向推力不得松动。4.6柔和性能
柔性表带带身各节之间转动应灵活。4.7弯曲性能
表面经打砂或磨削加工方式的非弹性表带抗弯曲试验后带身应不发生折断、裂痕、曲折等无法恢复原状的变形。
4. 8耐拉性能
非弹性不锈钢表带应能承受70N静拉力,非弹性铜合金与铝合金表带应能承受35N静拉力。4.9对称度
非弹性表带(不包括非柔性表带)侧面轮廓对其中线的对称度不大于0.3mm。364
4.10直线度
QB/T 2047--1994
实心表带直线度:表带自然放平带身侧面轮廉的直线度不大于1mm。片簧式弹性表带直线度:将表带拉伸到原长的1.5倍时,带身面轮廓的直线度不大于1.3mm。4.11垂直度
片簧式弹性表带弹性面管两侧面与带身侧面的垂直度对于A型不大于0.5mm,对于B.C型不大于0.3 mm。
4.12管间距均匀性
将片簧式弹性表带拉伸到原长的1.2倍时,面管管间距最大最小之差不大于1mm。4.13伸缩性能
弹性表带拉伸到弹性极限,在缓慢回缩过程中应均匀收缩,且无明显的响声和跳动。4.14自然弧度
弹性表带自由侧立时应成正弧形。4.15抗拉开性能
A型应能承受1N的静拉力,B、C型应能承受0.6N的静拉力.片簧式弹性表带原长度不变。4.16伸长率
伸长率不低于50%。
4.17耐疲劳性能
4.17.1片簧式弹性表带的耐疲劳性能。伸缩5000次后,抗拉开的性能应符合4.15条的要求,4.17.2非弹性表带带扣的耐疲劳性能。A型:开合1000次后开合张力不小于6N;B、C型:开合600次后开合张力不小于3N。4.18覆盖层厚度
4.18.1与手表壳不可卸表带或相配制的表带与手表壳不可卸表带或相配制的表带其覆盖层厚度及金合金纯度的要求按QB/T1901.1中有关规定和双方协议中的有关规定。4.18.2一般表带
a。镀金的厚度需在合格证或合格标记上标明厚度值,单位以微米计,实际镀金厚度与标明厚度值允许偏差为一30%;
b.氮化钛厚度≥0.3um;
碳化钛厚度≥0.3um;
镀铬厚度≥0.2am
氧化膜厚度≥8μm。
4.19覆盖层结合强度
经结合强度试验后,不允许有龟裂、起泡、起壳、脱落等现象出现。4.20耐腐蚀性能
经耐腐蚀性能试验后表面无斑迹,其色泽应与试验前无明显的区别。4.21耐磨性能
在下列摩擦时间内用橡胶轮摩擦表带上、下表面后不露底色。4.21.1与手表壳不可御表带或相配制的表带与手表壳不可卸表带或相配制的表带其摩擦时间按双方协议规定。4.21.2一般表带
a.镀金≥6s:
b.氮化钛≥25min;
碳化钛≥25min;
镀铬≥3 min;
e.氧化膜≥15 min。
5试验方法
5.1外观质量
用目测。
5.2表面粗糙度
用比较样板对比或用仪器测定。5.3开启张力
QB/T 2047-1994
用专用测力计,勾住或压往非弹性表带扣盖开启处检测规定的张力,每根表带测三砍取平均值。5.4压板压力
用专用测力计加压于散开式表带带扣压板上进行测量。5.5牢固度
用专用测试仪,检测非弹性表带各联接轴(不超过5处),每处能承受规定的轴向推力二次,零件不得有松动现象。
5.6柔和性能
用手转动非弹性表带带身的各连接处,绕曲灵活,无卡死等现象。5.7弯曲性能
经打砂或磨削加工方式的非弹性表带的弯曲性能:上表面:A型20N,B.C型15N反转表带从上慢慢施加压力,时间为5s。下表面:A型40N,BC型30N将表带于正常方向弯曲,慢慢从上面施加压力,时间5s。试验后应符合4.了条所规定的要求。5.8耐拉性能
将非弹性表带一端固定,另一端勾住拉力计或码,承受规定的拉力,时间为5s,非弹性表带连接处部位应无位移及永久性变形。5.9对称度
用游标卡尺分别测量非弹性表带两端侧面轮廓对称点对其中心线距离之差,若外表面无法测量时可測内表面。
5.10直线度
用投影仪及专用工具,以面管两端点连接为基础,测量同一侧面各点与基准线的最大垂直距离。5.11垂直度
目测或用投影仪测量片簧式弹性表带侧面实际轮廓(即侧面两极端最高点的连线)于基准线的垂直度。
2管间距均匀性
用塞尺测量片簧式弹性表带面管的最大距离与最小距离之差。5.13伸缩性能
目测、耳闻、手感,观察弹性表带其各管收缩时的响声和跳动。5.14自然弧度
目测,将弹性表带放在平板上自由侧立时应成正弧形不得出现平直。5.15抗拉开性能
将片簧式弹性表带一端固定,另一端施加静拉力,用目测方法观察面管间是否出现离缝。366
5.16伸长率
QB/T 2047—1994
用钢直尺测量片簧式弹性表带的原长,拉伸至极限的长度并按下列公式计算得出:伸长率(%)=极限长度一愿长×100原长
5. 17 耐疲劳性能
5.17.1弹性表带的耐疲劳性能在专用疲劳试验仪上进行,频率50次/min,拉伸长度6低于原长的1.5倍试验到规定次数后,再测定其抗拉性能。5.17.2非弹性表带带扣的耐疲劳性能在专用疲劳试验仪上进行,频率36次/min,张力角度不大于45°开合到规定次数后再测其开合张力。5.18覆盖层厚度
5.18.1与手表壳不可卸表带或相配制的表带与手表壳不可卸表带或相配制的表带覆盖层厚度及金合金纯度的试验按QB/T1901.2中有关规定和双方协议规定执行。
5.18.2般表带
镀金、氮化钛、碳化钛、镀铬的厚度试验按QB/T1901.2和GB/T6463中有关规定执行a.
氧化膜的厚度试验按GB/T6462中有关规定执行。b.
5.19覆盖层结合强度
覆盖层结合强度试验按QB/T1901.2中的热试验有关规定执行。5.20耐腐蚀性能
耐腐蚀性能试验按QB/T1901.2中的人工汗试验有关规定执行。5.27耐磨性能
用直径为68mm,邵氏硬度为80的黑色橡胶轮以(75士1)r/min的转速,15N的径向压力摩擦表带上、下表面的覆盖层。
6检验规则
6.1出厂检验。
6.7.1出厂检验按GB/T2828二次抽样方案进行。6.1.2检验项目、不合格分类、合格质量水平(AQL)和检查水平(IL)按非弹性表带与弹性表带分别列表,见表3、表4。
表3非弹性表带
不合格分类
检验项目
开启张力
压板压力
牵固度
柔和性能
弯曲性能
耐拉性能
适用条款
不合格分类
检验项目
表面质量
标记、花纹
表面清洁
表面色
表面粗髓度
直线度
对称度
QB/T2047—1994
续表3
适用条款
4.1.15.1.1
4.1.25.1.2
4.1.35.1.3
4.1.45.1.4
4.10 5.10
注:①压板压力只适用于散开式表带,折扣式表带和搭扣式表带无此项要求。②柔和性能只适用于柔性表带,非柔性表带和实心表带无此项要求。③弯曲性能只适用于经打砂或磨削加工方式的表带,经抛光加工方式的表带无此项要求。④直线度只适用于实心表带,柔性表带和非柔性表带无此项要求。?对称度只适用于柔性表带和实心表带,非柔性表带无此项要求。表4弹性表带
合格分类
检验项目
伸缩性能
自然弧度
抗拉开性能
伸长率
直线度
垂直度
管间距均勾性
表面质量
标记、花纹
表面清洁
表面色泽
表面粗糙度
适用条款
4. 145. 14
4. 155. 15
4. 165. 16
4.11 5.11
4.1.1 5.1.1
4.1.25.1.2
4.1.35.1.3
4.1.45.1.4
注:抗拉开性能、伸长率、直线度、垂直度、管间距均匀性只适用于片簧式表带,非片簧式表带无此几项要求。6.1.3批的组成、批量由供需双方商定。6.1.4检查严格度按GB/T2828第4.6条确定。6.1.5根据6.1.2~6.1.4条确定的各项,按GB/T2828第4.8条的有关规定检索抽样方案、确定样本大小和判定数组。
6.1.6出厂检验合格与不合格的判断按GB/T2828第4.11条规定进行。6.1.7出厂检验后的处置按GB/T2828第4.12条规定进行。6.1.8出厂检验的抽样方案类型,及其检验项目的增加或减少也可由双方商议。6.2型式检验
6.2.1型式检验按GB/T2829进行。6.2.2采用判别水平(DI.)1和一次抽样方案。368
QB/T 2047-1994
6.2.3检验项目,不合格分类、样本大小和不合格质量水平(RQL)按非弹性表带与弹性表带分别列表,见表5、表6
5非弹性表带
不合搭分类
检验项目
开启张力
压板压力
柔和性能
弯曲性能
耐拉性能
耐疫劳性能
表面质量
标记、花纹
表面清洁
表面色泽
表面粗糙度
直线度
对称度
覆盖层厚度
覆盖层结合强度
耐腐蚀性能
耐磨性能
适用条款
4.1.1 5.1.1
4.1.35.1.3
注:①压板压力只适用于散开式表带,折扣式表带和搭扣式表带无此项要求。②柔和性能只适用于柔性表带,非柔性表带和实心表带无此项要求。RQL
③弯曲性能只适用于经打砂或磨削加工方式的表带,经抛光加工方式的表带无此项要求。①直线度只适用于实心表裙,柔性表带和非柔性表带无此项要求。A
③对称度只适用于柔性表带和实心表带,非柔性表带无此项要求。③覆盖层厚度、覆盖层结合强度、耐腐蚀性能、耐磨性能只适用于表面有覆盖层要求的表带,不锈钢表带无覆盖层要求时无此几项要求。但当需确认或仲裁材料类别时,有耐腐蚀性能此项要求。表 6弹性表带
不合格分类
检验项目
伸缩性能
自然度
耐疲劳性能
抗拉开性能
伸长率
适用条款
不合格分类
直线度
垂直度
检验项耳
管间距均勾性
表面质量
标记、花纹
表面清洁
表面色泽
表面租糙度
覆盖层厚度
覆盖层结合强度
耐腐蚀性能
耐磨性能
QB/T 2047—1994
续表6
适用条款
4.11 5.11
4. 1.1 5. 1.1
4.1.25.1.2
4.1.35.1.3
4.1.45.1.4
注:①抗拉开性能、伸长率、直线度、垂直度、管间距均匀性只适用于片簧式弹性表带,非片黄式弹性表带无此几项要求。
②覆盖层厚度、覆盖层结构强度、耐腐蚀性能、耐磨性能只适用于表面有预盖层要求的表带,不锈钢表带无覆盖层要求时无此几项要求。但当需确认或仲裁材料类别时,有耐腐蚀性能此项要求。6.2.4根据6.2.2和6.2.3条查GB/T2829表3检索抽样方案,结果见表5、表6。6.2.5样本的检查按GB/T2829第4.10条规定进行。型式检验合格与不合格的判断按GB/T2829第4.11条规定进行。6.2.6
型式检验后的处置按GB/T2829第4.12条规定进行。型式检验周期一般每年为一次,有以下情况之一应进行型式检验。6.2.8
新产品投产或老产品转产时;
产品的设计、结构、工艺、材料有较大变动时;产品停止生产一个周期以上,又恢复生产时;国家质量监督机构提出进行型式检验的要求时。6.2.9型式检验的抽样方案类型也可由双方商议。7标志、包装、运输、购存
7.1标志
7.1.1产品标志
产品标志应有制造厂名或商标。7.1.2外包装标志
外包装标志应有以下内容:
制造厂名:
产品名称;
商标;
产品型号和标记;
数量;
出厂日期和编号或生产批号;
g.外包装体积;
h。外包装重量。
7.2包装
7.2.1装盒
QB/T2047---1994
表带两条以上要装盒,表带之间要有隔离物。盒内应有合格证或合格标记7.2.2外包装
装盒的表带应有纸箱或木箱作外包装。7.2.3运输
运输过程中防止激烈的颠簸、撞击、展动,防止抛掷。7.3贮存
贮存地点必须通风于燥,防止与腐蚀性物质堆放在一起371
A1折扣式
QB/T2047—1994
附录A
非弹性表带带扣结构图示
(参考件)
折扣式表带带扣结构图示见图A1。1—联结轴:2—弹簧轴:3扣底:4—扣芯5—扣盖:6-带身:7—表带栓外管图A1折扣式表带带扣结构图示
A2搭扣式
搭扣式表带带扣结构图示见图A2。1—表带栓外管;2—搭扣部件:3—带身图A2搭扣式表带带扣结构图示
A3蔽开式
散开式表带带扣结构图示见图A3。372
附加说明:
QB/T2047--1994
1—带身+2—扣盖:3一封片:4—扣底;5—压板;6—表带栓外管图A3散开式表带带扣结构图示
本标准由中国轻工总会质量标准部提出。本标准由全国钟表标准化中心归口。Si
本标准由上海表带厂、北京表带厂负责起草,轻工业部钟表工业科学研究所参加起草。本标准主要起草人邱翊忠、李丽丽、萧兆权、许淑琴、张放。自本标准实施之日起,原轻工业部部标准SG2821983不锈钢表带》废止。373
小提示:此标准内容仅展示完整标准里的部分截取内容,若需要完整标准请到上方自行免费下载完整标准文档。