首页 > 轻工行业标准(QB) > QB/T 2082-1995 木工手用刨刀与盖铁
QB/T 2082-1995

基本信息

标准号: QB/T 2082-1995

中文名称:木工手用刨刀与盖铁

标准类别:轻工行业标准(QB)

标准状态:现行

发布日期:1995-03-27

实施日期:1996-01-01

出版语种:简体中文

下载格式:.rar.pdf

下载大小:94272

相关标签: 木工

标准分类号

中标分类号:机械>>工艺装备>>J47手工工具

关联标准

替代情况:SG 218-1980

采标情况:ISO 2728-1982

出版信息

出版社:中国轻工业出版社

页数:6页

标准价格:10.0 元

出版日期:1996-01-01

相关单位信息

起草人:陆遐令、赵强华

起草单位:木工手用刨刀与盖铁行业标准起草工作小组

归口单位:全国工具五金标准化中心

提出单位:中国轻工总会质量标准部

发布部门:中国轻工总会

标准简介

本标准规定了木工手用刨刀的术语、产品分类、技术要求、试验方法、检验规则、包装、标志、运输与贮存。本标准适用于木工手用刨刀和木工手用刨刀盖铁。 QB/T 2082-1995 木工手用刨刀与盖铁 QB/T2082-1995 标准下载解压密码:www.bzxz.net

标准图片预览

QB/T 2082-1995 木工手用刨刀与盖铁
QB/T 2082-1995 木工手用刨刀与盖铁
QB/T 2082-1995 木工手用刨刀与盖铁
QB/T 2082-1995 木工手用刨刀与盖铁
QB/T 2082-1995 木工手用刨刀与盖铁

标准内容

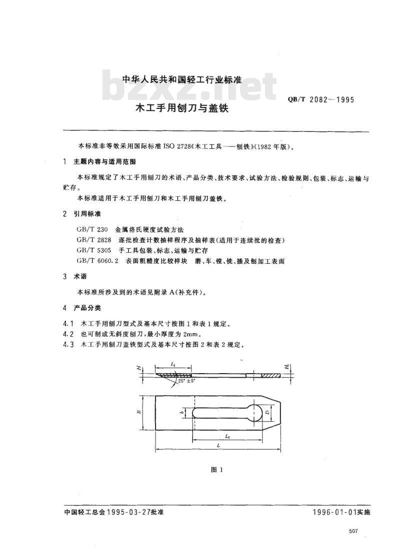
中华人民共和国轻工行业标准
木工手用刨刀与盖铁
QB/T 2082---1995
本标准非等效采用国际标准ISO2728《木工工具——刨铁》(1982年版)。1主题内容与适用范围
本标准规定了木工手用刨刀的术语、产品分类、技术要求、试验方法、检验规则、包装、标志、运输与存。
本标准适用于木工手用刨刀和木工手用刨刀盖铁。2引用标准
GB/T230金属洛氏硬度试验方法
GB/T 2828
逐批检查计数抽样程序及抽样表(适用于连续批的检查)GB/T5305手工具包装、标志、运输与贮存GB/T6060.2表面粗糙度比较样块磨、车、镗、铣、插及刨加工表面3术语
本标准所涉及到的术语见附录A(补充件)。4产品分类
4.1木工手用刨刀型式及基本尺寸按图1和表1规定。也可制成无斜度刨刀,最小厚度为2mm。4.2
4.3木工手用刨刀盖铁型式及基本尺寸按图2和表2规定。L
25°±5
中国轻工总会1995-03-27批准
1996-01-01实施
基本尺寸
充允差
基本尺寸
QB/T2082--1995
基本尺寸
注:表1中的尺寸Limin为采用复合材料制造时的刃钢体的最小长度。16°±21
16°±2°
基本尺寸
5技术要求
基本尺寸
5.1木工手用刨刀
QB/T 2082-1995
Lazmin
基本尺寸允
基本尺寸充
热处理后刃钢体面硬度不低于HRA81,刃口始该硬度的有效长度不小于 56mm。5.1.1
5.1.2刃口厚度不大于0.3mm。
5.1.3刃口与两侧面垂直度不大于0.40mm,直线度不大于0.12mm。±0.50
5.1.4复合材料制造的刨刀、刃钢体与基体粘合牢固,刃口斜面与两侧面复合处夹灰长度不允许超出各自长度7%,且不得在直角处相交。5.1.5刃钢体面不得有裂纹,刨刀正面从刃口始长度56mm内刃钢体面不得有黑斑。5.1.6刨刀正面从刃口始长度56mm内,刃钢体面的表面粗髓度R。值不大于16um,刃口斜面的表面粗糙度R。值不大于6.3μm。
5.1.7刨刀正面从刃口始长度60mm内刃钢体面的直线度公差为0.10mm。5.2木工手用刨刀盖铁
5.2.1盖铁的表面粗糙度R.值不大于12.5μm。5.2.2螺孔的外壁不允许有影响使用性能的裂纹。5.2.3盖铁的前缘相对于两侧面的垂直度不大于 0.50mm。6试验方法
6.1硬度试验按GB/T230的规定,在离刃口50mm内的刨刀的正面上测量。6.2尺寸检验采用通用量具。
6.3刃口厚度用塞尺对比检查,刃口直线度用平板与塞尺检查(例刀正面与平板垂直)。6.4刃钢体面直线度用刀形直尺与塞尺检查。6.5表面粗糙度采用GB/T6060.2的规定样块,比较检验。6.6盖铁与刨刀的垂直度用平板、直角座及百分表检查。6.7产品外观用目测检查。
检验规则
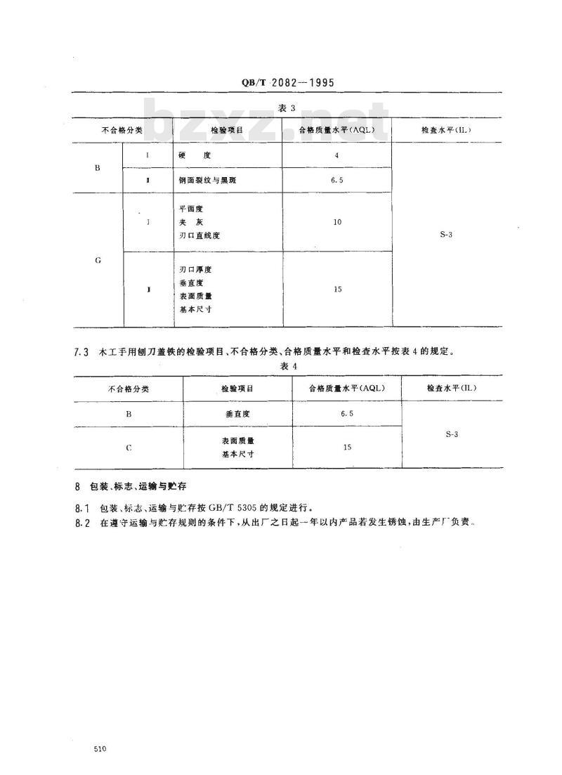
7.1产品检验按GB/T2828规定的次抽样方案进行。7.2木工手用刨刀的检验项目、不合格分类、合格质量水平和检查水平按表3规定。509
不合格分类
QB/T·2082--1995
检验项目
钢面裂纹与黑斑
平面度
刃口直线度
刃口厚度
垂直度
表面质量
基本尺寸
合格质量水平(AQL)
捡查水平(I1.)
7.3木工手用刨刀盖铁的检验项目、不合格分类、合格质量水平和检查水平按表4的规定。表4
不合格分类
8包装、标志、运输与贮存
检验项目
垂直度
表面质量
基本尺寸免费标准下载网bzxz
合格质量水平(AQL)
包装、标志、运输与贮存按GB/T5305的规定进行。8.11
检查水平(IL)
8.2在遵守运输与贮存规则的条件下,从出厂之日起一年以内产品若发生锈蚀,由生产厂负责。510
A1木工手用刨刀
A2木工手用刨刀盖铁
刃口斜面
刃钢体
2—1995
QB/T 2082
附录A
名词术语
(补充件)
复合面
附加说明:
QB/T20821995
本标准由中国轻工总会质量标准部提出。本标谁由全国工具五金标准化中心归口。本标准由木工手用刨刀与盖铁行业标准起草工作小组负资起草。本标准主要起草人陆遐令、赵强华。自本标准实施之日起,原轻工业部部标准SG218一1980《木工手用刨力》作废512
小提示:此标准内容仅展示完整标准里的部分截取内容,若需要完整标准请到上方自行免费下载完整标准文档。