首页 > 轻工行业标准(QB) > QB/T 3656-1999 家具表面硬质覆面材料剥离强度的测定
QB/T 3656-1999

基本信息

标准号: QB/T 3656-1999

中文名称:家具表面硬质覆面材料剥离强度的测定

标准类别:轻工行业标准(QB)

标准状态:现行

发布日期:1999-04-21

实施日期:1999-04-21

出版语种:简体中文

下载格式:.rar.pdf

下载大小:96293

相关标签: 家具 表面 硬质 材料 剥离强度 测定

标准分类号

中标分类号:轻工、文化与生活用品>>家具>>Y80家具综合

关联标准

替代情况:原标准号ZB/T Y80003-1988

采标情况:гост 15867-1979,NEQ

出版信息

页数:7页

标准价格:12.0 元

相关单位信息

标准简介

QB/T 3656-1999 家具表面硬质覆面材料剥离强度的测定 QB/T3656-1999 标准下载解压密码:www.bzxz.net

标准图片预览

QB/T 3656-1999 家具表面硬质覆面材料剥离强度的测定
QB/T 3656-1999 家具表面硬质覆面材料剥离强度的测定
QB/T 3656-1999 家具表面硬质覆面材料剥离强度的测定
QB/T 3656-1999 家具表面硬质覆面材料剥离强度的测定

标准内容

中华人民共和国轻工行业标准
家具表面硬质覆面材料剥离强度的测定主题内容与适用范围
QB/T 3656--1999
本标准规定了用力学试验机测定家具表面硬质覆面材料与基材间剥离强度的方法。本标准适用于以刚度大于或等于0.1N·m、厚度小于2mm的各种片材为覆面材料,同以木材及木质材料为基材经胶合所制得的家具及其他木制品的零部件剥离强度的评定。2原理
利用力学试验机,将试件两端伸出的硬质覆面材料置于夹具的支承刀上,并在试件中心加以垂直向下的压力,使硬质覆面材料与基材间产生不均勾分布的载荷,从而使覆面材料从基材上离下来或发生破坏,观察并记录试件胶合面的破坏状况和最大破坏载荷。3 试验设备和测量仪器
3.1力学试验机
最大负荷500N,相对误差应不大于士1%,设备应有自动记录装置。3.2夹具
用以放置试件,形状见图1。两片支承刀的刀刃必须在同一水平面上,并且互相平行,支承刀刃的最小容许半径为0.1mm。
图1夹具的形状和尺寸
1-试验机压头;2—试件;2-螺钉;4支承力±5—底部为半圆形的支座;6—底部为平面的支座;7-联接轴3.3游标卡尺
分度值为0.02mm,用于测量试件宽度。中华人民共和国轻工业部1988-12-15批准622
1989-07-01实施
3.4外径千分尺
QB/T3656-1999
分度值为0.01mm,用于测量覆面材料的厚度。4试件
4.1试件的长度为(50士0.5)mm,宽度为(20士0.1)mm,基材厚度不得小于10mm,试件的形状见图2。
当测定用于封边的覆面材料与基材间的剥离强度时,试件的宽度应等于被封边部件的厚度。40±0.5
图2试件的形状与尺寸
1一覆面材料?2—胶层;3—基材;4—供安装试验机压头用的试材中心线4.2试件的数量应在有关产品的技术文件中说明,但应不少于16块。4.3试材可以是家具生产中经胶合或封边后的中间产品,或未经涂饰过的成品,也可以采用相同材料、在相同的胶合条件下专门制作。4.4胶合后的试材,须在室内条件下陈放后方可制成试件,陈放时间:热压试材应不少于48h,冷压试材应不少于 72h。
4.5由试材锯解成试件时,可先锯出宽度为b的长方形条,然后参照图3的形式锯解成试件。在试件的锯口2处不容许锯齿触及覆面材料,而必须留下0.1~0.2mm的基材,刀或凿子把这部分残留的基材仔细清除于净。
试验用的试件应取自试材的不同部位。2
图3试件的制作
1—锯切余量,2—锯口,3—试件的基材:4——试件的覆面材料4.6试件的端面应锯切平整,并与侧面相垂直。如发现有覆面材料脱胶现象,则该试件应予作废。4.7如果试材的覆面材料是单板(或胶合板),由试材锯成试件时应使单板(或胶合板上与基材接触的那层单板)的纤维方向与试件的长度方向相一致。4. 8试验前应测量每块试件的宽度,测量误差应不大于 0. 1mm;同时测量每块试件的覆面层的厚度,测量误差应不大于0.01mm。
4.9试验前应在每块试件长度方向的侧面划出中心线,它应垂直于覆面材料表面(见图2)。4.10试验前,应将试件在温度(20土2)℃,相对湿度60%~70%的条件下放置48h以后方能进行试验。
5试验步骤
5.1按图1所示将试件安装在夹具上,使画在试件上的中心线与力学试验机压头的中心线相重合。623
TTKAoNniKAca
QB/T3656-1999
5.2开动试验机,使试验机压头以0.4~0.5mm/s的均匀速度对试件施加压力。5.3记录覆面材料与基材剥离或覆面材料发生破坏的瞬间的最大破坏载荷P,读数精度0.5N,并记录下破坏的程度。记录格式见附录B。6试验结果的计算
6.1根据试件的宽度b和破坏载荷P,按式(1)计算剥离强度g,计算应精确至1N/m。P
26×103
式中:9—剥离强度,N/m;
破坏载荷,N,
b—试件宽度,mm。
6.2计算所有试件剥离强度的算术平均值,并以此作为试验的结果。624
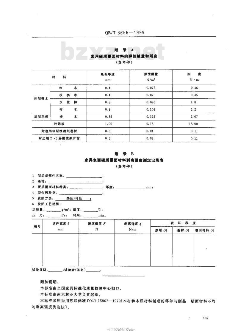
创制薄木
旋制单板
核桃木
水曲柳
装饰板
封边用双层浸溃纸卷材
封边用2 ~3层漫溃纸片材
制品或部件名称:
基材:
硬质覆面材料种类:
胶合剂种类:
胶贴方法:
胶贴工艺规程:
涂胶量:
压力:
试验日期:
热压/冷压
g/m*,温度:
时间:
试件宽度 b
QB/T3656—1999
附录A
常用硬质覆面材料的弹性模量和刚度(参考件)
最低厚度
弹性模量
家具表面硬质覆面材料剥离强度测定记录表(参考件)
,淳度:
min。
破坏裁荷 P
试验者(签名)
附加说明:
本标准由全国家具标准化质量检测中心归口。本标准由南京林业大学负责起草。本标准参照采用苏联标准rOCT15867-勾剥离强度测定法》。
剥离强度 q
胶层,%
坏程度下载标准就来标准下载网
基材,%
-1979《木材和木质材料制成的零件与制品TTiKAoNi KAca-
覆面材料,%
贴面材料不均
小提示:此标准内容仅展示完整标准里的部分截取内容,若需要完整标准请到上方自行免费下载完整标准文档。