首页 > 国家标准(GB) > GB/T 7134-1996 浇铸型工业有机玻璃板材、棒材和管材
GB/T 7134-1996

基本信息

标准号: GB/T 7134-1996

中文名称:浇铸型工业有机玻璃板材、棒材和管材

标准类别:国家标准(GB)

标准状态:已作废

发布日期:1996-06-14

实施日期:1997-04-01

作废日期:2009-04-01

出版语种:简体中文

下载格式:.rar.pdf

下载大小:244847

相关标签: 浇铸 工业 有机玻璃 板材 管材

标准分类号

标准ICS号:橡胶和塑料工业>>83.140橡胶和塑料制品

中标分类号:化工>>合成材料>>G32合成树脂、塑料

关联标准

替代情况:替代GB 7134-1986;被GB/T 7134-2008代替

采标情况:ISO 7823/1-87

出版信息

出版社:中国标准出版社

书号:155066.1-13287

页数:平装16开, 页数:11, 字数:17千字

标准价格:10.0 元

出版日期:1997-04-01

相关单位信息

首发日期:1986-12-30

复审日期:2004-10-14

起草人:陆锡芳、何少铸

起草单位:上海珊瑚化工厂

归口单位:全国塑料标准化技术委员会

提出单位:中华人民共和国化学工业部

发布部门:国家技术监督局

主管部门:中国石油和化学工业协会

标准简介

本标准规定了浇铸型工业有机玻璃板材、棒材和管材的规格、技术要求、试验方法、检验规则以及标志、包装、运输和贮存要求。本标准适用于以甲基丙烯酸甲酯为原料,在特定的模具内进行本体聚合而成的无色或有色的透明、半透明、不透明工业有机玻璃板材、棒材和管材。 GB/T 7134-1996 浇铸型工业有机玻璃板材、棒材和管材 GB/T7134-1996 标准下载解压密码:www.bzxz.net

标准图片预览

GB/T 7134-1996 浇铸型工业有机玻璃板材、棒材和管材
GB/T 7134-1996 浇铸型工业有机玻璃板材、棒材和管材
GB/T 7134-1996 浇铸型工业有机玻璃板材、棒材和管材
GB/T 7134-1996 浇铸型工业有机玻璃板材、棒材和管材
GB/T 7134-1996 浇铸型工业有机玻璃板材、棒材和管材

标准内容

中华人民共和国国家标准
浇铸型工业有机玻璃板材、
棒材和管材
Poly (methyl methacrylate)
cast sheets, rods and tubes
GB/T 7134--1996
代替GB7134-86
本标准中的“工业有机玻璃板材”非等效采用国际标准ISO7823/1:1987《塑料~甲酯板材—类型、尺寸和特性第一部分:浇铸板材》主题内容与适用范围
聚甲基丙烯酸
本标准规定了浇铸型工业有机玻璃板材、棒材和管材(以下简称板材、棒材和管材)的规格、技术要求、试验方法、检验规则以及标志、包装、运输和贮存要求。本标准适用于以甲基丙烯酸甲酯为原料,在特定的模具内进行本体聚合而成的无色或有色的透明、半透明、不透明工业有机玻璃板材、棒材和管材。2引用标准
GB1039
GB1040
GB1043
GB1633
GB 1634
GB2410
GB 2918
GB9342
3规格
塑料力学性能试验方法总则
塑料拉伸试验方法
塑料简支梁冲击试验方法
热塑性塑料软化点(维卡)试验方法塑料负载热变形温度(简称热变形温度)试验方法透明塑料透光率及雾度试验方法塑料试样状态调节和试验的标准环境塑料洛氏硬度试验方法
3.1工业有机玻璃板材规格见表1。表1
1.0、1.5
7. 0~~10. 0
12.0~25.0
30.0~45.0
国家技术监督局1996-06-14批准辐面尺寸范圃
200X200~900X1000
300×300~1000X1300
400×500~1 500×1 700
400×500~1500×1700
400X500~900X1300
400×500~800×1200
1997-04-01实施
3.2工业有机玻璃棒材规格见表2。直
18.0~40.0
3.3工业有机玻璃管材规格见表3。外
25.0~~60.0
65.0~100.0
110.0~200.0
250.0~~500.0
3.4特殊规格由供需双方商定。
4技术要求
4.1尺寸公差
GB/T7134-1996
5~15
4.1.1每张板材的厚度公差应符合表4要求,表4
优等品
合格品
长度范围
300~1300
200~600
优等品
300~1300
300~1300
300~1300
300~1300
500~~2 000
一等品
合格品
表4是指板材尺寸在1000mm×1300mm以下各种厚度的公差。凡尺寸大于1000 mm×
1300mm小于1500mm×1700mm、厚度3~10mm的板材,其-等品与合格品的公差允许增加t0.1 mm
GB/T7134-1996
4.1.2棒材的直径公差应符合表5要求表5
16.0~40.0
4.1.3管材的壁厚公差应符合表6要求。表6
管材壁厚
合格品
管材的外径公差应符合表7要求。4.1.4
4.2外观
板材的外观质量指标应符合表8的要求。表7
管材壁厚
一等品
合格品
缺陷名称
(直径不大于2 mm)
细擦伤:
表面擦伤
外来杂质
粗擦伤:
GB/T7134--1996
优等品
不超过2个
一等品
不超过3个
允许,不得交织成网状充许,不得交织成网状(宽0.4~~1mm或深
直径0.5~2 mm
直径小于0.5mm
硅玻璃结节圆涡(包括收缩引起的圆涡,结节直径不大于2mm,长度不大于20mm圆涡直径5mm)
硅玻璃上的碱析、水迹、霉斑、麻斑留下的痕迹
硅玻璃条纹
表面收缩痕
硅玻璃破裂痕迹
表面残留硅玻璃
不允许
不超过8个
少量呈分散状
合计不超过 2 处
不超过板面面积
的四分之一
允许轻度存在
不允许
不允许
不允许
不允许
不允许
棒材的外观质量指标应符合表9的要求。表9
缺陷名称
优等品
太气泡
截面不圆
外来杂质
直径1~~2 mm
直径小于1mm
不允许
不允许
不超过3个
呈分散状
不允许
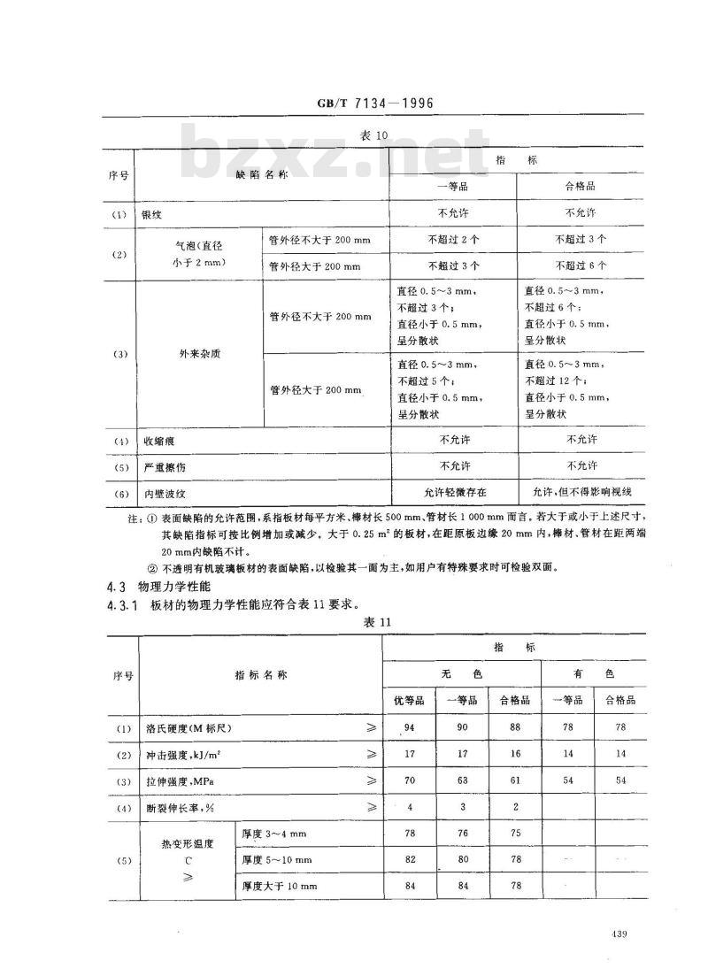
管材的外观质量指标应符合表10的要求。4.2.3
不允许
不超过10个
少量呈分散状
合计不超过3处
不超过板面面积
的三分之一
允许轻度存在
不允许
不允许
不充许
不允许
不允许
不允许
不允许
不超过5个
呈分散状
不充允许
合格品
不超过5个
允许长200mm以
下6条,其中50mm
以上不超过2条
不超过15个
少量呈分散状
合计不超过6处
不超过板面面积
的三分之二
允许存在
不允许
不允许
不允许
不充许
不允许
合格品
不允许
不允许
不超过10个
呈分散状
不允许
气泡(直径
小于2mm)
外来杂质
收缩痕
严重擦伤
内壁波纹
缺陷名称
GB/T7134—1996
管外径不大于200mm
管外径大于200mm
管外径不大于200mm
管外径大于200mm
一等品
不允许
不超过2个
不超过3个
直径0.5~3mm,
不超过3个;
直径小于0.5mm,
呈分散状
直径0.5~3mm,
不超过5个;
直径小于0.5mm,
呈分散状
不允许
不允许
允许轻微存在
合格品
不允许
不超过3个
不超过6个
直径0.5~3mm,
不超过6个;
直径小于0.5mm,
呈分散状
直径0.5~3 mm,
不超过12个;
直径小于0.5mm,
呈分散状
不允许
不允许
允许,但不得影响视线
注:①表面缺陷的允许范围,系指板材每平方米、棒材长500mm、管材长1000mm而言,若大于或小于上述尺寸,其缺陷指标可按比例增加或减少。大于0.25m的板材,在距原板边缘20mm内,棒材、管材在距两端20mm内缺陷不计。
②不透明有机玻璃板材的表面缺陷,以检验其一面为主,如用户有特殊要求时可检验双面。4.3
物理力学性能
4.3.1板材的物理力学性能应符合表11要求。表11
(5)
洛氏硬度(M标尺)
冲击强度,kJ/m2wwW.bzxz.Net
拉伸强度,MPa
断裂伸长率,%
热变形温度
指标名称
厚度3~4 mm
厚度5~10 mm
厚度大于 10 mm
优等品
一等品
合格品
一等品
合格品
维卡软化温度,C
指标名称
(厚度5~10mm)
抗溶剂银纹性
透光率,%
GB/T 7134—1996
续表11
优等品
合格品
浸泡4h无银纹出现
厚度不大于15mm
厚度大于15mm
管材的物理力学性能应符合表12要求。指标名称
拉伸强度,MPa
(外径不小于200mm)
抗溶剂银纹性
透光率,%
(凸面入射)
外径不大于 200 mm
外径大于200mm
一等品
漫泡1h无银纹出现
合格品
合格品
浸泡1h无银纹出现
4.3.3棒材是由板材经机械加工而成的,其物理力学性能指标应符合板材的要求。4.4特殊技术要求由供需双方商定。5试验方法
5.1外观检查
外观质量的检查是在自然光线充足的室内,距产品300~400mm处,用目视法检验。5.2尺寸的测量
5.2.1板材的长度与宽度、材和管材的长度均采用精度为1mm的量具进行测量。5.2.2棒材的直径、管材的直径和壁厚均采用精度为0.05mm的量具进行测量。直径距两端4mm以外测量三点,壁厚测六点(两端各测量三点)。板材的厚度采用精度为0.1mm的量具进行测量。在原板每张板面上距边缘大于100mm处测量五点(四边和中间各测量一点)。测量的每个数值不得超过标准所规定的公差范围。
5.3洛氏硬度的测定
氏硬度的测定按GB9342的规定进行试验。5.4冲击强度的测定
冲击强度的测定按GB1039和GB1043的规定进行试验。采用120mm×15mm×厚度的无缺口试样,试样状态调节和试验应按GB2918的规定,在(23士2)℃C、常湿下进行。试验前试样状态调节时间不少于4h。
5.5拉伸强度的测定
GB/T 7134 ---1996
5.5.1板材拉伸强度的测定按GB1039和GB1040的规定进行试验。试样状态调节和试验应按GB2918的规定,在(23士2)℃、常湿下进行。试验前试样状态调节时间不少于4h。拉伸速度为15 mm/min.
5.5.2管材拉伸强度的测定
5.5.2.1试样制备
用锯片机把圆管剖开,按下图所示的尺寸进行加工,横截面应保持轴对称。A部放大图
5.5.2.2拉伸强度的测定
拉伸强度的测定按GB1040的规定进行。5.5.2.3管材试样截面积计算
Sαd×L
Lr+ L2
式(1)与式(2)中:
截面积,,mm2;
壁厚,mm;
L—平均弦长,mm;
-外弦长,mm;
Lz——内弦长,mm。
5.6断裂伸长率的测定
断裂伸长率的测定按GB1040的规定进行试验。5.7热变形温度的测定
(1)
5.7.1热变形温度的测定按GB1634的规定进行试验。升温速度以(12土1)℃/6min等速升温。试样长(125士5)mm,高(13±0.1)mm,试样最大弯曲应力为1.81MPa。5.8维卡软化温度的测定
5.8.1维卡软化温度的测定按GB1633的规定进行试验。升温速度以50℃/1h等速升温。试样尺寸为10mm×10mm,厚度不小于3mm,负荷力为9.81N。5.9抗溶剂银纹性的测定
5.9.1仪器设备
带有搅拌装置的恒温槽和工作灯。5.9.2试样制备
GB/T 7134-1996
板材应取距原板材边缘50mm以外的部分,表面不应有气泡、裂纹、杂质等缺陷。长100mm、宽50mm、厚度按板材的原厚度,管材取近似于板材的尺寸。每组2个试样。5.9.3测定步骤
5.9.3.1控制盛有邻苯二甲酸二丁酯的恒温槽温度,使其保持在(40土2)℃。5.9.3.2把试样悬挂浸没于邻苯二甲酸二丁酯中,并使试样间互不接触。5.9.3.3浸泡定时间后,取出试样,立即在明亮的工作灯光下观察其表面。若无银纹出现即为合格(试样边缘5mm以内出现的银纹不计)。5.10透光率的测定
透光率的测定按GB2410的规定进行试验。6检验规则
6.1浇铸型工业有机玻璃板材、棒材和管材,以一台烘房聚合一次为一批,或以水箱聚合一箱为一批。6.2采样单元以张(板材)、根(棒材、管材)计。进行物理力学性能试验时,每5批板材中随机抽取一张板材进行试验,每批50根棒材或管材中随机抽取一根进行试验。6.3产品应由生产厂的质量检验部门进行检验,生产厂应保证所有出厂的产品均符合本标准所规定的规格和各项技术要求。出厂产品应附有产品合格证。6.4在本标准中,外观、尺寸公差以及表11、表12中的洛氏硬度、冲击强度、拉伸强度、热变形温度、抗溶剂银纹性、透光率为出厂检验项目。维卡软化温度与断裂伸长率为抽检项目,每50批抽检一次。型式检验按GB1.3中第6.6.1条的规定进行。厚度小于3mm的板材,物理力学性能只检验抗溶剂银纹性。厚度大于20mm的板材,不检验抗溶剂银纹性。
外径小于200mm的管材,不测拉伸强度。维卡软化温度只测5~10mm板材。6.5使用单位有权按照本标准的规定在一个月内对所收到的产品进行验收。6.6如检验结果有某项不符合本标准的规定要求,应从该批产品中重新抽取双倍试样对不合格项目进行复验。根据复验结果分定等级。若复验结果仍不符合指标要求,管材可由供需双方商定,板材则应逐批取样复验。若再不符合本标准的规定要求,应作为不合格品处理。6.7当供需双方对产品质量发生异议时,可由双方协商解决,或由法定质量检验部门进行仲裁。7标志、包装、运输、贮存
7.1标志
每…包装件上应有清晰、牢固的标志,标明产品的名称、规格、商标、等级、批号、色别、重量、生产日期、生产厂名和检验人员代号及标准号。在包装箱上应注明发送单位、制造厂名以及“小心轻放”等字样。7.2包装
工业有机玻璃板材、棒材和管材,均应用纸、板箱或其他材料进行包装。包装箱内四周以衬垫物塞紧,并应附有装箱单。
7.3运输
I.业有机玻璃板材、棒材和管材在运输时应保持清洁,不得与有机溶剂接触。搬运时应小心轻放,避免损坏包装、损伤产品。
本产品为非危险品。
GB/T7134-1996
工业有机玻璃板材、棒材和管材应存放在通风干燥的室内,在贮存期间,不得与有机溶剂存放在起。
附加说明:
本标准由中华人民共和国化学工业部提出。本标准由全国塑料标准化技术委员会塑料树脂产品分会(SC4)归口。本标准由上海珊瑚化工厂负责起草。本标准主要起草人陆锡芳、何少。本标准于1976年首次发布,1986年12月第一次修订。443
小提示:此标准内容仅展示完整标准里的部分截取内容,若需要完整标准请到上方自行免费下载完整标准文档。