首页 > 纺织行业标准(FZ) > FZ/T 14005-1995 涤粘中长混纺印染布
FZ/T 14005-1995

基本信息

标准号: FZ/T 14005-1995

中文名称:涤粘中长混纺印染布

标准类别:纺织行业标准(FZ)

标准状态:已作废

实施日期:1996-07-01

作废日期:2007-01-01

出版语种:简体中文

下载格式:.rar.pdf

下载大小:280209

相关标签: 混纺 印染布

标准分类号

标准ICS号:纺织和皮革技术>>纺织产品>>59.080.30纺织物

中标分类号:纺织>>印染制品>>W71棉与棉混纺织物印染品

关联标准

替代情况:替代FJ 513-82;被FZ/T 14005-2006代替

出版信息

页数:11页

标准价格:15.0 元

相关单位信息

标准简介

FZ/T 14005-1995 涤粘中长混纺印染布 FZ/T14005-1995 标准下载解压密码:www.bzxz.net

标准图片预览

FZ/T 14005-1995 涤粘中长混纺印染布
FZ/T 14005-1995 涤粘中长混纺印染布
FZ/T 14005-1995 涤粘中长混纺印染布
FZ/T 14005-1995 涤粘中长混纺印染布
FZ/T 14005-1995 涤粘中长混纺印染布

标准内容

中华人民共和国纺织行业标准
涤粘中长混纺印染布
1主题内容与适用范围
FZ/T 14005—1995
代替FJ513--82
本标准规定了涤粘中长混纺印染布的产品分类、技术要求、试验方法、检验规则及包装和标志。本标准适用于鉴定衣着用涤纶和粘胶中长纤维混纺的各类漂白、染色和印花布的品质。本标准不适用于混纺比涤纶在60%及以下的产品和提花布。2 引用标准
评定变色用灰色样卡
评定沾色用灰色样卡
GB/T420
纺织品耐刷洗色牢度试验方法
GB3819
纺织织物一以回复角表示折叠试样折痕回复性的测定GB3920
GB 3921
GB3923
GB4667
GB4668
GB6152
GB8628
GB8629
GB8630
纺织品耐摩擦色牢度试验方法
纺织品耐洗色牢度试验方法
机织物断裂强力和断裂伸长的测定(条样法)机织物幅宽的测定
机织物密度的测定
纺织品耐热压(熨烫)色牢度试验方法纺织品耐光色牢度试验方法氙弧测定织物尺寸变化时试样的准备、标记和测量纺织品试验时采用的家庭洗涤及干燥程序纺织品在洗涤和干燥时尺寸变化的测定FZ/T 01014
FZ/T10005
纺织品尺寸变化的测定家用洗衣机法棉及化纤纯纺、混纺印染布检验规则ZB W04 006. 3
温度与回潮率对棉及化纤纯纺、混纺制品断製强力的修正方法去印染布断裂强力
的修正方法
ZB W08 003#
棉及化纤纯纺、混纺印染布包装和标志3术语
3.1线状疵点:沿经向或纬向伸延的,宽度不超过0.2cm的疵点。3.2条状疵点:沿经向或纬向伸延的,宽度超过0.2 cm(包括块状)的疵点。3.3稀密路:沿纬向伸延的坏布稀纬、密路、拆痕等造成的横档。3.4破损:指破洞、破边、豁边、0.3cm以上跳花等。3.5同类布样:指与生产实样属相同纤维原料及相同织物组织的原样。3.6参考样:指与生产实样不同纤维原料或不同织物组织的原样。中国纺织总会1995-09-28批准
1996-07-01实施
FZ/T 14005--1995
3.7条格花型:指花型有条有格,经纬向相互交叉,条格间经向距离超过0.5cm的线条垂直成格型或花型成横条者。
4产品分类
4.1按涤粘中长混纺产品的加工工艺分为两类:a.
普通型,
仿毛型。
4.2产品品种规格按涤粘中长混纺本色布品种规格标准结合本标准附录A(补充件)分别制订。5技术要求
技术要求分为内在质量和外观质量两个方面。内在质量包括纬密、断裂强力、折痕回复性、水洗尺寸变化和染色牢度等项指标,外观质量分局部性疵点和散布性点两类。5.1内在质量
5.1.1纬密、断裂强力
根据涤粘中长混纺本色布品种规格标准结合本标准附录A(补充件)制订指标考核。5.1.2折痕回复性
不同产品类别的折痕回复角见表1规定。表1
产品类别
普通型
5.1.3水洗尺寸变化
仿毛型
纱织物
线织物
不同产品类别的水洗尺寸变化见表2规定。表2
品类别
普通型
仿毛型
纱织物
线织物
缓折痕回复角(经+纬)
不低于
水洗尺寸变化
不低于
注:①不符合本标准附录A(补充件)规定“幅宽加工系数”生产的产品水洗尺寸变化不按表2指标考核。②水洗尺寸变化不得超过+1.5%。5.1.4染色牢度
不同品种的染色牢度见表3规定。668
布别、色别
染色布
印花布
FZ/T14005—1995
原样变色
注:①耐光色牢度为保证指标。白布粘色
耐摩擦
耐刷洗
②耐刷洗色牢度只考核涂料;耐湿熨烫色牢度只考核活性染料。如采用直接染料,指标另订。耐湿熨烫
③深、中、浅色的分档,参比GB250评定变色用灰色样卡,5级及以上为深色,2级及以下为浅色,介于深、浅色之间为中色。
5.2外观质量
5.2.1局部性疵点量计规定
5.2.1.1疵点长度按经向或纬向的最大长度量计。经向疵点长度超过100cm(包括轻微线状超过50cm)或破洞超过2cm时,其超过部分应从0.1cm另行量计、累计评分。凡成曲形的疵点,按其实际影响面积最大距离量计;重叠疵点,按评分最多的评定。5.2.1.2在经向100cm及以内,除破损外的各种疵点同时存在时,应分别量计、累计评分,其最大评分数不超过10分。
5.2.1.3深浅程度不同和宽度不同的经向窥点,可分别量计、累计评分。5.2.1.4难以数清、不易量计的分散斑渍,根据其分散的最大长度和轻重程度,参照经向或纬向的疵点分别量计、累计评分。
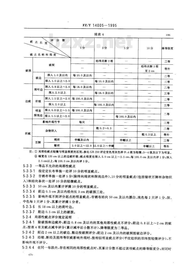
5.2.2局部性疵点评分见表4规定。表4
疵点长
疵点名称和程度
稀密路
0. 5~2. 5
0.5及以内
1.0~半幅
0. 5~5. 0
0.5及以内
半幅及以内
降等限度
2.5以上~10.010.0以上~20.020.0以上~100.05.0以上~25.0
25.0以上~50.050.0以上~100.0
0.5以上~2.0
半幅以上
2. 0 以上~4. 0
2.5以上~10.010.0以上~半幅
5.0以上~半幅
0. 5以上~2. 0
半幅以上
半幅以上
2.0以上~4.0
半幅及以内
4.0以上~100.0
半幅以上
4.0以上~全幅
半幅以上
疵点长度
疵点名称和程度
荷叶边
深浅边
深入1.0及以内
深入1.0以上~2.0
FZ/T14005—1995
续表4
每10.0及以内
深人0.8以上~2.0
每18.0及以内
深入2.0以上
深入1.5以上~2.0每100.0及以内深入2.0以上
深入0.8以上~1.5每100.0及以内深入1.5以上~2.0
影响外观竹节
杂物织入
半幅及以内
经纬共断2根
每10.0及以内
每18.0及以内
每100.0及以内
每100.0及以内
粗 0. 2 ~0. 3
半幅以上
1.0以上~12.02.0以上~半幅
经纬共断3根
至2cm
粗0.3以上
半幅以上
降等限度
注:①局部性疵点轻微与明显程度的区别,参比GB250评定变色用灰色样卡,4级为轻微,3--4级及以下为明显。②幅宽在135cm以上的边窥针眼,窥点程度在深入2.0cm以上~2.5cm,每100.0cm及以内评1分;深入2.5cm以上,每100.0cm及以内评3分。一等品不允许的局部性疵点
5.2.3.1指定定长布单独一处评10分的明显点。5.2.3.2市销布单独一处评5分(除纬向线状和深浅边外)、10分的明显疵点(包括锯状百脚和杂物织入)和经向条状一处评10分的轻微疵点。5.2.3.350cm及以内累计评满10分的明显疵点。5.2.3.4距边0.5cm及以内经向长3cm的破损三处。5.2.3.5影响外观不到评分起点的明显疵点,市销布经向50cm及以内漂白、浅色每2只评1分,深、中色每3只评1分,其累计评满5分者。5.2.3.6长18cm以上的荷叶边。
5.2.3.7距边0.5cm以上的破损。5.2.4局部性症点评分规定说明
5.2.4.1除破损和边疵外,距边0.8cm及以内的其他局部性疵点不评分;距边0.8以上~~2cm的疵点,按表4有关疵点减半评分(累计减半后小数不计),降等限度为二等品。5.2.4.2距边2cm以上的破边、豁边按破洞评分;距边2cm及以内的破洞按破边评分。5.2.4.3经缩、断经及脱纬等织疵影响外观时,按相似明显疵点评分(平纹组织的双纬按轻微评分),不影响外观不评分。
5.2.4.4在同一布段内,存在相同的局部性疵点时,其累计分数不超过该项疵点的降等限度分;而同时670
FZ/T14005-1995
存在其他局部性疵点须累计评分时,可按已降等等级的起点分,再加须累计的局部性疵点的评分,作为该段布的总分
5.2.4.5未列入本标准的点,按其形态,参照相似疵点评分。5.2.4.6评定布面疵点时,均以布匹正面为准。平纹及斜纹双面织物的漂、色布反面有散布的明显疵点时,须降一个等。印花印反:哔叽降一个等,单面斜纹、缎纹织物降二个等。5.2.5散布性疵点按幅宽偏差、色差、歪斜等不同疵点类别,采取对不同等级产品规定不同疵点程度的方法评定,其允许程度见表5规定。表5
疵点名称和类别
幅宽 100 及以内
幅宽偏差
幅宽100以上~135
幅宽135以上~175
幅宽.175以上
漂色布
左中右
优等品
同类布样
参考样
同类布样
参考样
漂色布
正反面
花斜或纬斜
条格花斜或纬斜
花纹不符、染色不匀(标样)
纬移(标样)
条花(标样)
棉结杂质、深浅细点(标样)
4以上
3.0及以下
2.5及以下
不影响外观
不影响外观
不影响外观
不影响外观
一等品
4以上
4.0及以下
3.0及以下
不影响外观
不影响外观
不影响外观
不影响外观
注:①左中右色差、前后色差,花纹不符或染色不匀低于三等品水平为等外品。②色差按GB250评定。
5.3分等规定
5.3.1评等原则
二等品
6.0及以下
5.0及以下
影响外观
影响外观
影响外观
影响外观
三等品
+4.5以上
+5.°以上
+5.5以上
6.0以上
5.0以上
明显影响外观
明显影响外观
5.3.1.1在同一段布内,内在质量以最低一项评等;局部性疵点采用有限度的每米允许评分的办法评671
定等级;散布性疵点按严重一项评等。FZ/T 14005—1995
5.3.1.2在同一段布内,先评定局部性疵点的等级,再与散布性疵点的等级结合定等,作为该段布外观质量的等级。结合定等办法见表6规定。表6
外观质量等级
局部性疵点等级
优等品
散布性疵点等级
优等品
一等品
二等品
三等品
优等品
一等品
二等品
三等品
一等品
一等品
一等品
二等品
三等品
注:①连续破损降为等外品者,按实际使用价值由供需双方协商处理。②等外品中外观点严重而失去服用价值者,作为零疵布处理。二等品
二等品
二等品
三等品
等外品
三等品
三等品
三等品
等外品
等外品
5.3.1.3内在质量按批评等,外观质量按段评等,成品的等级由内在质量与外观质量中最低等级评定分为优等品、一等品、二等品、三等品,低于三等品的为等外品。5.3.2内在质量评等见表7规定。表7
纬密,根/10cm
断裂强力
折痕回复性
(经+纬)
水洗尺寸变化
染色牢度
按设计规定
按设计规定
按品种规定指标
(见表1)
按品种规定指标
(见表2)
按试验项目
规定指标
(见表3)
优等品
符合规定指标
符合规定指标
符合规定指标
-2.0%及以内
其中允许一项低
1/2级
一等品
评等规定
二等品
2.0%及以内
10.0%及以内
符合规定指标
符合规定指标
其中允许二项低
1/2级
2.0%以上
三等品
- 10. 1% ~ -16. 0% 16. 1% ~ - 22. 0%低于规定指标
低于规定指标
低于一等品
充许偏差
注:断裂强力低于三等品规定降为等外品,按实际使用价值,由供需双方协商处理。5.3.3局部性点评等见表8规定。表8
幅宽在100 cm及以内
幅宽在100cm以上~135cm
幅宽在135cm以上~175cm
幅宽在175cm以上
优等品
每米允许评分
一等品
二等品
三等品
5.3.4允许总分计算方法
FZ/T14005-1995
每段布的局部性疵点允许总分,根据每米允许评分和段长决定(段长不足1m者四舍五入)。允许总分二每米允许评分×段长(总分按四舍五入取整数)。5.3.5散布性疵点评等规定说明
5.3.5.1正反面色差中,斜纹、横贡、直贡等单面织物不包括在内。5.3.5.2纬纱(或花型、格型)歪斜率是按纬纱(或花型、格型)歪斜与水平最大距离和标准幅宽之比为确定依据。
5.3.5.3印花布的布面疵点,应根据对总效果的影响程度评定。总效果包括:符合原样精神;白度、主花主色及印制效果。
6试验检验方法
6.1幅宽按GB4667执行。
6.2纬密按GB4668执行。
6.3断裂强力按GB3923中乙法执行。6.4断裂强力修正系数按ZBW04006.3中附录A表A4执行。6.5水洗尺寸变化仲裁检验按GB8628、GB8629中洗涤7A、干燥F和GB8630执行。工厂常规检验按FZ/T01014中方法3执行。
6.6耐光色牢度按GB6427中方法3执行。6.7耐洗色牢度仲裁检验按GB3921中试液2、方法1执行;工厂常规检验按GB3921中试液1或2、方法1和使用1块粘纤贴衬执行。6.8耐摩擦色牢度按GB3920执行。6.9耐熨烫色牢度按GB6152中150士2℃(显压可以不进行大气调温调湿)执行。6.10耐刷洗色牢度按GB/T420中50次执行。6.11折痕回复角按GB3819中垂直法执行。6.12变色、色差按GB250,沾色按GB251评定。6.13外观质量检验条件和方法
6.13.1采用灯光检验,以40W加罩青光日光灯管4根以上,照度不低于7501x,光源与布面距离为1~1.2 m。
6.13.2验布机验布板角度为45°,布行速度最高为40m/min。布匹的评等检验,按验布机上作出疵点标记,评分评等。
6.13.3布匹的复验、验收应将布平摊在验布台上,按纬向逐幅展开检验,检验人员的视线应正视布面,眼睛与布面的距离为55~60cm。
6.13.4规定检验布的正面(盖梢印的面为反面)。斜纹织物:纱织物以左斜“为正面;线织物以右斜“”为正面。
7检验规则
按FZ/T10005执行。
8包装和标志
按ZBW08003执行。
9其他
特殊品种及用户对产品有特殊要求的由供需双方另订协议。673
A1 幅宽、密度、断裂强力的计算FZ/T14005-
—1995
附录A
涤粘中长混纺印染布加工系数
(补充件)
根据涤粘中长混纺本色布产品品种规格标准,结合本附录规定的加工系数计算。加工系数见表A1。表A1
密度加工系数
产品类别
单幅平纹、哔叽
单幅华达呢
双幅织物
计算方法
标准幅宽
幅宽加工系数
普通型
仿毛型
断裂强力加工系数
标准幅宽=涤粘中长混纺本色布标准幅宽×幅宽加工系数标准经、纬纱密度
标准经、纬纱密度=涤粘中长混纺本色布标准经、纬纱密度×经、纬纱密度加工系数
3标准经、纬向断裂强力
标准经、纬向断裂强力=涤粘中长混纺本色布标准经、纬向断裂强力×经、纬纱密度加工系数www.bzxz.net
×经、纬向断裂强力加工系数
附录B
涤粘中长混纺印染布内控项自
(参考件)
B1断裂伸长率的指标数
断裂伸长率
产品类别
普通型
仿毛型
不小于
....(Al)
·(A2)
·(A3)
断裂伸长率试验方法
按GB3923中乙法执行。
附加说明:
FZ/T14005-1995
本标准由纺织工业部科技司提出,由上海纺织标准计量研究所归口。本标准由上海纺织标准计量研究所负责起草。本标准主要起草人吴良舫、席伟菊、王文清、刘辛梅、路来娣,本标准参照日本纺织检查协会《棉织品(整理后)出口检查标准》制订,优等品相当于国际先进水平一等品接近于国际一般水平。
小提示:此标准内容仅展示完整标准里的部分截取内容,若需要完整标准请到上方自行免费下载完整标准文档。