首页 > 纺织行业标准(FZ) > FZ/T 93039-1995 粗梳毛纺环锭细纱机
FZ/T 93039-1995

基本信息

标准号: FZ/T 93039-1995

中文名称:粗梳毛纺环锭细纱机

标准类别:纺织行业标准(FZ)

标准状态:现行

发布日期:1995-06-13

实施日期:1995-10-01

出版语种:简体中文

下载格式:.rar.pdf

下载大小:185980

相关标签: 毛纺 环锭 细纱机

标准分类号

标准ICS号:纺织和皮革技术>>纺织机械>>59.120.20络纱机器和设备

中标分类号:纺织>>纺织机械与器具>>W93纺部机械与器具

关联标准

替代情况:FJ/JQ 196-88 FJ/JQ 215-88

出版信息

出版社:中国标准出版社

书号:155066.2-12385

页数:5页

标准价格:8.0 元

出版日期:2004-04-24

相关单位信息

起草人:范不凡、高翔、傅刚、黄德兴、凌致昌、王平

起草单位:上海纺织机械研究所

归口单位:上海纺织机械研究所

提出单位:中国纺织总会技术装备部

发布部门:中国纺织总会

标准简介

本标准规定了粗梳毛纺环锭细纱机的基本参数、技术要求、试验方法、检验规则和标志、包装、运输、贮存。本标准适用于羊毛、兔羊毛及化纤混纺纱粗梳毛纺的环锭细纱机。 FZ/T 93039-1995 粗梳毛纺环锭细纱机 FZ/T93039-1995 标准下载解压密码:www.bzxz.net

标准图片预览

FZ/T 93039-1995 粗梳毛纺环锭细纱机
FZ/T 93039-1995 粗梳毛纺环锭细纱机
FZ/T 93039-1995 粗梳毛纺环锭细纱机
FZ/T 93039-1995 粗梳毛纺环锭细纱机
FZ/T 93039-1995 粗梳毛纺环锭细纱机

标准内容

中华人民共和国纺织行业标准
粗梳毛纺环锭细纱机
1主题内容与适用范围
FZ/T 93039-95
代替FJ/JQ196-—88
FJ/JQ 215--88
本标准规定了粗梳毛纺环锭细纱机的基本参数、技术要求、试验方法、检验规则和标志、包装、运输、贮存。
本标准适用于羊毛、羊毛及化纤混纺纱粗梳毛纺的环锭细纱机。2引用标准
GB 191
包装贮运图示标志
L-AN全损耗系统用油
GB 10095
F290001
渐开线圆柱齿轮精度
纺织机械产品包装
FZ/T 90016
FZ/T 90071
FZ/T 90074
FZ/T 92014
FZ/T92015
FZ/T 92016
FZ/T 92017
FZ/T 92020
FZ/T 92024
FZ/T 92052
FZ/T92053
FZ/T93009
FZ/T 99014
零件的铸刻字
纺织机械噪声声压级的测量方法纺织机械产品涂装
粉末冶金钢领
精梳毛纺环锭细纱锭子
毛、苎麻、绢纺细纱机牵伸下罗拉锭带张力盘
LZ 系列下罗拉轴承
轴承内径12mm环锭锭子
轴承内径10mm环锭锭子
毛纺用经纱管
纺织机械电气设备技术条件
纺织机械铭牌
FJ 120. 1
纺织机械铭牌内容
FJ509毛纱试验方法
3基本参数(见表1)
锭距.mm
基本锭数
简管长度,mm
中国纺织总会1995-06-13批准
110(108)
230.280、(310)(350)
(310)315、(380)430
1995-10-01实施
钢领内径,mm
适纺线密度,tex(Nm)
牵伸倍数
罗拉直径,mm
锭速,r/min
拾度范围,按/m
FZ/T93039-95
续表1
50~167(20~6)
3000~8000
230~800
注:括孤内的锭距、简管长度尺寸,新设计时应避免采用。4技术要求
成纱质量
成纱质量指标见表2。
、毛织品
线密度,tex(Nm)
143(7以下)
<141~~83(7~12)
<83~~50(12~20)
>200(5以下)
线密度标准差
重量不勾率
拾度标准差
《±6
《±7
管纱成形良好,无退绕脱图现象(退绕速度900m/min)。4.1.3千锭时断头<200根。
4.2功率消耗
空车运转主电机输人功率(基本锭数)见表3。表3
锭速,r/min
卷装.mm
功率,kw
4.3噪声
60×205
75×320
空车运转整机噪声声压级值≤87dB(A)。4.4外观质量
75×280
涉及外观质量的零件表面平整光洁,紧固件须经表面处理4.4.2罩壳密封良好。
4.4.3涂装按FZ/T90074的规定。4.5安全要求
4.5.1运转部分的防护罩壳安全可靠。参
125~1000(8~1)
1900~~5000
100~600
接度不匀率
112×280
强力不勾率
112×380
4.5.2开启车头门时,全机应立即停车。FZ/T 93039--95
4.5.3电气设备和线路绝缘良好,金属外壳保护性接地正确。4.5.4电气设备应作绝缘试验,其绝缘电阻≥1M2。4.6传动系统
4.6.1机器传动系统润滑良好,运转平稳,无异常振动和声响。4.6.2
各轴承温升≤20℃。
4.6.3牵伸传动渐开线圆柱齿轮副接触斑点按GB10095中8级精度的规定。4.6.4滚盘按FZ/T92014的规定。4.6.5张力盘按FZ/T92020的规定。4.7牵伸系统
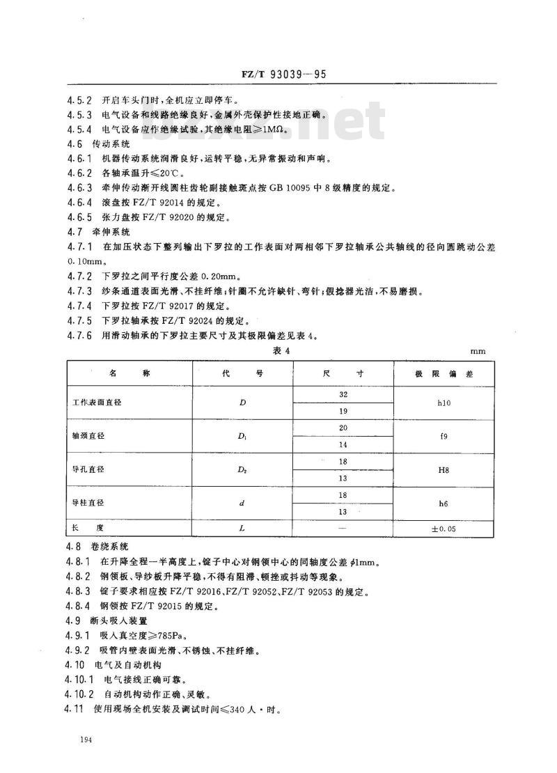
4.7.1在加压状态下整列输出下罗拉的工作表面对两相邻下罗拉轴承公共轴线的径向圆跳动公差0.10mm。
4.7.2下罗拉之间平行度公差0.20mm。4.7.3纱条通道表面光滑、不挂纤维;针圈不允许缺针、弯针;假捻器光洁,不易磨损。4.7.4下罗拉按FZ/T92017的规定。4.7.5下罗拉轴承按FZ/T92024的规定。4.7.6
用滑动轴承的下罗拉主要尺寸及其极限偏差见表4。表4
工作表面直径
轴颈直径
导孔直径
导柱直径
4.8卷绕系统
在升降全程-一半高度上,锭子中心对钢领中心的同轴度公差1mm。钢领板、导纱板升降平稳,不得有阻滞、顿挫或抖动等现象4.8.2
4.8.3锭子要求相应按FZ/T92016、FZ/T92052、FZ/T92053的规定。4.8.4钢领按FZ/T92015的规定。4.9断头吸人装置
吸人真空度≥785Pa。
4.9.2吸管内壁表面光滑、不锈蚀、不挂纤维。4.10电气及自动机构
4.10.1电气接线正确可靠。
4.10.2自动机构动作正确、灵敏4.11使用现场全机安装及调试时间≤340人·时。194
极限偏差
5试验方法
5.1空车运转试验
5.1.1试验条件
5.1.1.1上罗拉按设计最大值加压。FZ/T93039--95免费标准bzxz.net
5.1.1.2锭子油位高度按有关锭子标准,锭子用油为GB443标准中I-AN7全损耗系统用油。5.1.1.3锭带公称张力≥9.8N,宜用小定量弹簧测力仪串入锭带,沿锭带张紧边运动方向与全机纵向垂直,徐徐拉动弹簧测力计至锭带张力轮刚开始摆动时读数。5.1.1.4锭速6500r/min,牵伸倍数1.5,输出下罗拉速度120r/min;锭速4500r/min,牵伸倍数1.5,输出下罗拉速度160r/min锭速4000r/min,牵伸倍数1.35,输出下罗拉速度100r/min。5.1.1.5运转时间≥4h。
5.1.2试验项目
见4.2~~4.5、4.6.1~4.6.3、4.7.1~4.7.3、4.8.1、4.8.2、4.9、4.10。5.1.3测试方法
5.1.3.1用1级精度三相功率表检测第4.2条的规定。5. 1. 3. 2
第4.3条噪声的测定按FZ/T90071的规定。第4.5.4条绝缘电阻的测定按FZ/T99014第12.1条的规定。5.1. 3.3
用点温计检测第4.6.2条。
5.1.3.5用U型管检测第4.9.1条。5.1.3.6成纱质量指标按FJ509规定方法测试。5.2工作负荷试验
5.2.1试验条件
纺纱环境条件:温度25±5℃,相对湿度65%±5%。纺纱高支按6.25tex(16Nm);低支按143tex(7Nm)进行。5.2. 1.23
5.2.1.3简管按FZ/T93009的规定。在使用厂正常运转30天后进行。5.2. 1. 42
喂入卷纱的质量要求见表5。
线密度,tex(Nm)
长片段不勾率
单头不匀率
定重偏差
注:6.25tex(16Nm)单头为144根;143tex(7Nm)单头为80根。5.2.2试验项目
见4.1条。
6检验规则
143(7)
6.1制造每台产品出厂前,车头、车尾部分均需组装、运转,每批中全装一台按第5.1条进行空车运转试验。
6.2每台产品露经制造厂质量检查部门检查合格,签发质量合格证后方能出厂。195
FZ/T 93039—95
6.3使用厂在进行安装调整、试验中发现不符合本标准规定时,由制造厂负责处理。6.4在下列情况之一时,要进行型式检验:新产品或老产品转厂生产的试制定型鉴定:a.
b.连续生产5年或停产2年再生产时;C.国家质量监督机构提出进行型式检验的要求时。7标志、包装、运输、贮存
7.1标志
7.1.1产品铭牌按FJ120.1和FJ120.2的规定。7.1.2零件的铸刻字按FZ/T90016的规定。7.1.3包装、贮运的图示标志按GB191的规定。7.2包装
产品包装按FZ90001的规定。
7.3运输
产品在运输过程中应按规定的起吊位置起吊,包装箱应按规定朝向安置,不得倾倒或改变方向。7.4贮存
产品出厂后,在有良好防雨及通风的贮存条件下,包装箱内的零件防溯防锈有效期自出厂之日起为一年。
附加说明:
本标准由中国纺织总会技术装备部提出。本标准由上海纺织机械研究所归口。本标准由上海纺织机械研究所负资起草,由东台纺织机械厂、上海二纺机股份有限公司、寿光第二纺织机械厂协作起草。
本标准主要起草人范不凡、高翔、傅刚、黄德兴、凌致、王平。196
小提示:此标准内容仅展示完整标准里的部分截取内容,若需要完整标准请到上方自行免费下载完整标准文档。