首页 > 轻工行业标准(QB) > QB/T 1148-1991 大头针
QB/T 1148-1991

基本信息

标准号: QB/T 1148-1991

中文名称:大头针

标准类别:轻工行业标准(QB)

标准状态:已作废

实施日期:1992-01-01

作废日期:2005-09-01

出版语种:简体中文

下载格式:.rar.pdf

下载大小:79977

标准分类号

中标分类号:轻工、文化与生活用品>>文教、体育、娱乐用品>>Y54办公用品及办公机具

关联标准

替代情况:SG 249-1981;被QB/T 1148-2005代替

出版信息

页数:3页

标准价格:8.0 元

相关单位信息

标准简介

QB/T 1148-1991 大头针 QB/T1148-1991 标准下载解压密码:www.bzxz.net

标准图片预览

QB/T 1148-1991 大头针
QB/T 1148-1991 大头针
QB/T 1148-1991 大头针

标准内容

中华人民共和国轻工行业标准
大头针
主题内容与适用范围
QB/T 1148
本标准规定了大头针的技术要求、试验方法、检验规则、标志、包装、运输、贮存。本标准适用于各种规格的大头针。2引用标准
GB/T2828逐批检查计数抽样程序及抽样表(适用于连续批的检查)GB5938轻工产品金属镀层和化学处理层的耐腐蚀试验方法3产品分类
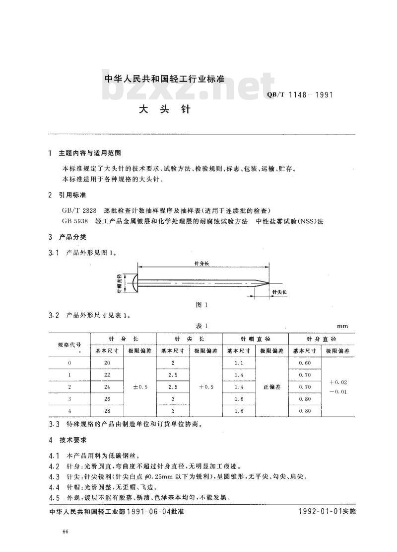
3.1产品外形见图1。
针身长
3.2产品外形尺寸见表1。
规格代号
基本尺寸
极限偏差
针尖长
基本尺寸
极限偏差
3.3特殊规格的产品由制造单位和订货单位协商技术要求
4.1本产品用料为低碳钢丝。
中性盐雾试验(NSS)法
针尖长
针帽直径
基本尺寸
4.2针身:光滑圆直,弯曲度不超过针身直径,无明显加工痕迹。极限偏差
正偏差
针身直径
基本尺寸
4.3针尖:针尖锐利(针尖白点0.25mm以下为锐利),呈圆锥形,无平尖、勾尖、扁尖。4.4针帽:光滑圆整,无歪帽、飞边。4.5外观:镀层不能有脱落、锈渍、色泽基本均匀,不能发黑。中华人民共和国轻工业部1991-06-04批准66
极限偏差
— 0. 01
1992-01-01实施
QB/T 1148--1991
4.6抗锈能力:中性盐雾试验30min,生锈枚数不超过试验总数的16%。5试验方法
5.1针身弯曲度:将产品放在比针身直径大一倍、深度大于针身长的垂直圆孔的验模中自由落下。5.2针尖锐利:用读数显微镜进行测试5.3抗锈能力:按GB5938进行测试。5.4其他项目均为目测。
6检验规卿
产品的检查用逐批检查。
6.2本检验采用计件法,样本单位为50g小盒包装。6.3
每批产品逐批检查按GB/T2828特殊检查水平S-3的次抽样方案规定。逐批检查的项目和条款、检验方法及其合格质量水平(AQI.)值按表2的规定。表2
不合格品分类
抗锈能力
技术婴求章条
试验方法章条bzxz.net
合格质量水平(AQL)
按6.6条规庭
6.5除抗锈能力外,采用特殊检查水平S-3对每个样本单位进行再次抽样,按表2的合格质量水平(AQL)值来糊定每个样本单位的合格与香、6.6抗锈能力:从每个样本单位中各抽10枚,按5.3条进行试验,如生锈枚数超过试验总数的16%邸判抗锈能力不合格。
7株志、包装、运输、存
小盒包装和中盒包装重量按表3规定,各种规格不允许混装,包装外贴商标,注明规格和出!日7.1
期,箱内应有检验合格证。
规格代号
每小盒重量,kg
每中盒内装小盒数
7.2包装物应完整无损、干燥、清洁。7.3包装箱应牢固,中间用带加固,箱外两侧应有厂名、货号、产品名称、规格、数量、毛重、净重、体积、发货单位、收货单位、出厂日期等标志,注明小心轻放及防潮等字样。7.4本产品在运輪途中,应避免潮湿雨淋,搬运移动时须小心轻放,不应撞击,以防造成包装散乱。67
QB/T1148-1991
5本产品应存放在干燥通风的仓库内,并放置在木架上,距离墙和地面为300mm以上,以防受潮,7.5
仓库内无严重的温度变化,无腐蚀性气体。7.6按上述条件贮存本产品,保质时间自出厂日算起为一年。附加说明:
本标准由轻工业部质量标准司提出。本标准由全国文体用品标准化中心归口。本标准由上海文教针厂负责起草。本标准主要起草人华富珍。
小提示:此标准内容仅展示完整标准里的部分截取内容,若需要完整标准请到上方自行免费下载完整标准文档。