首页 > 轻工行业标准(QB) > QB/T 1150-1991 单层图钉
QB/T 1150-1991

基本信息

标准号: QB/T 1150-1991

中文名称:单层图钉

标准类别:轻工行业标准(QB)

标准状态:已作废

实施日期:1992-01-01

作废日期:2005-09-01

出版语种:简体中文

下载格式:.rar.pdf

下载大小:71632

相关标签: 单层

标准分类号

中标分类号:轻工、文化与生活用品>>文教、体育、娱乐用品>>Y54办公用品及办公机具

关联标准

替代情况:SG 247-1981;被QB/T 1150-2005代替

出版信息

页数:4页

标准价格:8.0 元

相关单位信息

标准简介

QB/T 1150-1991 单层图钉 QB/T1150-1991 标准下载解压密码:www.bzxz.net

标准图片预览

QB/T 1150-1991 单层图钉
QB/T 1150-1991 单层图钉
QB/T 1150-1991 单层图钉

标准内容

中华人民共和国轻工行业标准
单层图钉
1主题内容与适用范围
QB/T1150--1991
本标准规定了单层图钉的产品分类、技术要求、试验方法、检验规则、标志、包装、运输、贮存。本标准适用于各种规格的金属单层图钉。2引用标准
GB/T2828逐批检查计数抽样程序及抽样表(适用于连续批的检查)GB5938轻工产品金属镀层和化学处理层的耐腐蚀试验方法中性盐雾试验(NSS)法3产品分类
3.1产品的外形见图1。
R(球面)
3.2产品的外形尺寸见表1。
基本尺寸
4技术要求
钉帽与钉杆包钉牢固,钉尖不带钩、不秃尖、不弯钉。4.1
4.2钉帽应完整,表面不允许有明显的裂边、缺边、麻点。4.3钉帽与钉杆垂直度充差值≤5°。Hi
8~10
4.4钉帽圆度公差值≤1mm(见图2),(Dmx一Dmin)≤1mm。4.5钉帽与钉杆的偏心距公差值<0.8mm(见图3),计算公式如下:中华人民共和国轻工业部1991-06-04批准72
R(球面)
1992-01-01实施
式中:S-—
偏心距,mm;
S,-大半径,mm;
S,——小半径,mm。
QB/T 1150-—1991
4.6钉帽直径为9~12mm,每小盒图钉中,钉帽直径的最大偏差值1mm。4.7镀层表面色泽基本均匀,无明显斑点,不允许有发黑、脱落、锈滴。4.8抗锈能力用中性盐雾试验法,时间为30min,生锈只数不允许超过试验总数的16%。4.9特殊规格的图钉由制造单位与订货单位另行协商而定。5试验方法
5.1钉帽与钉杆的包钉牢固度使用检测器具测试,掀弯60°不脱片。见图4。60%
5.2钉帽与钉杆的垂直度使用专用样板测量。5.3钉帽圆度、偏心距、钉帽直径尺寸均用分度值为0.02mm的游标卡尺测量。5.4抗锈能力按GB5938,根据4.8条要求进行测试。5.5其余项目参照封样目测。
6检验规则
6.1产品的检查用逐批检查法。
6.2本检验采用计件法,样本单位为小盒。6.3每批产品逐批检查按GB/T2828中特殊检查水平S-3的一次抽样方案规定。6.4逐批检查条款方法及其合格质量水平(AQL)值按表2的规定。73
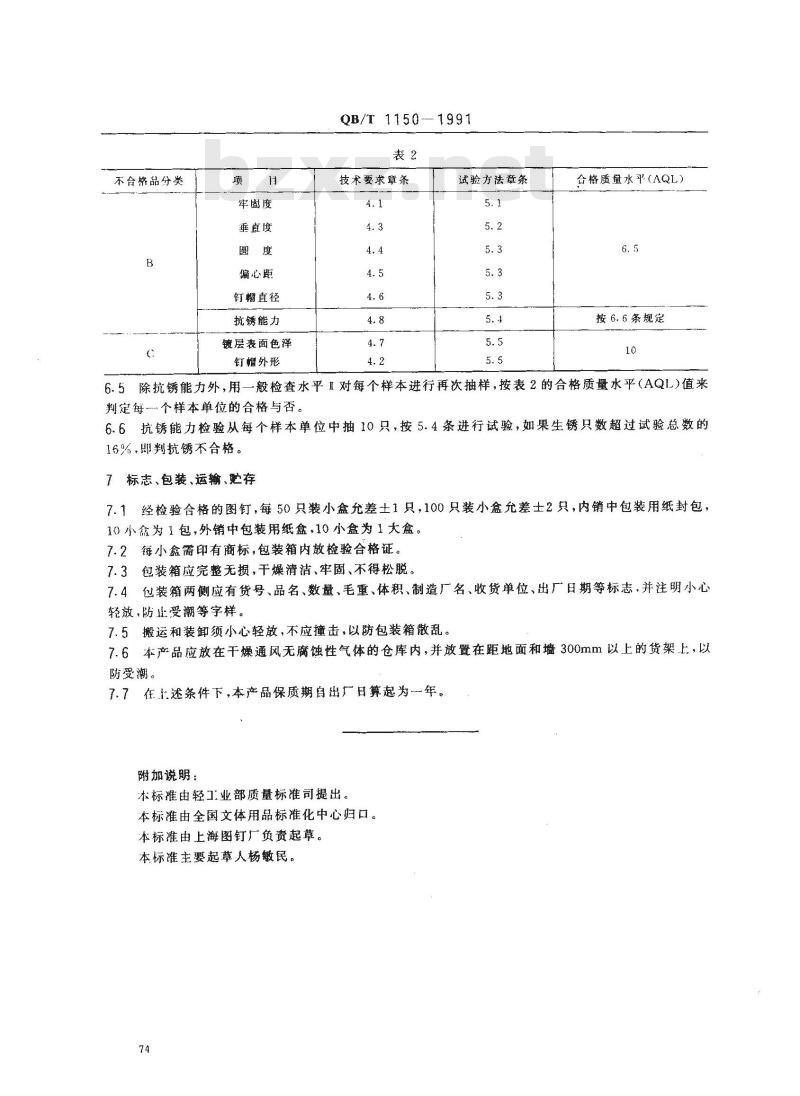
不合格品分类
牢固度
垂直度
偏心距
钉帽直径
抗锈能力
镀层表面色泽此内容来自标准下载网
钉帽外形
QB/T 115Q--1991
技术要求章条
试验方法章条
合格质量水平(AQL)
按6.6条规定
6.5除抗锈能力外,用一般检查水平I对每个样本进行再次抽样,按表2的合格质量水平(AQL)值来判定每·个样本单位的合格与否。6.6抗锈能力检验从每个样本单位中抽10只,按5.4条进行试验,如果生锈只数超过试验总数的16%,即判抗锈不合格。
7标志、包装、运输、贮存
7.1经检验合格的图钉,每50只装小盒允差土1只,100只装小盒允差士2只,内销中包装用纸封包,10小盒为1包,外销中包装用纸盒,10小盒为1大盒。7.2每小盒需印有商标,包装箱内放检验合格证。7.3包装箱应完整无损,干燥清洁、牢固、不得松脱。7.4位装箱两侧应有货号、品名、数量、毛重、体积、制造厂名、收货单位、出厂日期等标志,并注明小心轻放、防止受潮等字样。
7.5搬运和装卸须小心轻放,不应撞击,以防包装箱散乱。7.6本产品应放在干燥通风无腐蚀性气体的仓库内,并放置在距地面和墙300mm以上的货架上,以防受潮。
7.7在1述条件下,本产品保质期自出厂日算起为一年。附加说明:
本标准由轻工业部质量标准司提出。本标准由全国文体用品标准化中心归口。本标准由上海图钉厂负责起草。本标准主要起草人杨敏民。
小提示:此标准内容仅展示完整标准里的部分截取内容,若需要完整标准请到上方自行免费下载完整标准文档。