首页 > 通信行业标准(YD) > YD/T 753.2-1995 国内卫星通信32Kbit/s ADPCM SCPC话音VSAT系统进网技术要求
YD/T 753.2-1995

基本信息

标准号: YD/T 753.2-1995

中文名称:国内卫星通信32Kbit/s ADPCM SCPC话音VSAT系统进网技术要求

标准类别:通信行业标准(YD)

标准状态:现行

发布日期:1995-06-02

实施日期:1995-12-01

出版语种:简体中文

下载格式:.rar.pdf

下载大小:767026

相关标签: 国内 卫星通信 话音 系统 进网 技术

标准分类号

中标分类号:通信、广播>>通信网>>M19通信网设备互通技术要求和通信网借口

关联标准

出版信息

出版社:人民邮电出版社

页数:24页

标准价格:20.0 元

出版日期:1995-12-01

相关单位信息

起草人:郭良、汪群山、戈丽达

起草单位:邮电部电信传输研究所

归口单位:邮电部电信科学研究规划院

提出单位:邮电部电信科学研究规划院

发布部门:中华人民共和国邮电部

标准简介

主题内容:本标准规定了SCPC/PSK/FDMA(32kbit/s,ADPCM)系统进入国内卫星通信网时所必须满足的技术要求。适用范围:本标准适用于卫星固定业务(6/4GHz频段)的通信卫星和地球站;适用于国内通信卫星,租用的国际通信卫星和租用转发器组成的国内卫星通信系统;适用于公用或国内卫星通信中、小容量系统的研制和设计。利用该系统可以组成以话音为主的VSAT网络。 YD/T 753.2-1995 国内卫星通信32Kbit/s ADPCM SCPC话音VSAT系统进网技术要求 YD/T753.2-1995 标准下载解压密码:www.bzxz.net

标准图片预览

YD/T 753.2-1995 国内卫星通信32Kbit/s ADPCM SCPC话音VSAT系统进网技术要求
YD/T 753.2-1995 国内卫星通信32Kbit/s ADPCM SCPC话音VSAT系统进网技术要求
YD/T 753.2-1995 国内卫星通信32Kbit/s ADPCM SCPC话音VSAT系统进网技术要求
YD/T 753.2-1995 国内卫星通信32Kbit/s ADPCM SCPC话音VSAT系统进网技术要求
YD/T 753.2-1995 国内卫星通信32Kbit/s ADPCM SCPC话音VSAT系统进网技术要求

标准内容

中华人民共和国通信行业标准
国内卫星通信32kbit/sADPCM
SCPC话音VSAT系统进网技术要求1主题内容与适用范围
YD/T 753.2 -95
本标准规定了SCPC/PSK/FDMA(32kbit/s,ADPCM)系统进入国内卫星通信网时所必须满足的技术要求。
本标准适用于卫星固定业务(6/4GHz频段)的通信卫星和地球站;适用于国内通信卫星,租用的国际通信卫星和租用转发器组成的国内卫星通信系统;适用于公用或专用国内卫星通信中、小容量系统的研制和设计。利用该系统可以组成以话音为主的VSAT网络。2引用标准
GB3376电话自动交换网带内单频脉冲线路信号方式GB3377电话自动交换网多频记发器信号方式电话自动交换网用户信号方式
GB3378
GB3380电话自动交换网铃流和信号音GB12364国内卫星通信系统进网技术要求3术语和代号
DAMA:(demand assignment multiple access)按需分配多址。
ALOHA system:(system of addifive links on line HAWAI)阿乐哈系统。
HDLC: (high level data link control)高级数据链路控制规程。
ID:(identification)
标识信息。
NCC: (network control center)网路控制中心。
4SCPC/PSK/FDMA传输系统
4.1系统容量和业务种类
单转发器(36MHz带宽)工作时的系统容量(标称值):采用QPSK,3/4FEC时为1200条单向话路;
跳转发器(36×4(MHz)带宽)工作时的系统容量(标称值):采用QPSK,3/4FEC时为4800条单向话路。
中华人民共和国邮电部1995-06-02批准564
1995-12-01实施
YD/T 753.2—95
注:当转发器带宽为72MHz时,容量可以加倍。4.1.1数字电话
每载波路(单向话路):32kbit/s(ADPCM),4.1.2数字数据
每载波传送的数字数据率为:
64kbit/s;
19.2khit/s;
9.6kbit/s。
4.1.3话带内数据
每载波传送的单路电话可传送不低于4.8kbit/s数据。4.2T作方式
电话信道:集中控制的按需分配方式以及预分配加按需分配的混合方式数据信道:预分配工作方式。
4.3[网路结构,适用范围
使用DAMA的电话系统是网状网,应能在个转发器内组织多个网状网,也能在几个转发器内组织··个网状网。
不使用DAMA的电话是点对点的预分配电路。不使用DAMA的数据系统是点对点的预分配电路。DAMA系统是采用集中控制方式,控制连接采用星状网络SCPC、DAMA系统可以广泛应用于全国性稀路由卫星通信网,用户卫星通信网,应急通信,省内边远地区通信以及专用通信网内。远端地球站的容量配置可以是稀路由配置。4.4系统工作频段
射频:地球站发送:5925~6425MHz。地球站接收:3700~~4200MHz。其中发送频段应能延伸到5850~6425MHz。接收频段应能延伸到3625~4200MHz。中频(标称值):70MHz或140MHz。4.5射频、载频工作带宽
4.5.1电话信道
采用QPSK,3/4FEC方式的32kbit/s,ADPCM话音信道:占用带宽:25.6kHz;
分配转发器带宽:30kHz。
国内通信卫星电话系统应避免使用1/2FEC工作方式。4.5.2数字数据
各种数字数据的占用带宽和分配转发器带宽见表1:表1占用和分配带宽
数据率
kbit/s
编码率
占用带宽
分配转发器带宽
4.6话音编码方式
YD/T 753.2-95
话音编码方式采用ADPCM(自适应差分脉冲编码方式)语音编码方式,其算法应符合CCITTG721建议,取样速率8kHz、每取样编码4bit。4.7前向纠错编码方式
载波采用卷积编码和Viterbi软判决解码。话音信道:采用Viterbi解码的3/4卷积编码方式。数据信道:采用Viterbi解码的1/2卷积编码方式。FEC编码器输入、输出比特见表2:表2FEC输入、输出比特率
编码率
4.8调制解调方式
4.8.1话音调制、解调方式
四相相移键控(QPSK)调制方式;相十解调方式;
FEC输入比特率
kbit/s
调制器从FEC编码器输出获得两条并行数字流(IQ信道);解调输出的数据流经缓冲器输入FEC解码器。调制器传输比特和载波相位之间的关系见表3:表3传输比特和载波相位之间的关系1信道
调制器输出的相位精度:土2°以内;调制器输出的幅度精度:士0.5dB以内;Q信道
调制器中心频率的调整步长:2.5kHz(在整个36MHz转发器带宽内);FEC输出比特率
kbit/s
舍成相位
+180°
-270(—90°)
DAMA.L作时从36MHz转发器的最低频率调整到最高频率所用时间不得超过100ms。DAMA系统应能适应跳转发器的需要。调制器本振频率稳定度土5×10-8/d。4.8.2数据调制、解调方式
二、四相相移键控调制方式;
64kbit/s:四相相移键控(QPSK);19.2kbi1/s:四相相移键控(QPSK);9.6kbit/s:二相相移键控(BPSK);566
相干解调方式。
4.9假设参考数字通道
YD/T 753.2
4.9.1假设参考数字通道连接如图1所示。95
1.卫星;2-中频和射频设备;3—调制和解调设备;4编、解码设备;A和A:与陆上通信网接H(模拟接口);B和B\-数字通道接图1假设参考数字通道
在卫星固定业务系统中,假设参考数字通道,应由地球-空间-地球的链路组成,其中空间段允许包含一个或多个卫星-卫星链路。
4.9.2SCPC假设参考数字通道输出端处的ADPCM电话业务允许误比特率(BER)规定值:任何月份内不超过20%的时间,10min平均误比特率劣于1×10°;任何月份内不超过0.3%的时间,10min平均误比特率劣于1×10-4;任何月份内不超过0.05%的时间(或任何年内不超过0.01%的时间)1s钟平均误比特率劣于1×103
卫星电路工作在15GHz以下,并做为综合业务数字网(ISDN)国际连接的一部分时,在SCPC业务假设参考数字通道输出端的误比特率特性规定如下(在可用时间范围内):任何月份内不超过10%的时间允许劣于1×10-;任何月份内不超过2%的时间允许劣于1×10°;任何月份内不超过0.03%的时间允许劣于1×10-3。其误码分布应满足以下规定:
出现一分钟平均误比特率劣于1×106(称劣化分,是指扣除可用时间内出现严重误码的秒后,其误码个数大于4比特/分)的总时间(分)不应超过任何月份内可用时间(分)的2%。出现一秒钟平均误比特率劣于1×10~\(称严重误码秒、误码个数大于或等于64bit/s并连续出现不超过10个秒的总时间秒),不应超过任何月内可用时间(秒)的0.03%。出现一秒内有误码(误码秒,其误码个数不小于1bit/s,小于64bit/s,并还包括连续出现少于10个的严重误码秒)的总时间(秒)不应超过任何月内可用时间(秒)的1.6%。注:所有误比特率指标的测量均应在64kbit/s速率上进行。64kbit/s端口送211.1的伪随机二进制序列。4.10卫星通道误比特特性
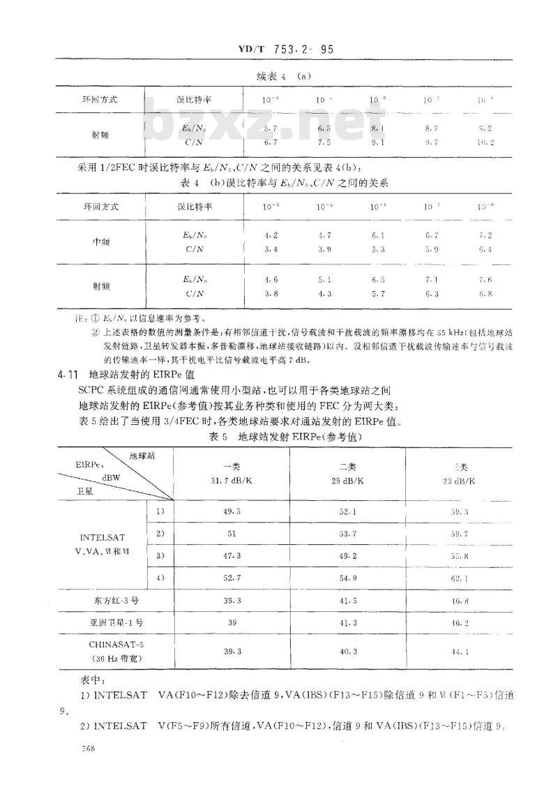
采用3/4FEC和软判决Viterbi解码时,误比特率与Eb/N。C/N之间的关系见表4(a):表4a)误比特率与Ep/N。、C/N之闻的关系环向方式
误比特率
环方式
误比特率
续表4(a)
采用1/2FEC时误比特率与E/N。、C/N之间的关系见表4(b):表4
环回方式
中题频
(b)误比特率与Er/NnC/N之问的关系误比特率
注:①E/N.以信息速率为参考,103
?上述表格的数值的测量条件是:有相邻信道十扰,信号载波和干扰载波的频率漂移均在35kHz(包括地球站发射链路,卫星转发器本振,多普勒漂移,地球站接收链路)以内。设相邻信道干扰载波传输速率与倍号载波的传输速率一样,其干扰电平比信号载波电平高7dB。4.11地球站发射的EIRPe值
SCPC系统组成的通信网通常使用小型站,也可以用于各类地球站之间地球站发射的EIRPe(参考值)按其业务种类和使用的FEC分为两大类:表5给出了当使用3/4FEC时,各类地球站要求对通站发射的EIRPe值。表5地球站发射EIRPe(参考值)EIRPe,
INTELSAT
地球站
V.VA、И和VI
东方红-3号
亚洲卫星-1号
CHINASAT-5
(36Hz带宽)
表中:
1INTELSAT
2)INTEI.SAT
29dB/K
23dB/K
VA(F10~F12)除去信道9,VA(IBS)(F13~F15)除信道9和V(F1-F5)信道V(F5~F9)所有信道,VA(F10~F12),信道9和VA(IBS)(F13~F15)停道9YD/T 753.2—95
3)INTELSATM(F1~F5)除信道9。4)INTELSATИ卫尾所有转发器,饱和量密度为-75dBW/m2.对于36MHz半球/区域转发器9、饱和量密度-79dBW/m时,一类站:50.2dBW,二类站:52.4dBW.一类站:58.6dBW。共它通量密度量应另实际计算
注:()上述值中INTEISAT卫垦为平球波束边缘,仰角10°时的值。东方红-3号和亚洲I星-1号和CIIINASAI为国十边缘处的值。
②国内或区域卫星转发器饱和通量密度:亚洲卫星-1号:—80.5dBW/m\;东方红-3号:-80dBW/m2;bzxz.net
CHINASAT-5: -82 dBW/m\.
③围内或区域卫星转发器饱和输出功率的FIRPs:洲卫星-1号:33dBW;
东方红-3号:33.8dBW;
CHINASAT-5: 31. 5 dBW,
①上述值是按BER107未计入发射功率不稳定度和跟踪误差等。国内或区域卫星系统未计恶劣条件!,1星接收信号通量密度下降值。
表中所列值是当用此类站接收时,发射站所必须发射的FIRPe值。@)四类站EIRPe值按实际系统设计。4.12地球站发射的EIRPc稳定度
晴天、微风沿地球站至卫星方向,地球站发射的EIRPe电平稳定度应保持在下述规定值范围内:,二类站:±0.5dB/d,
三、四类站:±1.5dB/d。
上述稳定度包括高功率放大器输出功率稳定度,发射天线增益稳定度,天线指向和跟踪误差等。在本地出现恶劣气候条件下,允许到达卫星的功率通量密度比正常值下降2dB。4.13干扰和杂散辐射
4.13.1非电视干扰信号进入SCPC/PCM电话卫星通信网的干扰4.13.1.1使用频率低于15GHz,工作在同一频带的卫星固定业务网,由所有其它网路的地球站和空间站发射机产生的干扰进入一个8bitPCM卫星固定业务电话系统中的干扰量应符合下述规定:a.不采用频率再用的系统,任何月份80%时间内,10min平均干扰噪声功率电平不得超过相当于产生1×10‘误比特率的解调器输入端总噪声功率的25%。即:C/I≥C/N.+6 dB
N.:解调器输入端总噪声功率。b.采用频率再用系统,任何月份80%的时间内,任何10min平均干扰噪声功率电平不得超过相当丁产生1×10\误比特率的解调器输入端的总噪声功率的20%。即:C/I≥2C/N-7 dB
c.在任何月份80%时间由另-个卫星固定业务网产生,并落到任何一个8bitPCM电话系统中的最大10min平均干扰电平,不得超过相当于产生1×10-‘误比特率的解调器输入端总噪声功率的6%。即:
C/1=C/Nt+12. 2 dB
4.13.2电视干扰信号进入SCPC.PCM电话卫星通信网的干扰量无FEC,64kbit/sSCPC载波受等于电视帧速率的能量扩散信号调制的模拟电视信号载波十扰时。SCPC载波的允许载波干扰比不应小于公式(1)计算值:C/1=C/N,+6. 4+3lg8--8lg(i/10)式中:C/1一受下扰的SCPC载波功率与已扩散的干扰电视信号的总载波功率之比,dB;(1)
YD/T 753.2-95
C/N,-误比特率为1×10-时,SCPC载波与总噪声功率比,dB;----SCPC载波占用带宽与电视能量扩散信号产生的峰-峰频偏之比;i-用解调前的总噪声功率的百分数表示的SCPC带宽内的未解调干扰功率(10≤=i≤25)。
注:使用1/2,3/4FEC和软判决Viterbi解码的64kbit/sSCPC载波的允诈载波干扰比不应小于下述公式的计算值:C/I=(C/N,+9.4+3.5×lgo-6×Ig(/10)(dB)式中符号表示的含义间式(1)。
4.13.3杂散发射
由杂散音、噪声带或其它无用信号产生的(地球站非线性产生的多载波互调产物和频谱扩散信号除外).落到本载波分配的卫星转发器频带单元外,但在5925~6425MHz,11000~~14500MIIz频带内的杂散辐射不应超过下述值(在发射机输出端口测量);发射机带宽40MHz时:--60dBW/4kHz;发射机带宽500MHz时:-71dBW/4kHz4.13.4互调噪声
地球站发射机多个SCPC载波工作时.SCPC载波与SCPC载波之间的任意一个三阶互调产物的功率电平之差不应小于下述规定值:30 dB(2≤N<7);
13+20lgN dB
4.13.5相邻信道干扰
(N≥7)。
由于地球站非线性产生的再生频谱,使其旁瓣频谱落在分配的转发器带宽之外,其允许的射频带外辐射EIRP谱密度至少比主载波频谱密度(4kHz)低26dB。4.14信道单元调制器输出滤波器特性要求在调制器允许载波输出功率电平范围内,在偏离载波中心频率土0.625RHz处(R为传输速率),滤波器的衰减应不小于30dB。
4.15发射载波频率容差
包括载波最初调整的最大不准确性和载波的长时间频率漂移在内的总发射载波频率容差(与标称频率相比)不得超过下述规定值:f250 Hz/6 h
4.16射频幅度频率响应
4.16.1上行线中频至射频的带内幅度频率响应地球站发射正常工作载波电平时,地球站上行线中频入至射频出的带内幅度频率响应,应满足下述规定值:
±0.5 dB/36 MHz
OdB的参考点取中心频率。
4.16.2中频至中频的带内幅度频率响应地球站发中频入经卫星环回至收中频出测试的带内幅度频率响应,应满足下述规定值:±1. 25 dB/36 MHz
0dB的参考点取中心频率。
4.17相位噪声
4.17.1调制、解调器的频率合成器的单边带相位噪声不应超过表6规定值。570
偏离中心频率与相位噪声之间的关系频率,kHz
注:C调整步长为2.5kHz,可在转发器36MHz带宽内的频率点上调整。相位噪声,dBc/Hz
4.17.2上、下变频器的频率合成器的单边带相位噪声不应超过表7规定值。表7偏离中心频率与相位噪声之间的关系频率,kHz
4.18对卫星的特性要求
相位噪声dBc/Hz
保证系统正常运行所必须的卫星转发器的频率不稳定性和相位噪声(单边带)规定如下:4.18.1对转发器本振频率不稳定性要求月平均频率不稳定度(包括星蚀期影响):不应超过1×10-6;寿命期间频率漂移:士35kHz以内。4.18.2单边带相位噪声
卫星转发器本振的单边带相位噪声要求见表8。表8偏离中心频率与相位噪声之间的关系频率,kHz
4.19回声控制
卫星电路应配备符合CCITTG.165建议的回声抵消器,相位噪声dBc/Hz
a回声抵消器引入的传输损耗为0士0.25dB。(测试频率为:1020Hz,测量电平为:一10dBm)。b.接收端输出口(Rout)和发送端输入口(Sin)之间的端路径时延(包括传输路径时延,传输设备和交换设备内部时延)为:
位于远端站的回声抵消器装在卫星电路的信道单元内,端路径时延取不超过16ms;位于中央、省、市的地球站的回声抵消器可装在信道单元之外的卫星电路内,端路径时延取不超过32ms。
使用模拟端口回声抵消器时,进入发端入口(Sin)或收端入口(Rin)的电路噪声电平应低于-40dBmop。
YD/T 753.2-
传送话带内数据,当回声抵消器接收到相位反转的2100士15Hz,·13dBm0单音后,回声抵d.
消器应自动阻塞回声抵消功能,并一直保持到数据传输结束。传送带内信令时,当回声抵消器接收到2600士5Hz,一13dBm0单音时,回声抵消器应自动阻e.
塞回声抵消功能。
其它回声抵消器特性:
最小问声损耗:6dB;
增强回声损耗:当输入信号电平为一10dBm0时,大于30dB;收敛时间:在增强回声损耗30dB时,为500ms;双向通话特性:在双向输入电平均为一10dBmo时,增强回声损耗恶化应小于3dB。4.20话音激活特性
话音激活门限电平:≥30dBm0(门限可调);对载频的抑制深度:≥40dB;
话音激活因子:多个SCPC载波使用同一个发射机发射时,计算发射机功率应按表9列出值,选择激活因子。
表9激活因子
信道数(话路)
少于12
大于60
4.21话音信道特性
4.21.1信号与总失真噪声比
激活因子
使用820Hz或1020Hz单-一正弦波加到信道单元输入(模拟)端口,在信道单元输出(模拟)端口测量的信号与加权总失真噪声比(包括量化失真)应不小于表10规定值:表10信号与总失真噪声比(加权值)信号输人电平,dBmc
0~—30
30-—35
—35~—40
40~—45
注:①加权值取+2.5dB。
②信道C/N值应满足误比特率不大于1X106。4.21.2空闲信道噪声
总失真,dH
在信道单元输入(模拟)端口终接匹配阻抗,在信道单元输出(模拟)端口测量的空闲信道加权噪不应超过一65dBmOp。
YD/T753.2—95
在300~3400Hz频带内,在信道单元输出(模拟)端口测量的空闲信道杂散单音电平不应超过.50 dBmo.
注:测量单频杂散时选频带宽取200Hz。4.21.3话音信道互调失真
在信道单元输入(模拟)端,输入两个谐波互不相关的正弦波信号(1250Hz和1550Hz)当输入电平均为8dBm0时,在信道单元的输出端测量的互调分量(300、950、1850、2800Hz)不应超过43 dBm0。
4.21.4线性
从话音信道单元输入(模拟)端口到信道单元输出(模拟)端口测量的柏对增益随输入电平的变化应满足表11规定值。
线性失真
输入电平,dBmo
注:输入信号为正弦波单音,频率从700~1100Hz之间任选。②相对增益参考点取输入信号电平一10dBmo。4.21.5话音信道衰减频率特性
增益变化,dB
从信道单元输入(模拟)端口到信道单元输出(模拟)端口测量的话音信道衰减频率特性应满足表12规定值。
输入信号,Hz
注:(①测试参考信号频率:1020Hz。②参考信号输入电平-10dBmo0.1dB。4.21.6话音信道的群时延特性
衰减频率特性
衰减特性.dB
+- 0. 5, -- 0. 9
YD/T 753.2---95
从信道单元输入(模拟)端口到信道单元输出(模拟)端口测量的话音信道群时延失真应满足表13规定值。
表13群时延特性
输入信号f,Hz
注:()上述时延参考点取500~~2800Hz带内最小时延tminT, = tt--tmr
为500~~2800H2频带内任选频率处的时延。②,测试信号输入电平:—10dBmo±0.1dB4.21.7话音信道脉冲噪声
群时延特性
:250
从话音信道单元输入(模拟)端口到信道单元输出(模拟)端口测量的脉冲躁声个数不得超过:6次/15 min。
测试门限电平取-21dBmO。
注:若脉冲噪声计数器滞后时间可调.则应调到100~150ms。4.21.8话音信道电平稳定度
从信道单元输入(模拟)端口到信道单元输出(模拟)端口测量的电平稳定度不应超过下述规定值:±0.2dB(任意10min内);
±0.5dB(任意1年内)。
注:)输人测试信号电平:一10dBm0士0.1dB。②输入测试信号频率:1020Hz。③正常工作电平和温度条件下。4.21.9相位抖动
从发送站信道单元入(模拟)端口到接收站信道单元出(模拟)端口测量的相位抖动不应超过3(峰峰值)。
4.22导频
系统采用无导频接收方式,不通话时的接收信道单元解调器将跟踪接收广播信道,并记录广播信道的接收载波频率漂移。在DAMA信号控制下,接收信道单元被调到指定信道。同时修正接收载波频率漂移。通话结束,该解调器继续跟踪广播信道。在无导频接收系统中,广播信道起导频作用。4.23话音信道帧结构
话音信道顿结构中比特分配如下:载波和时
独特码
独特码
YD/T753.2-95
注:载波和时钟恢复:用于解调器的载波恢复和时钟恢复。②独特码:独特码(1)独特码(2)用于识别话音信号或数据信号的起始、接收信道类型③空闲噪声比特:用于发端空闲噪声信息。4.24信令方式和发码方式
在二线电路中,地面侧线路信号采用环路信号,号盘脉冲信号采用直流脉冲信号,或双音多频信号、在四线电路中地面侧,线路信号采用单频2600Hz脉冲信号,记发器信号采用多频互控信号。二线电路与用户电话机、人工台和小交换机相连。四线电路与程控(数字)纵横(模拟)交换机相连,长途交换局和地球站终端之间,使用线路信号带内单频2600Hz脉冲信号。记发器信号采用多频互控信号(MFC)。主叫地球站终端入中继以多频互控方式接收交换机发来的全部记发器信号,并转换成数据方式(采用卫星电路内部规程),转发至被叫地球站。被叫地球站转换数据为多频互控信号方式发送至终端(或转接)交换机,最后完成接续。人工台与地球站终端间采用用户线路信号方式,即呼入采用铃流信号,话务员呼出采用环路信号及号盘脉冲信号。
发码方式:采用成组发码方式(en-block)即地球站收齐全部号码后--次发送。用户线路信号方式应符合GB3378。带内单频2600Hz脉冲线路信号应符合GB3376。局内多频记发器信号应符合GB3377。铃流信号和信号音应符合GB3380。4.25数据信道外时钟同步要求
当采用外时钟同步方式工作时,可以从数据终端设备的时钟获得定时倍号,对其要求如下:外时钟定时信号精度:50×10-;外时钟定时信号的抖动:外时钟定时信号的相位抖动和抖动频率之间的关系见表14。表14相位抖动与抖动频率的关系抖动频率
>0.2 kHz 和<10 kHz
>10 kHz和<50kHz
4.26勤务信道
峰-峰抖动
20dB(每「进位)
地球站之间的勤务电话业务建议不设置专用信道,与用户一样可以呼叫任何一个地球站。但要求勤务联络电话有优先权。
主站应能对远端站进行话音广播。利用数据广播信道和ALOHA信道实现公务数据业务的传递。4.27系统配置
主站和远端站的系统功能方框图如图2和3所示。图中虚线部分表示可以不独立设置。功能可由信道单元执行。4.28系统可用性
在一个假设参考数字通道中,由于传播造成的不可用性,不应超过任何月份的时间的0.2%。在一个假设参考数字通道中,由于设备故障造成的不可用性,不应超过年时间的0.2%。575
小提示:此标准内容仅展示完整标准里的部分截取内容,若需要完整标准请到上方自行免费下载完整标准文档。