首页 > 国家标准(GB) > GB 2862.2-1981 冷冲模模柄 旋入式模柄
GB 2862.2-1981

基本信息

标准号: GB 2862.2-1981

中文名称:冷冲模模柄 旋入式模柄

标准类别:国家标准(GB)

标准状态:已作废

实施日期:1984-01-01

出版语种:简体中文

下载格式:.rar.pdf

下载大小:45467

相关标签: 冷冲模 模柄 旋入

标准分类号

中标分类号:机械>>工艺装备>>J46模具

关联标准

替代情况:调整为JB/T 7646.2-1994

出版信息

页数:2页

标准价格:8.0 元

相关单位信息

标准简介

GB 2862.2-1981 冷冲模模柄 旋入式模柄 GB2862.2-1981 标准下载解压密码:www.bzxz.net

标准图片预览

GB 2862.2-1981 冷冲模模柄 旋入式模柄
GB 2862.2-1981 冷冲模模柄 旋入式模柄

标准内容

中华人民共和国国家标准下载标准就来标准下载网
丙旋入式模柄
冷冲模模柄
Shank of cold press dles
Screwed shsak
标记示例:
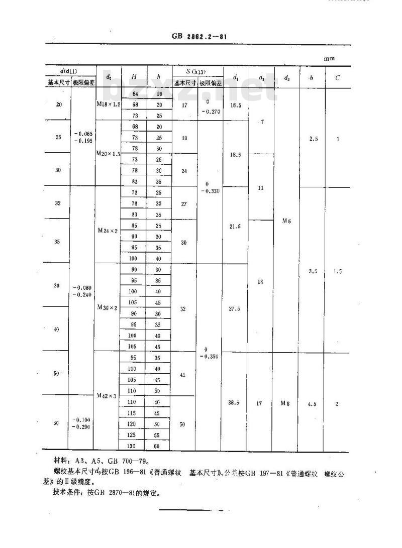
直径d=30mm、高度H=78mm材料为A3的A型旋人式模柄模柄A30×78GB2862.2—81·A3
国家标准总局1981-12-29发布
UDC 21.1,R
GB 2062.2--81
其余又4
1984 - 01 - 01实施
基本尺寸极限偏差
M24×2
M30×2
M42×3
GB 2862.2-81
S(h13)
基本尺寸极限偏差
-TKAONiKAca-
材料:A3、A5、GB 700—79。
螺纹基本尺寸d按GB196—81《普通螺纹基本尺寸》公养按GB197一81《普通螺纹螺纹公差》的Ⅱ级精度。
技术条件,按GB2870一81的规定。
小提示:此标准内容仅展示完整标准里的部分截取内容,若需要完整标准请到上方自行免费下载完整标准文档。