首页 > 农业行业标准(NY) > NY 5020-2001 无公害食品 茶叶产地环境条件
NY 5020-2001

基本信息

标准号: NY 5020-2001

中文名称:无公害食品 茶叶产地环境条件

标准类别:农业行业标准(NY)

标准状态:现行

发布日期:2001-09-03

实施日期:2001-10-01

出版语种:简体中文

下载格式:.rar.pdf

下载大小:110271

相关标签: 无公害 食品 茶叶 产地 环境

标准分类号

中标分类号:食品>>饮料>>X55茶叶制品

关联标准

出版信息

出版社:电子工业出版社

页数:平装16开, 页数:7, 字数:8千字

标准价格:8.0 元

出版日期:2001-09-01

相关单位信息

起草人:阮建云、韩文炎、许允文、鲁成银

起草单位:中国农业科学院茶叶研究所

提出单位:中华人民共和国农业部

发布部门:中华人民共和国农业部

标准简介

本标准规定了无公害茶叶产地和环境条件的术语和定义、产地空气、土壤和灌溉水质要求和试验方法等。本标准适用于无公害茶叶产地。 NY 5020-2001 无公害食品 茶叶产地环境条件 NY5020-2001 标准下载解压密码:www.bzxz.net

标准图片预览

NY 5020-2001 无公害食品 茶叶产地环境条件
NY 5020-2001 无公害食品 茶叶产地环境条件
NY 5020-2001 无公害食品 茶叶产地环境条件
NY 5020-2001 无公害食品 茶叶产地环境条件
NY 5020-2001 无公害食品 茶叶产地环境条件

标准内容

中华人民共和国农业行业标准
NY 5020--2001
无公害食品
2001~09-03发布
茶叶产地环境条件
2001-10-01实施
中华人民共和国农业部发布
NY5020—2001
本标准由中华人民共和国农业部提出。前
本标准起草单位:中国农业科学院茶叶研究所。言
本标准主要起草人:阮建云、韩文炎、许允文、鲁成银336
1范围
无公害食品茶叶产地环境条件
NY 5020-2001
本标准规定了无公害茶叶产地和环境条件的术语和定义,产地空气、土壤和灌溉水质量要求和试验方法等。
本标准适用于无公害茶叶产地。2规范性引用文件
下列文件中的条款通过本标准的引用而成为本标准的条款。凡是注日期的引用文件,其随后所有的修改单(不包括勘误的内容)或修订版均不适用于本标准。然而,鼓励根据本标准达成协议的各方研究是否可使用这些文件的最新版本。凡是不注日期的引用文件,其最新版本适用于本标准。GB/T 6920
GB/T 7467
GB/T7468
水质pH值的测定玻璃电极法
六价铬的测定二苯碳酰二肼分光光度法水质)
GB/T 7475
GB/T 7483
GB/T 7484bZxz.net
GB/T 7485
GB/T 7486
GB/T 8170
总汞的测定冷原子吸收分光光度法铜、锌、铅、镐的测定原子吸收分光光谱法氟化物的测定氟试剂分光光度法氟化物的测定离子选择电极法
总砷的测定二乙基二硫代氨基甲酸银分光光度法氰化物的测定,第一部分:总氰化物的测定数值修约规则
GB/T 11898
GB/T 15262
GB/T 15432
GB/T15433
GB/T 15434
GB/T15435
GB/T 16488
GB/T 17134
GB/T 17135
GB/T 17136
GB/T 17137
GB/T 17138
游离氯和总氯的测定N,N-二乙基-1,4-苯二胺分光光度法水质
环境空气
环境空气
环境空气
环境空气
环境空气
二氧化硫的测定甲醛吸收-副玫瑰苯胺分光光度法总悬浮颗粒物的测定重量法
氟化物的测定石灰滤纸·氟离子选择电极法氟化物质量浓度的测定滤膜·氟离子选择电极法二氧化氮的测定Saltzman 法
石油类和动植物油的测定红外光度法土壤质量
土壤质量
士壤质量
土壤质量
土壤质量
二乙基二硫代氨基甲酸银分光光度法总砷的测定
总砷的测定
硼氢化钾-硝酸银分光光度法
总汞的测定冷原子吸收分光光度法总铬的测定火焰原子吸收分光光度法火焰原子吸收分光光度法
铜、锌的测定
GB/T 17140
土壤质量
铅和镉的测定KI-MIBK萃取火焰原子吸收分光光度法土壤质量铅和镉的测定石墨炉原子吸收分光光度法GB/T 17141
农田土壤环境质量监测技术规范NY/T 3952
NY/T 396
NY/T 397
农用水源环境质量监测技术规范农区环境空气质量监测技术规范337
NY 5020-—2001
3术语和定义
下列术语和定义适用于本标准。3.1
茶叶产地
具有一定面积和生产能力的栽培茶树的土地。3.2
环境条件
影响茶树生长和茶叶产量与品质的空气、土壤和灌溉水等自然条件。4产地环境条件要求
4.1总体要求
无公害茶叶产地应选择在生态条件良好,远离污染源,并具有可持续生产能力的农业生产区域。4.2空气
茶园环境空气质量应符合表1规定表1无公害茶园环境空气质量标准项
总悬浮颗粒物(标准状态).mg/m2二氧化硫(标准状态),mg/m
二氧化氮(标准状态),mg/m,氟化物(F)(标准状态)
日平均
7 μg/ms
1. 8 μg/(dm . d)
注;日平均指任何一日的平均浓度;1 h平均指任何1h的平均浓度。4.3土壤
土壤环境质量应符合表2要求。
镉,mg/kg
汞,mg/kg
,mg/kg
铅,mg/kg
铬,mg/kg
铜,mg/kg
无公害茶园土壤环境质量标准
浓度限值
1h平均
20μg/m2
注:重金属和砷均按元素总量计,适用于阳离子交换量>5cmol(+)/kg的土壤,若≤5cmol(+)/kg,其标准值为表内数值的半数。
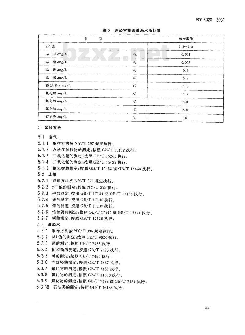
4.4灌溉水
茶园灌溉水应符合表3的要求。
TTiKAoNiKAca-
总汞,mg/l
总镉,mg/L
总砷.mg/L.
总铅.mg/L.
铬(六价),mg/l
氰化物,mg/L
氯化物,mg/L
氟化物,mg / L。
石油类,mg/l
试验方法
5.1空气
表3无公害茶园灌溉水质标准
5.1.1取样方法按NY/T397规定执行。5.1.2总悬浮颗粒物的测定:按照GB/T15432执行。5.1.3二氧化硫的测定:按照GB/T15262执行。5.1.4二氧化氮的測定:按照GB/T15435执行。5.1.5氟化物的测定:按照GB/T15433或GB/T15434执行。5.2土壤
5.2.1取样方法按NY/T395规定执行。5.2.2pH值的测定:按照NY/T395执行。5.2.3砷的测定:按照GB/T17134或GB/T17135执行。5.2.4汞的测定;按照GB/T17136执行。5.2.5铬的测定:按照GB/T17137执行。5.2.6铅和镉的测定:按照GB/T17140或GB/T17141执行。铜的测定:按照GB/T17138执行。5.2.7
5.3灌溉水
取样方法按NY/T396规定执行。
PH值的测定:按照GB/T6920执行。汞的测定:按照GB/T7468执行。铅和镐的测定:按照GB/T7475执行。碑的测定:按照GB/T7485执行。六价铬的测定:按照GB/T7467执行。5.3.6
氰化物的测定:按照GB/T7486执行。氯化物的测定:按照GB/T11898执行。5.3.8
氟化物的测定:按照GB/T7483或GB/T7484执行。5.3.9
5.3.10石油类的测定:按照GB/T16488执行。浓度限值
5. 5 ~ 7. 5
NY5020--2001
NY5020-2001
检测规则
6.1无公害茶叶产地应符合无公害茶叶产地环境条件的要求。6.2检验结果的数据修约按照GB/T8170执行。340
iiKAoNiKAca-
小提示:此标准内容仅展示完整标准里的部分截取内容,若需要完整标准请到上方自行免费下载完整标准文档。