首页 > 冶金行业标准(YB) > YB/T 2805-1997 矿热炉用炭块
YB/T 2805-1997

基本信息

标准号: YB/T 2805-1997

中文名称:矿热炉用炭块

标准类别:冶金行业标准(YB)

标准状态:已作废

发布日期:1997-02-19

实施日期:1997-07-01

作废日期:2006-11-01

出版语种:简体中文

下载格式:.rar.pdf

下载大小:54736

相关标签: 矿热炉 炭块

标准分类号

标准ICS号:电气工程>>29.050导体材料

中标分类号:建材>>炭素材料>>Q52炭素材料

关联标准

替代情况:替代YB 2805-1978;被YB/T 2805-2006代替

出版信息

出版社:中国标准出版社

书号:155066.2-11651

页数:8页

标准价格:8.0 元

出版日期:2004-04-19

相关单位信息

起草单位:冶金部信息标准研究院

归口单位:冶金部信息标准研究院

标准简介

YB/T 2805-1997 矿热炉用炭块 YB/T2805-1997 标准下载解压密码:www.bzxz.net

标准图片预览

YB/T 2805-1997 矿热炉用炭块
YB/T 2805-1997 矿热炉用炭块
YB/T 2805-1997 矿热炉用炭块

标准内容

YB/T 2805-~1997
本标准此次修订对下列条文进行了修改:-改变了标准名称,
原1.2(增加了规格尺寸,取消了长度规定),言
一原1.2(增加对400mm×400mm~500mm×600mm规格表面缺陷要求)。本标准从生效之日起,同时代替YB2805-78。本标准由冶金部信息标准研究院提出并归口。本标准起草单位:兰州炭素厂、吉林炭察厂、冶金部信息标准研究院。本标准主要起草人:赫绍先、刘成全、刘宝英、孙长年、孙伟。本标准1978年1月首次发布。
1范围
中华人民共和国黑色治金行业标准矿热炉
用炭块
Carbon block for ore furnace本标准规定了矿热炉用炭块的技术要求、试验方法和检验规则。本标准适用于铁合金炉、电石炉作炉衬和导电材料的矿热炉用炭块。2引用标准
YB/T2805—1997
代替YB2805-78
下列标准所包含的条文,通过在本标准中引用而构成为本标准的条文。在本标准出版时,所示版本均为有效。所有标准都会被修订,使用本标准的各方应探讨、使用下列标准最新版本的可能性。GB1427—88炭素材料取样方法
GB 1429—85
炭素材料灰分含量测定方法
GB 1431—85
GB 8170--87
炭素材料耐压强度的测定方法
数值修约规则
GB8719—882
炭素材料及其制品的包装、标志、运输和质量证明书的一般规定YB 908—78
3技术要求
3.1外形尺寸
炭素材料体积密度、显气孔率的测定矿热炉用炭块的尺寸及允许偏差按表1的规定。表1
截面,mm
220×220
400×400
400X600
550×550
500×600
允许偏差,mmbzxz.net
注:长度、截面有特殊要求,由供双方协商确定。3.2外观质量
弯曲度不大于,%
长度的0.5
矿热炉用炭块表面应平整。断面组织不允许有空穴、分层和夹杂物。其表面缺陷按表2的规定。中华人民共和国治金工业部1997-02-19批准96
1997-07-01实施
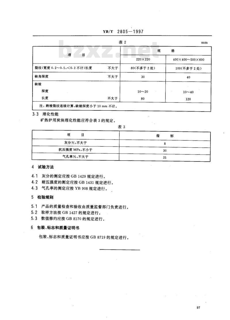
裂纹(宽度0.2~~0.5,<0.2不计)长度缺角深度
2805—1997
220×220
不大于
不大于
不大于
注:跨棱裂纹连续计算,缺梭深度小于10mm不计。3.3理化性能
矿热炉用炭块理化性能应符合表3的规定。表3
灰分%,不大于
抗压强度MPa,不小于
气孔率%,不大于
4试验方法
灰分的测定应按GB1429规定进行。4.1
耐压强度的测定应按GB1431规定进行。4.3气孔率的测定应按YB908规定进行。5检验规则
5.1产品的质量检查和验收由质量监督部门负责进行。5.2取样方法按GB1427的规定进行。5.3数值修约应按GB8170的规定进行。6包装、标志和质量证明书
包装、标志和质量证明书应按GB8719的规定进行。80(不多于2处)
400X400~500×600
100(不多于2处)
小提示:此标准内容仅展示完整标准里的部分截取内容,若需要完整标准请到上方自行免费下载完整标准文档。