首页 > 农业行业标准(NY) > NY 5164-2008 无公害食品 乌鳢
NY 5164-2008

基本信息

标准号: NY 5164-2008

中文名称:无公害食品 乌鳢

标准类别:农业行业标准(NY)

标准状态:现行

发布日期:2008-05-16

实施日期:2008-07-01

出版语种:简体中文

下载格式:.rar.pdf

下载大小:130453

相关标签: 无公害 食品 乌鳢

标准分类号

标准ICS号:食品技术>>肉、肉制品和其他动物类食品>>67.120.30鱼和水产品

中标分类号:农业、林业>>水产、渔业>>B52淡水养殖与产品

关联标准

替代情况:替代NY 5164-2002

出版信息

出版社:农业出版社

页数:6

标准价格:0.0 元

出版日期:2008-07-01

相关单位信息

发布部门:中华人民共和国农业部

标准简介

NY 5164-2008 无公害食品 乌鳢 NY5164-2008 标准下载解压密码:www.bzxz.net

标准图片预览

NY 5164-2008 无公害食品 乌鳢
NY 5164-2008 无公害食品 乌鳢
NY 5164-2008 无公害食品 乌鳢
NY 5164-2008 无公害食品 乌鳢
NY 5164-2008 无公害食品 乌鳢

标准内容

ICS67.120.30
中华人民共和国农业行业标准
NY5164—2008
代替NY5164—2002
无公害食品
2008-05-16发布
2008-07-01实施
中华人民共和国农业部发布
本标准代替NY5164-2002《无公害食品乌》。本标准与NY5164--2002《无公害食品乌》相比,主要修改如下:-增加了甲基汞、无机砷等的限量指标;NY5164—2008
一删除了砷、汞、氯霉素、呋喃唑酮、喹乙醇、沙门氏菌、致泻大肠埃氏菌、虫蝴等指标;增加了有关农药、兽药残留量应符合国家有关规定的要求;-对感官要求及部分章、条内容做了修改与补充。本标准由中华人民共和国农业部市场与经济信息司提出并归口。本标准起草单位:农业部农产品质量安全中心、中国水产科学研究院长江水产研究所。本标准主要起草人:邹世平、丁保华、廖超子、周瑞琼、方耀林。本标准于2002年首次发布,本次为第一次修订。I
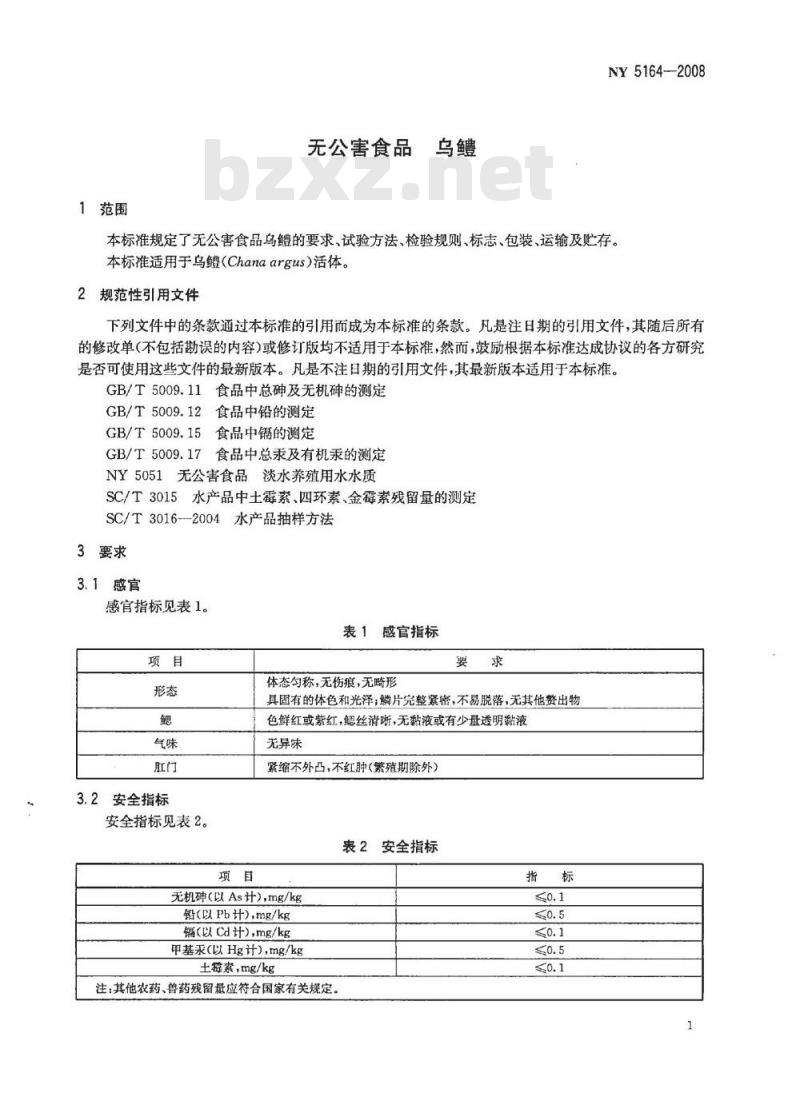
1范围
无公害食品
NY5164—2008
本标准规定了无公害食品的要求、试验方法、检验规则、标志、包装、运输及贮存。本标准适用于乌雙(Chanaargus)活体。2规范性引用文件
下列文件中的条款通过本标准的引用而成为本标准的条款。凡是注日期的引用文件,其随后所有的修改单(不包括勘误的内容)或修订版均不适用于本标准,然而,鼓励根据本标准达成协议的各方研究是否可使用这些文件的最新版本。凡是不注日期的引用文件,其最新版本适用于本标准。GB/T5009.11食品中总砷及无机砷的测定GB/T5009.12食品中铅的测定
GB/T5009.15食品中镐的测定
GB/T5009.17食品中总汞及有机汞的测定NY5051无公害食品淡水养殖用水水质SC/T3015水产品中土霉素、四环素、金霉素残留量的测定SC/T3016-2004水产品抽样方法
3要求
3.1感官
感官指标见表1。
表1感官指标
2安全指标
安全指标见表2。
体态勾称,无伤痕,无畸形
具固有的体色和光泽;鳞片完整紧密,不易脱落,无其他赞出物色鲜红或紫红,鳃丝清晰,无黏液或有少量透明黏液无异味
紧缩不外凸,不红肿(繁殖期除外)表2安全指标
无机砷(以As计),mg/kg
铅(以Pb计),mg/kg
镐(以Cd计),mg/kg
甲基汞(以Hg计),mg/kg
土每索,mg/kg
注:其他农药、兽药残留量应符合国家有关规定标
NY5164—2008
4试验方法
4.1感官指标
在光线充足、无异味的环境中,将样品置于白色糖瓷盘或不锈钢工作台上检查形态、鳃、气味、组织。4.2无机砷
按GB/T5009.11方法执行。
按GB/T5009.12方法执行。
按GB/T5009.15方法执行。
4.5甲基汞
按GB/T5009.17方法执行。
4.6土舞素
按SC/T3015方法执行。
5检验规则
5.1组批规则与抽样方法
5.1.1组批规则
同一养殖场中、同时收获的、养殖条件相同的乌为一个检验批次。5.1.2抽样方法
按SC/T3016的规定执行。
5.1.3试样制备
用于安全指标检验的样品:至少取3尾鱼清洗后,去头、骨、内脏,取背部肌肉绞碎混合均勾后备用;试样量为400g,分为两份,其中一份用于检验,另一份作为备样。5.2检验分类
产品检验分为出厂检验和型式检验。5.2.1出厂检验
每批产品应进行出厂检验。出厂检验由生产者执行,检验项目为感官指标。5.2.2型式检验
有下列情况之一时,应进行型式检验,检验项目为本标准中规定的全部项目。a)申请使用无公害农产品标志时;b)新建养殖场养殖的乌;
c)养殖条件发生变化,可能影响产品质量时;d)有关行政主管部门提出进行型式检验要求时;出厂检验与上次型式检验有较大差异时;e)
正常生产时,每个生产周期至少进行一次检验。5.3判定规则
5.3.1感官检验结果判定按SC/T3016—2004表1的规定执行。5.3.2安全指标的检验结果中有一项及一项以上指标不合格,则判本批产品不合格,不得复验。6标志、运输、贮存
6.1标志
应按无公害农产品标志有关规定执行。6.2运输
NY51642008
运输包装容器应坚固、洁净、无毒、无异味。运输工具应洁净、无毒、无异味,严防运输污染,6.3购存
活体可在洁净、无异味的水泥池、水族箱等容器中暂养与贮存,暂养用水应符合NY5051的规定。3
NY5164-2008
中华人民共和国
农业行业标准bzxZ.net
无公害食品乌
NY5164—2008
中国农业出版社出版
(北京市朝阳区麦子店街18号楼)(邮政编码:100125
网址:ccap.com.cn)
北京昌平环球印刷厂印刷
各地新华书店经销
新华书店北京发行所发行
开本880mm×1230mm1/16
2008年6月第1版
印张0.5
字数5千字
2008年6月北京第1次印刷
书号:16109·1649
版权专有侵权必究
举报电话:(010)65005894
小提示:此标准内容仅展示完整标准里的部分截取内容,若需要完整标准请到上方自行免费下载完整标准文档。