首页 > 农业行业标准(NY) > NY/T 779-2004 普洱茶
NY/T 779-2004

基本信息

标准号: NY/T 779-2004

中文名称:普洱茶

标准类别:农业行业标准(NY)

标准状态:现行

发布日期:2004-04-16

实施日期:2004-06-01

出版语种:简体中文

下载格式:.rar.pdf

下载大小:303581

相关标签: 普洱茶

标准分类号

标准ICS号:食品技术>>茶、咖啡、可可>>67.140.10茶

中标分类号:食品>>饮料>>X55茶叶制品

关联标准

出版信息

出版社:中国农业出版社

书号:15109.327

页数:7页

标准价格:8.0 元

出版日期:2004-05-01

相关单位信息

起草人:李清泽、陈文品、白文祥等

起草单位:农业部优质农产品开发服务中心、西南农业大学茶叶研究所、云南省茶叶进出口公司

提出单位:中华人民共和国农业部

发布部门:中华人民共和国农业部

标准简介

本标准规定了普洱茶的术语和定义、要求、试验方法、检验规则、标志与包装、运输与贮存。本标准适用于以云南大叶种晒青毛茶(俗称“滇青”)经熟成再加工和压制成型的各种普洱茶散茶、普洱茶制茶、普洱袋泡茶。 NY/T 779-2004 普洱茶 NY/T779-2004 标准下载解压密码:www.bzxz.net

标准图片预览

NY/T 779-2004 普洱茶
NY/T 779-2004 普洱茶
NY/T 779-2004 普洱茶
NY/T 779-2004 普洱茶
NY/T 779-2004 普洱茶

标准内容

ICS 67.140. 10
中华人民共和国农业行业标准
NY/T 779--2004
普洱茶
Pucr tca
2304-04-16发布
2004-06-01实施
中华人民共和国农业部发布
本标准由中华人民共和国农业部提出:前言
NY.T 779—2004
本标准起草单位:农业部优质农产品开发服务中心、西南农业人学茶叶研究所、云南省茶旧进山公司
本标准主要起节人:李清泽、刘独晋、陈文品、白文祥、杜维春。1范围
普洱茶
NY/T 7792004
本标准规定了普冲茶的术语和定义,要求,试验方汰、检验规则、标志、包装、运输和吧运,不标准用」以云南人叶种晒毛茶(俗称\镇青”)经熟成再加工和压制成型的各种普洱散茶普洱压制茶、普洱袋泡荣。
2规范性引用文件
下列文件中的条款逆过本标准的引用而成为本标准的条款。凡是注日期的引用义件,其随后所有的修收单(不包括勘误的内容)或修订版均不适用丁本标准,然而,鼓励根据本标准达成协议的各方研究是否使用这些文件的最新版本:凡是不注期的引用义件,其最新版本适用于本标准。GI3191:包装储运图示标志
GB/T6388运输包装收发货标志
G7718食品标签通用标准
GI3/T 8302 茶 取样
GB/T8304茶水分测定
GB/T 8305
水浸出物测
GB/T 8306
总灰分测定
GR/T 8310
GR/T 8311
GB7T 8313
GB 11678
料1纤维测定
粉木和碎茶含量测定
茶多酚测定
食品包装用原纸卫生标准
无公害食品茶吓
NY 5244
3术语和定义
下列术语和定义适用于本标准:3.1
普洱散茶
以云南人叶种叶为原料,经杀青、揉抢、晒十等!序制成的各种嫩度的晒青毛茶,经熟成、整形、堆、拼配!杀菌而成客种名称和缀孵的普湃芽茶及级别茶,3.2
普洱压制茶
各种级别的普洱散茶半成品,根据市场需求而使用机械压制成型的沱茶、紧茶、饼茶、砖茶园茶及茶果等
普洱袋泡茶
利用普洱散茶中的碎、片、未(40孔以,1.)白动计量装袭、包装的各种规格袋泡茶3.4
Y T 779—2004
蒸战是指云南太叶种晒青毛茶及其压制茶在良好藏条件卜长期贮存(10年以上),或云南人叶种润青毛茶经人工混堆发酵.使茶多酚等牛化成分经氧化聚合水解系列4:化反成.最终形成普洱茶特定品质的加工工序
4要求
4.1产品分类及质量等级
4.1.1普茶成战分普洱散茶、普洱压制茶、普洱袋泡茶.背江速溶茶四类,4.1.2普洱散茶分为普洱金芽茶、宫延普洱茶及特,1-5级共8个花色品种:咨洱压制茶分为普洱沱蒸、苔浒紫茶、萨洱饼茶、普洱砖茶、普洱圆茶及普洱茶果峨其他形状,4.2基本要求
原粒及制成品生产场所均应符台食品工厂牛产条件要求4.2.2“品应且有本类茶叶所具有共同白然品质特征,无劣变、无异味。4.2.3产品不得含有任何非茶类夹杂物,4.2.4不着色,无任何人T合成的化学物质放添加剂4.3感官要求
4.3.1各产品等级的感官品质成符合实物标准样,刘外贸易应符合双方合同规定的成交茶样,4.3.2背江散茶品质特征见表1。表1普洱散茶品质特征
最品多称
形状格
全芽整可
有锋苗
紧缅勾直、规格匀整
有锋苗
案绷教勾,职格整齐
石锋南
紧重实
有译苗
肥雅紧炎
粗北尚紧
粗壮久、欠钧
粗大松泡
全披金室
色登货
金亳昆露
包泽褐润
金窖显露
色泽羯润
茅亲较最
红羯尚润
红揭尚润
隆显毫
红祸尚润
红褐尚润
红褐欠约润
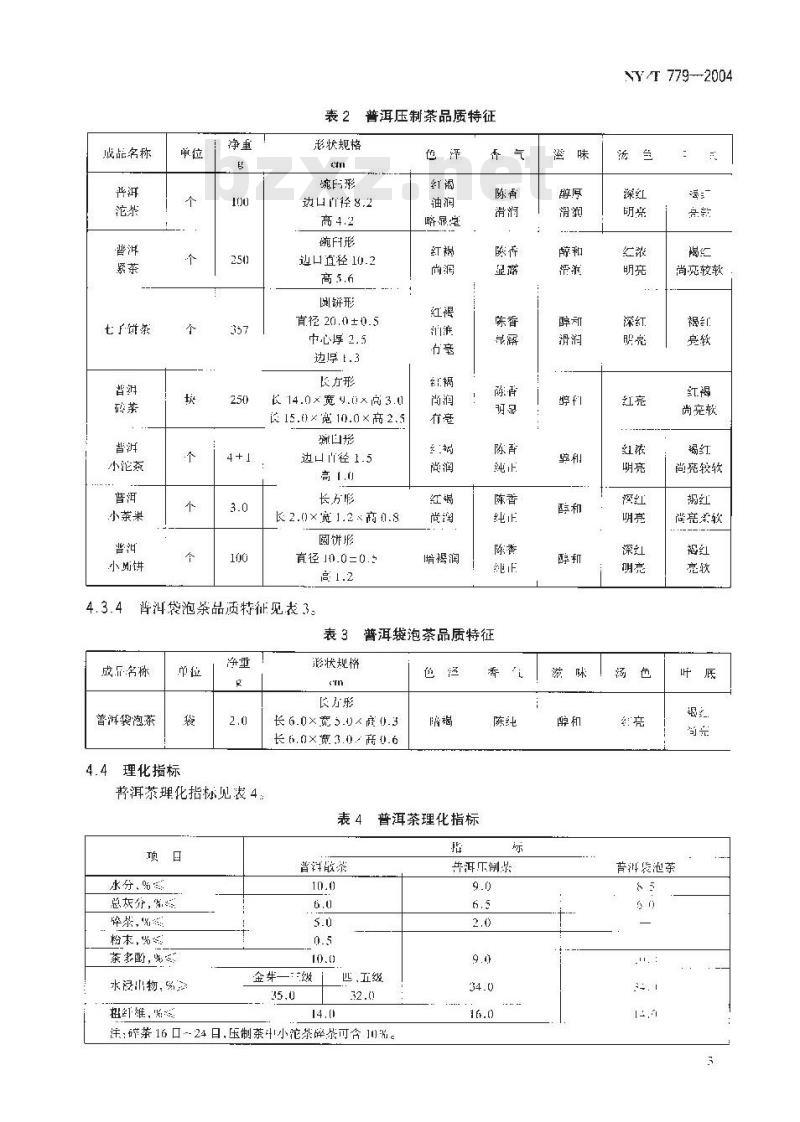
4.3.3普洱压制茶品质特征见表2。2
香纠长
陈香馥邹
陈香高长
陈吓盛露
陈香显麟
陈香纯面
陈香纯·
陈香纯工
树红尚克
红褐尚亮
成品名称
七了茶
小茫茶
小茶果
表2普洱压制茶品质特征
形状规格
边口而径8,2
边口直径10.2
圆饼形
直径20.0±0.5
中心厚 2.5
长 14.0×宽4.0×高3.0
长15.0*宽10.0×高2.5
毓国形
边口\径1.5
长方形
长2.0×宽1.2商1.8
圆饼形
直径 10.0=0.2
背洱袋泡茶品质特征见表3
略显室
暗褐润
表3普洱袋泡茶品质特征
成.F-名称
普洱裂泡茶
4.4理化指标
洱茶理化指标见表4
水分、%
总灰分,
碎茶,%
粉末,%多
茶多,%
水泛山物,多学
扭雄,
形状规格
长方形
长6.0×宽5.0<商0.3
长6.0×宽3.0商0.6
表 4 普洱茶理化指标
洋散茶
金芽—级
匹,五级
注:碎茶16口-24日,压制茶汁小沱茶碎茶可含1川粥。香
普洱压茶
NY/T 779--2004
尚竞较软
尚竞软此内容来自标准下载网
尚亮较软
尚亮软
菁浒袋泡茶
AY/T779—2004
4.5卫生指标
按NY5244规定执行,螨类活体指标成小十L()D:根据《中华人民共和国农药管理条例》,禁用衣药不得在茶叶生产中使用:
4.6净含量负偏差要求
净含量负偏并要求见表5。
表5各种规格净含量负偏差
hg-50g
5Ug-100g
10ug200g
20Xg30Mhg
300g --500g
500g-: 1 H0Og
Ikg--Toksg
10kg--15kg
15kk - 20kg
5试验方法
5.1取样
按(H/1'8302的规定执行
5.2理化指标
5.2.1 水分 
按GB/T8304的规定执行:
5.2.2总灰分
按C1/T8306的规定执行
5.2.3粉末碎茶
接GB/T8311规定执行,
5.2.4茶多酚
按 GB3/T8313 规定执行。
5.2.5水漫出物
按GB/T8305规定执行
5.2.6粗纤维
按(GB/I8310规定执行
5.3卫生指标
按NY5244规定执行。
6检验规则
6.1型式检验
6.1.1型式捡验为全项二检验
有净含呈白分比(%)
6.1.2型式捡验在下列情形之下进行:a)企业首次批量生产前:
b)原料、工艺、机具有较大改变而影响产品质量时:c)困家质量监督机构提山型式检验要求时。6.2交收(出厂)检验
NY:T 779—2004
每批产品出厂前,成检验感亡品质、水分,末茶、净含量和包装规格,经检验个格签发产品质量合格让,方可出广
6.3判定规则
6.3.1凡我变有较重酸味和卫生指标不合格的产品,均判为不合格*品,不得作为伙料销售:6.3.2出」检验时,其检验项目中者有·项不符介要求的产品,判为不含格产品。6.4复检
对检验不合格批次.应对留存样进行复检或准同批产品包装更新按18302规定加倍取伴,对不合格项回避行复检以复检结果为准,7标志、包装、运输和贴存
7.1标志
7.1.1产品销售包装上的标然标志成符合G7718的规定。7.1.2运输包装上的储运图示标志成符含(191的规定,收发货标惠应符合(B/T6388的规定,H他条款应按贸易合同上的规定条款清晰标注有关内容:7.1.3注明普江茶保质期至少在2年以上(含2年):7.2包装
7.2.1包装容器应用干燥、清洁、卫生、无味的材料制成,接触茶的内包装纸应符合(H311678或相关食品用包装材料卫生标准规定的包装材料7.2.2包装成牢固、清洁、防潮,能保护茶叶品质,适十长途运输,7.3运输
7.3.1运输T具应清沾、十燥、卫牛.无异味、无污染,7.3.2运输时应防雨、防潮.防暴。7.3.3装卸时成轻卸,不得甩掷。7.3.4严禁与有毒、有击、有异味,易污染的物品混装、混运7.4贮存
7.4.1产品应存上清洁、防潮、通风、十燥、无异味的专门仓库内.仓库周围应无异气污染:7.4.2禁山与有毒、有害、有异味、易污染的物品混贮5
NYIT 779-2004
中华人民共利国
农业行业标准
普洱茶
NS/T 779-2004
中农业出版社山版
(北京市阳区老二街18楼)
网l:crap.com..r
(服政端码:00026
中国农业业版印所广印所
新华书店北京发行新发行
F本 880mtn ×1230mm 1/16
2004个7月第版
各出新华伟店经销
2004年7月北京第:8-
可号; 15109 . 327
F数:im
定价:8.00元
版权专有
侵权必究
举报电话:(010)65005894
小提示:此标准内容仅展示完整标准里的部分截取内容,若需要完整标准请到上方自行免费下载完整标准文档。