首页 > 国家标准(GB) > GB/T 20605-2006 地理标志产品 雨花茶
GB/T 20605-2006

基本信息

标准号: GB/T 20605-2006

中文名称:地理标志产品 雨花茶

标准类别:国家标准(GB)

标准状态:现行

发布日期:2006-11-03

实施日期:2007-04-01

出版语种:简体中文

下载格式:.rar.pdf

下载大小:786777

相关标签: 地理 标志 产品

标准分类号

标准ICS号:食品技术>>茶、咖啡、可可>>67.140.10茶

中标分类号:食品>>饮料>>X55茶叶制品

关联标准

出版信息

页数:平装大16开 页数:12, 字数:12

标准价格:10.0 元

计划单号:20051724-T-469

出版日期:2007-04-01

相关单位信息

首发日期:2006-11-03

起草单位:南京市质量技术监督局、南京市农林局、南京市桑茶果技术指导站、南京标准化学会、南京茶叶行业协会

归口单位:全国原产地域产品标准化工作组

发布部门:中华人民共和国国家质量监督检验检疫总局 中国国家标准化管理委员会

主管部门:国家标准化管理委员会

标准简介

本标准规定了雨花茶的地理标志产品保护范围、术语和定义、分等、分级及实物标准样、要求、试验方法、检验规则、标志、标签和包装、运输、贮存。本标准适用于国家质量监督检验检疫行政主管部门根据《地理标志产品保护规定》批准保护的地理标志产品雨花茶。 GB/T 20605-2006 地理标志产品 雨花茶 GB/T20605-2006 标准下载解压密码:www.bzxz.net

标准图片预览

GB/T 20605-2006 地理标志产品 雨花茶
GB/T 20605-2006 地理标志产品 雨花茶
GB/T 20605-2006 地理标志产品 雨花茶
GB/T 20605-2006 地理标志产品 雨花茶
GB/T 20605-2006 地理标志产品 雨花茶

标准内容

ICS 67. 140. 10
中华人民共和国国家标准
GB/T20605--2006
地理标志产品
·雨花茶
Product of geographical indication-Yuhua tea2006-11-03发布
中华人民共和国国家质量监督检验检疫总局中国国家标准化管理委员会
2007-04-01实施
-iikAoNiKAca-
GB/T20605—2006
本标准根据GB17924—1999原产地域产品通用要求及地理标志产品保护规定而制定,本标准的附录A为规范性附录。
本标谁由全国原产地域产品标雄化工作组提出并归口。本标准主要起草单位:南京市质垦技术监督局、南京市农林局,南京市桑茶果技术指导站、南京标准化学会,南京茶叶行业协会。
本标准主要起草人,冯葬、舒稳山、邱冕、赵长华、李松。1范围
地理标志产品
雨花茶
GB/T20605-—2006
本标准规定了雨花茶的地理标志产品保护范围、术语和定义,分等、分级及实物标准样,要求,试验方法、检验规则、标志、标签和包装,运输、贮存。本标准适用于国家质量监督检验检疫行政管部问根据《地理标产品保护规定》批准保护的地理标志产品雨花茶。
2规范性引用文件
灌的引用而成为本标准的条款。是注日期的引用文件,其随后所有下列文件中的条款通过
的修改单(不包括勘误的皮窄截修订版均不适用于本标准,然而,鼓励根据本标准达成协议的各方研究是否可使用这些文代的最新版本。包储漆图示标
GB/T191免费标准下载网bzxz
食中海染物限城
GB2762
GB2763
GB7718
GB/T8302
GB/T8304
GB/T830F
GB/T8306
GB/T8310
GB/T8311
GB14881
GB 17924
是不妞时期的就用文件只最新版本适用手本标准。敢药最大残留限
装食品标签通!
水分测定
水浸出物酒
总灰分测起
粗纤维测地
粉末和碎茶合业
鑫业通用卫生靓
原产城产品通用牌
茶象富申评通办社
NY/T787
无公宝具品
NY/T5018
叶生产技术规
SB/T10035茶叶销包装通用技术条件JF1070定显包装服品净量计量检验规则定量包装商品计量监督管理办法国家质量监督检验检疫总局[2005年第75号令3地理标志产品保护范围
雨花茶地理标志产品保护范国限于国家质量监督检验检疫总局根据《地理标志产品保护规定》批的范围,即江苏省南京市城区的中山陵园、雨花台烈士陵园,江宁区、梁水县、高淳县、浦口区、六合区、雨花台区、栖霞区现辖行政区域,见附录A。4术语和定义
下列术语和定义适用于本标准。4. 1
雨花茶Yuhua tea
在本标推第3章规定的范围内,采用适宜良种茶树的幼嫩芽叶,经独特的工艺加工而成,真有“外形GB/T20605—2006
紧细直,译苗挺秀、色泽绿润内质清香、鲜醇为突出品质特征的绿茶。5分等.分级及实物标准样
5.1分等、分级
根摆雨花茶的原料嫩度和品质待征,分为特级一等、特级二等、一级、二级共四个等级。5.2实物标准样
各等级产品设一个实物标准样,实物标准样为该级品质最低界限,每四年更换一次。6要求
6.1自然环境
6. 1. 1地貌
丘胶地貌,种植地为平地或經坡地。6. 1.2截候
iiKANr KAca-
年平均气温≥14℃,全年大于10℃的活动积温≥1000℃,无霜期≥220d,平均日照≥2100h,年平均降水量1000mm~1400mm。
6. 1. 3土壤
以黄红壤为上壤呈弱酸性,pH4.5~6.5.肥力中等,有机质1.3%~2.5%,全磷0.05%~0.1%+全钾0.78%~1. 50%,上填的持水量70%-90%。6.2栽培
6.2. 1茶树品种
叶形为长椭圆形,柔软度好的中小叶茶树良种,如祁门赭叶,鸠坑等品种及龙井长叶等新选育的适制雨花茶的无性系良种。
6. 2. 2赖培方式
单行条:大行距140cm~150cm,袜距20cm~25cm双行裁:大行距140cm~150cm,小行距30cm~35cm,梯距25cm~~30cm,6.3茶园施肥
6. 3. 1 基肥
基肥以有机肥为主,于每年秋季开沟深施,施肥深度 20 cm 以上,饼肥或商品有机肥100 kg/6B7 m~300kg/667m,或农家有机肥1000kg/667m2~2000kg/667m。根据土壤条件,配施磷吧,钾肥和微是元素肥料。
6. 3. 2 迫肥
追肥以化肥为主,每年追施2次~~-3次,每次施尿素30kg/667m2~100kg/667m2。6. 4病虫害防治
按照NY/T5018的规定执行。
6.5采摘
6. 5. 1 开采期
茶园有10%~15%的芽叶达到采摘标准即可采摘。6. 5. 2 · 鲜叶要求
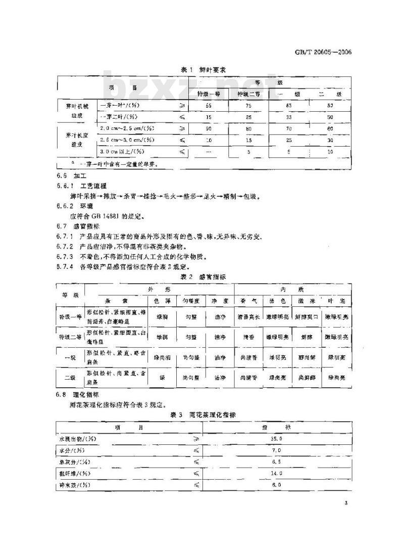
每批采下的鲜叶应大小句称、整齐。不带单片叶,对夹叶,鱼叶、虫伤叶、紫芽、红芽、空心芽等。各等级鲜叶质盘要求应符合表1规定。2
芽叶机械
茅斗长度
芽一叶%)
-茅二叶/(9%)
2. 0 cm-2. 5 tn/<%)
2. 6 cm~3. 0 em/(%)
3. 0 cm以上/%
—芽一叶中含有一定量的单带。6.6加工
6.6.1工艺程
表1鲜叶要求
特级一等
辖级二等
鲜叶采摘→推放→杀青→揉抢→毛火→整形一足火一精制→包装。6.6.2环境
应符合GB14881的规定,
6.7感官指标
6.7.1产品应具有正常的商品外形及固有的色、香、味,无异味、无劣变6.7.2产品应洁净,不得滬有非恭类夹杂物。6.7.3不著色,不得添如任何人工合成的化学物质。6.7.4各等级产品感官措标虚符合表2规定,表2酶曾指标
特级一等
形似松针、紧细因直、锋
苗挺秀、白寒略显
形似松针,紧细圆直、白
特毁二等
查珞显
形似松针、蛋直、略含
形似松针、尚聚点、含
6.8理化指标
绿尚泪
花茶理化指标应符合表3规定。
勾兼度
尚匀整
尚勾整
裘 3雨花茶理化指标
水混出物/(为)
水分(%)
总友分兴%
粗纤维/(%)
【碎末获%)
清香高长
尚清香
尚清睿
GB/T 20605-—2006
鲜醇爽口
嫩挥明亮
嫩绿明亮
華期竞
绿尚亮
醇尚鲜
尚鲜醇
嫩绿眠亮
嫩绿明亮
绿明亮
绿尚亮
GB/T20605—2006
6.9卫生指标
应符合GB2762.GB2763的规定。
6.10净含量允差
应符合定量包装商品计量监督管理办法》的规定。7试验方法
7.1感官指标
按NY/T787的规定,对照感官品质指标,并用实物标准样配合进行。7.2理化指标
7.2.1水分按GB/T8304的规定进行。7.2.2总灰分按GB/T8306前规定进行7.2.3水浸出物按GB/T8305趣是进行7.2.4粗纤维按GB/T8310的规定进行。7.2.5碎末茶按GB/T
7.3卫生指标
的规定进行
3的规定进
按GB2762、GE
7.4净含量允差
用相应精度的计量器具称量,按O规定进行
B检验规则
#酿过程中形成酒
在生产和加
装应-致。
8.2抽样
按GB/T8302
机进行。
8.3出厂检验
8.3.1出厂检验项自为
富指标
8.3.2产品出厂,应经
8.4型式检验
-iiKANiKAca-
),同批(唛)产品的品质规格和包质检部何的检验,签发品质量合格证后,方可出厂6,%8、6.9.6.10规定的全部项目检验周期为每年一饮,有下列情况型式检验的项目为本标6
之一时,应进行型式检验,
加工工艺改变后,可能影响产品品质时!a
b)停产二年后,又恢复生产时,c)国家法定质量监督机构提出型式检验要求时。8.5判定规则
8.5.1检验结果中凡有劣变、有污染,有异气味的,均判定该批产品为不合格批或该次型式检验不合格。
8.5.2净含量、理化指标,卫生指标中若有一项指标不合格或感官指标经综合评判后不合格的,可从同批产品中加倍随机抽样复检,复检后仍不合格的,则判定该批产品为不合格批或该次型式检验不合格。对检验结果有争议时,应对留存样品进行复检,或在同批产品中加倍随机抽样,对有争议项目进行复检,以复检结果为准。
9标志、标签、包装、运输、购存9.1标志、标签
GB/T20605-2006
9.1.1获得批准的企业,可在其产品外包装上使用地理标志产品专用标志,应符合GB17924的规定。标志、标签应符合GB7718的规定。9.1.2不符合本标准的产品,其产品名称不得使用含有雨花茶(包括连续或断开)的名称。9.1.3运输包装箱的图示标志应符合GB/T191的规定。9.2包装
包装材料应干燥,清活,无异味,不影响茶呼品质,包装应牢固,防潮,整洁,能保护茶叶品质,便于装卸,仓储和运输。接触茶叶的包装树料应符合SB/T10035规定。9.3运输
运输时应放在干净、无异味,暂污渠的专用包装箱内,应轻轻嫩,防雨随潮,避免撞击重压。9.4贮存
产品应贴存于清洁
9.5保质期
集阴凉、无异
在上述贮存条件成产自生产
能保饰
周仓库电
炼周固应无异味。
GB/T20605—2006
附录A
(规范性附录)
而花茶地理标志产品保护范国图花茶地理标志产品保护范围见图A.1。安徽省
大合区
过商区
蒲口区
南京市公司
其他城区
花台区
江宁区
藻木县
商淳县
图A1雨花茶地理标志产品保护范围图中山陵园
南花有熟士廖园
-iikAoNikAca-
GB/7 20605-2006
中华人民共和国
国家标准
地理标志产品雨花茶
GB/T 20605- 2006
中国标准出版社出版发行
北京复兴门外三里河北街16号
邮政编码:100045
网址 www, spc. net. cn
电话:6852394658517548
中国标准出版社奢皇岛审刷厂印刷各地新华书店经销
开本 880×1230 1/16印张 0.75 字数 12 半字2007年3月第一版 2007年3月第一次印聘+
书号,1550661-28919
定价10.00元
由本社发行中心调换
如有印装差错
版权专有侵权必究
举报电话:(010)68533533
900200902
小提示:此标准内容仅展示完整标准里的部分截取内容,若需要完整标准请到上方自行免费下载完整标准文档。