首页 > 有色金属行业标准(YS) > YS/T 445.6-2001 银精矿化学分析方法 氧化镁量的测定
YS/T 445.6-2001

基本信息

标准号: YS/T 445.6-2001

中文名称:银精矿化学分析方法 氧化镁量的测定

标准类别:有色金属行业标准(YS)

标准状态:现行

发布日期:2001-05-21

实施日期:2001-09-01

出版语种:简体中文

下载格式:.rar.pdf

下载大小:1646005

相关标签: 精矿 化学分析 方法 氧化镁 测定

标准分类号

标准ICS号:冶金>>金属材料试验>>77.040.30金属材料化学分析

中标分类号:冶金>>金属化学分析方法>>H15贵金属及其合金分析方法

关联标准

出版信息

页数:平装16开 页数:6, 字数:8千字

标准价格:10.0 元

出版日期:2001-09-01

相关单位信息

起草单位:大冶有色金属公司、株洲冶炼厂

归口单位:中国有色金属工业标准计量质量研究所

提出单位:中国有色金属工业标准计量质量研究所

发布部门:中国有色金属工业协会

标准简介

本标准规定了银精矿中氧化镁含量的测定方法。本标准适用于银精矿中氧化镁含量的测定。测定范围:0.50%~5.00%。 YS/T 445.6-2001 银精矿化学分析方法 氧化镁量的测定 YS/T445.6-2001 标准下载解压密码:www.bzxz.net

标准图片预览

YS/T 445.6-2001 银精矿化学分析方法 氧化镁量的测定
YS/T 445.6-2001 银精矿化学分析方法 氧化镁量的测定
YS/T 445.6-2001 银精矿化学分析方法 氧化镁量的测定
YS/T 445.6-2001 银精矿化学分析方法 氧化镁量的测定
YS/T 445.6-2001 银精矿化学分析方法 氧化镁量的测定

标准内容

中华人民共和国有色金属行业标准YS/T445.1~445.9200
银精矿化学分析方法
Methods for chemical analysis of silver concentrates2001-05-21发布
中国有色金属工业协会发布
2001-09-01实施
YS/T445.1~445.9—2001
本标准为新制定的标准。
本标准遵守:
GB/T 1.4-1988
GB/T 1467—1978
GB/T4470-1984
GB/T 7728—1987
GB/T7729—1987
标准化工作导则化学分析方法标准编写规定冶金产品化学分析方法标准的总则及一般规定火焰发射、原子吸收和原子荧光光谱分析法术语冶金产晶化学分析火焰原子吸收光谱法通则冶金产品化学分析分光光度法通则GB/T17433—1998
冶金产品化学分析基础术语
本标准铜量的测定、砷量和铋量测定、氧化镁量的测定、铅和锌量的测定方法中的附录A为提示的附录,锌量的测定方法中的附录A为标准的附录,附录B为提示的附录。本标准由中国有色金属工业标准计量质量研究所提出并归口。本标准由大冶有色金属公司、株洲冶炼厂负责起草。本标准由大冶有色金属公司、株洲冶炼厂、白银有色金属公司、江西铜业公司、沈阳冶炼厂起草。本标推起草单位和主要起草人见下表:分标准
金和银量的测定
铜量的测定
砷量和铋量的测定
三氧化二铝量的测定
硫量的测定
氧化镁量的测定
铅量的测定
锌量的测定
铅、锌量的测定
方法一
方法二
方法—
方法二
方法一
方法二
方法—
方法二
方法一
方法二
起草单位
大冶有色金属公司
沈阳冶炼厂
大冶有色金属公司
大冶有色金属公司
大冶有色金属公司
大冶有色金属公司
大冶有色金属公司
白银有色金属公司
白银有色金属公司
江西铜业公司
株洲冶炼厂
株洲冶炼厂
株洲冶炼厂
株洲冶炼厂
本标准委托全国有色金属标准化技术委员会负责解释。起草人
王永彬刘振东
张艳梅
朱立中
胡军凯
李玉琴
彭建军
李必雄
韩焕平
石镇泰
陈丽清
李晓玉
刘振东
胡军凯
朱立中
贾广化
钟翠兰
刘传仕
刘传仕
雷素函
周耀明
丰从新
刘振东
李玉琴
胡军凯
李必雄
彭建军
张云峰
贾广化
熊建平
刘新玲
刘新玲
向德磊
毛先军
1范围
中华人民共和国有色金属行业标准银精矿化学分析方法
氧化镁的测定
Methodsforchemicalanalysisof silverconcentratesDetermination of magnesium oxide content本标准规定了银精矿中氧化镁含量的测定方法。YS/T445.6—2001
本标准适用于银精矿中氧化镁含量的测定。测定范围:0.50%~5.00%。2方法提要
试料用盐酸、硝酸、氢氟酸、高氯酸溶解,在稀盐酸介质中,加入一定量的氯化锶抑制干扰元素,使用空气-乙炔火焰,于原子吸收光谱仪波长285.2nm处,测量氧化镁的吸光度,以标准曲线法计算氧化镁的含量。
3试剂
3.1盐酸(pl.19g/mL)。
3.2硝酸(pl.42g/mL)。
3.3氢氟酸(pl.15g/mL)。
3.4高氯酸(pl.67g/mL)。
3.5盐酸(1+1)。
3.6锶溶液:称取30.43g分析纯的氯化锶(SrCl2·6H,0)于250mL烧杯中,用水溶解后,移人500mL容量瓶中,此溶液1mL含20mg锶。3.7氧化镁标准贮存溶液:将氧化镁(≥99.99%)预先在600℃灼烧1h,置于干燥器中冷至室温。称取0.5000g氧化镁于250mL烧杯中,加少量水润湿,加20mL盐酸(3.5)溶解完全后,移人500mL容量瓶中,用水稀释至刻度,混匀。此溶液1mL含1mg氧化镁。3.8氧化镁标准溶液:移取20.00mL氧化镁标准贮存溶液于100mL容量瓶中,用水稀释至刻度,混匀。此溶液1mL含200氧化镁。
4仪器
原子吸收光谱仪,附镁空心阴极灯。在仪器最佳条件下,凡能达到下列指标者均可使用。灵度:在与测量溶液基体相一致的溶液中(燃烧转角90°),氧化镁的特征浓度应不大于0.411μg/mL。
精密度:用最高浓度的标准溶液测量10次吸光度,其标准偏差应不超过平均吸光度的1.0%;用最低浓度溶液(不是“零”标准溶液)测量10次吸光度,其标准偏差应不超过最高标准溶液平均吸光度的中国有色金属工业协会2001-05-21批准26
2001-09-01实施
YS/T445.6-2001
工作曲线线性:将工作曲线按浓度等分成五段,最高段的吸光度差值与最低段的吸光度差值之比不小于0.9。
原子吸收光谱仪的工作条件见附录A(提示的附录)。5试样
5.:1试样的粒度不大于0.082mm。5.2试样在100℃~105℃烘1h后,置于干燥器中冷至室温。6分析步骤
6.1试料
称取0.20g试样,精确至0.0001g。独立地进行两次测定,取其平均值。6.2空白试验
随同试料做空白试验。
6.3测定
6.3.1将试料(6.1)置于150mL聚四乙烯烧杯中,加人少量水润湿,加人10mL盐酸(3.1),置于电热板上低温处加热5min,加人5mL硝酸、5mL~10mL氢氟酸和5mL高氟酸加热溶解,蒸至高氮酸目尽白烟(如含碳高,补加SmL高氟酸),蒸至近干,取下冷却。6.3.2加人6mL盐酸(3.5),加少量水,加热使盐类完全溶解,取下冷却至室温。将溶液移人100mL容量瓶,用水稀释至刻度,混匀。6.3.3试液澄清后,按表1分取试液并补加盐酸于100mL容量瓶中,加人5mL锶溶液,用水稀释至刻度,混勾。
氧化镁质量分数,%
0.50~1.00免费标准下载网bzxz
>1.00~3.00
>3. 00~5.00
分取试液体积,mL
盐酸(3.5)补加量,mL
6.3.4使用空气-乙炔火焰于原子吸收光谱仪波长285.2nm处,燃烧器转角90°,以水调零,测量试液的吸光度,减去随同试料的空白试验溶液的吸光度,从工作曲线上查出相应的氧化镁浓度。6.4工作曲线的绘制
移取0,1.00,2.00,3.00,4.00,5.00,6.00mL氧化镁标准溶液分别置于一组100mL容量瓶中,加人6mL盐酸(3.5)、5mL锶溶液,用水稀至刻度,混匀。在与测量试液相同条件下,测量标准溶液的吸光度,减去零浓度溶液的吸光度,以氧化镁浓度为横坐标,吸光度为纵坐标绘制工作曲线。分析结果表述
按式(1)计算氧化镁的质量分数:w(MgO) = .V。 V,X 10--
式中;w(MgO)-一氧化镁的质量分数,%;X 100
一自工作曲线上查得的试液的氧化镁浓度,g/mL;V。试液的总体积,mL;
YS/T445.6-2001
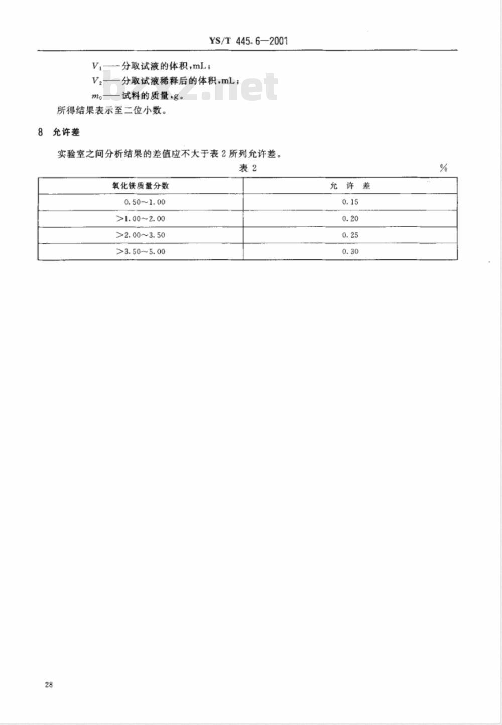
V,一分取试液的体积,mL;
V,—分取试液稀释后的体积,mL;mo
试料的质量·名。
所得结果表示至二位小数。
允许差
实验室之间分析结果的差值应不大于表2所列允许差。表2
氧化镁质量分数
0.50~1.00
>1.00~2.00
>2.00~3.50
>3.50~5.00
允许差
YS/T445.6—2001
附录A
(提示的附录)
仪器工作条件
日本岛津AA-640-13型原子吸收光谱仪工作条件参数如表A1表A1
灯电流
观测高度
光谱通带
空气流量
乙快流量
小提示:此标准内容仅展示完整标准里的部分截取内容,若需要完整标准请到上方自行免费下载完整标准文档。