首页 > 农业行业标准(NY) > NY/T 782-2004 黄山毛峰茶
NY/T 782-2004

基本信息

标准号: NY/T 782-2004

中文名称:黄山毛峰茶

标准类别:农业行业标准(NY)

标准状态:现行

发布日期:2004-04-16

实施日期:2004-06-01

出版语种:简体中文

下载格式:.rar.pdf

下载大小:150781

相关标签: 毛峰茶

标准分类号

标准ICS号:食品技术>>茶、咖啡、可可>>67.140.10茶

中标分类号:食品>>饮料>>X55茶叶制品

关联标准

出版信息

出版社:中国农业出版社

页数:6页

标准价格:10.0 元

出版日期:2004-05-01

相关单位信息

起草人:顾家雯、杨庆、黄利义、周坚等

起草单位:黄山市农业委员会、安徽省农业委员会农业局等

提出单位:中华人民共和国农业部

发布部门:中华人民共和国农业部

标准简介

本标准规定了黄山毛峰茶的术语和定义、要求、试验方法、检验规则、标志与包装、运输与贮存。本标准适用于黄山毛峰茶。 NY/T 782-2004 黄山毛峰茶 NY/T782-2004 标准下载解压密码:www.bzxz.net

标准图片预览

NY/T 782-2004 黄山毛峰茶
NY/T 782-2004 黄山毛峰茶
NY/T 782-2004 黄山毛峰茶
NY/T 782-2004 黄山毛峰茶
NY/T 782-2004 黄山毛峰茶

标准内容

ICS 67.140.10
中华人民共和国农业行业标准
NY/T782-2004
黄山毛峰茶
2004-04-16发布
2004-06-01实施
中华人民共和国农业部发布
本标准中中华人民共和利国农业部提出前言
NY/T782—2004
本标准起草单位:黄山市农业委员会,安徽省农业委员会农业局、安徽省农业科学院茶叶研究所、黄山市质量技术监督局
本标准主要起草人:顾家雯、杨庆、黄利义、周坚、主电青、昌志东1范围
黄山毛峰茶
NY/T782-2004
本标准规定了黄山毛峰茶的术语和定义、要求、试验方法、检验规则、标志、标签、包装、运输和员存
本标准适用于黄山毛峰茶
2规范性引用文件
下列文件中的条款道过本标准的引用而成为本标准的条款,凡是注日期的引用文件,其随后所有的修改单(不包括勘误的内容)或修订版均不适用于本标准,然而,鼓励根据本标准达成协议的各方研究是否可使用这些文件的最新版本。凡是不注日期的引用文件,其最新版本适用于本标准GB191包装储运图示标志
食品中铅的测定方法
GB/T 5009.12
GB/T 5009.13
GB/T 5009.19
GB/T 5009.20
GB7718
食品中铜的测定方法
食品中六六六、滴滴沸残留量的测定方法食品中有机磷农药残留量的测定方法食品标签道用标准
GB/T8302
GB/T8304
GB/T8305
GB/T8306
G3/T8310
GB/T8311
GB/114487
GB14876
水分测定
水浸出物测定
总灰分测定
粗纤维测定
粉末和碎茶含量测定
茶叶感官审评术语
食品中甲胺磷利乙酰甲胺磷农药残留量的测定方法GB/T17332
食品中有机氯和拟除虫菊酯类农药多种残留的测定方法无公害食品茶叶
NY5244
SB/T10035
茶叶销售包装通用技术条件
SB/T 10157
3术语和定义
茶叶感官审评方法
下列术语和定义适用于本标准。3.1
黄山毛峰茶
以生产于黄山市特定白然环境条件下的优良茶树品种的幼嫩芽叶为原料加工而成的名优绿茶。3.2
金黄片
特级一等鲜叶带有鱼叶、鱼叶经加工届成金黄色,俗称金黄片4要求
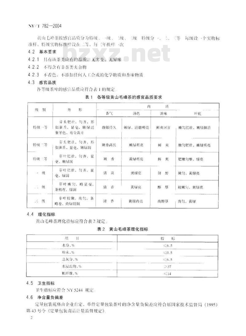
4.1分级
NY/T782-2004
黄山毛蜂茶按感官品质分为特级,·级,级,级特级分,、、气等级设一个实物标准样、特级实物标准样设在等,每年换样次4.2基本要求
4.2.1具其有该茶类应有的品质,无劣变,尤异味4.2.2不得含有非茶类爽杂物
4.2.3不着色,不添加任何人工合成的化学物质和香味物质4.3感官品质
各等级茶叶的感宜品质应符合表1的规定表1各等级黄山毛峰茶的感官品质要求级别
特级等
特级一等
特级等
芽头肥壮、勾齐,形
似雀舌、显意,嫩绿泛
象牙色,有金黄片
芽头肥壮,勾齐,形
似雀舌,显笔:嫩绿润
芽叶肥壮,勾齐,显
,嫩绿润
芽叶肥壮,勾齐、显
毫,绿润
芽叶嫩匀、略显蜜
条稍弯,绿润
芽叶较嫩,尚勾、条
略卷,尚绿较润
4.4理化指标
馥郁持久
嫩香高长
黄山毛峰茶理化指标应衍合表2规定汤色
嫩绿,清澈明亮
嫩绿明亮
黄绿明亮
黄绿亮
黄绿亮
黄绿尚亮
表2黄山毛峰茶理化指标
水分,%
粉未,%
总灰分,%
水没出物,%
粗纤维,%
4.5卫生指标
卫生指标应符合VY5244规定
4.6净含量负偏差
鲜爽回H
尚醇厚
嫩匀肥壮,嫩绿鲜活
嫩匀肥壮,嫩绿明亮
肥嫩匀,绿充
嫩匀,黄绿亮
较嫩勺、黄绿亮
尚勾,黄绿
定量包装规格山企业自定,单件定量包装茶叶的净今量负偏差应符合原国家技术监督局(1995)第43号令《定量包装商品计量监督规定》2
5试验方法
5.1取样
按GB/T8302规定执行
5.2感官品质检验
按GB/T14487租SB/T10157规定执行5.3理化指标检验
5.3.1水分检验,按GB/T8304规定执行。5.3.2水浸出物检验,按(GB/T8305规定执行5.3.3总灰分、按(G3/I8306规定执行、5.3.4粗纤维检验,按GB/T8310规定执行5.3.5粉末,按GB/T8311规定执行5.4卫生指标检测
5.4.1铅检测,按GB/T5009.12规定执行。5.4.2铜检测,按GB/T5009.13规定执行。5.4.3六六六、滴滴递检测,按GB/15009.19规定执行。NY/T 782—2004
5.4.4三氯杀螨醇、氰戊菊酯、联苯菊酯、氯氰菊酯和溴氰菊酯检测,按GB/T17332规定执行。5.4.5甲胺磷、乙酰中胺磷检测,按(GB14876规定执行。5.4.6乐果、敌敌畏、杀螺硫磷和喹硫磷检验,按GI3/T5009.20规定执行。5.5净含量检测
按《定量包装商品计量监督规定》执行。5.6包装标签检验
按GB7718规定执行。
6检验规则
6.1产品应以批(唛)为单位,同批(唛)产品的品质规格和包装应一致。6.2出厂检验
6.2.1出厂检验内容为感官品质、水分、粉末、净含量和包装标签6.2.2每批产品出厂时、均需进行出厂检验,出厂质检部门检验合格,签发产品质量合格证,方可i厂。
6.3型式检验
6.3.1型式检验是对本标准规定的全部要求进行检验6.3.2型式检验在下列情况之一下进行:a)企业首次批量生产前:
b)原料、下艺、机具有较大改变,可能影响产品质量时;c)国家质量监督机构提出型式检验要求时6.4判定规则
6.4.1凡劣变、有污染、有异味或卫生指标有项不合格的产品,均判为不合格产品6.4.2除卫生指标外,理化指标有一项不合格或感官品质不符合规定级别的、应在原批产品中加倍抽取样本复检、复检中仍不符合标准要求的,则判该批为不合格产品3wwW.bzxz.Net
NY/T782—2004
3对检验结果有争议的:应对留存样进行复检,或在同批(唛)产品中重新按(T8302规定6.4.3
加倍抽样重新相样应用争议双方公同进行,对有争议项旧进行复检,以复检结果为准7标志、标签
7.1包装标签应符合GB7718规定
7.2运输包装箱的图示标志应符合GB191的规定8包装、运输、存
8.1包装
8.1.1包装材料应干燥、清洁、无异气味,安全卫牛。8.1.2接触茶叶的包装材料应符合SB/T10035的规定8.1.3包装要牢固、防潮、整洁、能保护茶叶品质、便于装卸、仓储和运输8.2运输
运输工具应清洁、十燥、无异味、无污染;运输时应防潮、防雨、防暴晒;装卸时轻装轻卸,防重压,严禁与有毒、有异气味、易污染的物品混装混运。8.3贮存
8.3.1茶叶应贮存于清洁、下燥、阴凉、无气味的专用仓库中,仓库周围应无异气味污染8.3.2贮存仓库不得使用化学合成的杀虫剂、灭鼠剂及防霉剂。8.3.3在本标准规定的运输、贮存条件下,黄山毛峰茶的保质期不得低于12个月。
小提示:此标准内容仅展示完整标准里的部分截取内容,若需要完整标准请到上方自行免费下载完整标准文档。