首页 > 国家标准(GB) > GB/T 18665-2008 地理标志产品 蒙山茶
GB/T 18665-2008

基本信息

标准号: GB/T 18665-2008

中文名称:地理标志产品 蒙山茶

标准类别:国家标准(GB)

标准状态:现行

发布日期:2008-06-17

实施日期:2008-12-01

出版语种:简体中文

下载格式:.rar.pdf

下载大小:509124

相关标签: 地理 标志 产品 山茶

标准分类号

标准ICS号:食品技术>>茶、咖啡、可可>>67.140.10茶

中标分类号:食品>>饮料>>X55茶叶制品

关联标准

替代情况:替代GB 18665-2002

出版信息

出版社:中国标准出版社

页数:16页

标准价格:16.0 元

计划单号:20065034-T-469

出版日期:2008-12-01

相关单位信息

首发日期:2002-03-05

起草人:杨天炯、杨显良、闵国玉、杨红、夏家英、李廷松、陈吉学、胡庆林、黄文林、龙开军

起草单位:四川省雅安市名山质量技术监督局、四川省雅安市名山县蒙山茶地理标志产品保护办公室等

归口单位:全国原产地域产品标准化工作组

提出单位:全国原产地域产品标准化工作组

发布部门:中华人民共和国国家质量监督检验检疫总局 中国国家标准化管理委员会

主管部门:国家标准化管理委员会

标准简介

本标准规定了蒙山茶地理标志产品的地理标志产品保护范围、术语和定义、产品分类、要求、试验方法、检验规则、标志、标签及包装、运输、贮存。本标准适用于国家质量监督检验检疫行政主管部门根据《地理标志产品保护规定》批准保护的蒙山茶。 GB/T 18665-2008 地理标志产品 蒙山茶 GB/T18665-2008 标准下载解压密码:www.bzxz.net

标准图片预览

GB/T 18665-2008 地理标志产品 蒙山茶
GB/T 18665-2008 地理标志产品 蒙山茶
GB/T 18665-2008 地理标志产品 蒙山茶
GB/T 18665-2008 地理标志产品 蒙山茶
GB/T 18665-2008 地理标志产品 蒙山茶

标准内容

ICS 67.140. 10
中华人民共和国国家标准
GB/T18665—2008
代替GB18665--2002
地理标志产品
蒙山茶
Product of geographical indication--Mengshan tea2008-06-17发布
中华人民共和国国家质量监督检验检疫总局中国国家标准化管理委员会
2008-12-01实施
GB/T18665—2008
本标准根据《地理标志产品保护规定》与GB17924—1999《原产地域产品通用要求》制定。本标准代替并废止GB18665—2002《蒙山茶》。本标准与GB18665-2002相比主要变化如下:将标准由强制性改为推荐性;
根据《地理标志产品保护规定》,修改标准名称和相关表述;修改了卫生指标,直接采用GB2762《食品中污染物限量》和GB2763《食品中农药最大残留限量》(见6.7);
删除了裁培技术内容,直接采用NY/T5018《无公害食品茶叶生产技术规程》(见6.3.3);增加对各产品感官品质的总体要求(见6.5);提高了理化指标中的水分和粉末的指标水平(见6.6)。本标准的附录A为规范性附录,附录B为资料性附录。本标准由全国原产地域产品标准化工作组提出并归口。本标准起草单位:四川省雅安市名山质量技术监督局、四川省雅安市名山县蒙山茶地理标志产品保护办公室、四川省雅安市名山县茶叶研究所、四川省名山县禹贡蒙山茶叶有限资任公司、四川省名山县蜀名茶场、四川茗山茶叶有限公司。本标准主要起草人:杨天炯、杨显良、闵国玉、杨红、夏家英、李廷松、陈吉学、胡庆林、黄文林、龙开军。
本标准所代替标准的历次版本发布情况为:GB18665--2002
1范围
地理标志产品
蒙山茶
GB/T18665-2008
本标推规定了蒙山茶地理标志产品的地理标志产品保护范围、术语和定义、产品分类、要求、试验方法、检验规则、标志、标签及包装、运输、贮存。本标准适用于国家质量监督检验检疫行政主管部门根据《地理标志产品保护规定》批准保护的蒙山茶。
2规范性引用文件
下列文件中的条款通过本标准的引用而成为本标准的条款。凡是注日期的引用文件,其随后所有的修改单(不包括勘误的内容)或修订版均不适用于本标准,然而,鼓励根据本标准达成协议的各方研究是否可使用这些文件的最新版本。凡是不注日期的引用文件,其最新版本适用于本标准。GB/T191包装储运图示标志
GB2762食品中污染物限量
GB2763食品中农药最大残留限量GB7718预包装食品标签通则
GB/T8302茶取样
GB/T8304茶水分测定(GB/T8304—2002,eqvISO1573:1980)GB/T8306茶总灰分测定(GB/T8306—2002,cqvISO1575.1987)GB/T8311茶粉末和碎茶含量测定茶树种苗
GB11767
NY/T787茶叶感官审评通用方法
NY/T5018无公害食品茶叶生产技术规程NY5020无公害食品茶叶产地环境条件SB/T10035茶叶销售包装通用技术条件国家质量监督检验检疫总局令[2005]第75号《定量包装商品计量监督管理办法》3地理标志产品保护范围
蒙山茶的地理标志产品保护范围限于国家质量监督检验检疫行政主管部门根据《地理标志产品保护规定》批准的范围,见附录A。4术语和定义
下列术语和定义适用于本标准。4.1
蒙山茶Mengshantea
在国家批准的地理标志产品保护范围内种植的,采用传统工艺与现代先进技术相结合加工而成的,具有特定品质的茶叶。
5产品分类
5.1特色名茶
蒙顶黄芽、蒙顶石花、蒙顶甘露、蒙山毛峰、蒙山春露茶1
GB/T18665—2008
5.2绿茶
蒙山烘青绿茶、蒙山炒青绿茶、蒙山蒸青绿茶。5.3花茶
蒙顶甘露花茶、蒙山毛峰花茶、蒙山香茗花茶与各级花茶等。6要求
6.1地理环境
蒙山茶产地三面环山,形若“U”字,其间有一分水岭,将其分割为氓江流域和青衣江流域两部分。坪岗交错,溪谷纷呈,为川西老冲积地之一。地貌以平坝丘陵为主,仅在地域边缘有低山分布:蒙顶山林木丰茂,莲花山层峦迭蟑,总岗山连绵起伏,三山环绕,形成辖区的天然屏障;河流皆源出本境,源短流小;境内土层深厚,酸性微酸性土壤占70%以上,森林覆盖率达44%以上。优良的地理环境适宜发展茶叶生产。产地环境应符合NY5020的要求。6.2气候特点
蒙山茶产地属中纬度亚热带湿润气候,年平均气温15.5℃,大于或等于10℃的年积温4772.5℃,无霜期298d,年均降雨量1519.9mm,蒸发量1029.6mm,年平均相对湿度82%,年平均日期1035.5h,为低光辐射区,气候温和,雨量充沛,四季分明,为茶树的生长和有益内含物质的形成提供了得天独厚的气候条件。
6.3茶树栽培
6.3.1茶树品种
应符合GB11767。以蒙山群体种选育出的名山白毫131、名山早311、名山特早芽213、蒙山9号、蒙山11号、蒙山16号、蒙山23号等国家级、省级茶树优良品种为蒙山茶主栽品种。6.3.2土壤要求
砂、粘适中的壤土,土层深度35cm以上,pH值4.0~6.5之间,有机质含量1.5%以上,全氮0.10%以上,水解性氮100mg/kg以上,速效磷10mg/kg以上,速效钾80mg/kg以上。土壤中的重金属含量应符合NY5020的要求。
6.3.3栽培技术
裁培技术应符合NY/T5018的要求。6.3.4采摘技术
采摘技术参见附录B。
6.4工艺流程
6.4.1蒙顶黄芽工艺流程
鲜叶摊放→杀青→摊凉→炒二青→包黄→炒三青—堆黄→四炒→于燥提毫→烘干→整理→拼配-烘焙提香→定量装箱人库。
6.4.2蒙顶石花工艺流程
鲜叶摊放→杀青一→摊凉→炒二青→摊凉→干燥提旁→烘干→整理→拼配→烘焙提香→定量装箱人库。
6.4.3蒙顶甘露(蒙山毛峰、蒙山春露)工艺流程鲜叶摊放→杀青→摊凉→头揉→炒(烘)二青→摊凉→二揉→干燥(炒或烘)→做形提旁→烘干整理→拼配→烘焙提香→定量装箱人库。6.4.4烘青工艺流程
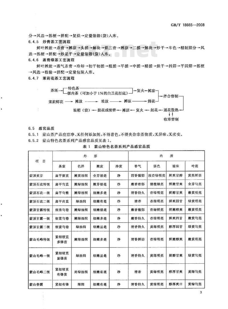
鲜叶摊放→杀青→摊凉→头揉→解块→烘二青→摊凉-→二揉→解块→初烘→摊凉→复烘→精制筛2
分→风选→栋梗→+拼配→复烘→定量装箱(袋)入库。6.4.5炒青茶工艺流程
GB/T18665---2008
鲜叶摊放→杀青→摊凉→头揉→解块→烘二青→摊凉→二揉→解块→炒干→车色→精制筛分一风选→栋梗→拼配→炒足千→定量装箱(袋)人库。6.4.6蒸青绿茶工艺流程
鲜叶摊放→蒸气杀青→冷却一→初干初揉→粗揉→平揉→中揉→精揉→烘干→抖筛→平园筛→栋梗→风选→检验→拼配一→定量包装人库。6.4.7茉莉花茶工艺流程
茶坏特色茶
一级内茶(可加小于1%的白兰花打底)-茉莉鲜花
6.5感官品质
一摊放
—复火摊凉-
一拌合客制
一筛花-
装箱(袋)—提花或续客——摊凉复火—起花—通花散热—收堆客制
6.5.1蒙山茶产品应洁净、无任何添加剂,不得着色,不得夹杂非茶物质,无异味,无劣变。6.5.2蒙山特色名茶系列产品感官品质见表1。表1蒙山特色名茶系列产品感官品质外
蒙顶黄芽
蒙顶石花特级
蒙顶石花一级
蒙顶石花二级
蒙顶甘露特级
蒙顶甘露一级
蒙项甘露二级
蒙山毛峰特级
蒙山毛峰一级
蒙山毛蜂二级
蒙山春露
扁平挺直
扁平勾直
扁平匀整
扁平尚直
细秀匀卷
细紧勾卷
细紧勾卷
紧细较直
多锋苗
紧细较直
显锋苗
紧细较直
有锋苗
紧细有锋
嫩黄油润
嫩绿油润
嫩绿油润
绿油润
嫩绿油润
嫩绿油润
绿油润
嫩绿油润
绿油润
尚绿油润
全芽坡旁
嫩芽银旁
细嫩多毫
细嫩有旁
细嫩银旁
细嫩多牵
细嫩显旁
细嫩多旁
细嫩显毫
细嫩有衰
细嫩有毫
甜香馥郁
嫩香浓郁
清香持久
嫩香馥郁
嫩香持久
清香持久
清香鲜洁
清香持久
清香持久
浅杏绿明亮
清澈绿亮
查绿明亮
杏绿明亮
杏绿鲜亮
查绿明亮
黄绿明亮
杏绿明亮
黄绿明亮
黄绿明亮
黄绿明亮
鲜爽甘醇
鲜嫩甘爽
鲜醇甘爽
鲜爽回甘
鲜嫩醇爽
鲜爽回甘
醇厚回甘
鲜嫩醇爽
鲜醇甘爽
醇厚甘爽
醇厚爽口
黄鲜活
全芽匀亮
嫩黄明亮
绿黄明竞
嫩黄明亮
嫩黄匀亮
绿黄匀亮
嫩黄明亮
绿黄勾亮
黄绿匀亮
黄绿匀亮
GB/T186652008
蒙山特色茉莉花茶系列产品感官品质见表2。表2
蒙山特色茉莉花茶系列产品感官品质项目
蒙顶甘露花茶
蒙山毛峰花茶
蒙山香茗花茶
细紧显锋
苗有毫
紧细有锌
苗带毫
紧细有
黄绿润
黄绿尚润
黄绿尚润
蒙山烘青绿茶系列产品感官品质见表3。净度
鲜灵持久
鲜灵浓郁
鲜浓持久
绿黄明亮
绿黄明亮
绿黄明亮
表3蒙山烘青绿茶系列产品感官品质项目
紧细有毫
紧细带旁
尚稍实
稍粗松
尚匀整
尚匀整
欠勾整
欠勾整
绿尚润
绿稍润
稍枯黄
稍有嫩茎
有嫩茎
显嫩梗
稍有朴片
有梗朴片
多梗朴片
蒙山炒青绿茶系列产品感官品质见表4。香气
黄绿明亮
黄绿尚亮
黄绿稍亮
黄稍暗
表4蒙山炒青绿茶系列产品感官品质项目
紧细有锋苗
紧实有锋苗
尚紧实
尚勾整
尚匀整
欠匀整
欠勾整
绿尚润
绿稍润
稍枯黄
稍有嫩茎
有嫩茎
显嫩茎
有嫩梗片
有梗朴片
显梗朴片
带栗香
有粗气
黄绿明亮
黄绿尚充
黄绿明
绿黄尚明www.bzxz.net
绿黄稍暗
鲜爽回甘
鲜浓甘醇
稍粗淡
浓尚醇
稍粗淡
绿黄明亮、
芽叶较完整
绿黄明亮、
芽叶较完整
黄绿明亮、
芽叶较完整
黄绿细
嫩明亮
嫩匀绿亮
绿尚嫩明
欠绿充
黄绿稍暗
黄绿粗硬
细嫩黄绿
绿嫩明亮
黄绿尚嫩
黄绿欠嫩
稍摊张
黄绿有摊张
黄绿粗老
蒙山蒸青绿茶系列产品感官品质见表5。6.5.6
表5蒙山蒸青绿茶系列产品感官品质项目
挺秀松针形,
多嫩芽
紧直松针形
嫩芽显露
松针形,
稍有嫩芽
松针形,
夹长条
松针形,
稍扇直
带松针形,
稍扁直
夹狭长条
尚匀整
深绿鲜明
稍有嫩茎
有梗片
筋梗片
黄朴片
有朴片梗
黄朴片
蒙山茉莉花茶系列产品感官品质见表6。表6
紧细显锋苗
紧直有锋苗
尚紧略直
稍松带块
松扁轻累
理化指标
句净度
稍有嫩茎
有嫩茎
显嫩茎
有茎梗
有硬梗朴片
多梗朴片
清香鲜嫩
尚持久
尚清香
粗青气
浓醇爽口
尚浓醇
带背涩
蒙山荣莉花茶系列产品感官品质形
绿润、花干白色
绿尚润、花干黄白色
尚绿润、花干黄白色
黄绿欠润、花干黄白色
绿黄稍暗、花干黄白色
绿黄稍枯、花干黄色
蒙山特色名茶、特种莱莉花茶理化指标见表7。香气
鲜灵持久
尚鲜浓
浓醇鲜爽
浓醇尚鲜
尚醇和
蒙山特色名茶、特种茉莉花茶理化指标项
蒙山特色名茶
蒙山特种莱莉花茶
水分/%
总灰分/%
粉末/%
GB/T18665—2008
绿明亮
绿明亮
黄绿明竞
绿黄尚亮
绿黄尚明
绿黄稍明
黄稍暗
嫩匀多芽
鲜嫩明亮
嫩匀显芽
青绿明亮
嫩匀绿竞
柔软绿亮
绿匀明亮
尚匀黄绿
欠勾黄绿
稍粗老
黄绿稍暗
黄绿明充
细嫩有芽
黄绿明亮
细嫩柔软
黄绿尚充
尚嫩柔软
黄绿尚明
稍有摊张
黄绿稍暗
欠软较粗
黄绿带暗
较粗老
含花量/%
GB/T18665—2008
蒙山烘青绿茶、炒青绿茶、蒸青绿茶理化指标见表8。表8蒙山烘青绿茶、炒青绿茶、蒸青绿茶理化指标项
1级~3级
4级~5级
水分/%
蒙山茉莉花茶系列产品理化指标见表9。6.6.3
总灰分/%
表9蒙山茉莉花茶系列产品理化指标项
1级~2级
3级~5级
6.7卫生指标
水分/%
应符合GB2762和GB2763的规定。试验方法
感官品质
按NY/T787和蒙山茶实物标样执行。7.2理化指标
7.2.1水分:按GB/T8304的规定执行。7.2.2粉末:按GB/T8311的规定执行。7.2.3总灰分:按GB/T8306的规定执行。7.3卫生指标
按GB2762和GB2763的规定执行。8
检验规则
8.1组批
产品均以同批拼配茶为一批次。8.2抽样
按GB/T8302执行,取样量为400g。8.3检验分类
8.3.1出厂检验
总灰分/%
粉末/%
粉末/%
含花盘/%
正常情况下,应对标签、包装、感官指标、理化指标按标准规定进行检验,检验合格并附产品质量检验合格证方能出厂。
8.3.2型式检验
产品有下列情况之一时,应进行型式检验:a)原料来源变动较大时;
b)生产工艺有较大变更时;
正常生产一年;
d)国家监督抽查时。
8.4判定规则
GB/T18665—2008
8.4.1型式检验或出厂检验项目如有一项或一项以上不符合本标准,判该批产品不合格。8.4.2复检:对检验不合格批次,应对留样进行复检或在同批产品中按GB/T8302的规定重新抽样,对不合格项目进行复验,以复验结果为准。9标志、标签
9.1标志
运输包装箱的图示标志应符合GB/T191的规定。9.2标签
标签应符合GB7718的规定,获准使用地理标志产品专用标志资格的生产者,还应在受保护的地理标志产品上使用地理标志产品保护专用标志。10包装、运输、购存
10.1包装
10.1.1接触茶叶的包装材料应符合SB/T10035规定。10.1.2包装容器应清洁、干燥、无异味、无毒,不影响茶叶品质;包装要牢固、整洁,要能防潮和保护茶叶品质,便于装卸、仓储和运输。10.1.3包装计量:小包装净含量,整件包装计量偏差按国家质量监督检验检疫总局令[20057第75号《定量包装商品计量监督管理办法》执行。10.2运输
运输的各种交通工具应清洁、卫生、干燥、无异味;运输时应防雨、防潮、防曝晒;严禁与有毒、易污染物品混装、混运。
10.3贮存
成品茶应贮存在清洁卫生、干燥、防潮、无异味的库房。特色名茶、特色花茶要在保鲜库房内贮存,库房内应保持0℃~5℃的低温,相对湿度50%以下,定期检查茶叶的贮存情况。7
GB/T18665—2008
10303'45
0500°
碧蜂峡镇
陇西乡
1030345\
附录A
(规范性附录)
蒙山茶地理标志产品保护范围图10307’30*
jy建山
10307'30%
10311'15
103/1115
10315'00*
湖百支
解放务
车龄镇
洪雅县
10315'00~
10318'45
?潮泊
县政府驻地
乡镇驻地
103%18'45°
乡镇界
·地市界
10322'30
注:蒙山茶地理标志产品保护范围除包括四川省雅安市名山县全境外,还包括雅安市雨城区地处蒙山的碧峰峡镇的后盐村和陇西乡的龄西村和蒙泉村。图A.1蒙山茶地理标志产品保护范围图8
B.1特色名茶采摘
附录B
(资料性附录)
蒙山茶采摘技术
GB/T186652008
当茶园莲面上有3%~5%芽梢符合采摘标准时开采。黄芽、特级石花应采摘单芽作为原料,石花甘露、毛峰系列产品和春露茶应采摘一芽一叶以及一芽二叶初展的新梢作为原料,特色名茶鲜叶分级标准见表B.1。
蒙顶黄芽
蒙顶石花特级
蒙顶石花一级
蒙顶石花二级
蒙项甘露特级
蒙顶甘露一级
蒙项甘露二级
蒙山毛峰特级
蒙山毛蜂一级
蒙山毛峰二级
蒙山春露
绿茶的采摘
特色名茶鲜叶分级标准
一芽一叶初展
-芽二叶初展
一芽二叶
同等嫩度单片
对夹叶
采一芽二、三叶与同等嫩度的单片对夹叶,依据鲜叶的老嫩程度,分别为特级至五级鲜叶原料,绿茶鲜叶分级标准见表B.2。
2绿茶鲜叶分级标准
芽叶组成(重量)/%
一芽二、
同等嫩度
单片对夹叶
感官特征
芽叶鲜嫩、叶质、叶色鲜润
芽叶鲜嫩、叶质软、叶润
芽叶嫩、叶质尚软、叶尚润
芽叶新鲜、叶质欠软、叶欠润
茅叶尚新鲜、叶质稍硬、叶无劣变芽叶欠新鲜、叶质较硬、叶无劣变9
GB/T18665-2008
中华人民共和国
国家标准
地理标志产品蒙山茶
GB/T18665—2008
中国标准出版社出版发行
北京复兴门外三里河北街16号
邮政编码:100045
网址spc.net.cn
电话:6852394668517548
中国标准出版社秦皇岛印刷厂印剧各地新华书店经销
开本880×12301/16印张1字数20千字反2008年9月第一次印刷
2008年9月第一版
书号:155066:1-33140
如有印装差错由本社发行中心调换版权专有侵权必究
举报电话:(010)68533533
小提示:此标准内容仅展示完整标准里的部分截取内容,若需要完整标准请到上方自行免费下载完整标准文档。