首页 > 轻工行业标准(QB) > QB/T 1577-1992 工业用缝纫机绣花机机头
QB/T 1577-1992

基本信息

标准号: QB/T 1577-1992

中文名称:工业用缝纫机绣花机机头

标准类别:轻工行业标准(QB)

英文名称: Industrial sewing machine embroidery machine heads

标准状态:现行

发布日期:1992-08-31

实施日期:1993-04-01

出版语种:简体中文

下载格式:.rar.pdf

下载大小:191120

相关标签: 缝纫机 机头

标准分类号

中标分类号:轻工、文化与生活用品>>钟表、自行车、缝纫机>>Y17缝纫机

关联标准

出版信息

出版社:中国轻工业出版社

页数:6页

标准价格:10.0 元

出版日期:1993-04-01

相关单位信息

起草人:王永华、马汝沽、陈家联、何朝旭

起草单位:上海缝纫机一厂、武权服装机械厂、上海协昌缝纫机厂、国营第五一三厂

归口单位:全国缝纫机标准化中心

提出单位:轻工业部质量标准司

发布部门:中华人民共和国轻工业部

标准简介

本标准规定了绣花机机头的产品分类、技术要求、试验方法、检验规则及标志、包装、运输、贮存。本标准适用于缝绣薄料、中厚料缝纫制品用的绣花机机头(以下简称“机头”)。 QB/T 1577-1992 工业用缝纫机绣花机机头 QB/T1577-1992 标准下载解压密码:www.bzxz.net

标准图片预览

QB/T 1577-1992 工业用缝纫机绣花机机头
QB/T 1577-1992 工业用缝纫机绣花机机头
QB/T 1577-1992 工业用缝纫机绣花机机头
QB/T 1577-1992 工业用缝纫机绣花机机头
QB/T 1577-1992 工业用缝纫机绣花机机头

标准内容

中华人民共和国轻工行业标准
绣花机机头
工业用缝纫机
主题内容与适用范围
QB/T 1577—1992
本标准规定了绣花机机头的产品分类、技术要求、试验方法、检验规则及标志、包装、运输、贮存。本标准适用于缝绣薄料、中厚料缝纫制品用的绣花机机头(以下简称“机头”)。2引用标准
GB/T 2828
GB/T 2829
GB/T4515
QB/T 1177
QB/T 1178
ZBY 17004
ZBY 17023
3产品分类
3.1型式
逐批检查计数抽样程序及抽样表(适用于连续批的检查)周期检查计数抽样程序及抽样表(适用于生产过程稳定性的检查)线迹的分类和术语
工业缝纫机噪声级的测试方法
工业缝纫机振动的测试方法
缝纫机标志、包装、运输、贮存机头启动扭矩测试方法
缝纫机
本机系平板式机体,采用连杆挑线、卧式旋梭钩线、手动送料、形成301及304线迹(GB/T4515)。3.2基本参数
a.最高缝纫速度:不低于1700针/min;b.最大线迹宽度:不短于10mm;c.采用机针:GCX1型(SINGER16×231)NM65~~90;d.采用缝线:9.5~7.5tex/3~4(60~80s/3~4)棉线、19.5~18tex/2(30~32/2)棉绣花线或类似的丝线;
e.采用电动机功率:200~270W。3.3底板的安装尺寸应符合表1的规定。表1
长和宽相接圆角
4技术要求
4.1外观质量
基本尺寸
左端至铰链孔
铰链孔距
基本尺寸
4.1.1烘漆件表面应平整、色泽均匀,主要可见部位应无明显的流漆、起泡以及碰漆等缺陷。中华人民共和国轻工业部1992-08-31批准266
1993-04-01实施
QB/T1577-1992
4.1.2机头表面不应有锈斑、污渍,标牌应完整、位置正确,无明显划痕。4.1.3电镀件镀层表面应平整光滑、色泽一致,不应有漏镀、起皮、斑点、擦伤以及锈蚀缺陷。4.1.4发黑件表面应色泽均勾,不应有斑点、沉淀物、花斑以及擦伤缺陷。4.1.5机头外露零件及螺钉头部不应有毛刺。4.2机器性能
4.2.1最高缝纫速度应不低于1700针/min。4.2.2最大线迹宽度应不短于10mm,线迹宽度应能调节。4.2.3针线和梭线的张力应能调节。4.2.4针板拆装应方便,安装后的针板在平面方向应无明壁松动。4.2.5在最大针迹间宽度条件下,左、右针迹对针迹间宽度为零时的针基点对称度误差应不大于0.5mm。
4.2.6针迹间宽度为零时,相对针基点的机针位移量应不大于0.2mm。4.3缝纫性能
在表2规定的条件下,继纫性能应符合下列要求:a.不应有断针、断线、跳针现象;b.梭线不能露出缝料的上面。
4.4运转性能
4.4.1运转臻声
a以最商转速连续运转时,应无异常杂声;b.噪声声压级应不大于81dB(A)。4.4.2振动位移应不大于300起m
4.4.3启动扭短应不大于0.5Nm。4.5附件与备件
每台机头应附有使用说明书及附件与备件,附件与备件的品种及数量应符合使用说明书或装箱单的规定。
5试验方法
5.1外观质
本标准4.1条规定的外观质量,应在光照度为600士2001x的自然光线下,距离为300mm,用目测判定。
5.2机器性能
5.2.1本标推4.2.1条规定的最高缝纫速度,应用光电测速仪或其他非接触式测速仪进行测量。5.2.2本标准4.2.2条规定的最大线迹宽度和线迹宽度调节,应在表2规定的缝纫性能试验中检验。5.2.3本标准4.2.3条规定的针线和梭线的张力调节,应在表2规定的缝纫性能试验中检验。5.2.4本标准4.2.4条规定的针板拆装与安装要求,可按手感、目测判定。5.2.5本标准4.2.5条规定的左右针迹对针基点的对称魔误差,应按下述方法试验:a,以130g/m2道林纸作穿刺试验;b.针迹间宽度调节至最小,穿刺出针基点针迹;。针迹间魔度调节至最大,分别穿刺出左、右针迹!,用游标卡尺分别测量出左、右针迹至针基点针迹的蟹值;e.将两个量值相减,即得出对称度误差。5.2.6本标准4.2.6条规定的机针位移量,应按下述方法试验:a。针迹间宽度调节至最小,并使针杆处于上极限位置;267
QB/T1577-1992
b,在距针板上平面56mm处的针杆上用带有刀刃型触头的百分表测量;c.转动上轮,针杆下降至针尖距针板平面3mm处记录表中读数,然后继续转动上轮,则取针杆下降至下极限位置再回升至针尖距针板平面3mm运动过程中的差值;d。按上述方法连续测试三次,取其中最大差值即为机针位移量。5.3缝纫性能
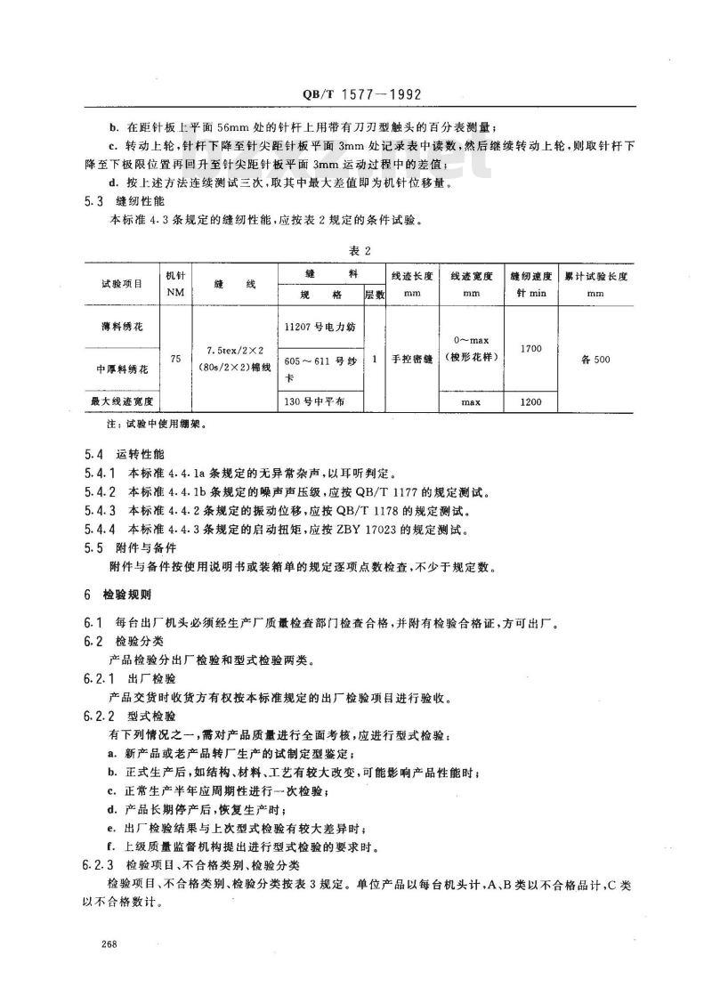
本标准4.3条规定的缝纫性能,应按表2规定的条件试验。表2
试验项目
海料绣花
中厚料绣花
最大线迹宽度
7. 5tex/2X2
(80s/2×2)棉线
注:试验中使用绷架。
5.4运转性能
11207号电力纺
605~611号纱
130号中乎布
线迹长度
手控密缝
5.4.1本标准4.4.1a条规定的无异常杂声,以耳听判定。线迹宽度
(梭形花样)
5.4.2本标准4.4.1b条规定的噪声声压级,应按QB/T1177的规定测试。5.4.3本标准4.4.2条规定的振动位移,应按QB/T1178的规定测试。5.4.4本标准4.4.3条规定的启动扭矩,应按ZBY17023的规定测试。5.5附件与备件
附件与备件按使用说明书或装箱单的规定逐项点数检查,不少于规定数。6检验规则
缝纫速度累计试验长度
针min
6.1每台出厂机头必须经生产厂质量检查部门检查合格,并附有检验合格证,方可出厂。6.2检验分类
产品检验分出厂检验和型式检验两类。6.2.1出厂检验
产品交货时收货方有权按本标准规定的出厂检验项目进行验收。6.2.2型式检验
有下列情况之一,需对产品质量进行全面考核,应进行型式检验:a.新产品或老产品转厂生产的试制定型鉴定;b.正式生产后,如结构、材料、工艺有较大改变,可能影响产品性能时;c。正常生产半年应周期性进行次检验,d.产品长期停产后,恢复生产时;e.出厂检验结果与上次型式检验有较大差异时;f.上级质量监督机构提出进行型式检验的要求时。6.2.3检验项目、不合格类别、检验分类mm
各500wwW.bzxz.Net
检验项目、不合格类别、检验分类按表3规定。单位产品以每台机头计,A、B类以不合格品计,C类以不合格数计。
外观质量
机器性能
缝纫性能
运转性能
附件与备件
6.3出厂检验规则
6.3.1样本的抽取
检验项目
QB/T1577---1992
不合格类别
薄料绣花
中厚料绣花
最大线迹宽度
样本应从提交的检查批中随机抽。6.3.2抽样方案及严格度
检验分类
正常检查一次抽样方案见表4,严格度的确定及其转移规则按GB/T2828的规定。表4
检查水平
抽样方案
不合格分类
单位样本检验项目
合格质量水平AQL
批量范围
1~25
26~150
151~1200
样本大小字码
6.3.3检查批合格或不合格的判断样本大小
正常检套一次抽样
一型式
QB/T 1577--1992
根据样本检查的结果,若在样本中发现的A、B类的不合格品数和C类的不合格数,分别均小于或等于对应的合格判定数A。,则判该检查批是合格批。若在样本中发现的A、B类的不合格品数和C类的不合格数有-一类大于或等于对应的不合格判定数R。,则判该检查批是不合格批。6.3.4检验后不合格品和批的处置订货方有权拒收合格批中在检查时发现的不合格品。判为不合格的批原则上全部退回供货方或由供货方与订货方协商解决。供货方在对不合格批进行百分之百检查的基础上,将发现的不合格品剔除或修理好以后,允许再次提交检查。
对于再提交检查的批,是使用正常检查还是加严检查,是检查所有项目还是仅仅检查造成批不合格的项目,均由订货方决定。
6.4型式检验规则
6.4、1样本的抽取
样本应从本周期制造的并经出厂检验合格的某个批或若于批中抽取,并要保证所得到的样本能代表本周期的制造技术水平。
6.4.2抽样方案
型式检验的二次抽样方案见表5,抽样时各个样本要同时取足。表5
判别水平
抽样方案
不合格分类
单位样本检验项数
不合格质量水平(RQL)
样本大小
6.4.3型式检验合格或不合格的判断Ae
次抽样
根据样本检查的结果,若在第-一样本中发现的A、B类的不合格品数和C类的不合格数,分别均小于或等于对应的第--合格判定数A,则判该型式检验合格。若在样本中发现的A、B类的不合格品数和(类不合格数有一类大于或等于对应的第一不合格判定数R。,则判该型式检验不合格。若在第样本中发现的不合格品数或不合格数,有一类或几类大于对应的第一合格判定数A,同时又均小于对应的第不合格判定数R,则抽第二个样本进行检查。若在第一和第二样本中发现的A类的不合格品数总和、B类的不合格品数总和及C类的不合格数总和,分别均小于或等于对应的第二合格判定数A.,则判该型式检验合格。若在第一和第二样本中发现的A类或B类的不合格品数总和或C类的不合格数总和有一类大于或等于对应的第二不合格判定数R。,则判该型式检验不合格。6.4.4型式检验后的处置
型式检验后的处置按GB/T2829中的第4.12条规定。7标志、包装、运输、贮存
7.1标志
7.1.1产品标志
机头上应标有下列标志:
群,制造厂名:
靓商标;
心。产品型号或标志;
d、制造日期(或编号)或生产批号。7.1.2外包装标志
按ZBY17004的规定。
包装、运输、贮存
按ZBY17004的规定。
附加说明:
本标准由轻工业部质量标准司提出。QB/T 15771992
本标准由全国缝纫机标推化中心归口。本标准由上海缝纫机一厂、武汉服装机械厂,上海协昌缝纫机厂、国营第五一三厂负责起草。本标准主要起草人王永华、马妆清、陈家联、何尴。271
小提示:此标准内容仅展示完整标准里的部分截取内容,若需要完整标准请到上方自行免费下载完整标准文档。