首页 > 国家标准(GB) > GB 18598-2001 危险废物填埋污染控制标准
GB 18598-2001

基本信息

标准号: GB 18598-2001

中文名称:危险废物填埋污染控制标准

标准类别:国家标准(GB)

英文名称: Hazardous waste landfill pollution control standard

标准状态:现行

发布日期:2001-01-02

实施日期:2002-07-01

出版语种:简体中文

下载格式:.rar.pdf

下载大小:466799

相关标签: 危险废物 填埋 污染 控制

标准分类号

标准ICS号:环保、保健与安全>>废物>>13.030.10固态废物

中标分类号:环境保护>>污染物排放标准>>Z70有毒害固体废弃物控制标准

关联标准

出版信息

出版社:中国标准出版社

页数:9页

标准价格:15.0 元

出版日期:2002-07-01

相关单位信息

首发日期:2001-12-18

复审日期:2004-10-14

起草单位:中国环境科学研究院固体所

归口单位:国家环境保护总局

提出单位:国家环境保护总局科技标准司

发布部门:国家环境保护总局

主管部门:环境保护部

标准简介

本标准规定了危险废物填埋的人场条件,填埋场的选址、设计、施工,运行、封场及监测的环境保护要求。 本标准适用于危险废物填埋场的建设、运行及监督管理。本标准不适用于放射性废物的处置。 GB 18598-2001 危险废物填埋污染控制标准 GB18598-2001 标准下载解压密码:www.bzxz.net

标准图片预览

GB 18598-2001 危险废物填埋污染控制标准
GB 18598-2001 危险废物填埋污染控制标准
GB 18598-2001 危险废物填埋污染控制标准
GB 18598-2001 危险废物填埋污染控制标准
GB 18598-2001 危险废物填埋污染控制标准

标准内容

ICs 13. 030. 10
中华人民共和国国家标准
GB18598-2001
危险废物填埋污染控制标准
Standard for pollution control on the security landfillsiteforhazardouswastes
2001-12-28发布
2002-07-01实施
国家环境保护总局
国家质量监督检验检疫总局
GB 185982001
为彻《中华人民共和国固体废物污染环境防治法》,防止危险废物填埋处置对环境造成的污染,制定本标推。
本标准对危险废物安全填埋场在建造和运行过程中涉及的环境保护要求,包括填埋物入场条件、填埋场选址、设计、施工、运行、封场及监测等方面作了规定。本标雅的附录A是标雄的录,
本标游由国案环境保扩总局科技标雄司提出本标由中国环境科学研究院固体废物污染控制技术研究所负责起草。本标准由国家环境保护总局于2001年11月26口批推。本标准由国家环境保护总局负责解释。本标摊为首次发布。
主题内容与适用范围
1.1 主题内容
危险废物填埋污染控制标准
GB 18598-2001
本标准规定了危险废物填埋的人场条件,填埋场的选址、设计、施工,运行,封场及监测的环境保护要求。
1.2适用范围
本标准适用于危险废物填理场的建设、运行及监督管理。本标准不适用于放射性皮物的处置。2引用标准
下列标准所含的条文,在本标准中被引用即构成本标准的条文,与本标准同效。GB/T4818地下水水质标准
危险废物鉴别标谁腐蚀性整别
GB 5085.1
GI5085.3危险废物鉴别标浸出毒性鉴别GB5086.1-~5086.2固体废物没出毒性没出力法GB8978污水综合排放标准
GI123481.业企业厂界噪声测量方法GT3/T15555.1~15555.12固体废物浸出每性测定方达GB15562.2环境保护图形标志固体废物堆放(填)场G1316297大气污染物综合排放标准当上述标准被修订时,应使用最新版本。3定义
3.1危险废物
列人国家危险废物名录或有根据国家规定的危险废物鉴别标准和鉴别方法认定具有危险特性的废物。
3.2填埋场
处置废物的一种陆地处置设施,它出若个处置单儿和构筑物组成,处置场有界限规定,主要包括废物预处理设施、废物填埋设施和渗滤液收集处设施。3.3相容性
某种危险废物同其他危险废物或填埋场中其他物质接触时不产生气林、热量,有害物质,不会燃烧或爆炸,不发生其他可能对填埋场产不利影响的反应利变化,3.4夫然基础层
填埋场防渗层的天然土层。
3.5防渗层
人工构筑的防止渗滤液进人地下水的隔水层,3.6双人工村层
GB18598—2001
包括两层人工合成材料村层的防渗层,其构成见附录A图1。3.7合衬层
包括一层人工合成材料衬层和一层天然材料衬层的防渗层,其构成见附录A图A.2。4填埋场场址选择要求
4.1填理场场址的选择应符合国家及地方城多建设总体规划要求,场址应处于一个相对稳定的区域,不会因自然或人为的因素而受到被坏。4.2填埋场场址的选择应进行环境影响评价,并经环境保护行政主警部门批准。4.3填埋场场址不应选在城市工农业发展规划区、农业保护区、自然保护区、风景名胜区、文物(考占)保护区、生活饮用水源保护区、供水远景规划区、矿产资源储备区和其他需要特别保护的区域内。4.4填埋场距飞机场、军事基地的距离应在3000m以1,4.5.填埋场场界应位于居民区800m以外,并保证在当地气象条件下对附近居民区大气环境不产生影啊。
4.6填埋场场址必须位于百年一遇的洪水标高线以上,并在长远规划中的水库等人工蓄水设施淹没区和保扩区之外,
4.7填埋场场址距地表水域的距离不应小于150m。4.8填埋场场址的地质条件应符合下列要求:a)能充分满足填埋场基础层的要求:b)现场或其附近有充足的粘土资源以满足构筑防渗层的需要;c)位于地下水饮用水水源地主要补给区范围之外,且下游无集中供水井,d)地下水位应在不透水层3m以下,否则,必须提高防渗设计标准并逊行环境影响评价,取得主管部门同意:
c)天然地层岩性相对均匀、渗透率低;f)地质构结构相对简单,稳定,没有断层。4.9填埋场场址选择应避开下列区域:破坏性地震及活动构造区:海啸及涌浪影响区:湿地和低洼汇水处;地应力高度集中,地面抬升或沉降速率快的地区;右灰熔洞发育带;废充矿区或塌陷区;崩塌,岩堆、滑坡区;山洪、泥石流地区:活动沙丘区;尚未稳定的冲积扇及冲沟地区;高压缩性淤泥、泥炭及软土区以及其他可能危及填埋场安全的区域。4.10填埋场场址必须有足够大的可使用面积以保证填埋场建成后具有10年或更长的使用期,在使用期内能充分接纳所产生的危险废物。4.11填埋场场址应选在交通方便、运输距离较短,建造和运行费用低,能保证填埋场正常运行的地区。5填埋物入场要求
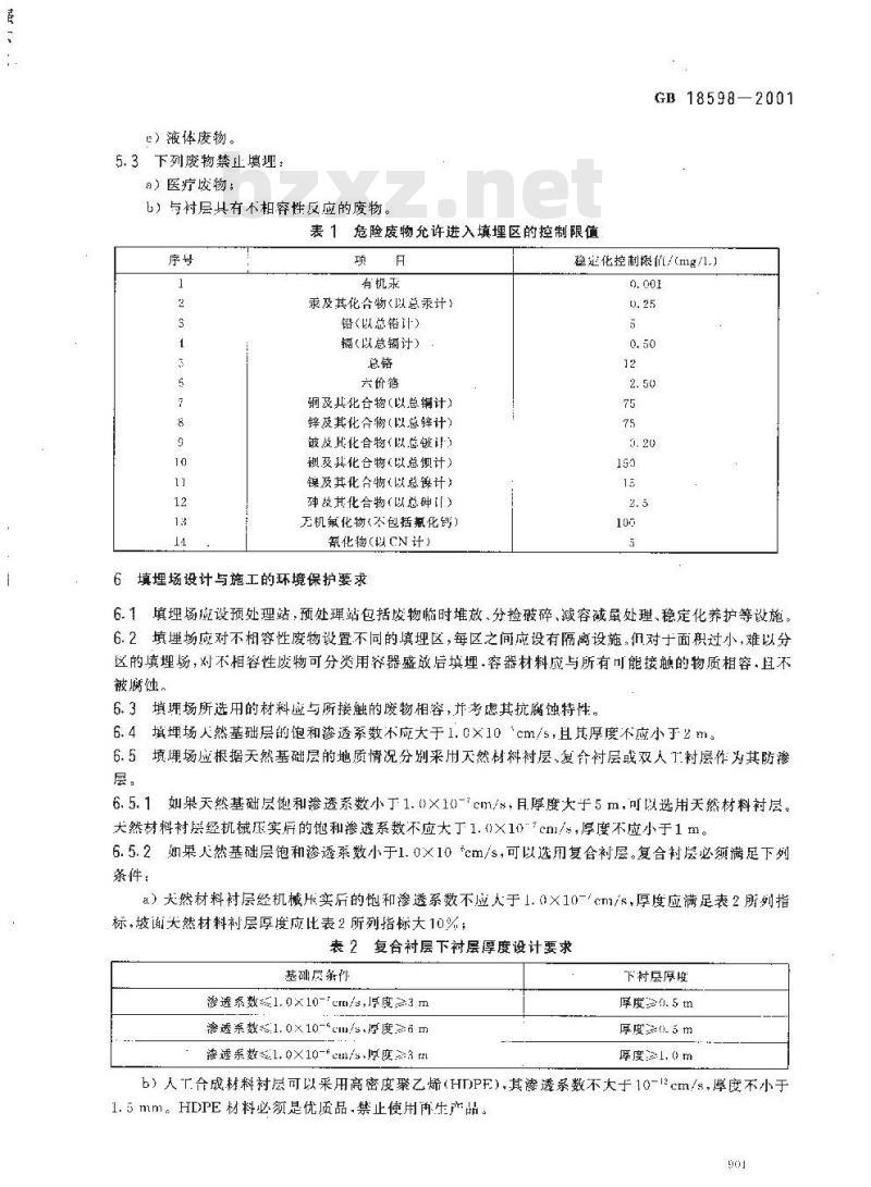
5.1下列废物可以直接入场填埋:a)根据GB5086和GB/T15555.1~15555.11测得的废物浸出液中有一种或一种以上有害战分浓度超过GB5085.3中的标准值并低于表1中的允许进人填埋区控制限值的废物:b)根据G35086和GB/T15555.12测得的废物漫出液pH值在7.0~12.0之问的废物。5.2下列废物需经预处理后方能人场填理:a)根据GB5086和GB/T15555.1~15555.11测得废物浸出液中任何一种有害成分度超过表1中允许进人填理区的控制限值的废物;h)根据GB5086和GB/T15555.12测得的废物浸出液pH值小于7.和人于12.0的废物,c)本身具有反应性、易燃性的废物;l)含水率高于85的废物;
E)液体废物。
5.3下列废物禁止填理:
a)医疗废物;
b)与衬层具有不相容性反应的废物。表1危险废物允许进入填埋区的控制限值序号
有机汞
汞及其化合物(以总汞计)
铅(以总铅计)
辐(以总镉计):
铜及其化合物(以总铜计)
锌及其化合物(以总锌计
被及其化合物(以总铍计)wwW.bzxz.Net
锁及其化合物(以总钡计)
镍及其化合物(以总镍计)
砷改其化合物(以总砷训)
万机氟化物(不包括氟化钙)
氰化物(以CN计)
6填埋场设计与施工的环境保护要求GB 18598—2001
稳建化控制龈征t/(n1g/1.)
6.1、填场应设预处理站,预处理站包括发物临时堆效、分捡破碎、减容碱量处理、稳定化养护等设施。6.2填埋场应对不相容性废物设置不同的填埋区,每区之间应设有隔离设施,但对于面积过小,难以分区的填埋场,对不相容性废物可分类用容器盛放后填埋,容器材料应与所有可能接触的物质相容·且不被腐蚀。
6.3填理场所选用的材料应与所接触的废物相容,并考虑其抗腐蚀特性,6.4填埋场人然基础层的饱和渗透系数不应大于1.0×10cm/s,且其厚度不应小于2m。6.5填理场应根据天然基础层的地质情况分别来用天然材料衬层、复合衬层或双人7衬层作为其防渗层。
6.5.1如果天然基础层饱和渗透系数小于1.0×1<-cm/,月厚度大于5m,可以选用天然材料衬层。大然材料衬层经机械压实后的饱和渗透系数不应大丁1.0×10\cml/,厚度不应小于1m。6.5.2如果人然基础层饱和渗透系数小于1.0×10cm/s,可以选用复合衬层。复合衬层必须满足下列条件
a)大然材料衬层经机械压实后的饱和渗透系数不应人于1.0X10-cm/s,厚度应满足表2所列指标,坡询大然材料衬层厚度应比表2所列指标大10%;表2复合衬层下衬层厚度设计要求基础层条件
渗透系数线1.0×10-1cm/s,厚度≥3m渗透系数≤1.0×10-*cm/s厚度≥6m渗透系数≥1.0×10-\cm/s.厚度≥3ml下衬层厚度
厚度≥0.5m
厚度20. 5 m
厚度=1. ( m
b)人T.合成材料衬层可以采用高密度聚乙烯(HT)PF),其渗透系数不大于10-12cm/s,厚度不小于1.5mm。HL>PE材料必须是优质品.禁止使用再生产品。to
GB18598-2001
6.5.3如果人然基础层饱和渗透系数人于1.C×10cm/.则必须选用双人工衬层。双人工衬层必须满足下列条件:
a)天然材料衬层经机械压实后的透系数不大J1.0×10\cm/s.厚度不小于0.5m;b)1:人工合成衬层可以采用HDPE材料,厚度不小于2.0mm;)下人工个成衬层可以来用HIDFE材料,厚不小于1.0,衬层要求的其他指标同第5.5.2条,6.6填埋场必须设置渗滤液集排水系统、丽水集排水系统和集排气系统。各个系统在设计时采用的暴雨强度重现期不得低于51年,管网坡度不应小下2%:填埋场底部应以不小于2%的坡度坡向集排水管道。
采用犬然材料衬层或复合衬层的填埋场应设渗滤液主集排水系统,它包括底部排水层、集排水管6.7
道和集水升:卡集排水系统的集水井用于渗滤液的收集和排山。6.8采用双人工合成材料衬层的填理场除设置渗滤液士集排水系统外,还应设置辅助集排水系统,它包括底部排水层、坡面排水层、集排水管逆和集水井:辅助集排水系统的集水儿主要用作上人工合成衬层的渗漏蓝测。
6.9排水层的透水能力不应小于0.1m/s。6.10填埋场应设置雨水集排小系统,以收集、排出汇水区内可能流向填埋区的雨水,上游雨水以及未填埋区域内未与废物接触的厢水,雨水集排水系统排出的雨水不得与渗滤液混排。6.11填理场设暨集排气系统以排出填理废物中可能产生的气体。6.12填埋场必须设有渗滤液处理系统,以使处理集排水系统排出的渗滤液,6.13填埋场周围应设置绿化隔离带,其宽度不应小于10m。6.14填埋场施L前应编制施.工质量保证书并获得环境保护士管部门的批准,施工中应严格按熙施工质量保证书中的质量保证程序进行6.15在逊行大然材料村层施工之前,要通过现场施工试验确定合适的施工机械.乐实方法、压实控制参数及其它处理措施,以论证是否可以达到设计要求,同时在施工过程中要进行现场施工质量检验,检验内容与频率应包拆在施设计[中6.16人工合成材料衬层在铺设时应满足下列条件:a)对人工合成材料应检查指标合格后才川铺设,铺设时必须平坦,无皱折;b)在保证质量条件下,焊缝尽量少;c)在坡面.上铺设衬层,不得出现水平缝:l)底部衬层应避免埋设乘百穿孔的管道或其他构筑物:e)边坡必须锚固锚固形式和设计必须满足人工合成材料的受力安全要求,f)边坡与底面交界处不得设角焊缝,角焊缝不得跨过交界处。6.17在人工合成材料衬层在铺设、焊接过程中和完成之后必须通过日视,非破坏性和破坏性测试检验施工效果,并泄过测试结果控制施工质景,7填埋场运行管理要求
7.1在填埋场投入运行之前·要制定一个运行计划。此计划不但要满常规运行,而且要提出应急施,以便保证填场的有效利用和环境安全、7.2填埋场的运行应满足下列基木要求:a)人场的危险废物必须符合本标准对废物的入场要求:b)散状废物入场店要逃行分层压,每层厚度视填埋穿量和场地情况而定;r)填理场运行中应进行每日凝盖,并视情况进行中间爱盖:d)应保证在不同季节气候条件下,填埋场进出「I道路通畅;902
)填埋工作而应尽川能小.使其得到及时覆盖:)废物堆填表面要维扩最小坡度·一般为:3(乖点:水乎);)通向填埋场的道路应设栏杆和大门加以控制;GB 18598-2001
h)必须设有醒月的标志牌,指示正确的交通路线.标息牌应满足GB【5562.2的要求;i)每个上作日都成有填圳场运行情况的记录,应记录设备上艺控制参数.人场废物来源、种类、数尿:废物填埋位置及坏境监测数据等;)运行机械的功能要适应废物压实的要求,为了防正发生机械故障等情况,必须有备用机械;k)危险度物安金填理场的运行不能暴露在露天进行,必须有遮雨设备,以防止雨水与未进行最终覆盖的废物接触;
1)填理场运行管理人员,应参加环保管理部门的岗位培训,合格后上岗。7.3危险废物安个填理场分区原则7.3.1可以使每个填埋区能在尽量短的时间内得到封闭。7.3.2使不相容的泼物分区填理。7.3.3分区的顺序应有利于废物运输和填埋。7.4填理场管埋单位应建立有关填埋场的个部档案:从废物特性、废物倾倒部位、场址选择、勘察、征地、设计.施工、运行管理、封场及药场管埋、监测直至验收等全过程所形成的一切文件资料,必须按国家档案管理条例进行整埋与保管,保证完整无缺。8填埋场污染控制要求
8.1严禁将集排水系统收集的渗滤液点接排放+必须对其迅行处理并达到G18978中第·类污染物最高允许排放浓度的要求及第二类污染物最高允许排放浓度标准要求后方可排放。8.2危险废物填埋场废物渗滤液第二类污染物排放控制项月为:PH值、悬浮物(SS)、五日生化需氧量(BOD,)、化学需筑量(CO).)、氨氨(NII-N)磷酸盐(以P计),8.3旗埋场渗滤液不应对地下水造成污染。填埋场地下水污染评价指标及其限值按照G13/T11848执行,
8.4地下水监测因丁应根据填埋皮物特性由当地环境保扩行政主管部门确定、必须具有代表性,能表示废物特性的参数。常规测定项目为:浊度PH值,可溶性固体、氯化物、硝酸盐(以计)、亚硝酸盐(以N计)氨氮、大杨朴菌总数,
8.5填埋场排出的气体应按照GB15297中无织排放的规定执行。监测因子应根据填埋废物特性由当地坏境保扩行攻主管部门确定,必须具有代表性,能表示废物特性的参数。8.6填埋场在竹业期间,噪控制应按照GB12348的规定执行9封场要求
9.1当填埋场处置的废物数量达到填埋场设计容量时,成实行填埋封场。9.2填埋场的最终覆盖层应为多层结构,应包括下列部分:)底层(兼作学气层):厚度不应小于m,倾斜度不小于2,由透气性好的颗粒物质组成:b)防渗层:大然材料防渗层厚度不应小于50c11,渗透系数不大于10‘cm/s:者采用复合防渗层,人工介成材料层厚度不应小丁1.(mm,天然材料层厚度不应小于30cm,其他设计要求同衬层相同;c)排水层及排水管网:排水层和排水系统的要求同底部渗滤液集排水系统相同,设计时采用的暴雨强度不应小于0年;
d)保护层:保护层厚度不应小于20cm。由粗砥性坚硬鹅卵不组成;e)梢被恢复层:植被层厚度般不应小于60cm,其土质应有利丁植物牛长和场地恢复:同时植被层的坡度不应超过33%。在段超过10%的地方须建避水平台阶;坡度小120%时,标高每升高3m,5:03
GB185982001
建造·个台阶;坡度大于20K时、标高每升高2m:建造·个台阶。台阶应有足够的宽度和坡度.要能经受暴雨的冲刷,
9.3封场后应继续进行下列维护管理工作,并延续到封场后30年:)维扩最终遵盖层的完整性和有效性:b)维扩和监测检漏系统;
c)继续进行渗滤液的收集和处理;d)继续监测地下水水质的变化。9.4当发现场址或处置系统的设计有不可改正的错误,或发生严重事故及发生不可预见的自然灾害使得填埋场不能继续运行时,填埋场应实行非正常封场。非正常封场应预先作出相应补救计划,防止污染护蔽。实施非正带封场必须得到环保部门的批准。10监测要求
10.1对填埋场的监督性监测的项日和频率应按照有关坏境监测技术规范进行,监测结果应定期报送当地环保部门」,并接受当地环保部门的监督检查。10.2填理场渗滤液
10.2.1利用填埋场的每个集水升进行水位和水质监测,10.2.2采样频率应根据填理物特性、覆盖层和降水等条件加以确定,应能充分反映填埋场渗滤液变化情况。渗滤液水质和水位监测频率牟少为存月次。10.3地下水
10.3.1地下水监测布设应满足下列要求:)在填埋场上游应设置-限监测并.以取得背景水源数值。在下游至少设置兰眼井,组成三维监测点,以适应于下游地下水的羽流儿何型流向;b)盟测井应设在填埋场的实际最近距离「:作且位丁地下水上下游相向水力坡度」c)监测并深度应足以采取具有代表性的样品。10.3.2取样频率
10.3.2.1填理场运行的第·年,应每月至少取样一次;在正常情况下,取样频率为每季度至少一次。10.3.2.2发现地下水质出现变环现象时,应灿大取样频率.并根据实际情况增加监测项目,查出原因以便进行补救。
10.4大气
10.4.1采样点布设及来样方法按照GB16297的规定执行。10.4.2污染源下风方向成为主要监测范围10.4.3超标地区、人口密度大和距.J业区近的地区加大采样点密度。10.4.4采样频率。填埋场运行期间,应每月取样一次,如出现异常,取样赖率应适当增加。11标准监督实施
本标由县以上地方人民收府环境保护行政主管部门负责监督实施。904
主集排水管道
辅助莱排水道
集排永管道
人工合成村层
巢排水管
附录A
(标准的附录)
衬层系统示意图
(参考件)
双人工衬层示意图
图A.2复合衬层示意图
图A.3天然材料村层示意图
度物埋层
土排水层
GB 18598—2001
上人工合成村层
辅助排水层
下人工合成村层
天然村料衬层
基研尿
废物填理层
扦水层
天然材料衬层
其到层
度物城埋层
排水层
天龄材料村层
蒸碘层
小提示:此标准内容仅展示完整标准里的部分截取内容,若需要完整标准请到上方自行免费下载完整标准文档。