首页 > 其他行业标准 > YS/T 999-2014铜及铜合金毛细管涡流探伤方法
YS/T 999-2014

基本信息

标准号: YS/T 999-2014

中文名称:铜及铜合金毛细管涡流探伤方法

标准类别:其他行业标准

英文名称:Capillary tube of copper and copper alloy-eddy current testing method

标准状态:现行

发布日期:2014-10-14

实施日期:2015-04-01

出版语种:简体中文

下载格式:.pdf .zip

相关标签: 铜合金 毛细管 涡流 方法

标准分类号

标准ICS号:冶金>>金属材料试验>>77.040.20金属材料无损检测

中标分类号:冶金>>金属理化性能试验方法>>H26金属无损检验方法

关联标准

出版信息

出版社:中国标准出版社

页数:12页

标准价格:16.0

出版日期:2015-04-01

相关单位信息

起草人:张瑛、张辉、王栋梁、李庆文、刘建忠、丁玉强、陈永光、王伟

起草单位:苏州龙骏无损检测设备有限公司、无锡金龙川村精管有限公司

归口单位:全国有色金属标准化技术委员会(SAC/TC 243)

发布部门:中华人民共和国工业和信息化部

主管部门:全国有色金属标准化技术委员会(SAC/TC 243)

标准简介

本标准规定了铜及铜合金毛细管的穿过式涡流探伤方法,包括:术语和定义、涡流探伤原理和方法、涡流探伤系统、人工标准缺陷样管、探伤步骤、探伤结果的评定、探伤人员的一般要求及探伤报告。 本标准适用于铜及铜合金毛细管的规格范围:外径(Φ0.5~Φ6.1)×内径(Φ0.3~Φ4.45)。其他规格毛细管可参照本标准执行。
本标准按照GB/T1.1—2009给出的规则起草。
本标准参照ASTME243—2009《铜及铜合金管电磁(涡流)检测》编制。
本标准由全国有色金属标准化技术委员会(SAC/TC243)归口。
本标准负责起草单位:苏州龙骏无损检测设备有限公司、无锡金龙川村精管有限公司。
本标准主要起草人:张瑛、张辉、王栋梁、李庆文、刘建忠、丁玉强、陈永光、王伟。
下列文件对于本文件的应用是必不可少的。凡是注日期的引用文件,仅注日期的版本适用于本文件。凡是不注日期的引用文件,其最新版本(包括所有的修改单)适用于本文件。
GB/T5248 铜及铜合金无缝管涡流探伤方法
GB/T12604.6 无损检测 术语 涡流检测

标准图片预览

YS/T 999-2014铜及铜合金毛细管涡流探伤方法
YS/T 999-2014铜及铜合金毛细管涡流探伤方法
YS/T 999-2014铜及铜合金毛细管涡流探伤方法
YS/T 999-2014铜及铜合金毛细管涡流探伤方法
YS/T 999-2014铜及铜合金毛细管涡流探伤方法

标准内容

ICS 77.04C.20
中华人民共和国有色金属行业标准YS/T999—2014
铜及铜合金毛细管涡流探伤方法Capillary tube of copper and copper alloy-eddy currer: testing method2014-10-14发布www.bzxz.net
中华人民共和国工业和信息化部发布
2015-04-01实施
本标准按照GB/T1.1一2009给出的规则起草。本标准参照ASTME243--2009《铜及铜合金管电磁(涡流)检测》编制。本标准由全国有色金属标准化技术委员会(SAC/TC243)归口。YS/T999—2014
本标准负责起草单位:苏州龙骏无损检测设备有限公司、无锡金龙川村精管有限公司。本标准主要起草人:张瑛、张辉、王栋梁、李庆文、刘建忠、丁玉强、陈永光、王伟I
1范围
铜及铜合金毛细管涡流探伤方法YS/T999—2014
本标准规定了铜及铜合金毛细管的穿过式涡流探伤方法,包括:术语和定义、涡流探伤原理和方法、涡流探伤系统、人工标准缺陷样管、探伤步骤、探伤结果的评定、探伤人员的一般要求及探伤报告。本标准适用于铜及铜合金毛细管的规格范围:外径(Φ0.5~Φ6.1)×内径(Φ0.3~Φ4.45)。其他规格毛细管可参照本标准执行。
2规范性引用文件
下列文件对于本文件的应用是必不可少的。凡是注日期的引用文件,仅注日期的版本适用于本文件。凡是不注日期的引用文件,其最新版本(包括所有的修改单)适用于本文件。GB/T5248铜及铜合金无缝管涡流探伤方法GB/T12604.6无损检测术语涡流检测3术语和定义
下列术语和定义及GB/T5248、GB/T12604.6的术语和定义适用于本文件。3.1
(铜管)盘矫直涡流探伤方法straightenedtubeeddycurrenttesting利用电磁感应在铜管表面和近表面产生涡流的原理,在成品铜管盘矫直过程中设置探伤工序进行探伤的方法。
4原理和方法概述
4.1原理
当带有交变磁场的检测线圈在接近被检管材时,在管材表面和近表面产生涡电流及相应的涡流磁场。涡流磁场的作用是削弱和抵消激励磁场。削弱和抵消程度取决于被检管材的物理性能。管材中存在的缺陷会改变这些作用,引起检测线圈的阻抗变化。通过仪器的信号处理,能评价被检管材是否存在缺陷。
4.2方法
管材的涡流探伤通常是让被检管材沿其长度方向穿过一个或几个使用同一激励频率的检测线圈绕组来进行。其测量线圈绕组阻抗因管材规格、电导率、磁导率以及管材中破坏金属连续性冶金或机械加工缺陷变化而变化。当管材通过检测线圈时,管材这些变量所引起电磁感应的变化而产生信号,经过仪器相位分析,调制分析等信号处理,通过声光报警、标记、打印等装置作出记录。4.3探伤灵敏度
涡流探伤的灵敏度是以标准样管上人工缺陷当量大小来衡量的。但人工缺陷的尺寸不应解释为涡1
YS/T999—2014
流探伤可以检测到缺陷最小尺寸。探伤灵敏度与涡流密度有关,而涡流密度在管壁内部随着距管材外表面距离增加而呈指数曲线下降,所以探伤灵敏度也随管材壁厚方向由外向内下降。4.4趋肤深度
在涡流探伤过程中涡流密度随着检测频率的增加更趋向于被检管材表面和近表面,涡流在铜管中渗透深度与被检管材的电导率、检测频率有关。在涡流探伤中,涡流密度降至被检管材表面涡流密度的1/e(约37%)时的深度称为标准趋肤深度,也称作标准渗透深度,按式(1)计算:503.3
式中:
—-标准趋肤深度,单位为毫米(mm);a
被检试样的电导率,单位为兆西门子每米(MS/m);厂——检测频率,单位为赫兹(Hz);,一—被检试样的相对磁导率,对于非铁磁性材料,μ,约为1,无量纲。4.5端部盲区
涡流探伤方法在管材的端部通过检测线圈时,会有端部效应。存在端部不可检测区(即盲区)。毛细管的涡流探伤是在连续和自动方式下进行,端部盲区可以忽略。5涡流探伤系统
涡流探伤系统主要包括涡流探伤仪器、检测线圈和辅助装置。5.1
涡流探伤仪器
毛细管涡流探伤应使用带有“带通滤波器”的涡流探伤仪器。在线和盘矫直涡流探伤应采用对速度不敏感的涡流探伤仪器。
5.2检测线圈
5.2.1填充系数
探头内径应与被检管材外径相匹配,在保证被检管材顺利探伤的情况下,填充系数应尽可能大,填充系数的选择参照表1。
表1填充系数
外径d/mm
填充系数
零电势
≥1.5~<2.5
≥2.5~<4.0
检测线圈空载零电势小于20mV,激励频率响应范围1kHz~100kHz。5.3辅助装置
辅助装置主要包括:传动装置、导向装置、测速系统、检测线圈机座、标记系统和分选系统。辅助装置应能可靠、平稳地传送被检管材,应保持传动速度均匀,传动装置不得使被检管材产生机械损伤。2
5.4环境
YS/T999—2014
5.4.1涡流探伤工作区域附近不应有影响仪器设备正常工作的强电磁场、震动、腐蚀性气氛等干扰因素。
5.4.2涡流探仿工作区域的温度和湿度应控制在仪器设备允许的范围内。5.5被检管材
被检管材内、外表面应清洁无异物,两端应圆整无毛刺。5.6涡流探伤系统的综合性能
涡流探伤系统的综合性能指标应符合表2的规定。表2
涡流探伤仪器设备综合性能指标周向灵敏
度差Z
≤3dB
信噪比
≥10 dB
周期检定
人工缺陷大
小分辨力?
涡流探伤系统应周期检定。
6人工标准缺陷样管
长时间
稳定性
灵敏度波
值≤2dB
人工缺陷
误报率K2
人工缺陷
漏报率K,
探伤能力
(S/N≥10dB)
能否检出(b×h)
0.18×0.10(mm)的槽伤
6.1人工标准缺陷样管的选材必须与被检管材的合金牌号、规格、表面状态和热处理状态相同,无自然缺陷的低噪声管材。
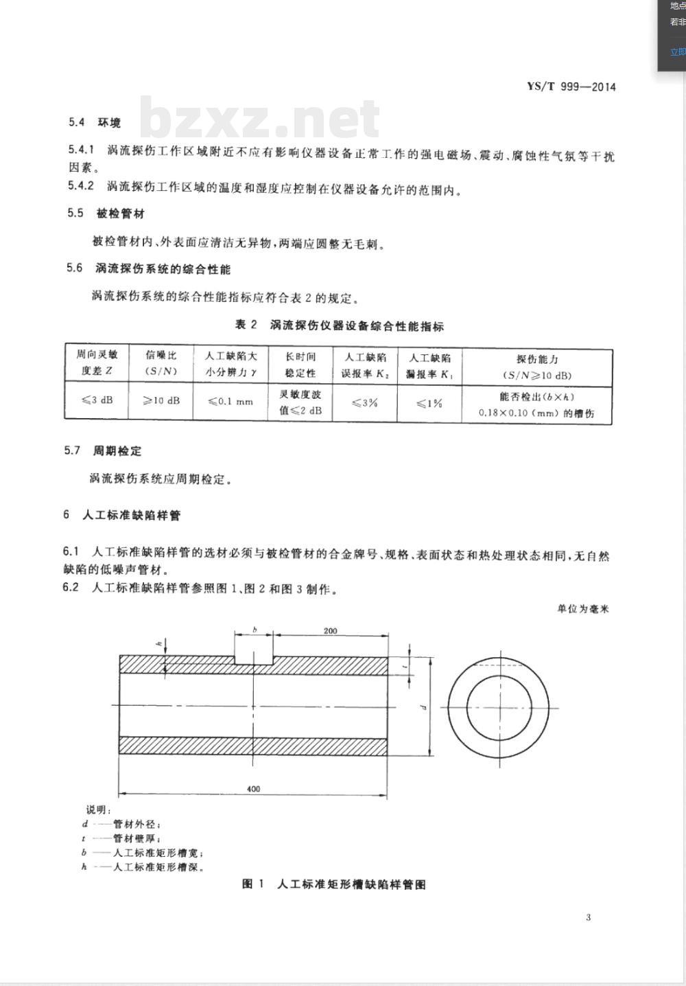
6.2人工标准缺陷样管参照图1、图2和图3制作。单位为毫米
说明:
管材外径;
管材壁厚;
人工标准矩形槽宽;
h-—人工标准矩形槽深。
图1人工标准矩形槽缺陷样管图
YS/T999—2014
说明:
一人工标准缺陷孔径;
dz=d,-0.2
管材外径;
管材壁厚。
说明:
管材外径;
管材壁厚;
人工标准矩形槽宽;
一人工标准矩形槽深。
图2人工标准孔缺陷样管图
图3仪器设备综合性能测试人工标准缺陷样管图120
单位为米
单位为毫米
6.3标准样管人工缺陷尺寸见表3(尺寸偏差士0.02mm)。表3标准样管人工缺陷尺寸
外径d
壁厚t
槽宽6
普通级
槽深h
样管缺陷孔径中0.40
样管缺陷孔径单0.50
槽宽6
YS/T999—2014
单位为毫米
高精级
槽深h
注:普通级适用于普通家用商用冰箱、空调及其他制冷设备用毛细管。高精级适用于航空、航天、医疗及其他高精尖产品用毛细管。
7探伤步骤
7.1传动装置的调整
调节导向装置和检测线圈机座使检测线圈与被检毛细管同心,毛细管行进顺畅,确认配置的测速系统、标记系统处于正常工作状态。7.2涡流探伤仪器参数调节
检测频率选择应满足4.4的要求。7.2.1
调节相位,使干扰信号被抑制。滤波设置与探伤速度自动匹配(或调试匹配)。7.2.3
报警电平设置约为屏高的50%。
7.3探伤灵敏度调节
7.3.1手动基准探伤灵敏度调节
以手动方式调节标准样管进行探伤灵敏度调节时,按以下步骤进行:应匀速往复拉动图1(或图2)所示标准样管,通过调节灵敏度,使标准缺陷信号幅值达到报警a)
电平;
然后转动120°,重复步骤a);
c)再转动120°重复步骤a);
d)通过以上步骤调节,3个方向均报警,则该灵敏度为基准探伤灵敏度;e)在使用图2所示的标准人工孔伤缺陷样管调节探伤灵敏度时,标准孔伤d2要求不报警。7.3.2机械传动基准探伤灵敏度调节由机械传动装置驱动标准样管调节探伤灵敏度时,应使用图3所示的样管进行调节。通过调节灵敏度,使3个位置上的标准人工缺陷信号幅值均达报警电平,则该灵敏度即为“基准探伤灵敏度”。7.3.3生产探伤灵敏度调节
在基准探伤灵敏度基础上提高2dB作为生产探伤灵敏度,进行检测。5
YS/T999—2014
7.4探伤灵敏度过程校验
每班次或更换规格后均应按7.3的要求重新进行探伤灵敏度校验;当校验异常时,应对上次至本次校验之间的管材进行复探。
8探伤结果的评定
被检测产品的缺陷信号幅值低于报警电平(不报警)时,判定产品涡流探伤合格。8.1
如果被检测产品的缺陷信号有异常,则应进行复探或用其他无损检测方法确认后,方可进行评定。8.3
如果信噪比小于10dB时,则应分析噪声信号形成的原因;或采用其他无损检测方法进行探伤。9
涡流探伤人员资格
涡流探伤人员应经过专业培训、考核,持证上岗。出具探伤报告人员应具有探伤Ⅱ级及其以上技术资格,仲裁人员应具有Ⅲ级资格证书。10
探伤报告
探伤报告应包括以下内容:
铜及铜合金毛细管生产企业名称,委托单位名称;a)
检测日期和报告填发日期;
铜及铜合金毛细管的牌号、规格、状态、批号等;涡流探伤仪型号、检测线圈编号等;检测产品数量及检测合格数量;执行的涡流探伤标准和标准人工缺陷:检验人员和审核人员签名、检测部门盖章。地点
YS/T999-2014
打印日期:2015年3月26HF009A
中华人民共和国有色金属
行业标准
铜及铜合金毛细管涡流探伤方法YS/T999—2014
中国标准出版社出版发行
北京市朝阳区和平里西街甲2号(100029)北京市西城区三里河北街16号(100045)网址www.spc.net.cn
总编室:(010)64275323发行中心:(010)51780235读者服务部:(010)68523946
中国标准出版社秦皇岛印刷厂印刷各地新华书店经销
印张0.75字数14千字
开本880×12301/16
2015年2月第一版
2015年2月第一次印刷
书号:155066·2-28291定价
如有印装差错
由本社发行中心调换
版权专有侵权必究
举报电话:(010)68510107
小提示:此标准内容仅展示完整标准里的部分截取内容,若需要完整标准请到上方自行免费下载完整标准文档。