首页 > 其他行业标准 > YS/T 802-2012氧化铝生产用絮凝剂
YS/T 802-2012

基本信息

标准号: YS/T 802-2012

中文名称:氧化铝生产用絮凝剂

标准类别:其他行业标准

英文名称:Flocculating agent used in production of alumina

标准状态:现行

发布日期:2012-11-07

实施日期:2013-03-01

出版语种:简体中文

下载格式:.pdf .zip

相关标签: 氧化铝 生产 絮凝剂

标准分类号

标准ICS号:冶金>>有色金属>>77.120.10铝和铝合金

中标分类号:冶金>>冶金原料与辅助材料>>H30冶金原料与辅助材料综合

关联标准

出版信息

出版社:中国标准出版社

页数:12页

标准价格:16.0

出版日期:2013-03-01

相关单位信息

起草人:刘权、李亮、孙希明

起草单位:青岛海纳瑞特新材料能源发展有限公司等

归口单位:全国有色金属标准化技术委员会(SAC/TC 243)

发布部门:中华人民共和国工业和信息化部

主管部门:全国有色金属标准化技术委员会(SAC/TC 243)

标准简介

本标准规定了氧化铝生产用絮凝剂的要求、检验规则、标志、包装、运输、贮存和安全警示。 本标准适用于氧化铝生产用絮凝剂。
本标准按照GB/T1.1—2009给出的规则起草。
本标准由全国有色金属标准化技术委员会(SAC/TC243)归口。
本标准负责起草单位:青岛海纳瑞特新材料能源发展有限公司。
本标准参加起草单位:天津大学、中国铝业股份有限公司山东分公司、茌平信发华宇氧化铝有限公司、孝义兴安化工有限公司、中国铝业股份有限公司贵州分公司。
本标准主要起草人:刘权、李亮、孙希明。
下列文件对于本文件的应用是必不可少的。凡是注日期的引用文件,仅注日期的版本适用于本文件。凡是不注日期的引用文件,其最新版本(包括所有的修改单)适用于本文件。
GB/T191 包装储运图示标志
GB/T1884 原油和液体石油产品密度实验室测定法(密度计法)
GB/T10247 粘度测量方法

标准图片预览

YS/T 802-2012氧化铝生产用絮凝剂
YS/T 802-2012氧化铝生产用絮凝剂
YS/T 802-2012氧化铝生产用絮凝剂
YS/T 802-2012氧化铝生产用絮凝剂
YS/T 802-2012氧化铝生产用絮凝剂

标准内容

ICS 77. 120. 10
中华人民共和国有色金属行业标准YS/T802—2012
氧化铝生产用絮凝剂
Flocculating agent used in production of alumina2012-11-07发布
中华人民共和国工业和信息化部发布
2013-03-01实施
本标准按照GB/T1.1一2009给出的规则起草。言
本标准由全国有色金属标准化技术委员会(SAC/TC243)归口。本标准负责起草单位:青岛海纳瑞特新材料能源发展有限公司。YS/T802—2012
本标准参加起草单位:天津大学、中国铝业股份有限公司山东分公司、在平信发华宇氧化铝有限公司、孝义兴安化工有限公司、中国铝业股份有限公司贵州分公司。本标准主要起草人:刘权、李亮、孙希明。1
氧化铝生产用絮凝剂
YS/T 802—2012
本标准规定了氧化铝生产用絮凝剂的要求、检验规则、标志、包装、运输、贮存和安全警示。本标准适用于氧化铝生产用絮凝剂(以下简称“絮凝剂”)。规范性引用文件
下列文件对于本文件的应用是必不可少的。凡是注日期的引用文件,仅注日期的版本适用于本文件。凡是不注日期的引用文件,其最新版本(包括所有的修改单)适用于本文件,GB/T191包装储运图示标志
原油和液体石油产品密度实验室测定法(密度计法)GB/T1884
GB/T10247
3要求
粘度测量方法
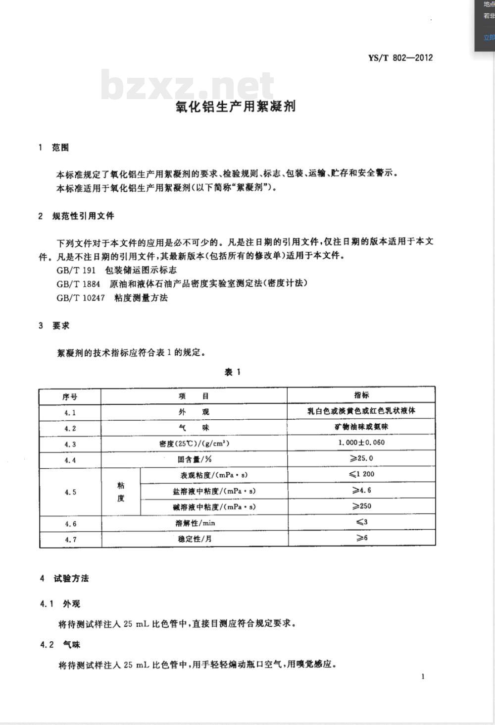
絮凝剂的技术指标应符合表1的规定,表1
4试验方法
4.1外观
密度(25℃)/(g/cm2)
固含量/%
表观粘度/(mPa·s)
盐溶液中粘度/(mPa·s)
碱溶液中粘度/(mPa·s)
溶解性/min
稳定性/月
将待测试样注人25mL比色管中,直接目测应符合规定要求。4.2气味
乳白色或淡黄色或红色乳状液体矿物油味或氮味
1.000±0.060
≤1200
≥250
将待测试样注入25mL比色管中,用手轻轻煽动瓶口空气,用觉感应。地点
YS/T 802—2012
4.3密度的测定
选用0.900g/cm2~1.100g/cm范围的密度计,按照GB/T1884的规定进行测定。4.4固含量的测定
4.4.1仪器
分析天平:感量0.1mg。
4.1.1.2真空干燥箱。
4.1.1.3干燥器。
4.1.1.4烧杯50mL):3个。
4.1.1.5玻璃棒(10cm):3根。4.1.1.6称量瓶(60mm×30mm):3只。4.4.2试剂
4.4.2.1无水乙醇。
4.4.2.2无水丙酮。
4.4.3测定方法
用分析天平分别称量3个50mL烧杯和3个玻璃棒的质量并编号,再用分析天平分别称取约5g的待测试样3份,分别加入无水乙醇(用玻璃棒适当搅动)沉析出聚合物,然后再用无水乙醇和无水丙酮各洗涤、沉析一次,将所得聚合物干粉和其连带的烧杯和玻璃棒放置真空干燥箱内,维持真空度93.3kPa以上,50℃恒温干燥至试样恒重(约4h即可)。将干燥好的试样连带烧杯和玻璃棒从干燥箱内取出,迅速放入干燥器内,恒温15min后,然后用分析天平称量干燥后的试样连带烧杯和玻璃棒的质量。
4.4.4计算
按式(1)计算试样固含量C:
式中:
×100%
W。-W. -W.2
W。—干燥前试样的质量,单位为克(g);Wo1——烧杯的质量,单位为克(g);Wo2
一玻璃棒的质量,单位为克(g);W-
干燥后试样质量,单位为克(g)。取3个平行试样的结果平均值作为测定结果,取3位有效数字。4.5粘度的测定
表观粘度
按GB/T10247规定的方法进行测定。4.5.2盐溶液中粘度
4.5.2.1仪器
4.5.2.1.1布氏粘度计:超低粘度计。2
·(1)
4.5.2.1.2分析天平:感量0.1mg。4.5.2.1.3带不锈钢轴的磁力搅拌器,末端带螺旋浆式的刀片,半径约为0.2cm。4.5.2.1.4注射器:20mL、5mL、2mL。4.5.2.1.5烧杯:500mL。
4.5.2.2试剂
4.5.2.2.1氯化钠。
4.5.2.2.2去离子水。
试验步骤
4.5.2.3.1初始聚合物溶液的制备YS/T802—2012
精确称取100g去离子水于500mL烧杯中,置于搅拌器上以500r/min转速搅拌,用注射器加入W。克试样,搅拌30min,其中W。=0.5/C(C为有效固含量)。注:试样的称取方法:用注射器抽取大于W。克(估算)的试样,精确称注射器和试样的质量为W,,注人试样后精确称注射器和剩余试样的质为Wz,由此可得W。=W,-W2.4.5.2.3.2氟化钠溶液的配制
称取Q1去离子水和Q2氯化钠配制氯化钠溶液。Q=W。×(941.5×C-1)-100
Qz=58.5×WXC
式中:
去离子水加人量,单位为克(g);试样加人量,单位为克(g);
常数;
试样有效固含量,以质量百分数表示(%);常数;
常数;
氯化钠加人量,单位为克(g);
氯化钠的相对分子质量(g)。
31mol/L氯化钠溶液中含有0.1%试样溶液的制备4.5.2.3.3
将配好的氯化钠溶液(4.5.2.3.2)倒入已搅拌30min的试样溶液(4.5.2.3.1)中,再将转速调至850r/min,搅拌5min。即可制得试样含量为0.1%、氯化钠含量为1mol/L的试样盐溶液。4.5.2.3.4试样盐溶液粘度的测定用带UL适配器的布氏粘度计测量(温度25℃),主轴转速为60r/min。用注射器抽取16mL配好的试样盐溶液测量,30s后待读数稳定读取数值A。盐溶液中粘度=(A0.4)×0.1
式中:
A-一仪器读数,单位为毫帕·秒(mPa·s);0.4—常数
0.1——常数。
YS/T802—2012
4.5.2.3.5充许差
取两次平行测定结果的算术均值为测定结果,平行测定结果的绝对差值不大于0.3%。4.5.3碱溶液中粘度的测定
4.5.3.1仪器
4.5.3.1.1带不锈钢轴的磁力搅拌器,末端带螺旋桨式的刀片,半径约为0.2cm。4.5.3.1.2布氏粘度计:超低粘度计。4.5.3.1.3烧杯:500mL。
4.5.3.2试剂
氢氧化钠。
4.5.3.3试验步骤
4.5.3.3.1用500mL的烧杯配制200mL1%的氢氧化钠溶液并升温到50C,置于搅拌器上以500r/min的转速搅拌。
4.5.3.3.2用注射器抽取试样W(W=0.6/C,C为试样有效固含量)注入氢氧化钠溶液中,搅拌15min。
4.5.3.3.3降温至25℃,用LV2号转子于30r/min的条件下测定其粘度。4.5.3.3.4两次测定结果的算术平均值为测定结果,平行测定结果的绝对差值不大于0.3%。4.6溶解性
4.6.1仪器
4.6.1.1带不锈钢轴的磁力搅拌器,末端带螺旋桨式的刀片,半径约为0.2cm。4.6.1.2烧杯:500mL。
4.6.2试剂
氢氧化钠。
4.6.3试验步骤
4.6.3.1用500mL的烧杯配制200mL1%的氢氧化钠溶液并升温到40℃,置于搅拌器上以500r/min的转速搅拌。
4.6.3.2用注射器抽取试样W(W=0.6/C,C为试样有效固含量)注人氢氧化钠溶液中,当达到完全溶解,溶液呈完全均匀状态时停止搅拌。记录溶解时间,同时做3个平行试样,取其平均值作为测定结果。
4.7稳定性检测
将待测试样注人100mL量简中,密封,静止放置6个月,观察现象,若试样呈均匀流动状态为合格品,试样液面上部有透明的油析出或下部变稠,经过上下摇晃混合后又恢复均匀状态,也为合格品;若液面下部有凝胶态固体生成,经过上下强烈摇晃混合后不能恢复均匀流动状态,则视为不合格品。4
5检验规则
5.1检验
YS/T802—2012
5.1.1产品应由生产厂质检部门进行检验,保证所有出厂的产品均符合本标准的要求,并有合格证。5.1.2产品按批检验,同签一次生产的产品为一批。5.2取样方法
根据每批包装桶数按表2规定的取样数取样。表2
每批桶数
取样桶数
50~100
101~200
取样时,将被抽试样播匀,全液位等量抽取试样。各取样点取出不少于100mL的试样,取样总量不得少于1000mL,混合均匀,等分成两份,分别装入洁净、干燥的试样瓶中,胶带密封,贴上封条、标签。一瓶作检验用,一瓶保留备查。5.3判定
检验结果中,如有一项指标不符合本标准要求时,则加倍抽样复查,若仍有一项指标不符合本标准的要求,则该批产品判为不合格品。5.4其他
当供需双方发生质量争议时,以出厂产品中取样为准。6标志、包装、运输、贮存和安全誉示6.1标志
按照GB/T191的规定,出厂产品在包装容器上贴有或印有明显而牢固的标志:产品名称、批号、净含量、生产厂名称、使用说明、保质期、厂址、生产日期、执行标准编号,并附有产品合格证。6.2包装
包装容器应为清洁干燥的塑料桶或带内封的包装桶,包装桶应用塑胶圈密封。单位包装量通常为200kg。包装及单位包装量亦可按供需双方商定的包装形式执行。6.3运输
产品应放在带蓬车内运输,严防太阳曦晒和雨淋。6.4整存
产品应贮存在干燥通风的仓库或遮蓬内,贮存温度为5~30℃,贮存期为6个月。5
YS/T 802-2012下载标准就来标准下载网
安全警示
本产品无毒,但操作人员应配戴防护用品,避免皮肤直接接触本产品。万一接触,应用大量的水清洗干净。生产和使用时,避免将本产品撇落在地面上,万一撒落,要及时清洗,防止退水地面粘滑使人摔伤。
Y8/T 802-2012-氧化铝生:产用絮剂155066224339
YS/T802-2012
RMB:16.00
中华人民共和国有色金属
行业标准
氧化铝生产用絮凝剂
YS/T802—2012
中国标准出版社出版发行
北京市朝阳区和平里西街甲2号(100013)北京市西城区三里河北街16号(100045)网址www.spc.net.cn
总编室:(010)64275323发行中心:((010)51780235读者服务部:(010)68523946
中国标准出版社秦皇岛印刷厂印刷各地新华书店经销
开本880×12301/16
印张0.75
字数12千字
2013年3月第一版
反2013年3月第一次印刷
书号:155066·2-24339定价16.00元告由本社发行中心调换
如有印装差错
BZ002104900
版权专有侵权必究
举报电话:(010)68510107
小提示:此标准内容仅展示完整标准里的部分截取内容,若需要完整标准请到上方自行免费下载完整标准文档。