首页 > 其他行业标准 > YS/T 357-2015乙硫氨酯
YS/T 357-2015

基本信息

标准号: YS/T 357-2015

中文名称:乙硫氨酯

标准类别:其他行业标准

英文名称:O-Isopropyl-N-ethyl thionocarbamate

标准状态:现行

发布日期:2015-04-30

实施日期:2015-10-01

出版语种:简体中文

下载格式:.pdf .zip

标准分类号

标准ICS号:化工技术>>化工产品>>71.100.40表面活性剂及其他助剂

中标分类号:冶金>>冶金原料与辅助材料>>H34选矿药剂

关联标准

替代情况:替代YS/T 357-1994

出版信息

出版社:中国标准出版社

页数:12页

标准价格:16.0

出版日期:2015-10-01

相关单位信息

起草人:何伟、谭鑫、姚萍、张行荣、张春海、吴桂叶、胡正吉、汪世跃、陈洋、张杰、沈丽菲、刘龙利

起草单位:北京矿冶研究总院、沈阳有研矿物化工有限公司等

归口单位:全国有色金属标准化技术委员会(SAC/TC 243)

发布部门:中华人民共和国工业和信息化部

主管部门:全国有色金属标准化技术委员会(SAC/TC 243)

标准简介

本标准规定了乙硫氨酯的要求、试验方法、检验规则及标志、包装、运输、贮存、质量证明书和订货单(或合同)内容。 本标准适用于以异丙基黄药、一氯乙酸、碳酸钠和一乙胺为原料合成的乙硫氨酯浮选药剂。
本标准按照GB/T1.1—2009给出的规则起草。
本标准代替YS/T357—1994《乙硫氨酯》。本标准与YS/T357—1994相比主要变化如下:
———增加了对出口产品包装物塑料桶的规定;
———修订了试验方法。
本标准由全国有色金属标准化技术委员会(SAC/TC243)归口。
本标准负责起草单位:北京矿冶研究总院、沈阳有研矿物化工有限公司。
本标准参加起草单位:铁岭选矿药剂有限公司。
本标准主要起草人:何伟、谭鑫、姚萍、张行荣、张春海、吴桂叶、胡正吉、汪世跃、陈洋、张杰、沈丽菲、刘龙利。
本标准所代替标准的历次版本发布情况为:
———YS/T357—1994;
———YB/T873—1982。
下列文件对于本文件的应用是必不可少的。凡是注日期的引用文件,仅注日期的版本适用于本文件。凡是不注日期的引用文件,其最新版本(包括所有的修改单)适用于本文件。
GB/T4472 化工产品密度、相对密度的测定
GB/T6678 化工产品采样总则
GB/T6680 液体化工产品采样通则
GB/T8170 数值修约规则与极限数值的表示和判定
GB/T9722 化学试剂 气相色谱法通则
GB/T13508 聚乙烯吹塑容器
SN/T0271 出口商品运输包装塑料容器检验规程

标准图片预览

YS/T 357-2015乙硫氨酯
YS/T 357-2015乙硫氨酯
YS/T 357-2015乙硫氨酯
YS/T 357-2015乙硫氨酯
YS/T 357-2015乙硫氨酯

标准内容

ICS 71.100.40
中华人民共和国有色金属行业标准YS/T357—2015
代替YS/T357—1994
乙硫氨酯
O-Isopropyl-N-ethyl thionocarbamate2015-04-30发布
中华人民共和国工业和信息化部发布
2015-10-01实施
本标准按照GB/T1.1一2009给出的规则起草。YS/T357—2015
本标准代替YS/T3571994《乙硫氨酯》。本标准与YS/T357一1994相比主要变化如下:增加了对出口产品包装物塑料桶的规定;修订了试验方法。
本标准由全国有色金属标准化技术委员会(SAC/TC243)归口。本标准负责起草单位:北京矿冶研究总院、沈阳有研矿物化工有限公司。本标准参加起草单位:铁岭选矿药剂有限公司。本标准主要起草人:何伟、谭鑫、姚萍、张行荣、张春海、吴桂叶、胡正吉、汪世跃、陈洋、张杰、沈丽菲、刘龙利。
本标准所代替标准的历次版本发布情况为:YS/T357—1994;
YB/T873—1982。
1范围
乙硫氨酯
YS/T357—2015
本标准规定了乙硫氨酯的要求、试验方法、检验规则及标志、包装、运输、贮存、质量证明书和订货单(或合同)内容。
本标准适用于以异丙基黄药、一氯乙酸、碳酸钠和一乙胺为原料合成的乙硫氨酯浮选药剂。2规范性引用文件
下列文件对于本文件的应用是必不可少的。凡是注日期的引用文件,仅注日期的版本适用于本文件。凡是不注日期的引用文件,其最新版本(包括所有的修改单)适用于本文件。GB/T4472
GB/T6678
GB/T6680
GB/T8170
GB/T9722
GB/T13508
SN/T0271
3要求
化工产品密度、相对密度的测定化工产品采样总则
液体化工产品采样通则
数值修约规则与极限数值的表示和判定化学试剂气相色谱法通则
聚乙烯吹塑容器
出口商品运输包装塑料容器检验规程3.1牌号、化学分子式、结构式、相对分子质量和化学名称乙硫氨酯的牌号、化学分子式、结构式、相对分子质量和化学名称应符合表1的规定。表1乙硫氨酯的牌号、化学分子式、结构式、相对分子质量和化学名称牌
B1—201
化学分子式、结构式
分子式:CHiaNOS
结构式:
3.2化学成分及物理要求
相对分子质量
(按2013年国际原子量)
CH—O—C—N—C.H
乙硫氨酯的化学成分及物理要求应符合表2的规定。化学名称
O-异丙基-N-乙基硫代氨氮
基甲酸酯
YS/T357—2015
乙硫氨酯
3.3外观质量
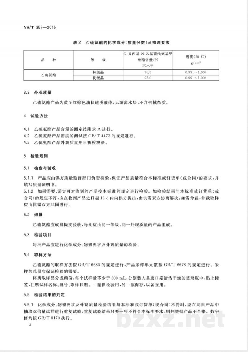
表2乙硫氨酯的化学成分(质量分数)及物理要求O-异丙基-N-乙基硫代氨基甲
特级品
优级品
酸酯含量/%
不小于
乙硫氨酯产品为黄至红棕色油状透明液体,无游离水层,不含机械杂质,4试验方法
4.1乙硫氨酯产品含量的测定按附录A进行。4.2乙硫氨酯产品密度的测试按GB/T4472的规定进行。4.3
乙硫氨酯产品外观质量用目视检测法。5检验规则
5.1检查与验收
密度(20℃)
0.991~1.004
0.991~1.004
5.1.1产品应由供方质量监督部门负责检验,保证产品质量符合本标准或订货单(或合同)的要求,并填写质量证明书。
5.1.2如果需要,需方可对收到的产品按本标准的规定进行检验。如检验结果与本标准或订货单(或合同)的规定不符,应在收到产品之日起15d内向供方提出,由供需双方协商解决;如需仲裁,仲裁取样应由供需双方共同进行。
5.2组批
乙硫氨酯应成批提交验收,每批应由同一等级、同一外观质量的产品组成。5.3检验项目
每批产品应进行化学成分、物理要求及外观质量的检验。5.4取样方法
乙硫氨酯的取样方法按GB/T6680的规定进行,产品采样单元数按GB/T6678的规定进行。采样的总量应保证检验的需要。
将所取样品分成两份,每个试样量不少于300mL,分别装人具磨口塞清洁干燥的玻璃瓶中,贴上标签,注明试样名称、批号、取样日期。一瓶供检验用,另一瓶保存,以备查用。5.5检验结果的判定
5.5.1化学成分、物理要求及外观质量检验结果与本标准或订货单(或合同)不符时,应在同批产品中抽取双倍量试样进行重复试验,重复试验结果只要一项不符合本标准要求,则判整批产品不合格。数字修约按GB/T8170执行。
YS/T357—2015
2需方收到的产品如系运输或保管等方面引起的变质损坏,应由所涉及的部门负责。5.5.2
6标志、包装、运输、贮存和质量证明书6.1标志
每个包装容器上应用不易脱落的颜色标明:供方名称、地址;
b)产品名称;
产品批号、净重;
本标准编号;
“防晒”、“防火”、“不能倒置”字样;出厂日期(或包装日期)。
塑料桶包装
产品采用200L闭口塑料桶,每桶产品净重200kg士0.5kg;或采用IBC塑料方桶,每桶产品净重800kg~1000kg。国内产品所用塑料桶应符合GB/T13508的规定,出口产品所用塑料桶应符合GB/T13508和SN/T0271的规定,并附有有效检验检疫结果证明。6.2.2
如需方对包装容器有特殊要求,可经供需双方协商同意,并在合同中注明。6.3运输和贮存
产品的贮存条件应为阴凉、通风、防晒和隔绝火源。产品不能卧放或倒置。6.4质量证明书
每批产品应附质量证明书,注明:供方名称、地址、电话、传真;a)
需方名称;
产品名称、牌号、批号、等级;c)
件数、净重;
各项检验分析的结果和供方质量监督部门印记;本标准编号;
出厂日期(或包装日期))。
订货单(或合同)内容
订购本标准所规定产品的订货单(或合同)内应包括下列内容:产品名称;
b)牌号;
供应品种及品级;
件数、净重;
本标准编号;
f)其他。
YS/T357—2015
A.1范围
附录A
(规范性附录)
气相色谱法
乙硫氨酯含量的测定
本附录规定了乙硫氨酯含量的测定方法。本附录适用于乙硫氨酯含量的测定。A.2
方法提要
采用气相色谱法,用面积归一法定量求得乙硫氨酯含量。A.3仪器
气相色谱仪:配有氢离子火焰检测器,整机灵敏度和稳定性符合GB/T9722的要求;记录仪器:色谱工作站;
进样器:5uL微量注射器。
色谱分析条件
本标准推荐的色谱柱和典型色谱操作条件见表A.1。乙硫氨酯含量测定用色谱柱及典型色谱操作条件表A.1
色谱柱
分流比
汽化室温度
柱箱温度
检测器温度
载气流量
进样量
分析步骤
聚乙二醇毛细管柱(30m×0.32mm×0.50μL)10:1
210℃
30 ℃/min-170 C(5 min)
50℃(1.5min)
190℃
12mL/min
使用甲醇(色谱级)将硫氨酯样品稀释至20%~30%(体积分数),待测。启动气相色谱仪,按表A.1所列色谱操作条件或其他合适的条件调试仪器,基线稳定后在同样条件下对样品进行色谱分析。4
结果计算及允许差
YS/T357—2015
用色谱工作站计算峰面积,使用面积归一法计算硫氨酯含量。在同一实验室,由同一操作员使用相同设备,按相同的测试方法,并在短时间内对同一被测对象相互独立进行测试获得的二次独立测试结果的绝对差值,主含量不大于0.2%,取二次重复测定的算术平均值为测定结果。数字修约按GB/T8170执行。
YS/T357-2015
中华人民共和国有色金属
行业标
YS/T357—2015www.bzxz.net
中国标准出版社出版发行
北京市朝阳区和平里西街甲2号(100029)北京市西城区三里河北街16号(100045)网址www.spc.net.cn
发行中心:010)51780238
总编室:(010)68533533
读者服务部:(010)68523946
中国标准出版社秦皇岛印刷厂印刷各地新华书店经销
开本880×1230
印张0.75
:字数12千字
2015年9月第一版
2015年9月第一次印刷
书号:155066·2-29001定价16.00元如有印装差错由本社发行中心调换版权专有侵权必究
举报电话:(010)68510107
小提示:此标准内容仅展示完整标准里的部分截取内容,若需要完整标准请到上方自行免费下载完整标准文档。