首页 > 其他行业标准 > YS/T 1081-2015硝酸铯
YS/T 1081-2015

基本信息

标准号: YS/T 1081-2015

中文名称:硝酸铯

标准类别:其他行业标准

英文名称:Cesium nitrate

标准状态:现行

发布日期:2015-04-30

实施日期:2015-10-01

出版语种:简体中文

下载格式:.pdf .zip

标准分类号

标准ICS号:冶金>>有色金属产品>>77.150.99其他有色金属产品

中标分类号:冶金>>有色金属及其合金产品>>H63稀有高熔点金属及其化合物

关联标准

出版信息

出版社:中国标准出版社

页数:8页

标准价格:14.0

出版日期:2015-10-01

相关单位信息

起草人:孙梅春、钟海华、罗红勇、何君韦、张明、李强、严小南、胡小海、陈志文、张勇、余伯福

起草单位:江西东鹏新材料有限责任公司、江西赣锋锂业股份有限公司、江西本源新材料科技有限公司、江西合纵锂业科技有限公司

归口单位:全国有色金属标准化技术委员会(SAC/TC 243)

提出单位:全国有色金属标准化技术委员会(SAC/TC 243)

发布部门:中华人民共和国工业和信息化部

主管部门:全国有色金属标准化技术委员会(SAC/TC 243)

标准简介

本标准规定了硝酸铯的要求、试验方法、检验规则、标志、包装、运输和贮存、质量证明书和订货单(或合同)内容。 本标准适用于各种方法生产的硝酸铯。
本标准按照GB/T1.1—2009给出的规则起草
本标准由全国有色金属标准化技术委员会(SAC/TC243)提出并归口。
本标准起草单位:江西东鹏新材料有限责任公司、江西赣锋锂业股份有限公司、江西本源新材料科技有限公司、江西合纵锂业科技有限公司。
本标准主要起草人:孙梅春、钟海华、罗红勇、何君韦、张明、李强、严小南、胡小海、陈志文、张勇、余伯福。

标准图片预览

YS/T 1081-2015硝酸铯
YS/T 1081-2015硝酸铯
YS/T 1081-2015硝酸铯
YS/T 1081-2015硝酸铯
YS/T 1081-2015硝酸铯

标准内容

ICS77.150.99
中华人民共和国有色金属行业标准YS/T1081-2015
CesiumnitratebzxZ.net
2015-04-30发布
中华人民共和国工业和信息化部2015-10-01实施
本标准按照GB/T1.1一2009给出的规则起草本标准由全国有色金属标准化技术委员会(SAC/TC243)提出并归口。YS/T1081-2015
本标准起草单位:江西东鹏新材料有限责任公司、江西赣锋锂业股份有限公司、江西本源新材料科技有限公司、江西合纵锂业科技有限公司。本标准主要起草人:孙梅春、钟海华、罗红勇、何君韦、张明、李强、严小南、胡小海、陈志文、张勇、余伯福。
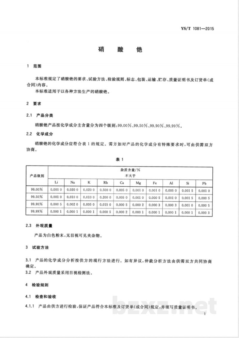
YS/T1081—2015
本标准规定了硝酸的要求、试验方法、检验规则、标志、包装、运输、贮存、质量证明书及订货单(或合同)内容。
本标准适用于以各种方法生产的硝酸。2要求
2.1产品分类
硝酸产品按化学成分主含量分为四个级别:99.00%、99.50%、99.90%、99.99%。2.2
化学成分
硝酸的化学成分应符合表1的规定。需方如对产品的化学成分有特殊要求时,可由供需双方协商。
杂质含量/%
产品级别
外观质量
产品为白色粉末,无目视可见夹杂物。3
试验方法
不大于
产品的化学成分分析按供方的现行方法进行。如有异议,仲裁分析方法由供需双方共同协商3.1
确定。
2产品外观质量采用目视检测法。3.2
检验规则
检查和验收
产品由供方进行检验,保证产品符合本标准及订货单(或合同)规定,并填写质量证明书。4.1.1
YS/T1081—2015
2需方应对收到的产品按本标准的规定进行检验,如检验结果与本标准不符时,应在收到产品之4.1.2
日起30天内向供方提出,由供需双方协商解决。如需仲裁,仲裁取样由供需双方共同进行。4.2组批
产品应成批提交验收,每批应由同一级别的混合料组成,每批不超过500kg。4.3
检验项目
每批产品均应进行化学成分、外观质量的检验。4.4取样
取样应符合表2的规定。
检验项目
化学成分
外观质量
取样规定
10件以内必须全部取样,每件取一勺,样品勺容量约20g。10件以上随机抽取20%进行取样,但不能少于10件,混匀后采用四分法缩分,封存样不少于50g
检验结果的判定
要求的章条号
试验方法的章条号
4.5.1化学成分检验不合格时,允许加倍取样,对不合格项进行重复试验。如重复试验仍有一个结果不合格,则判该批产品不合格。外观质量检验不合格时,则判该件产品不合格。4.5.2
5标志、包装、运输、贮存及质量证明书5
5.1标志
每袋产品内包装外标签上应注明:供方名称、商标;
产品名称;
产品级别;
产品毛重;
产品净重;
包装日期;
产品批号。
2包装
内用塑料袋密封包装,外用纸桶包装,瓶装每瓶重1kg士0.005kg,袋装每袋重25kg士0.05kg。需方对包装有特殊要求时,由供需双方另行协商。5.3
运输与贮存
YS/T1081—2015
产品为强吸水物质,在运输过程中应防止包装袋的破损并注意防潮。产品保质期限2年。产品应存放于阴凉、干燥通风的库房。质量证明书
每批产品应附有质量证明书,注明:a)
供方名称、地址、电话、传真;产品名称和级别;
批号;
净重和件数;
分析检测结果和质量检验部门印记;本标准编号;
出厂日期(或包装日期)。
订货单(或合同)内容
订购本标准所列产品的订货单(或合同)内应包括以下内容:a)
产品名称;
产品级别;
净重和件数;
包装要求;
交货日期;
本标准编号;
增加本标准以外内容的协商结果。YS/T1081-2015
中华人民共和国有色金属
行业标准
YS/T1081—2015
中国标准出版社出版发行
北京市朝阳区和平里西街甲2号(100029)北京市西城区三里河北街16号(100045)网址www.spc.net.cn
总编室:(010)68533533发行中心:(010)51780238读者服务部:(010)68523946
中国标准出版社秦皇岛印刷厂印刷各地新华书店经销
开本880×12301/16
2015年10月第一版
印张0.5字数10千字
2015年10月第一次印刷
书号:155066·2-29014定价
个14.00元
如有印装差错
由本社发行中心调换
版权专有
侵权必究
举报电话:(010)68510107
小提示:此标准内容仅展示完整标准里的部分截取内容,若需要完整标准请到上方自行免费下载完整标准文档。