首页 > 其他行业标准 > YS/T 790-2012铱管
YS/T 790-2012

基本信息

标准号: YS/T 790-2012

中文名称:铱管

标准类别:其他行业标准

英文名称:Iridium tubes

标准状态:现行

发布日期:2012-05-24

实施日期:2012-11-01

出版语种:简体中文

下载格式:.pdf .zip

标准分类号

标准ICS号:冶金>>有色金属>>77.120.99其他有色金属及其合金

中标分类号:冶金>>有色金属及其合金产品>>H68贵金属及其合金

关联标准

出版信息

出版社:中国标准出版社

书号:155066·2-24194

页数:8页

标准价格:14.0

出版日期:2012-11-01

相关单位信息

起草人:艾建玲、陈绍楷、朱梅生、倪沛彤、韩吉庆

起草单位:西北有色金属研究院、西部金属材料有限责任公司、西安诺博尔稀贵金属材料有限公司

归口单位:全国有色金属标准化技术委员会(SAC/TC 243)

发布部门:中华人民共和国工业和信息化部

主管部门:全国有色金属标准化技术委员会(SAC/TC 243)

标准简介

本标准规定了铱管的要求、试验方法、检验规则、包装、标志、运输、贮存、产品质量证明书及合同(或订货单)内容。 本标准适用于用粉末冶金方法生产的用于耐火纤维行业的无缝铱管。
本标准由全国有色金属标准化技术委员会(SAC/TC243)归口。
本标准负责起草单位:西北有色金属研究院、西部金属材料有限责任公司、西安诺博尔稀贵金属材料有限公司。
本标准主要起草人:艾建玲、陈绍楷、朱梅生、倪沛彤、韩吉庆。

标准图片预览

YS/T 790-2012铱管
YS/T 790-2012铱管
YS/T 790-2012铱管
YS/T 790-2012铱管
YS/T 790-2012铱管

标准内容

ICS 77. 120. 99
中华人民共和国有色金属行业标准YS/T790—2012
2012-05-24发布
Iridiumtubes
2012-11-01实施
中华人民共和国工业和信息化部发布
中华人民共和国有色金属
行业标准
YS/T790—2012
中国标准出版社出版发行
北京市朝阳区和平里西街甲2号(100013)北京市西城区三里河北街16号(100045)网址www.spc.net.cn
总编室:(010)64275323发行中心:(010)51780235读者服务部:(010)68523946
中国标准出版社秦皇岛印刷厂印刷各地新华书店经销
开本880×12301/16印张0.5
5字数8千字
2012年12月第一版
2012年12月第一次印刷
书号:155066·2-24194定价
告由本社发行中心调换
如有印装差错
版权专有侵权必究
举报电话:(010)68510107
本标准由全国有色金属标准化技术委员会(SAC/TC243)归口。YS/T790—2012
本标准负贵起草单位:西北有色金属研究院、西部金属材料有限责任公司、西安诺博尔稀贵金属材料有限公司。
本标准主要起草人:艾建玲、陈绍楷、朱梅生、倪沛彤、韩吉庆。I
1范围
YS/T790--2012
本标准规定了铱管的要求、试验方法、检验规则、包装、标志、运输、贮存、产品质量证明书及合同(或订货单)内容。
本标准适用于用粉末冶金方法生产的用于耐火纤维行业的无缝铱管。2规范性引用文件此内容来自标准下载网
下列文件对于本文件的应用是必不可少的。凡是注日期的引用文件,仅注日期的版本适用于本文件。凡是不注日期的引用文件,其最新版本(包括所有的修改单)适用于本文件。GB/T1422—2004铱粉
GB/T1423贵金属及其合金密度的测定方法GB/T15077—2008贵金属及其合金材料几何测量方法GB/T18035贵金属及其合金牌号表示方法3要求
3.1产品分类
3.1.1牌号、状态、规格
管材的牌号、状态、规格应符合表1的规定。表1
T-Ir99.95
T-Ir99.99
3.1.2标记示例
Y(冷加工态)
外径营
规格/mm
0.6、0.7、0.8
产品标记按名称、牌号、状态、规格、标准编号的顺序表示,标记示例如下:长
25~100
25~200
用SM-Ir99.95按本标准生产的无缝Ir管,冷加工态,规格外径$10.0mm、壁厚0.6mm,长度100mm,标记为:YS/T790—2012
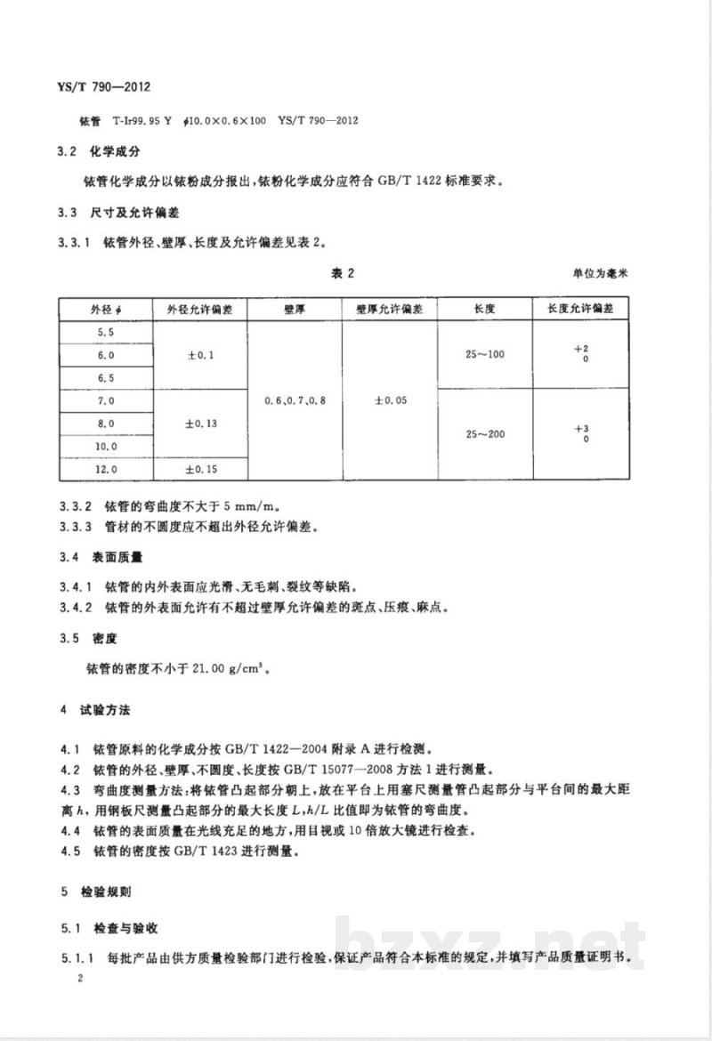
铱管T-Ir99.95Y$10.0×0.6×100YS/T790—20123.2化学成分
铱管化学成分以铱粉成分报出,铱粉化学成分应符合GB/T1422标准要求。3.3尺寸及允许偏差
3.3.1管外径、壁厚、长度及允许偏差见表2。表2
外径允许偏差
0.6、0.7、0.8
3.3.2铱管的弯曲度不大于5mm/m。3.3.3管材的不圆度应不超出外径允许偏差。3.4表面质量
壁厚允许偏差
3.4.1铱管的内外表面应光滑、无毛刺、裂纹等缺陷。3.4.2铱管的外表面允许有不超过壁厚允许偏差的斑点、压痕、麻点。3.5密度
铱管的密度不小于21.00g/cm3。4试验方法
4.1铱管原料的化学成分按GB/T1422—2004附录A进行检测。长度
25~100
25~200
4.2铱管的外径、壁厚、不圆度、长度按GB/T150772008方法1进行测量。单位为癌米
长度允许偏差
4.3弯曲度测量方法:将铱管凸起部分朝上,放在平台上用塞尺测量管凸起部分与平台间的最大距离h,用钢板尺测量凸起部分的最大长度L,h/L比值即为铱管的弯曲度。4.4管的表面质量在光线充足的地方,用目视或10倍放大镜进行检查。4.5铱管的密度按GB/T1423进行测量。5检验规则
5.1检查与验收
5.1.1每批产品由供方质量检验部门进行检验,保证产品符合本标准的规定,并填写产品质量证明书。2
YS/T790—--2012
5.1.2需方应对收到的产品,按本标准的规定进行验收,若检验结果与本标准的要求不符时,应在收到产品之日起三个月内向供方提出,由供需双方协商解决。如需仲裁,仲裁取样由供需双方共同进行。5.2组批
产品应成批提交验收,每批产品应由同一批投料、按相同的工艺加工的同规格的产品组成。5.3检验项目
每批产品应进行尺寸及允许偏差、表面质量、密度检查。5.4取样规则
产品的取样规则应符合表3的规定。表3
检验项目
化学成分
表面质量
5.5检验结果的判定
取样数量
以原料铱粉成分报出
每批任取一根,截取长度30mm左右5.5.1尺寸、表面质量检验不合格时,判单件不合格。要求的章条号
试验方法章条号
4.2、4.3
5.5.2密度不合格时,允许取双倍样进行重复试验,如重复试验结果仍有一个结果不合格,判该批产品不合格。
6包装、标志、运输、贬存及产品质量证明书6.1包装、标志
6.1.1每根管材用清洁的软纸包裹,同一批号的管材扎成一捆,再用塑料薄膜裹紧后,装入木箱中,四周用塑料泡沫板塞紧。
6.1.2每捆产品应附标签,注明:供方名称、产品名称、牌号、规格、数量、批号、状态。6.1.3包装箱中应附装箱单,其上注明:供方名称;
b)产品名称、牌号;
规格、状态、数量;
包装日期。
6.2运输、贮存
产品在运输贮存过程中应防止碰伤、压伤、擦伤。6.3产品质量证明书
每批产品应附有产品质量证明书,注明:YS/T790—2012
供方的名称;
b)产品名称、规格、状态;
c)产品批号、数量;
d)检验结果及质量检验部门的印记;e)本标准编号;
f)包装日期。
7合同(或订货单)内容
订购本标准所列产品的合同(或订货单)应包括以下内容:a)产品名称、规格、状态;
b)产品数量;
c)本标准编号;
d)其他。
Y8/T790-2012-管
155066224194
RMB:14.00
YS/T790-2012
版权专有侵权必究
书号:1550662-24194
定价:
BZ002104646
Z10Z--06 L/SX
小提示:此标准内容仅展示完整标准里的部分截取内容,若需要完整标准请到上方自行免费下载完整标准文档。