首页 > 其他行业标准 > YS/T 1135-2016钛铝金属间化合物烧结多孔材料管状过滤元件
YS/T 1135-2016

基本信息

标准号: YS/T 1135-2016

中文名称:钛铝金属间化合物烧结多孔材料管状过滤元件

标准类别:其他行业标准

英文名称:Tubular filter element for sintered Ti-Al porous intermetallic compound

标准状态:现行

发布日期:2016-07-11

实施日期:2017-01-01

出版语种:简体中文

下载格式:.pdf .zip

标准分类号

标准ICS号:冶金>>77.160粉末冶金

中标分类号:冶金>>粉末冶金>>H72粉末冶金材料与制品

关联标准

出版信息

出版社:中国标准出版社

页数:12页

标准价格:16.0

出版日期:2017-01-01

相关单位信息

起草人:高麟、汪涛、蒋敏、任德忠、张伟、李波、张丽红、卢亚琼

起草单位:成都易态科技有限公司、西安健科新技术开发有限公司、中国有色金属工业标准计量质量研究所

归口单位:全国有色金属标准化技术委员会(SAC/TC 243)

提出单位:全国有色金属标准化技术委员会(SAC/TC 243)

发布部门:中华人民共和国工业和信息化部

主管部门:全国有色金属标准化技术委员会(SAC/TC 243)

标准简介

本标准规定了粉末冶金法生产的钛铝金属间化合物烧结多孔材料管状过滤元件的要求、试验方法、检验规则、标志、包装、运输、贮存、质量证明书和合同(或订货单)内容。本标准适用于液固的过滤与分离用钛铝金属间化合物烧结多孔材料管状过滤元件。


标准图片预览

YS/T 1135-2016钛铝金属间化合物烧结多孔材料管状过滤元件
YS/T 1135-2016钛铝金属间化合物烧结多孔材料管状过滤元件
YS/T 1135-2016钛铝金属间化合物烧结多孔材料管状过滤元件
YS/T 1135-2016钛铝金属间化合物烧结多孔材料管状过滤元件
YS/T 1135-2016钛铝金属间化合物烧结多孔材料管状过滤元件

标准内容

ICS.77.160
中华人民共和国有色金属行业标准YS/T1135—2016
钛铝金属间化合物烧结多孔材料管状过滤元件
Tubular filter element for sintered Ti-Al porous intermetallic compound2016-07-11发布
中华人民共和国工业和信息化部发布
2017-01-01实施
本标准按照GB/T1.1一2009给出的规则起草。本标准由全国有色金属标准化技术委员会(SAC/TC243)提出并归口。YS/T1135—2016
本标准起草单位:成都易态科技有限公司、西安健科新技术开发有限公司、中国有色金属工业标准计量质量研究所。
本标准主要起草人:高麟、汪涛、蒋敏、任德忠、张伟、李波、张丽红、卢亚琼、1范围
钛铝金属间化合物烧结多孔材料管状过滤元件
YS/T1135—2016
本标准规定了粉末冶金法生产的钛铝金属间化合物烧结多孔材料管状过滤元件(以下简称过滤元件)的要求、试验方法、检验规则、标志、包装、运输、贮存、质量证明书和合同(或订货单)内容。本标准适用于液固的过滤与分离用钛铝金属间化合物烧结多孔材料管状过滤元件。规范性引用文件
下列文件对于本文件的应用是必不可少的。凡是注日期的引用文件,仅注日期的版本适用于本文件。凡是不注日期的引用文件,其最新版本(包括所有的修改单)适用于本文件。GB/T5249
GB/T5250
GB/T6804
GB/T7963
GB/T7964
GB/T11336
YB/T5320
3要求
3.1产品分类
可渗透性烧结金属材料气泡试验孔径的测定可渗透性烧结金属材料流体渗透性的测定烧结金属衬套径向压溃强度的测定烧结金属材料(不包括硬质合金)拉伸试样烧结金属材料(不包括硬质合金)室温拉伸试验bZxz.net
直线度误差检测
金属材料定量相分析X射线衍射K值法3.1.1产品形状、型号
过滤元件按结构分为单管和套管,其形状分别见图1和图2所示。过滤元件按平均孔径分为7种型号,见表1。
说明:
D——过滤元件直径;
过滤元件长度;
过滤元件厚度。
图1单管过滤元件示意图
YS/T1135—2016
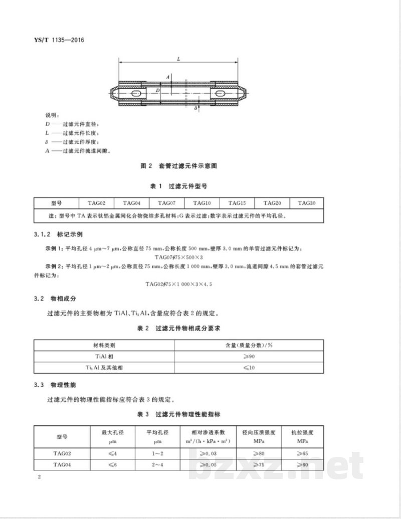
说明:
过滤元件直径;
过滤元件长度;
过滤元件厚度;
过滤元件流道间隙。
套管过滤元件示意图
表1:
过滤元件型号
注:型号中TA表示钛铝金属间化合物烧结多孔材料;G表示过滤;数字表示过滤元件的平均孔径3.1.2
标记示例
示例1:平均孔径4μm~7μm,公称直径75mm,公称长度500mm,壁厚3.0mm的单管过滤元件标记为:TAG07$75X500X3
示例2:平均孔径1μm~2μm,公称直径75mm,公称长度1000mm,壁厚3.0mm,流道间隙4.5mm的套管过滤元件标记为:
TAG02$75X1000X3X4.5
物相成分
过滤元件的主要物相为TiAl、TisAl,含量应符合表2的规定。表2
材料类别
TiAI相
TigAI及其他相
物理性能
过滤元件物相成分要求
含量(质量分数)/%
过滤元件的物理性能指标应符合表3的规定。表3
最大孔径
过滤元件物理性能指标
平均孔径
相对渗透系数
m*/(h·kPa·m2)
径向压渍强度
抗拉强度
最大孔径
表3(续)
平均孔径
相对渗透系数
m*/(h·kPama)
注1:表中相对渗透系数值为单位面积单位时间单位压差的纯水通量YS/T1135—2016
径向压溃强度
抗拉强度
≥>30
注2:表中相对渗透系数检测对应的过滤元件厚度为3mm,当涉及不同壁厚规格过滤元件时,相对渗透系数指标以供需双方协商为准。
尺寸及允许偏差
单管过滤元件尺寸及允许偏差应符合表4规定,套管过滤元件尺寸及允许偏差应符合表5规定。表4单管过滤元件尺寸及允许偏差直径D
公称尺寸
允许偏差
公称尺寸
长度L
允许偏差
公称尺寸
壁厚8
单位为毫米
允许偏差
YS/T1135—2016
直径D
公称尺寸
直径D
公称尺寸
允许偏差
允许偏差
公称尺寸
表4(续)
长度L
允许偏差
套管过滤元件尺寸及允许偏差
长度L
公称尺寸
允许偏差
壁厚8
公称尺寸
公称尺寸
允许偏差
壁厚8
单位为毫米
允许偏差
单位为毫米
流道间隙A
公称尺寸
允许偏差
直径D
公称尺寸
直线度
允许偏差
长度L
公称尺寸
表5(续)
允许偏差
单管和套管过滤元件直线度均应不大于2mm/m。S外观质量
壁厚8
公称尺寸
过滤元件表面应清洁,无浮粉、裂纹、斑点及过烧等现象。允许偏差
YS/T1135—2016
单位为毫米
流道间隙A
公称尺寸
允许偏差
YS/T1135—2016
3.7耐腐蚀性能
需方对过滤元件耐腐蚀性能有要求时,由供需双方协商确定,并在合同(或订货单)中注明。3.8其他
需方对过滤元件有其他特殊要求时,由供需双方共同商定。4
试验方法
过滤元件的主要物相成分的检验按YB/T5320的规定进行。4.2过滤元件的最大孔径检验按GB/T5249的规定进行。4.3过滤元件的平均孔径检验按供需双方协商确定的方法进行。4.4过滤元件的相对渗透系数检验按GB/T5250的规定进行。4.5过滤元件的径向压溃强度检验按GB/T6804的规定进行。4.6过滤元件的抗拉强度检验按GB/T7963、GB/T7964的规定进行。4.7
过滤元件的尺寸及允许偏差用相应精度的量具测量。4.8过滤元件的直线度检验按GB/T11336规定进行。过滤元件的外观质量用目视检验。4.9
过滤元件耐腐蚀性能的检验方法由供需双方协商确定。检验规则
5.1检查和验收
5.1.1产品应由供方进行检验,保证产品质量符合本标准及合同(或订货单)的规定,并填写质量证明书。
5.1.2需方可对收到的产品按本标准及合同(或订货单)规定进行检验,如果检验结果与本标准及合同(或订货单)的规定不符时,应在产品收到之日起三个月内向供方提出,由供需双方协商解决。5.2组批
产品应成批提交验收,每批由同一批原材料、同一型号、同一规格、按相同工艺生产的产品组成。每批数量不大于1000支。
5.3检验项目及取样
过滤元件检验项目及取样数量见表6。表6过滤元件的检验项目及取样数量检验项目
物相成分
最大孔径
平均孔径
相对渗透系数
取样数量
每批1%,但不少于3支
每批1%,但不少于5支
每批1%,但不少于5支
每批1%,但不少于5支
要求的章条号
试验方法章条号
检验项目
径向压溃强度
抗拉强度
尺寸及允许偏差
直线度
外观质量
耐腐蚀性能
表6(续)
取样数量
每批1%,但不少于5支
每批1%,但不少于5支
逐支检验
逐支检验
逐支检验
1支/批
a需方要求进行径向压溃强度检验时,应在合同(或订货单)中注明。b需方要求进行抗拉强度检验时,应在合同(或订货单)中注明。5.4
检验结果判定
要求的章条号
YS/T1135—2016
试验方法章条号
5.4.1物相成分检验结果不合格时,则在该批产品中另取双倍试样对该不合格项进行重复检验,若重复检验仍有结果不合格时,则判该批产品为不合格。5.4.2最大孔径检验结果不合格时,则在该批产品中另取双倍试样对该不合格项进行重复检验,若重复检验仍有结果不合格时,则判该批产品为不合格。但允许逐支检验,合格者重新组批,5.4.3平均孔径检验结果不合格时,则在该批产品中另取双倍试样对该不合格项进行重复检验,若重复检验仍有结果不合格时,则判该批产品为不合格。但允许逐支检验,合格者重新组批。5.4.4相对渗透系数检验结果不合格时,则在该批产品中另取双倍试样对该不合格项进行重复检验,若重复检验仍有结果不合格时,则判该批产品为不合格。但允许逐支检验,合格者重新组批,5.4.5径向压溃强度检验结果不合格时,则在该批产品中另取双倍试样对该不合格项进行重复检验,若重复检验仍有结果不合格时,则判该批产品为不合格。5.4.6抗拉强度检验结果不合格时,则在该批产品中另取双倍试样对该不合格项进行重复检验,若重复检验仍有结果不合格时,则判该批产品为不合格,5.4.7尺寸及允许偏差检验结果不合格,判该支产品不合格。5.4.8
3直线度检验结果不合格,判该支产品不合格。5.4.9
外观质量检验结果不合格,判该支产品不合格5.4.10
耐腐蚀性能结果不合格时,则在该批产品中另取双倍试样对该不合格项进行重复检验,若重复检验仍有结果不合格时,则判该批产品为不合格。标志、包装、运输、贮存和质量证明书6
6.1标志
6.1.1检验合格的产品应有如下标志或标签:a)产品型号;
b)产品规格;
产品批号;
生产日期;
供方质量检验部门检印。
包装箱上应注明以下内容:
YS/T1135—2016
供方名称;
产品名称;
产品数量、型号;
订货单位及地址;
防潮、防震等字样或标志。
包装、运输、贮存
产品以塑料袋包装,包装好的产品置于运输包装箱内,以软质物隔开并填紧产品运输过程中,不得受潮、撞击和滚动产品应存放在阴凉、通风、干燥的库房内、质量证明书
每批产品应附有产品质量证明书,并注明以下内容:a)
供方名称;
产品名称;
产品型号;
产品规格;
产品批号;
产品数量;
各项分析检验结果和质量检验部门检印;本标准编号(YS/T1135—2016);出厂日期。
合同(或订货单)内容
订购本标准所列材料的订货单(或合同应包括以下内容:a)
产品名称;
产品型号;
产品规格;
产品数量;
本标准要求的“应在合同中注明”的事项;本标准编号(YS/T1135—2016);其他。
小提示:此标准内容仅展示完整标准里的部分截取内容,若需要完整标准请到上方自行免费下载完整标准文档。