首页 > 其他行业标准 > YS/T 1138-2016硬质合金六方拼模
YS/T 1138-2016

基本信息

标准号: YS/T 1138-2016

中文名称:硬质合金六方拼模

标准类别:其他行业标准

英文名称:Cemented carbide for six-party spell die

标准状态:现行

发布日期:2016-07-11

实施日期:2017-01-01

出版语种:简体中文

下载格式:.pdf .zip

下载大小:2673156

标准分类号

标准ICS号:冶金>>77.160粉末冶金

中标分类号:冶金>>粉末冶金>>H72粉末冶金材料与制品

关联标准

出版信息

出版社:中国标准出版社

页数:12页

标准价格:16.0

出版日期:2017-01-01

相关单位信息

起草人:王辉平、赵声志、刘铁梅、杨军、谢浩、曹万里、康俊

起草单位:株洲硬质合金集团有限公司、自贡硬质合金有限责任公司、深圳市注成科技有限公司

归口单位:全国有色金属标准化技术委员会(SAC/TC 243)

提出单位:全国有色金属标准化技术委员会(SAC/TC 243)

发布部门:中华人民共和国工业和信息化部

主管部门:全国有色金属标准化技术委员会(SAC/TC 243)

标准简介

本标准规定了硬质合金六方拼模的要求、试验方法、检验规则、标志、包装、运输、贮存及质量证明书和合同(或订货单)内容。本标准适用于六方拼模模具用硬质合金毛坯。


标准图片预览

YS/T 1138-2016硬质合金六方拼模
YS/T 1138-2016硬质合金六方拼模
YS/T 1138-2016硬质合金六方拼模
YS/T 1138-2016硬质合金六方拼模
YS/T 1138-2016硬质合金六方拼模

标准内容

ICS77.160
中华人民共和国有色金属行业标准YS/T1138—2016
硬质合金六方拼模
Cemented carbidefor six-partyspelldie2016-07-11发布
中华人民共和国工业和信息化部发布
2017-01-01实施
本标准按GB/T1.1一2009给出的规则起草。本标准由全国有色金属标准化技术委员会(SAC/TC243)提出并归口。YS/T1138—2016
本标准起草单位:株洲硬质合金集团有限公司、自贡硬质合金有限责任公司、深圳市注成科技有限公司。
本标准主要起草人:王辉平、赵声志、刘铁梅、杨军、谢浩、曹万里、康俊。1范围
硬质合金六方拼模
YS/T1138—2016
本标准规定了硬质合金六方拼模的要求、试验方法、检验规则、标志、包装、运输、贮存和质量证明书以及合同(或订货单)内容。
本标准适用于六方拼模模具用硬质合金毛坏。2规范性引用文件
下列文件对于本文件的应用是必不可少的。凡是注日期的引用文件,仅注日期的版本适用于本文件。凡是不注日期的引用文件,其最新版本(包括所有的修改单)适用于本文件。GB/T5242硬质合金制品检验规则与试验方法GB/T5243
硬质合金制品的标志、包装、运输和贮存GB/T6885
3要求
硬质合金混合粉取样和试验方法3.1型号表示规则
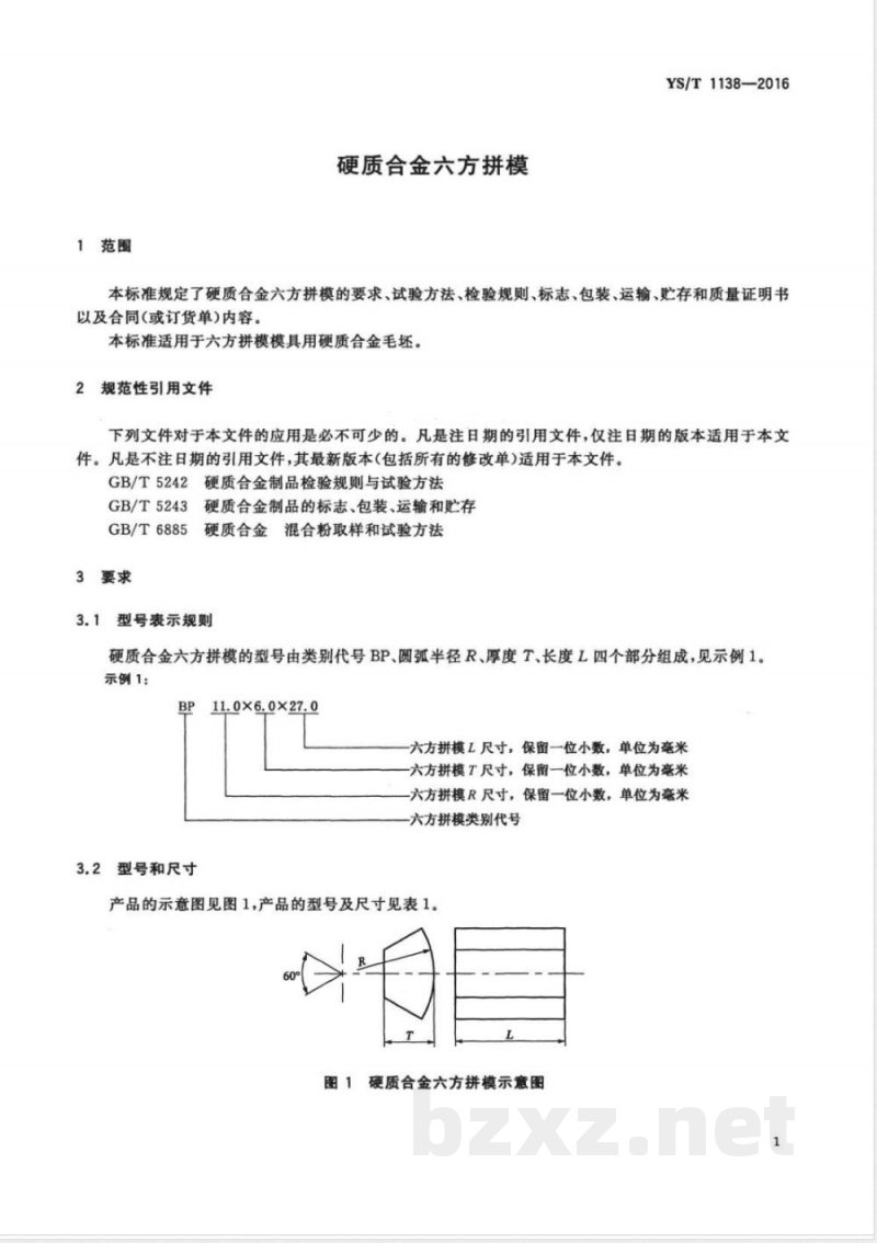
硬质合金六方拼模的型号由类别代号BP、圆弧半径R、厚度T、长度L四个部分组成,见示例1。示例1:
3.2型号和尺寸
11.0×6.0×27.0
六方拼模L尺寸,保留一位小数,单位为毫米六方拼模T尺寸,保留一位小数,单位为毫米六方拼模R尺寸,保留一位小数,单位为毫米六方拼模类别代号
产品的示意图见图1,产品的型号及尺寸见表1。图1硬质合金六方拼模示意图
YS/T1138—2016
BP7.8X5.4X15.0
BP9.0X5.1X15.0
BP11.0X6.0X21.0
BP11.0X6.1X16.0
BP11.0X7.0X13.0
BP12.0X7.2X16.5
BP12.0X7.2X20.0
BP12.0X8.0X20.0
BP12.5X7.6X20.0
BP14.5×7.6X20.0
BP15.0X8.0X20.0
BP18.0X10.0X29.0
BP20.0X10.5X28.0
BP20.0X10.5X28.0
BP23.0X11.5X32.5
BP23.0X12.0X28.0
BP23.0X12.0X32.5
BP23.0×12.5×32.5
BP25.0×13.0×32.0
BP25.0X14.0X28.0
BP25.0X14.0X32.0
BP27.5X14.0X36.0
BP30.0×14.0×42.0
BP30.0X15.0X42.0
BP33.0X12.5X51.0
BP36.0X13.0X56.0
圆弧半径R
注:特殊要求尺寸由供需双方协商确定。3.3
化学成分
产品的化学成分由供需双方协商确定。3.4物理性能、力学性能、组织结构型号及尺寸
厚度T
产品的物理性能、力学性能、组织结构由供需双方协商确定。2
单位为毫米
长度L
3.5尺寸及允许偏差
R、T、L尺寸允许偏差应符合表2、表3的规定。表2
2圆弧半径尺寸允许偏差
圆弧半径
>14.0~18.0
>18.0~24.0
>24.0~30.0
>30.0~36.0
长度或厚度
>18.0~30.0
>30.0~50.0
3.6外观质量
>18.0~30.0
>30.0~50.0
表3长度或厚度尺寸允许偏差
圆弧半径
>14.0~18.0
>18.0~24.0
>24.0~30.0
YS/T1138—2016
单位为毫米
单位为毫米
>30.0~36.0
3.6.1工作部位掉边角深度不大于0.4mm,非工作部位掉边角深度不大于0.6mm。3.6.2产品表面不应有起皮、鼓泡、分层、裂纹、脏化、黏料、堵孔、氧化等影响使用的缺陷。4试验方法免费标准下载网bzxz
4.1产品的化学成分分析按供需双方协商确定的方法进行。4.2产品的物理性能、力学性能及组织结构的检验按GB/T5242协商确定。3
YS/T1138—2016
4.3产品的尺寸及允许偏差采用相应精度的量具进行检验。4.4产品的外观质量用目视检查,必要时结合相应精度的量具进行检验。5检验规则
5.1检查和验收
5.1.1产品应由供方进行检验,保证产品质量符合本标准及合同(或订货单)的规定,并填写质量证明书。
5.1.2需方应对收到的产品按本标准及合同(或订货单)的规定进行复验。复验结果与本标准及合同(或订货单)的规定不符时,应在收到产品之日起三个月内以书面形式向供方提出,由供需双方协商解决。如需仲裁,仲裁取样应由供需双方共同进行。5.2组批
产品应成批提交验收。产品的组批按GB/T5242的规定进行。5.3检验项目及取样
产品的检验项目、取样位置及取样数量应符合表4的规定。表4检验项目、取样位置及取样数量检验项目
化学成分
物理性能、力学性能、
组织结构
尺寸及允许偏差
外观质量
取样位置
混合料
产品随机抽样
(抗弯强度检验采用随炉试样)逐件
5.4检验结果的判定
取样数量
按GB/T6885规定进行
按GB/T5242的规定进行
要求的章条号
试验方法的章条号
5.4.1产品的化学成分检验不合格,则从该批混合料中另取双倍试样对该不合格项进行重复检验,若重复检验结果中仍有一项检验结果不合格,判该批不合格。5.4.2产品的物理性能、力学性能、组织结构检验结果的判定按GB/T5242的规定进行。5.4.3产品的尺寸及允许偏差检验不合格,判该件不合格。5.4.4产品的外观质量检验不合格,判该件不合格。6标志、包装、运输、购存和质量证明书6.1标志、包装、运输、贮存
产品的标志、包装、运输和贮存按GB/T5243的规定进行。6.2质量证明书
每批产品应附有质量证明书,其上注明以下内容:4
供方名称、地址;
产品名称;
产品型号;
批号:
各项检验结果及技术监督部门印记;生产日期。
合同(或订货单)内容
订购本标准所列产品的合同(或订货单)应包括下列内容:产品名称;
产品型号;
产品净重或数量;
本标准编号(YS/T1138—2016);特殊要求。
YS/T1138—2016
小提示:此标准内容仅展示完整标准里的部分截取内容,若需要完整标准请到上方自行免费下载完整标准文档。