首页 > 国家标准(GB) > GB/T 4678.11-2003 压铸模零件 第11部分: 推杆
GB/T 4678.11-2003

基本信息

标准号: GB/T 4678.11-2003

中文名称:压铸模零件 第11部分: 推杆

标准类别:国家标准(GB)

英文名称: Die casting parts Part 11: Push rod

标准状态:现行

发布日期:2003-07-02

实施日期:2004-03-01

出版语种:简体中文

下载格式:.rar.pdf

下载大小:75992

相关标签: 压铸模 零件 推杆

标准分类号

标准ICS号:机械制造>>无屑加工设备>>25.120.30模制设备和铸造设备

中标分类号:机械>>工艺装备>>J46模具

关联标准

替代情况:GB/T 4678.11-1984

出版信息

出版社:中国标准出版社

页数:4页

标准价格:8.0 元

出版日期:2004-03-01

相关单位信息

首发日期:1984-09-27

复审日期:2004-10-14

起草人:张连根、蔡紫金、翁史振、冯伯淳、廖宏谊、杨召岭、黄志禄、李红英

起草单位:上海皮尔博格有色零部件有限公司

归口单位:全国模具标准化技术委员会

提出单位:中国电器工业协会

发布部门:中华人民共和国国家质量监督检验检疫总局

主管部门:国家标准化管理委员会

标准简介

本部分规定了压铸模用推杆的尺寸规格和公差。本部分适用于压铸模所用的推杆。本部分给出了材料指南和硬度要求,并规定了推杆的标记。 GB/T 4678.11-2003 压铸模零件 第11部分: 推杆 GB/T4678.11-2003 标准下载解压密码:www.bzxz.net

标准图片预览

GB/T 4678.11-2003 压铸模零件 第11部分: 推杆
GB/T 4678.11-2003 压铸模零件 第11部分: 推杆
GB/T 4678.11-2003 压铸模零件 第11部分: 推杆
GB/T 4678.11-2003 压铸模零件 第11部分: 推杆

标准内容

GB/T 4678.11-2003
GB/T4678《压铸模零件》分为19部分:第1部分:模板;
第2部分:圆形镶块;
第3部分:矩形镶块;
第4部分:带肩导柱;wwW.bzxz.Net
——第5部分:带头导柱;
第6部分:带头导套;
一第7部分:直导套;
第8部分:推板;
第9部分:推板导柱;
第10部分:推板导套;
第11部分:推杆;
第12部分:复位杆;
第13部分:推板垫圈;
第14部分:限位钉;
第15部分:垫块;
第16部分:扁推杆;
一第17部分:推管;
-第18部分:支承柱;
第19部分:定位元件。
本部分为GB/T4678的第11部分。前言
本部分代替GB/T4678.111984《压铸模零件推杆》。本部分与GB/T4678.11--1984相比主要变化如下:在标准的编排上作了较大修改,增加了“前言”“范围”和“规范性引用文件”,并规定了标记应有内容。
增加了一种推杆类型(A型),分为A型推杆和B型推杆。修改了尺寸规格系列,增加了大尺寸规格系列。一材料改为推荐选用。
一表面粗糙度代替原标准中的光洁度。本部分由中国电器工业协会提出。本部分由全国模具标准化技术委员会(SAC/TC33)归口。本部分起草单位:上海皮尔博格有色零部件有限公司、广州型腔模具厂、桂林电器科学研究所、东风科技汽车制动系统公司、成都兴光压铸工业有限公司。本部分主要起草人:张连根、蔡紫金、翁史振、冯伯淳、廖宏谊、杨召岭、黄志禄、李红英。本部分于1984年9月首次发布,2003年第一次修订。46
1范围
压铸模零件
第11部分:推杆
本部分规定了压铸模用推杆的尺寸规格和公差。本部分适用于压铸模所用的推杆。本部分还给出了材料指南和硬度要求,并规定了推杆的标记。2
规范性引用文件
GB/T 4678,11—2003
下列文件中的条款通过GB/T4678的本部分的引用而成为本部分的条款。凡是注日期的引用文件,其随后所有的修改单(不包括勘误的内容)或修订版均不适用于本部分,然而,鼓励根据本部分达成协议的各方研究是否可使用这些文件的最新版本。凡是不注日期的引用文件,其最新版本适用于本部分。GB/T4679--2003压铸模零件技术条件3尺寸规格
3.1A型推杆
见图1表1
表面粗糙度以微米为单位
未注表面粗糙度Ra=6.3μm。
端面不允许留有中心孔。
图1A型推杆
表1A型推杆尺寸
单位为毫米
GB/T 4678.11-—2003
单位为毫米
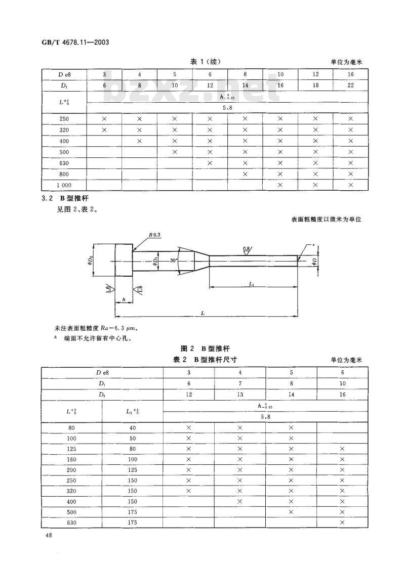
表1(续)
2B型推杆
见图2、表2。
表面粗糙度以微米为单位
未注表面粗糙度Ra=6.3μm。
端面不允许留有中心孔。
图2B型推杆
单位为毫米
表 2 B型推杆尺寸
4材料和硬度
材料由制造者选定,推荐采用4Cr5MoSiV1、3Cr2W8V。硬度 45 HRC~50 HRC。
GB/T 4678.11—2003
淬火后表面可进行渗氮处理,渗氮层深度为0.08mm~~0.15mm,心部硬度40HRC~~44HRC,表面硬度≥900 HV。
5技术要求
应符合GB/T4679—2003的规定。6标记
按本部分的推杆应有下列标记:a)
推杆:
推杆类型A、B;
推杆直径D,以毫米为单位;
推杆长度L,以毫米为单位;
推杆的头部厚度h,以毫米为单位;f)本部分代号,即GB/T4678.11—2003。示例1:
D=3 mm、L80 mm、h=5 mm的 A型推杆标记如下:推杆A3
3X80X5GB/T4678.11--2003
示例2:
D=3mm、L=80mm、h-5mm的B型推杆标记如下:推杆B3×80×5
GB/T 4678. 11--2003
小提示:此标准内容仅展示完整标准里的部分截取内容,若需要完整标准请到上方自行免费下载完整标准文档。