首页 > 国家标准(GB) > GB/T 4728.2-1998 电气简图用图形符号 第2部分 符号要素、限定符号和其他常用符号
GB/T 4728.2-1998

基本信息

标准号: GB/T 4728.2-1998

中文名称:电气简图用图形符号 第2部分 符号要素、限定符号和其他常用符号

标准类别:国家标准(GB)

英文名称: Graphical symbols for electrical schematics Part 2 Symbol elements, limiting symbols and other commonly used symbols

标准状态:已作废

发布日期:1998-03-11

实施日期:1998-01-02

作废日期:2005-08-01

出版语种:简体中文

下载格式:.rar.pdf

下载大小:492085

相关标签: 电气 图形符号 符号 要素 常用

标准分类号

标准ICS号:电气工程>>29.020电气工程综合

中标分类号:电工>>电工综合>>K04基础标准与通用方法

关联标准

替代情况:GB 4728.2-1984;被GB/T 4728.2-2005代替

采标情况:≡IEC 617-2-96

出版信息

出版社:中国标准出版社

书号:155066.1-15387

页数:25

标准价格:15.0 元

出版日期:2004-08-11

相关单位信息

复审日期:2004-10-14

起草单位:机械工业部机械科学研究院

归口单位:国家质量监督检验检疫总局

发布部门:国家技术监督局

标准简介

详见本标准。 GB/T 4728.2-1998 电气简图用图形符号 第2部分 符号要素、限定符号和其他常用符号 GB/T4728.2-1998 标准下载解压密码:www.bzxz.net

标准图片预览

GB/T 4728.2-1998 电气简图用图形符号 第2部分 符号要素、限定符号和其他常用符号
GB/T 4728.2-1998 电气简图用图形符号 第2部分 符号要素、限定符号和其他常用符号
GB/T 4728.2-1998 电气简图用图形符号 第2部分 符号要素、限定符号和其他常用符号
GB/T 4728.2-1998 电气简图用图形符号 第2部分 符号要素、限定符号和其他常用符号
GB/T 4728.2-1998 电气简图用图形符号 第2部分 符号要素、限定符号和其他常用符号

标准内容

GB/T 4728.2—1998
本标准等同采用国际电工委员会标准IFC617-2:1996《简图用图形符号第2部分符号要素、限定符号和其他常用符号》。
本标准是对GB4728.2-84《电气图用图形符号第2部分符号要素、限定符号和其他常用符号》的修订,与GB4728.2--84相比,本标准的符号归类和类别名称有较大变动;删掉了GB1728.2--84的 02-02-0102-02-02、02-02-12.02-06-06、02-14-06,02-14-07,02-14-08.02-14-09、02-17-03.02-17-04、02-17-05.02-17-06等12个符号,新增了02-01-08、02-08-06、02-08-07、02-09-04、02-09-05、02-13-28、02~17-06A等7个符号;符号02-17-07调整到GB4728.7;原02-15-05转到02-15-04条说明栏。GB4728.2是系列标准《电气简图用图形符号》的一个部分。该系列标准包括如下部分:
GB4728.1电气图用图形符号
GB/T4728.2电气简图用图形符号符号要素、限定符号和其他常用符号GB/T4728.3电气简图用图形符号导体和连接件
GB4728.4电气图用图形符号无源元件GB 4728. 5
半导体管和电子管
电气图用图形符号
GB 4728. 6 T
电气图用图形符号
GB 4728.7
电气图用图形符号
电气图用图形符号
GB 4728.91
电气图用图形符号
GB 1728. 10
电气图用图形符号
电能的发生和转换
开关、控制和保护装置
测量仪表、灯和信号器件
电信:交换和外围设备
电信:传输
GB4728.11电气图用图形符号
电力照明和电信布置
GB/T4728.12电气简图用图形符号二进制逻辑元件GB/T4728.13电气简图用图形符号模拟元件该系列的范围及引用标准见IEC617-1,修订GB4728.1时将等同采用IEC617-1。本标准中的符号02-02-15和02-02-16引自GB/T4026-—92《电气设备接线端子和特定导线线端的识别及应用字母数字系统的通则》(等同采用IEC445),GB8445~-87《有关电路和磁路的规定》是参照采用IEC375:1972,GB10066.3--88《电热设备的试验方法无心感应炉》等效采用IEC646.GB4458.1--84,《技术制图图样画法》参照采用ISO128:1982。原IEC617-2:1996的附录B、附录C分别为法文、英文索引,在本标准中删去。本标准的附录B为GB4728.2--84中增加的原IEC617-2(第1版)中所没有的符号。本标准从实施之日起,同时代替GB4728.2-84。本标的附录A、附录B都是提示的附录。本标由全国电气文件编制和图形符号标准化技术委员会提出并归口。本标准由机械工业部机械科学研究院负责起草。本标准主要起草人:郭汀、李世林、高惠民、孟庆兰、殷桃、刘月华、魏雁筠。GB/T4728.2—1998
IEC 前言
1)IEC(国际电工委员会)是包括所有国家电工委员会(IEC各国家委员会)的世界范围的标准化组织。IEC规定的目标是促进在电工和电子领域有关标准的各种问题上的国际合作。为此目的和其他活动的需要,IEC还出版国际标准。国际标准的制定委托给各技术委员会。如对所研究的内容感兴趣,任何IEC国家委员会都可以参加标准制定工作。和IEC有联系的国际组织,政府和非政府组织也可参加标准制定工作。根据与国际标准化组织(ISO)间的协议所确定的条件,IEC和ISO密切合作。2)IEC有关技术问题上的正式决议和协议,由那些特别关心这些问题的国家委员会参加的技术委员会所制定,对所涉及的主题尽可能表达国际上的一致看法。3)它们以标准、技术报告或导则的形式出版并推荐国际上使用,在这个意义工为各国家委员会所接受。
4)为了促进国际上的统·,IEC各国家委员会承担在他们的国家和地区可能最大程度的应用IEC国际标准的任务。IEC国际标准和相应的国家标准或地区标准之间有任何差异都应在后者中明确指出。国际标准IEC617-2山IEC第3技术委员会(文件和图形符号)的3A分技术委员会(简图用图形符号)起草。
本第2版废除和取代了1983年的第1版并进行了技术修订。本标准的正文基于下述文件:
国际标准草案(FDIS)
3A(CO)167
3A(CO)172
3A(CO)189
3A(CO)200
3A(CO)202
3A(CO)204
3A/380/FDIS
表决本标准的全部信息可在上表所述的表决报告中找到。附录A、附录B和附录C供作信息用。表决报告
3A(CO)176
3A(CO)181
3A(CO)196
3A(CO)211
3A(CO)214
3A(CO)216
3A/418/RVD
GB/T 4728.2--1998
IEC引言
IEC617的这一部分构成了简图用图形符号系列的一个部分。该系列包括如下部分:
第1部分一般信息、总索引、对照表第2部分符号要素、限定符号和其他常用符号第3部分
第4部分
第5部分
第6部分
导体和连接件
基本无源元件
半导体管和电子管
电能的发生和转换
第7部分
第8部分
第9部分
第10部分
第11部分
第12部分
第13部分
开关设备、控制设备和保护器件测量仪表、灯和信号器件
电信:交换和外围设备
电信:传输
建筑及地形安装平面图和简图
二进制逻辑元件
模拟元件
该系列的范围及引用标准见IEC617-1。上述符号根据将出版的ISO11714-1*的要求设计。所采用的模数M一2.5mm。为了使较小的符号更清晰,在本标准中这些符号被放大一倍,并且在符号栏中作了“200%”的标记;为了节省幅面,较大的符号被缩小倍,并在符号栏中作了50%”的标记。为了便于绘制多个端子和满足其他布置上的要求,按ISO11714-1第7条的规定,符号的尺寸(例如高度)可以改变。无论符号的尺寸被放大、缩小或修正,原先的线宽不按比例修正。
本标准的符号布置,应使连接线之间的距离是某一模数的倍数。为了便于标注端子的标记,通常选择2M。为了便于理解,符号按一定的尺寸绘制,并且在绘制所有的符号时,都统一使用了一样的网格。在计算机辅助绘图系统中,所有的符号均应画在网格内,所用的网格再现在符号的背景上。在IEC617-2第1版附录A中包括的旧符号有一个过渡期,第2版中不再包括这一部分,同时将明确它们不再使用。
附录B和附录C的索引包括符号名称及其编号的字母顺序索引,符号名称以本部分符号的说明为依据。包括所有部分的符号字母顺序的总索引由IEC 617-1给出,*目前,尚在国际标准草案阶段(文件3/563/DIS)。中华人民共和国国家标准
电气简图用图形符号
第2部分
符号要素、限定符号
和其他常用符号
Graphical symbols for diagramsPart 2 Symbol elements, qualifying symbols and othersymbols having general application第一篇
轮廓和外壳
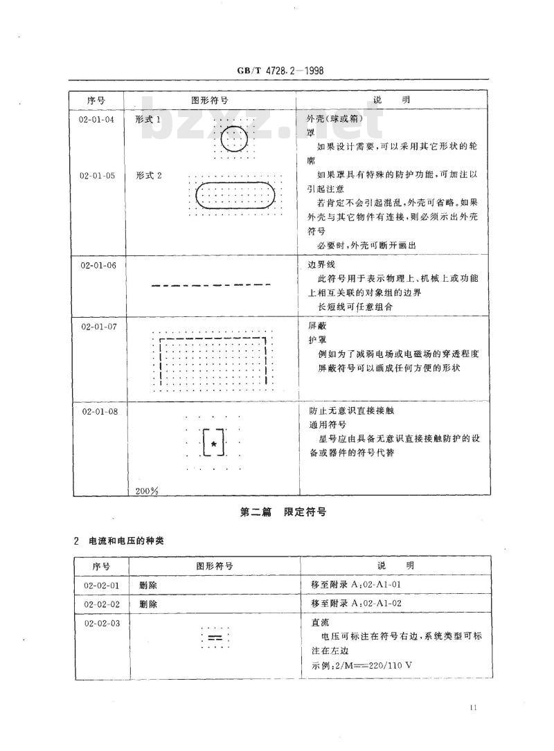
02-01-01
02-01-02
02-01-03
形式1
形式2
形式3
图形符号
国家技术监督局1998-03-11批准10
符号要素
物件,例如:
GB/T 4728.2---1998
idt IEC 617-2:1996
代替GB4728.2-84
功能单元
·元件
符号轮廓内应填人或加上适当的符号或代号以表示物件的类别
如果设计需要可以采用其他形状的轮廓1998-12-01实施
02-01-04
02-01-05
02-01-06
02-01-07
02-01-08
形式1
形式2
电流和电压的种类
02-02-01
02-02-02
02-02-03
图形符号
图形符号
GB/T 4728.2—1998
外壳(球或箱)
如果设计需要,可以采用其它形状的轮廓
如果罩具有特殊的防护功能,可加注以引起注意
若肯定不会引起混乱,外壳可省略。如果外壳与其它物件有连接,则必须示出外壳符号
必要时,外壳可断开画出
边界线
此符号用于表示物理上、机械上或功能上相互关联的对象组的边界
长短线可任意组合
例如为了减弱电场或电磁场的穿透程度屏蔽符号可以画成任何方便的形状防止无意识直接接触
通用符号
星号应由具备无意识直接接触防护的设备或器件的符号代替
第二篇
限定符号
移至附录A:02-A1-01
移至附录A:02-A1-02
电压可标注在符号右边,系统类型可标注在左边
示例:2/M-220/110 V
02-02-04
02-02-05
02-02-06
02-02-07
02:02-08
02-0209
02-02-10
02-02-11
02-02·12
02-02-13
02-02-14
02-02-15
02-02-16
~50 Hz
图形符号
-~100. . : 600 kHz
3/N ~~400/230 V 50 Hz
3/N~50 Hz/TN-S
GB/T 4728. 2---1998
频率值或频率范围可标注在符号的右边示例:
交流50Hz
交流,频率范围100kHz到600kHz电压值也可标注在符号右边
相数和中性线存在时可标注在符号左边交流,三相带中性线,400V\(相线和中性线间的电压为230V1)),50Hz(也可见IEC 1293)
如需要按IEC364-3的规定标志系统,则要在符号上加上相应标志
交流,三相,50Hz,具有--个直接接地点月中性线与保护导体全部分开的系统不同的频率范围的交流
当需要用一个给定的画法来区分不同的频率范围时,可使用下述符号:相对低频(工频或亚音频)
中频(音频)
相对高频(超音频,载频或射频)具有交流分量的整流电流(当需要与整流并滤波的电流相区别时使用)
正极性
负极性
中性(中性线)
此中性符号在GB/T4026中给出
中间线
此中间线符号在GB/T4026中给出1)按图家标准GB156-93标准电》.相应等级为380V和220V。12
可调节性、可变性和自动控制
GB/T 4728.2--1998
可调节性是一种非内在的可变性,它能通过调节把变量设置在一个适当的值上。3.1
当可变量是由外部器件控制时,可变性是非内在的,例如用调节器控制电阻。当可变量取决于器件自身的性质时,可变性是内在的,例如电阻内于电压或温度的作用而变化可调节性和可变性的符号应横跨主体符号并与主体符号的中心线约成45°序号
02-03-01
02-03-02
02-03-03
02-03-04
02-03-05
02-03-06
02-03-07
02-03-08
02-03-09
02-03-10
图形符号
可调节性,一般符号
非线性可调
可变性,内在的,一般符号
有关控制量的信息,例如电压或温度的信息可表示在贴近符号的地方
可变性,内在的,非线性
应用规则同符号02-03-03
允许调节的条件可标注在符号旁示例:
仅在电流等于零时才允许预调
步进动作
可加注数字以表示步进数
表示可步进调节5步
连续可变性
示例:
连续可变的预调
02-03-11
02-03-12
力或运动方向
图形符号
GB/T 4728.2—1998
自动控制
被控制量可标注在符号旁
示例:
自动增益控制放大器
4.1箭头可用来表示方向,器件的可动部分沿此方向运动将产生所需的效应(见符号02-04-02示例)。箭头也可用来表示力的方向或符号所代表的物体运动方向。此时需要加以注释。4.2由运动所产生的效应可用符号或文字予以说明。序号
02-04-01
02-04-02
02-04-03
02-04-04
02-04-05
02-04-06
图形符号
按箭头方向的:
单向力
单向直线运动
双向力
双向直线运动
示例:
滑臂3向端子2移动时频率增加
按箭头方向的:
单向环形运动
单向旋转
单向扭转
双向环形运动
双向旋转
双向扭转
两个方向均受到限制的:
双向环形运动
双向旋转
双向扭转
振动(摆动)
流动方向
02-05-01
02-05-02
02-05-03
02-05-04
02-05-05
02-05-06
02-05-07
02-05-08
特征量的动作相关性
02-06-01
02-06-02
02-06-03
02-06-04
02-06-05
图形符号
图形符号
GB/T 4728.2-1998
单向传送
单向流动
例如能量,信号,信息
同时双向传送
同时发送和接收
非同时双向传送
交替发送和接收
与其他符号组合使用时,如箭头所表达的意思是明确的,小圆黑点可以省略,见符号10-06-04
与其他符号组合使用时,如箭头所表达的意思是明确的,小圆黑点可以省略,见符号10-06-03
能量从母线(汇流排)输出
能量向母线(汇流排)输人
双向能量流动
特征量值大于整定值时动作也可见GB10066.3
特征量值小于整定值时动作也可见GB 10066. 3
特征量值大于高整定值或小于低整定值时动作
特征量值等于零时动作
特征量值近似等于零时动作
材料类型wwW.bzxz.Net
GB/T4728.2-1998
7.1材料的类型可用化学符号或下面给出的限定符号中的-个来表示。这些符号应画在矩形内。当这些符号与其他符号组合使用时,矩形可以省略。如有必要可使用GB4458.1中给出的材料符号。序号
02-07-01
02-07-02
02-07-03
02-07-04
02-07-05
02-07--06
02-07-07
效应或相关性
02-08-02
02-08-03
图形符号
图形符号
材料,未规定类型
固体材料
液体材料
气体材料
驻极体材料
半导体材料
绝缘体材料
热效应
电磁效应
磁致伸缩效应
02-08-04
02-08-05
02-08-06
02-08-07
图形符号
GB/T 4728.2
磁场效应或磁场相关性
延时(延迟)
半导体效应
具有电隔离的耦合效应
9.1箭头指向-一个符号,表示该符号所代表的器件对所指类型的辐射起反应。9.2箭头指向是从一个符号离开,表示由该符号所代表的器件发出所指类型的辐射。9.3箭头处在符号之内,表示自身具有辐射源序号
02-09-01
02-09-02
图形符号
非电离的电磁辐射,例如无线电波或可见光
如果已标明源和靶,则箭头从源指向靶源
如果有靶而未明确指出源,则箭头指向右下
如果未明确标出靶,则箭头指向右上非电离的相于辐射(例如相干光)17
02-09-03
02-09-04
02-09-05
10信号波形
图形符号
GB/T 4728.2—1998
电离辐射
如果需要标明电离辐射的具体类型,可加注下列符号或字母:
α粒子
β-—β粒子
—射线
一元介子
K介子
从介子
-X射线
非电离的双向电磁辐射,例如由雷达或带有镜面反射器的光控继电器产生的辐射非电离的双向相干辐射
10.1每一个符号表示一个波形的理想形状。序号
02-10-01
02-10-02
02-1003
02-10-04
02-10-05
图形符号
正脉冲
负脉冲
交流脉冲
正阶跃函数
负阶跃涵数
小提示:此标准内容仅展示完整标准里的部分截取内容,若需要完整标准请到上方自行免费下载完整标准文档。