首页 > 国家标准(GB) > GB/T 1134-2004 带刃倾角莫氏锥柄机用绞刀
GB/T 1134-2004

基本信息

标准号: GB/T 1134-2004

中文名称:带刃倾角莫氏锥柄机用绞刀

标准类别:国家标准(GB)

标准状态:已作废

发布日期:2004-02-10

实施日期:2004-08-01

作废日期:2009-04-01

出版语种:简体中文

下载格式:.rar.pdf

下载大小:105087

相关标签: 带刃 倾角 莫氏 机用 绞刀

标准分类号

标准ICS号:机械制造>>切削工具>>25.100.30钻头、锪钻、铰刀

中标分类号:机械>>工艺装备>>J41刀具

关联标准

替代情况:替代GB/T 1134-1984;被GB/T 1134-2008代替

出版信息

出版社:中国标准出版社

书号:155066.1-21022

页数:16开, 页数:7, 字数:10千字

标准价格:8.0 元

出版日期:2004-06-04

相关单位信息

首发日期:1973-12-06

复审日期:2004-10-14

起草人:樊瑾、许刚

起草单位:成都工具研究所

归口单位:全国刀具标准化技术委员会

提出单位:中国机械工业联合会

发布部门:中华人民共和国国家质量监督检验检疫总局 中国国家标准化管理委员会

主管部门:中国机械工业联合会

标准简介

本标准规定了带刃倾角莫氏锥柄机用铰刀的尺寸及标记示例。本标准适用于直径大于7.5mm至40mm的高速钢带刃倾角莫氏锥柄机用铰刀。本标准只规定米制尺寸,今后也只推荐米制尺寸。 GB/T 1134-2004 带刃倾角莫氏锥柄机用绞刀 GB/T1134-2004 标准下载解压密码:www.bzxz.net

标准图片预览

GB/T 1134-2004 带刃倾角莫氏锥柄机用绞刀
GB/T 1134-2004 带刃倾角莫氏锥柄机用绞刀
GB/T 1134-2004 带刃倾角莫氏锥柄机用绞刀
GB/T 1134-2004 带刃倾角莫氏锥柄机用绞刀
GB/T 1134-2004 带刃倾角莫氏锥柄机用绞刀

标准内容

ICS 25.100.30
中华人民共和国国家标准
GB/T 1134—2004
代替GB/T1134—1984
带刃倾角莫氏锥柄机用铰刀
Machine reamers with edge inclination with Morse taper shanks2004-02-10发布
中华人民共和国国家质量监督检验检疫总局中国国家标准化管理委员会國
2004-08-01实施
本标准自实施之日起,代替GB/T1134--1984《带刃倾角锥柄机用铰刀》。本标准与GB/T 1134一1984相比主要变化如下:增加了常备的标准铰刀直径公差m6;增加了“范围”;
增加了“规范性引用文件”;
GB/T 1134—2004
取消了GB/T1134一1984图中的参考尺寸和表面粗糙度标注(表面粗糙度列入技术条件标准中);
取消了GB/T1134—1984表中的参考尺寸:l1、f和齿数;调整了GB/T1134—1984的章条;
将GB/T1134一1984中的表调整为:表1长度公差,表2优先采用的尺寸,表3以直径分段的尺寸;
GB/T1134一1984表中加工H7、H8和H9级精度孔的带刃倾角莫氏锥柄机用铰刀直径d的公差列人附录A;
-修改了机用铰刀的标记示例;
增加了附录A(加工H7、H8、H9级孔的铰刀直径公差)。本标准的附录A为规范性附录。
本标准由中国机械工业联合会提出。本标准由全国刀具标准化技术委员会(SAC/TC91)归口。本标准起草单位:成都工具研究所。本标准主要起草人:樊瑾、许刚。本标准所代替标准的历次版本发布情况:-GB/T 1134-1984。
1范围
带刃倾角莫氏锥柄机用铰刀
本标准规定了带刃倾角莫氏锥柄机用铰刀的尺寸及标记示例。GB/T1134-—2004
本标准适用于直径大于7.5mm至40mm的高速钢带刃倾角莫氏锥柄机用铰刀。本标准只规定米制尺寸,今后也只推荐米制尺寸。本标准列出两个表,一个是优先采用的尺寸及其他相应尺寸;另一个是以直径分段的尺寸。对铰刀长度公差、切削部分直径公差和柄部直径公差也作了规定。规范性引用文件wwW.bzxz.Net
下列文件中的条款通过本标准的引用而成为本标准的条款。凡是注日期的引用文件,其随后所有的修改单不包括勘误的内容)或修订版均不适用于本标准,然而,鼓励根据本标准达成协议的各方研究是否可使用这些文件的最新版本。凡是不注日期的引用文件,其最新版本适用于本标准。GB/T1443机床和工具柄用自夹圆锥(GB/T1443—1996,eqvISO2961991)GB/T4246铰刀特殊公差(GB/T4246—2004,ISO522:1975,IDT)3公差
3.1切削部分
直径d在紧接切削锥之后测量。对于常备标准铰刀,直径d的公差为m6。对于加工特定公差孔的铰刀直径公差按GB/T4246设计,本标准在附录A中给出了加工H7、H8、H9级孔的铰刀直径公差。
3.2莫氏锥柄
铰刀的莫氏锥柄公差应按GB/T1443的规定。3.3长度公差
铰刀的长度公差按表1。
表1长度公差
总长L、切削刃长度1
单位为毫米
对特殊公差的铰刀,其长度和柄部尺寸可以从相邻较大或较小的分段内选择,但公差按表1的规定。
示例:
直径为14mm的特殊公差的带刃倾角莫氏锥柄机用铰刀,长度L可取182mm,l为44mm和1号莫氏锥柄;或长度L取204mm,l为50mm和2号莫氏锥柄(见表3)。GB/T1134—2004
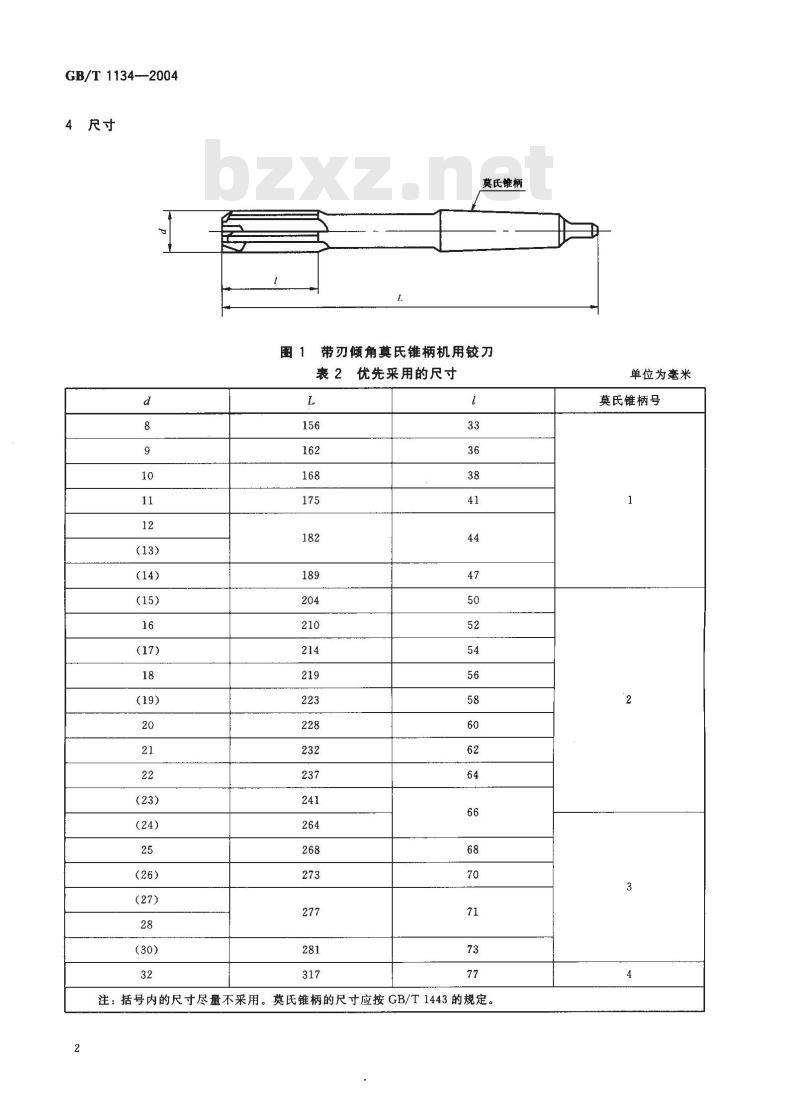
4 尺寸
莫氏锥柄
图1带刃倾角莫氏锥柄机用铰刀
表2优先采用的尺寸
注:括号内的尺寸尽量不采用。莫氏锥柄的尺寸应按GB/T1443的规定。2
单位为毫米
莫氏锥柄号
标记示例
直径范围d
表3以直径分段的尺寸
直径d一10mm,公差为m6的带刃倾角莫氏锥柄机用铰刀为刃倾角莫氏锥柄机用铰刀10GB/T1134--20042
直径d=10mm,加工H8级精度孔的带刃倾角莫氏锥柄机用铰刀为:J10H8GB/T1134—2004
刃倾角莫氏锥柄机用铰刀
GB/T1134—2004
单位为毫米
莫氏锥柄号
GB/T1134--2004
附录A
(规范性附录)
加工H7、H8、H9级孔的铰刀直径公差表A.1
极限偏差
单位为毫米
小提示:此标准内容仅展示完整标准里的部分截取内容,若需要完整标准请到上方自行免费下载完整标准文档。