首页 > 国家标准(GB) > GB 1391-1987 活动踏步钢质舷梯
GB 1391-1987

基本信息

标准号: GB 1391-1987

中文名称:活动踏步钢质舷梯

标准类别:国家标准(GB)

标准状态:已作废

发布日期:1987-12-15

实施日期:1988-10-01

出版语种:简体中文

下载格式:.rar.pdf

下载大小:484605

相关标签: 活动 踏步 钢质 舷梯

标准分类号

标准ICS号:造船和海上建筑物>>船舶和海上建筑物综合>>47.020.50甲板设备和装置

中标分类号:船舶>>舾装设备>>U26舱面属具

关联标准

替代情况:GB 1391-1978

采标情况:=ISO 5488-79

出版信息

出版社:中国标准出版社

页数:11页

标准价格:15.0 元

相关单位信息

首发日期:1978-05-06

复审日期:2004-10-14

起草单位:上海船厂

归口单位:沪东造船厂

提出单位:中国船舶工业总公司六○三所

发布部门:中国船舶工业集团公司

主管部门:中国船舶工业集团公司

标准简介

GB 1391-1987 活动踏步钢质舷梯 GB1391-1987 标准下载解压密码:www.bzxz.net

标准图片预览

GB 1391-1987 活动踏步钢质舷梯
GB 1391-1987 活动踏步钢质舷梯
GB 1391-1987 活动踏步钢质舷梯
GB 1391-1987 活动踏步钢质舷梯
GB 1391-1987 活动踏步钢质舷梯

标准内容

UDC 629. 12. 011. 57
中华人民共和国国家标准
GB 139187
GB 1393 ~~1394 — 87
活动踏步钢质梯
炫梯翻梯装置和吊架
Turnable treads steel gangway ladderGangway turning device and hanger1987-12-15发布
家标准局发布
1988-10-01实施
中华人民共和国国豪标准
活动踏步钢质梯
Turnable.treads steel gangway ladder本标准等效采用国际标准 ISO 5488- 1979 造船眩梯)
活动踏步质眩梯(以下简称梯)的规格和主要尺寸接下图及表 1标志始
一扶于,3—挑架,4—下乎白+5-护未:6—俩间报轮,7—脂步,栏案12-
8-上平台19—斜摊杆(仅26级以上蔽梯设置)110—传动杆中国期射工业总公司 1 9 8 7 - 11 -1 3 批准UDC 629. 12
.011.57
GB 1391—87
代替 G日1391—79
1988-10-01实施Www.bzxZ.net
(陷步级数)
轻艾长度
选祥高度
:《)踏步级数包括下甲台。
计算长度
10 395
11 595
选择高度系指上转台上缘至水面距离括寻规格尽能不用。
2标记示例
踏步级数12级的活动踏步钢质胺梯:眩梯12 GB 1391—87
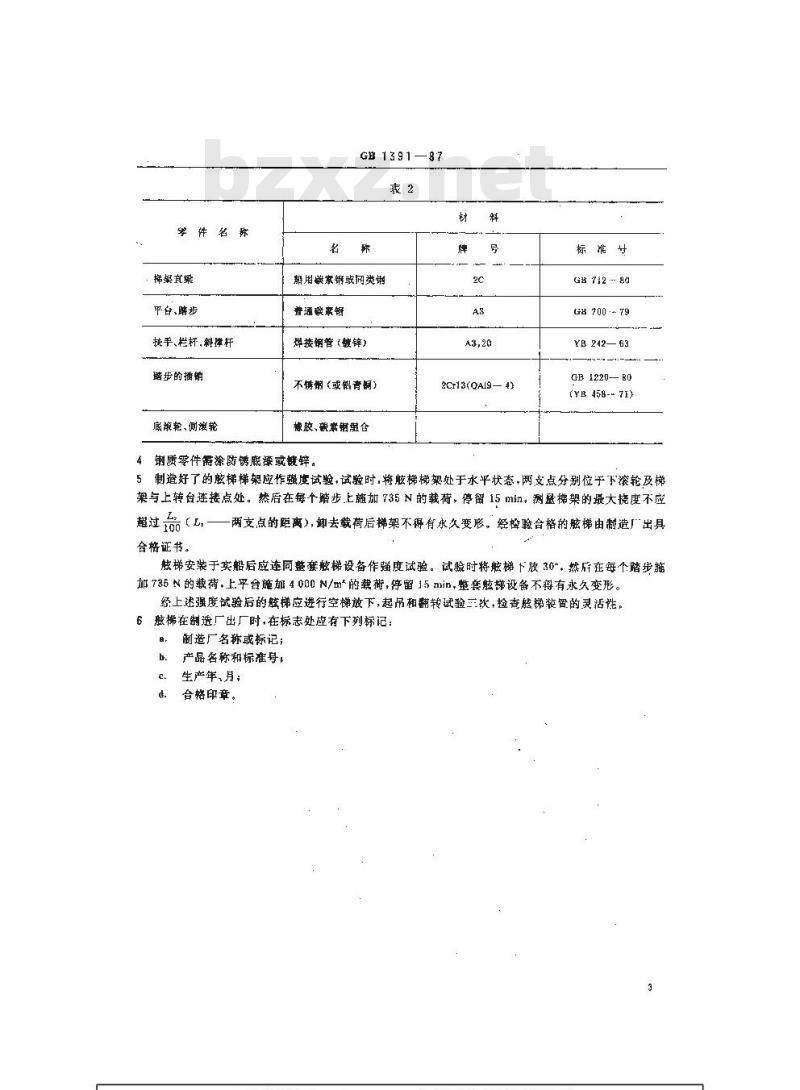
3舵梯主要零件材料接表2。
555F260
李件名称
:梯架直梁
平台、暗步
扶手、栏杆,斜撑杆
瑙步的插俏
底潮轮、侧离轮
GB139187
用网类钢
替通碳康舒
焊接钢管(燃锌)
不锈制(或错青)
橡胶、研率谢经合
制质零件需涂防镌鹿漆或键锌。材
2C113(QA19—4)
GB 12 -- 89
GB 700 -.79
YB242—63
GB 1220—BO
(YB458-71)
制造好了的眩梯梯架应作强度试验,试验时,将般梯梯架处于水平状态,两支点分别位于下滚轮及梯5
架与上转台连接点处然后在每个踏步上施加735N的载,停留15min,测梯架的最大挠度不应超过命(L
合格证书。
一两支点的距离),卸去载荷后梯架不得有水久变形。经检验合格的眩梯由制造厂出具梯安装于实船后应连同整变触梯设备作强度试验。试验时将眩梯下放 30°。然斥在每个踏步施加735N的载荷上乎台施加4000N/m*的载荷,停留15min,整套梯设备不得有永久变形。经上速强度试验后的敏梯应进行空梯放下,起吊和翻转试验平饮,捡查梯装昏的灵活性,融梯在制造厂出厂时,在标志处应有下列标记:6
制造厂名称或标记;
产品名称和标准号,
生产年,月;
合格印章。
A,本翔录现标推
iH1393-:875航梯翻梯装3t
G139-87&脑梯架》
GB 1391-- 87
附录A
航梯设备配套示意图
(希考件)
下附录中图 41、图 A2、图 A3和图A1所表示的配套内容按表A1。A.2
图A】
图中有关尽寸按表A2.
乾梯镜格
12.1t.16.18+2
12.14.16.18.25
翻梯装皆型导
能柳吊架型孕,
图 A2
图 A4
艇帮规格
日225
GB1391.87
11 365
30!0
GB1391-87
题体助好线
型带导
GB1391—87
期拉位
股体胎性约
GB 1391--87
作助母
比循接周定限
GB1391—87
附加说明:
GE1391—87
本标准由中国船舶工业总公司603所提出,由沪东造船厂归口。本标雄由上海船厂负责起草。
本标准首次发布于1978年,1987年第一次修订。
小提示:此标准内容仅展示完整标准里的部分截取内容,若需要完整标准请到上方自行免费下载完整标准文档。