首页 > 国家标准(GB) > GB 1392-1985 舷梯绞车
GB 1392-1985

基本信息

标准号: GB 1392-1985

中文名称:舷梯绞车

标准类别:国家标准(GB)

标准状态:现行

发布日期:1985-06-06

实施日期:1986-03-01

出版语种:简体中文

下载格式:.rar.pdf

下载大小:277292

相关标签: 舷梯 绞车

标准分类号

标准ICS号:造船和海上建筑物>>船舶和海上建筑物综合>>47.020.50甲板设备和装置

中标分类号:船舶>>舾装设备>>U26舱面属具

关联标准

替代情况:替代GB 1392-1978;被GB/T 1392-2009代替

采标情况:=ISO 7364-83

出版信息

出版社:中国标准出版社

页数:4页

标准价格:8.0 元

出版日期:1986-03-01

相关单位信息

首发日期:1978-05-06

复审日期:2004-10-14

起草单位:上海船舶设备研究所

归口单位:全国船用机械标准化技术委员会

发布部门:中国船舶工业集团公司

主管部门:中国船舶工业集团公司

标准简介

本标准规定了电动、液压或气动及无动力驱动的船用舷梯绞车的要求和性能。本标准不包括用于驱动绞车的原动机要求。 GB 1392-1985 舷梯绞车 GB1392-1985 标准下载解压密码:www.bzxz.net

标准图片预览

GB 1392-1985 舷梯绞车
GB 1392-1985 舷梯绞车
GB 1392-1985 舷梯绞车
GB 1392-1985 舷梯绞车
GB 1392-1985 舷梯绞车

标准内容

TDC621.864:629.12
中华人民共和国国家标准
GB1392—85
Accommodationladderwinches
1985-06-06发布
家标准局批准
1986-03-01实施
中华人民共和国国家标准
梯绞车
Accommodatontadderwinches
UDC 621.864: 629.12
GB 1392--85
优G1392---78
太标准规定了动、液压或气动及无动力驱动的船用炫梯绞车的要求和性能。合标准不包据用于驱动绞率的原动机要求。A标准等效采用ISO7364-1983,只作了编粒性修改。1定义
本标准深用GB3893一83《船甲板机械名词、术语》规定的名词大语和定义,专用的定义如下:1.1公称规格
绞车周公称规格表示,该公称规格与性能表的卷简负数相对应。1.2卷简负裁
当绞车以卷简单层纲紫在公称速度下妆进空梯时或当绞牵收进弦茎忙行位置时,在卷筒出绳处的最大钢紫张方。
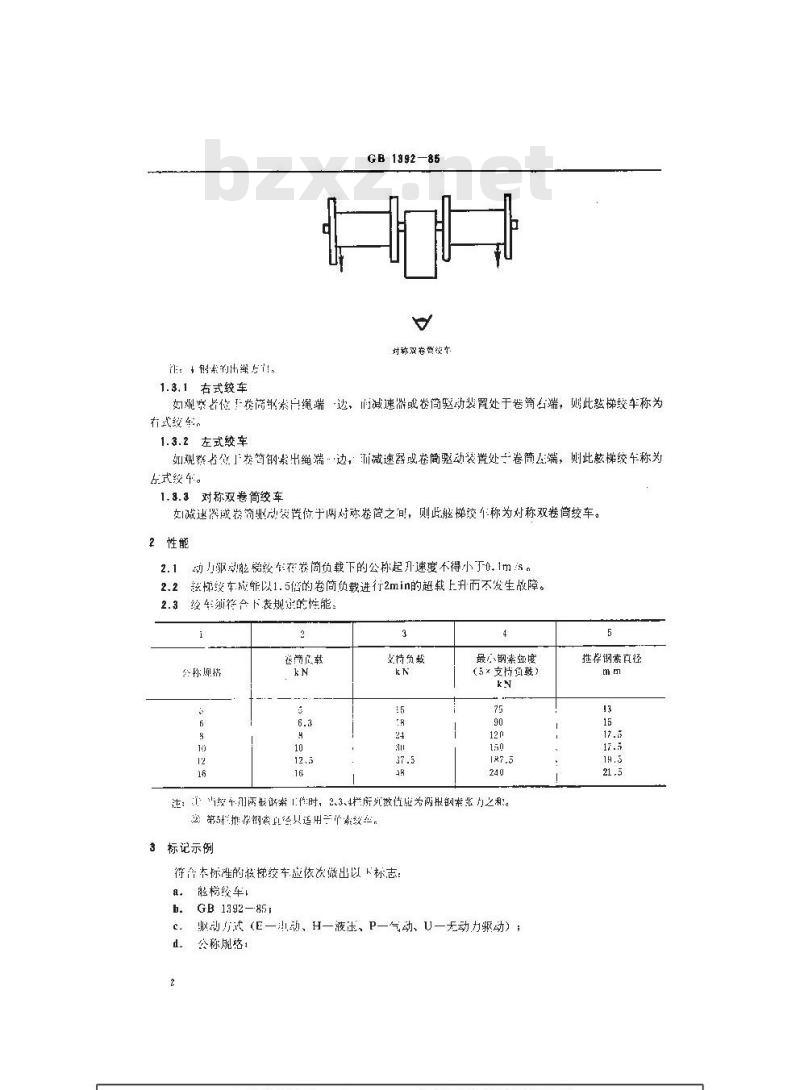
1.3绞车型式(如图)
左式龄车
阳离老商在式校车下载标准就来标准下载网
国家标准局1985-98-06发布
在式经车
隔离在管,有式效牢
1986-03-01实施
准:+钙素的出弹点!
GB 1392—85
对称双卷到效
1.3.1右式绞车
如观案者位卷简歌索户绳端边,问减速器或卷简驱动装置处于卷滑右端,则此梯绞车称为有式绞车
1.3.2左式绞车
如观蔡者」发首钢素出绳端边,训减速器或卷筒驱动装置处一卷筒左端,则此数梯绞车称为左式绞车。
1.9.3对称双卷筒绞车
如减速器成卷简动表置价于网对动卷筒之间,则此躯梯绞车称为对称双卷简绞车。2性能
动小动舵剪级任在卷简负载下的公称起升速度不得小于0,1m/s。2.1
核梯绞车成能以1.5倍的卷简负载进行2min的超载上升而不发生故障。2.2
2.3级车须符合下表规定的性能,i
分称规格
卷商定载
支持负裁
最心钢索虫度
(5×支持负载)
注:1级4月两根案1作时,2.3、4栏所效位应为两报钢索非力之租。第性推学钢套直丝只适用一作嘉载在,3标记示例
符合本标理的获梯较车应依次微出以下标志:a.
能榜绞车!
GB 1392—85:
驱动历式(E一小动、H一液压、P一气动、U一无动力驱动);c.
公称舰路:
推荐钢素直径
GB 1$92:-85
e。绞作型式(R-右式绞车、L-左式绞车,D一逆卷筒、DD一竭离卷简、2DS-对称双卷筒。
例:公称规格为12的心式绞车,隔离单糕简、电动梯绞:弦佛#E12RDDGB1392·85
尚需袭明片池情识,好流(交流或直流),电压、频率及有可能时标明波战动系绕的正力。4设计与结构
4.1绞在山装有一个或网个卷简。鉴箱上誉终两模索附,做成谢密式。4.2格简长度应能湖足个帮钢索绕上后不三么4.3整暂直价不终小十表中钢索径的14货。4.4缘边高出最外例累的当离,不得小十1.5信钢需直经,4.5用下双梯的双差筒纹车须备有适出的能独起开、下放及制动的装置。4.6绞车应齐有·种能支持任1.5倍支持负免线闪装置。对动力传动的绞军,当停止激动或动力源动断。此装置成能月励动作。疑年必须能下动起丹读下降兹隔。用山与设产制选单你协一-效活,可采月年自颌的蜗轮蜗杆(或间炎桃构)作为赖紧装置。4.7纠索应符含GB1102-74圆股钢丝纯》6×37链锌及有红维芯的钢索,H强度为17Ukg+mm推荐的望乱得穿!表非,以主规定并不排除速用其他标准的例类型纲索。在支持价较的估用下,射索的安全系数不得小6。4.8车设计预医各轴承表而及相应作信速转时润滑良好。4.9没年求受份负载支待象载的需件,其应序个得超适财料非湿的0等4.10安个成条付就地应急作年表置。4.11经用设:制避首价协宿一致后,签梯绞有可设有可以调节起开及下降速的控制器。4.12法小解动的较车,在卷简负载下达劳有人方聚动装单。4.13级车必须行随止旧了熟转动而你者操件人质的安企括施。4,14设备的发装须存合IEC的规定5验收试验
绞车应以整机作试验,它包括原动机、整筒、齿轮传动装置及控制系统等。试验结果应记波在证。
5.1空载试验
绞车应注奖登载试验min,F、支上向各imin,检香轴承温度。5.2卷筒负载试验
绞车在帮简负载下试验,上升和下除各两次,每次放声钢案长度应不少可分之一-的卷微客绳t。
检查以下绩目:
且油液等封情况:
h翰人均案;
c这度
。不业带的噪者
e.控制制动器的操纵情况。
5.31.5倍支持负载下的静负载试验中基销素落差育时,绞个在1.5流支持负载下作静负载试验。在此负载下,制动裁置应使卷筒保持在停心获态。
5.船试验及检查
GB 1392--85
绞车应作为整个梯设备的一个部分进行试验,其最少试验项目如下:8
将眩梯起升至最高位置然后使之下降,共两次(检查项目同5.2条)将肱梯置于水平位置,作每个踏步上受75kg的支持静负载试验。b.
附加说明:
本标准由中国船舶1.业总公司提出,户余国舶舶标准化技术委员会中板机械分委员会门口。本标准由上海船舶设备研氧所、上海船!负资起草。本标准主要起草人章敏达。
小提示:此标准内容仅展示完整标准里的部分截取内容,若需要完整标准请到上方自行免费下载完整标准文档。