首页 > 国家标准(GB) > GB 1393-1987 舷梯翻梯装置
GB 1393-1987

基本信息

标准号: GB 1393-1987

中文名称:舷梯翻梯装置

标准类别:国家标准(GB)

标准状态:已作废

发布日期:1987-01-02

实施日期:1988-10-01

出版语种:简体中文

下载格式:.rar.pdf

下载大小:288388

相关标签: 舷梯 装置

标准分类号

标准ICS号:造船和海上建筑物>>船舶和海上建筑物综合>>47.020.50甲板设备和装置

中标分类号:船舶>>舾装设备>>U26舱面属具

关联标准

替代情况:GB 1393-1978

出版信息

页数:6页

标准价格:8.0 元

相关单位信息

首发日期:1978-05-06

复审日期:2004-10-14

起草单位:上海船厂

归口单位:全国船舶舾装标准化技术委员会

发布部门:中国船舶工业集团公司

主管部门:中国船舶工业集团公司

标准简介

GB 1393-1987 舷梯翻梯装置 GB1393-1987 标准下载解压密码:www.bzxz.net

标准图片预览

GB 1393-1987 舷梯翻梯装置
GB 1393-1987 舷梯翻梯装置
GB 1393-1987 舷梯翻梯装置
GB 1393-1987 舷梯翻梯装置
GB 1393-1987 舷梯翻梯装置

标准内容

UDC 629. 12. 011. 57
中华人民共和国国家标准
GB 139187
GB13931394—87
活动踏步钢质梯
航梯翻梯装置和吊架
Turnable treads steel gangway ladderGangway turning device and hanger1987-12-15发布
家标准
1988-10-01实施
中华人民共和国国家标准
眩梯翻梯装
Gangway furning device
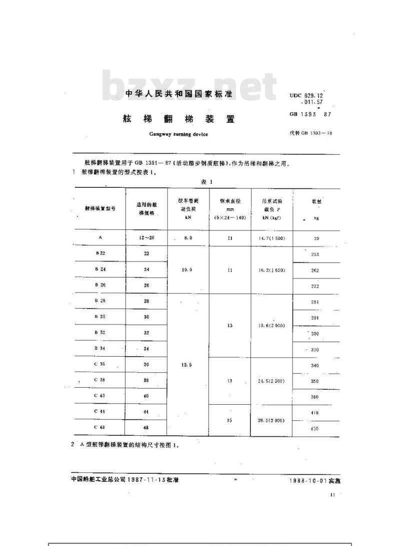
眩梯翻梯装置用于GB1391—87活动踏步钢质梯\作为吊梯和翻梯之用。艇梯翻梯装置的型式按表1。
梯装置型号
适用的
梯规格
续车卷商
动负商
2A型梯翻梯装盘的结构尺寸按图1中国船舶工业总公司1987-11-13批准素直径
(6X24—140)
吊重试验
载负P
kN (xgF)
14.7(1 500)
16. 2(1 650)
19.6(2000)
24.5(2500)
29.5(3000)
UDC 629. 12
.011.57
GB 139387
代替81993—8
1988-10-01实施免费标准下载网bzxz
标点处
GB1393—87
1—1:将车,2—下附车,3—横扭;4链;5卸扣B 型航梯翻梯装暨的结构尺寸按表 2 及图 2。表2
传动管规格
GB t39387
两根器至较车
—钢案+2一支座:3—传动板14传动管5—眼版6—带臂轴7—滑轮;8—而臂;9 -螺旋扣GR 1393 -87
4型躯梯翻梯装置的结对及寸胺图 3及表3。图3
至胶梯绒车卷湾
至固定题板
1销需:2减轮3传动题-传动
吊欲啪·滑轮爵
5标记示例
A 型眩梯顏梯装置:
F0 415
翻梯装置AGB139387
B 32 型炫梯静装置:
翻装置B 32GB 1393- 87
6舫梯翻梯装置主要零件材料按表4。孕件名称
传动臂
GB 139387
船用碳末钢(或同类钢)
无缝锈算
传动管现格
p133×6
n133×i
5133×6
ath2x6
##52×5
GB 712.- 8D0
YU231--U
7炫梯翻梯装置滑车,滑轮按CE152--76《吊货钢索滑车及重塑转环带架》,卸扣按(3559-87多用紧具卸扣”。
8骸梯翻梯装置之钢质零件应徐防诱漆或镀锌处理。9制选妥的横担和吊臂应按表1规定的吊重试验负荷做静电负荷吊重试验,厉时15min。卸去氮带后所有零件不得有永久变形,滑轮转动应灵活。吊重方式按图4和图5.#5
注:P表示按表1规定的民重试验负荷。GB1393-87
安装实船上的翻梯装實应和慈梯同作试验。试验方法按GB1391一87中第6章规定10
炫梯翻梯装置在标志处应有下列标志:制造厂名称或标记:
产品名称和标准号;
c,生产年、月及合格印章。
附加说明:
本标准由中国船舱工业总公可603所提出,由沪东造船广归口本标准由上海船厂负责起草。
本标准首饮发布于1978年,1987年第一饮修订。16
小提示:此标准内容仅展示完整标准里的部分截取内容,若需要完整标准请到上方自行免费下载完整标准文档。