首页 > 国家标准(GB) > GB/T 14456-1993 绿茶
GB/T 14456-1993

基本信息

标准号: GB/T 14456-1993

中文名称:绿茶

标准类别:国家标准(GB)

标准状态:已作废

发布日期:1993-09-07

实施日期:1994-05-01

作废日期:2008-10-01

出版语种:简体中文

下载格式:.rar.pdf

下载大小:359813

相关标签: 绿茶

标准分类号

标准ICS号:食品技术>>茶、咖啡、可可>>67.140.10茶

中标分类号:食品>>饮料>>X55茶叶制品

关联标准

替代情况:被GB/T 14456.1-2008代替

出版信息

出版社:中国标准出版社

书号:155066.7-10433

页数:平装16开, 页数:13, 字数:21千字

标准价格:12.0 元

出版日期:2004-08-14

相关单位信息

首发日期:1993-09-07

复审日期:2004-10-14

起草单位:商业部杭州茶叶加研究所

归口单位:中华全国供销合作总社

发布部门:国家技术监督局

主管部门:中华全国供销合作总社

标准简介

本标准规定了绿茶的花色等级、技术要求、检验方法、检验规则、包装及贮运要求。本标准适用于炒青、烘青、晒青及其经整形、归类加工而成的精制绿茶产品。 GB/T 14456-1993 绿茶 GB/T14456-1993 标准下载解压密码:www.bzxz.net

标准图片预览

GB/T 14456-1993 绿茶
GB/T 14456-1993 绿茶
GB/T 14456-1993 绿茶
GB/T 14456-1993 绿茶
GB/T 14456-1993 绿茶

标准内容

中华人民共和国国家标准
1主题内容与适用范围
Green tea
GB/T 14456-93
本标准规定了绿茶的花色等级、技术要求、检验方法、检验规则、包装及贮运要求。本标准适用于炒青、烘青、晒青及其经整形、归类加工而成的精制绿茶产品。2引用标准
GB 5009. 57
GB7718
GB8302
GB8303
GB8304
GB8305
GB8306
GB 8307
GB8308
GB8309
GB8310
GB8311
GB 9172
GB9679
茶叶卫生标准的分析方法
食品标签通用标准
磨碎试样的制备及其干物质含量测定水分测定
水浸出物测定
总灰分测定
水溶性灰分和水不溶性灰分测定酸不溶性灰分测定
水溶性灰分碱度测定
粗纤维测定
粉末和碎茶含量测定
花茶级型坏
茶叶卫生标准
GB11680
紧压茶沱茶
食品包装用原纸卫生标准
GB/T 14487
SB/T 10037
SB/T 10157
3定义
茶叶感官审评术语
红茶绿茶花茶运输包装
茶叶感官审评方法
绿茶用茶树(camellia sinensisL.O.kunts)新梢的芽、叶、嫩茎,经过杀青、揉捻、干燥等工艺制成的初制茶(或称毛茶)和经整形、归类等工艺制成的精制茶(或称成品茶),保持绿色特征,可供饮用的茶。国家技术监督局1993-09-07批准238
1994-05-01实施
4品名、花色、等级
GB/T 14456--93
4.1初制茶根据干燥工艺,形态特征定品名,按产品质量分级。4.1.1炒青用炒滚方式为主干燥的茶,分长炒青和圆炒青。4.1.1.1长炒青呈长条形的炒青。分为一级、二级、三级、四级、五级、六级。4.1.1.2圆炒青呈形的炒青。分为级、二级、三级、四级、五级、六级。4.1.2烘青用烘焙方式干燥,呈长条形的茶。分为一级、二级、三级、四级、五级、六级。4.1.3晒青用日晒方式干燥,呈长条形的茶。分为一级、二级、三级、四级、五级。4.2精制茶根据初制茶原料老嫩、加工工艺,按形态和色香味的品质特征定花色。各花色按产品质量分级。
4.2.1珍屑以长炒青为原料,经过整形、归类、拼配成的条形茶。分为特珍特级、一级、二级,珍眉一级、二级、三级、四级、不列级。4.2.2珠茶以圆炒青为原料,经整形、归类、拼配成的圆形茶。分为特级、一级、二级、三级、四级、五级、不列级。
4.2.3雨茶从长炒青或圆炒青加工中分离出的短条形和雨点状茶拼配而成。分为一级、二级。4.2.4贡熙从长炒青加工中分离出的呈圆形和扁块形茶拼配而成。分为特贡一级、二级、贡熙一级二级、三级、不列级。
4.2.5凤眉从长炒青或圆炒青加工中分离出的部分细小、短钝的条形茶拼配而成。不分级。4.2.6秀眉从长炒青或圆炒青加工中分离出的部分嫩梗蒸、筋、细条和片形茶拼配而成。分为特级、一级、二级、三级。
4.2.7茶片从长炒青或烘青加工中分离出的部分轻身片形茶。不分级。4.2.8烘青花茶坏以烘青为原料,经整形、归类供窖制花茶用的条形茶。分为级、二级、三级、四级、五级、六级。
4.2.9蒸压绿茶以晒青为原料,经整形蒸压成的团茶,如沱茶。5技术要求
5.1基本要求
5.1.1品质正常、无劣变、无异味。5.1.2不得含有非茶类夹杂物。
5.1.3不着色,不添加任何香味物质。5.2感官指标
5.2.1各品名、花色、等级的感官品质必须符合实物标准样茶,对外贸易应符合双方合同规定的贼交样茶。
5.2.2各品名、花色、等级的感官品质应符合本级品质特征要求,见附录A。5.2.3各品名、花色、等级的实物标准样为该级产品品质最低界限。实物标准样由国家主管部门参照本标准规定的技术要求换配。
5.3理化指标
5.3.1初制茶理化指标
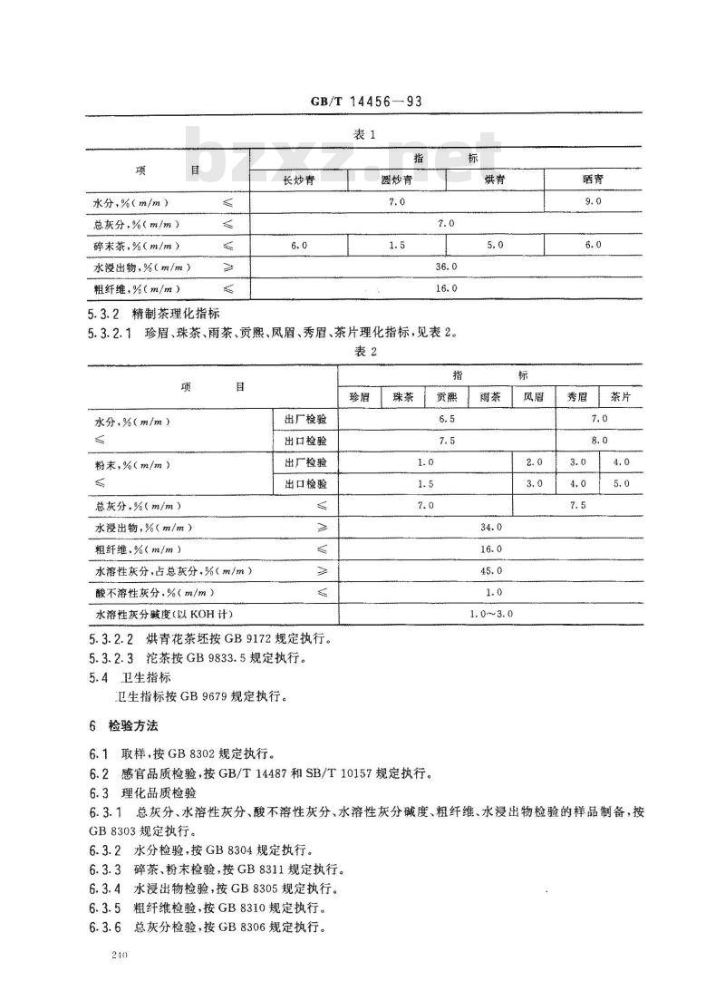
初制茶各品名理化指标,见表1。239
水分,%(m/m)
总灰分,%(m/m)
碎末茶,%(m/m)
水漫出物,%(m/m)
粗纤维,%(m/m)
5.3.2精制茶理化指标
GB/T 14456-93
长炒青
圆炒青
5.3.2.1珍眉、珠茶、雨茶、贡熙、凤眉、秀眉、茶片理化指标,见表2。表2
水分,%(m/m)
粉末,%(样/m)
总灰分,%(m/m)
水漫出物,%(m/m)
粗纤维%(m/m)
水溶性灰分占总灰分,%(m/m)酸不溶性灰分,%(m/m)
水溶性灰分藏度(以KOH计)
出厂检验
出口检验
出厂检验
出口检验
5.3.2.2烘青花茶坏按GB9172规定执行。5.3.2.3沱茶按GB9833.5规定执行。5.4卫生指标
卫生指标按GB9679规定执行。
6检验方法
6.1取样,按GB8302规定执行。
6.2感官品质检验,按GB/T14487和SB/T10157规定执行。6.3理化品质检验
6.3.1总灰分、水溶性灰分、酸不溶性灰分、水溶性灰分碱度、粗纤维、水浸出物检验的样品制备,按GB8303规定执行。
6.3.2水分检验,按GB8304规定执行6.3.3磷茶、粉末捡验,按GB8311规定执行。6.3.4水漫出物检验,按GB8305规定执行。6.3.5粗纤维检验,按GB8310规定执行。6.3.6总灰分检验,按GB8306规定执行。240
GB/T 14456—93
6.3.7水溶性灰分检验,按GB8307规定执行。6.3.8酸不溶性灰分检验,按GB8308规定执行。6.3.9水溶性灰分碱度检验,按GB8309规定执行。6.4卫生检验,按GB5009.57规定执行。6.5包装检验,按GB11680和GB7718规定执行。7检验规则
7.1产品均应以批(唛)为单位,同批(唛)产品的品质规格和包装必须一致。7.2交收(出厂)检验
7.2.1每批产品交货时,初制茶检验感官品质、水分、碎末茶和包装规格,精制茶检验感官品质、水分、粉末和包装规格。
7.2.2产品出厂,必须经过厂质检部门的检验,签发产品质量合格证,方可出厂。7.3型式(例行)检验
7.3.1有下列情况之一时,应对产品质量进行全面考核,即进行型式检验。a.新产品试制定型鉴定;
投产后,如原料、工艺、机具有较大改变,可能影响产品质量时:b.
c.国家质量监督机构检查产品质量时。7.3.2型式检验时,应按规定的技术要求第5章全部进行检验。7.4检验结果判定
7.4.1凡劣变、有污染、有异气味和卫生指标不合格的产品,均判为不合格产品,不得作为饮料销售。7.4.2交收检验时,按7.2.1条规定的检验项目,其中一项不符合技术要求的产品,均判为不合格产品。
型式检验时,技术要求规定的各项检验,有一项不符合技术要求的产品,均判为不合格产品。7.4.3
7.5复验
对检验结果有争议时,应对留存样进行复验,或在同批(唛)产品中重新按GB8302规定加倍取样,对不合格项目进行复验,以复验结果为准。8标签、包装、运输、贮存
8.1标签
出厂产品的外包装上应按GB7718规定或贸易合同规定条款清晰标明标记。8.2包装
8.2.1包装容器应该用干燥、清洁、无异气味及不影响茶叶品质的材料制成,接触茶叶的内包装材料应符合GB11680规定。
8.2.2包装要牢固、防潮、整洁、美观、无异气味,能保护茶叶品质,便于装卸、仓储和运输。8.2.3包装规格应符合SB/T10037的规定。8.3运输
运输工具必须清洁、干燥、无异味、无污染;运输时应防雨、防潮、防曝晒;装卸时轻放轻卸,严禁与有毒、有异气味、易污染的物品混装、混运。8.4贮存
产品应贮于清洁、干燥、无异气味的专用仓库中,仓库周围应无异气污染。211
GB/T 14456—93
附录A
绿茶各花色(品名)等级感官品质特征(补充件)
珍眉感官品质特征要求,见表A1A1
特珍特级
特珍一级
特珍二级
珍眉一级
珍眉二级
珍屑三级
珍眉四级
不列级
有锋苗
尚紧实
稍粗松
带扇条
尚匀整
尚匀整
商勾称
尚勾称
A2珠茶感官品质特征要求,见表A2。级
细圆结
尚勾称
绿光润
绿尚润
稍有嫩茎
带细梗
带梗朴
有轻朴梗
深绿光润
尚绿润
显黄头
有嫩茎
高香持久
稍粗淡
嫩绿明
尚明亮
黄较暗
嫩绿明亮
含芽嫩绿
嫩匀嫩绿
绿明癌
黄绿明凳
尚勾软
叶质尚软
芽叶完
嫩绿明癌
尚明亮
嫩匀黄缘
尚嫩匀
黄绿明
尚嫩勾
黄绿尚明亮
不列级
尚圆实
尚匀称
尚匀称
尚勾称
雨茶感官品质特征要求,见表A3。A3
细短紧结
带蝌蚪形
A4贡熙感官品质特征要求,见表A4。级
特一级免费标准下载网bzxz
特贡二级
贡熙一级
资熙二级
贡熙三级
不列级
尚圆实
尚圆略扁
尚匀整
尚匀称
GB/T14456—93
续表A2
显黄头
有茎梗
显黄头
有筋梗
有朴片
筋条茎
梗显露
稍有黄头
有黄头
黄头显露
有补片
夹朴片
有粗气
粗带涩
黄稍暗
稍黄暗
叶质尚软
尚匀绿黄
稍粗老
稍黄暗
粗老黄暗
黄绿明亮
叶质尚软
尚匀绿黄
尚嫩匀
黄绿明亮
尚嫩尚句
黄绿尚明亮
叶质尚软
稍粗老
黄稍暗
秀眉感官品质特征要求,见表A5。A5
嫩茎细条
筋条带片
片带筋条
GB/T14456—93
黄稍枯
A6风眉、茶片感官品质特征要求,见表A6。净度
带细梗
有细梗
有轻片
毛衣不露
细小尚紧
稍轻飘
花茶坏感官品质特征要求,见表A7。级
细紧勾直
显锋苗
有锋苗
稍松带扁
条圆块
松扁轻
尚匀整
尚匀整
A8沱茶感官品质特征要求,见表A8。2.14
毛衣不露
尚绿润
黄稍枯
稍有嫩茎
有嫩茎
有筋梗
有梗朴
多朴片
浓尚醇
浓带涩
稍粗涩
粗带涩
尚明亮
黄稍暗
尚明亮
尚嫩匀
黄绿尚亮
尚匀绿黄
稍粗绿黄
较粗黄暗
尚匀软
黄绿尚明亮
细嫩勾齐
嫩匀绿亮
尚嫩匀
尚绿亮
稍有摊张
稍粗大
黄绿稍暗
稍黄暗
碗白状、紧实
白毫显露
A9长炒青感官品质特征要求,见表A9。级
显锋苗
有锋苗
尚紧实
尚匀整
尚匀整
欠匀整
欠匀整
GB/T14456—93
墨绿光滑
绿尚润
圆炒青感官品质特征要求,见表A10。净度
稍有嫩茎
有嫩茎
稍有梗片
有片梗
有梗朴片
有黄朴
表A10
尚绿润
有黄头
有黄头
有朴块
稍有粗气
有粗气
香高持久
有粗气
稍粗淡
稍粗淡
橙黄尚明
尚明亮
尚明亮
嫩匀尚亮
柔嫩匀整
嫩绿明亮
尚嫩黄绿
稍有摊张
黄绿尚明亮
有摊张
绿黄稍暗
芽叶较完整
嫩绿明亮
芽叶尚完整
黄绿明亮
尚嫩尚匀
黄绿尚明亮
有单张
黄绿尚明亮
单张较多
绿黄稍暗
1烘青感官品质特征要求,见表A11。A11
显锋苗
有锋苗
稍粗松
尚匀整
尚匀整
欠匀整
欠匀整
2晒青感官品质特征要求,见表A12。A12
有锋苗
略有锋苗
茶叶水分测定的快速法
仪器和用具
尚匀整
尚匀整
欠匀整
GB/T 14456—93
表A11
尚绿润
稍有嫩茎
有嫩茎
有茎梗
有梗朴片
多梗朴片
表A12
绿黄带褐
有嫩茎
梗朴片
梗朴片
附录B
鲜嫩清香
茶叶水分、灰分测定的快速法
(参考件)
稍粗淡
稍粗淡
尚明亮
柔软匀整
嫩绿明亮
尚嫩匀
黄绿明亮
黄绿尚明亮
有单张
单张稍多
绿黄稍暗
较粗老
黄稍暗
柔嫩有芽
绿黄明亮
尚嫩、绿
黄尚明亮
黄带褐
粗老黄褐
按GB8304中第2章的规定执行。
B1.2操作方法
B1.2.1取样
按GB8302规定执行。
B1.2.2铝质烘血准备
按GB8304中3.3条的规定执行。
B1.2.3测定步骤
GB/T14456-93
在已知重的干燥烘Ⅲ中,称取充分混勾的试样10g(准确至0.001),轻轻振动,使试样摊平,置于预热至140C的烘箱内,盖斜置珊边。各班之间保持适当距离。待烘箱温度回升至130C时起算,烘27min。加盖取出烘皿,置干燥器内冷却至室温。称量,准确至0.001g。注:本测定方法可得到与GB8304同样的结果,但是在每个场合下,分析者要进行验证。B1.3结果计算
B1.3.1计算方法和公式
茶叶水分质量百分率,按式(B1)计算:水分(%)=G× 100
式中:G,—试样和烘Ⅲ烘前质量,g:G——试样和烘瓶烘后质量g
G —试样质量?。
如果符合重复性(B1.3.2条)的要求,取两次测定的算术平均值作为结果。B1.3.2重复性
按GB8304规定执行。
B2茶叶总灰分测定的快速法
B2.1仪器及用具
按GB8306中2.3、2.4.2.5条规定执行,瓷舟上口径60mm×30mm,高15mm。B2.2操作方法
B2.2.1取样
按GB8302规定执行。
B2.2.2试样制备
按GB8303规定执行。
B2.2.3瓷舟雅备
(B1)
将洁净的瓷舟置于700士25℃高温炉内,灼烧20min,炉温降至300℃左右时,取出瓷舟,于干燥器内冷却至室,称量(准确至0.001g)。B2.2.4测定步骤
称取混匀的磨碎试样2g(准铺至0.001g),于已知重的瓷舟中。在电热板上徐徐加热,试样充分炭化至无烟为止。将瓷舟移入高温电炉内,以700士25C灼烧20min。侯炉温降至300℃左右时,取出瓷舟,盖上洁净的小玻片,于干燥器内冷却至室温,称量,准确至0.001g。注:本测定方法可得到驾GB8306同样的结巢,但是在每个场合下,分析者谢要进行验证。B2.3结果计算
B2.3.1计算方式和公式
茶叶总灰分干态质量百分率,按式(B2)计算:总灰分(%)=
Gi- G × 100
GB/T 14456-93
式中:G.试样和瓷舟灼烧后的质量,g;G瓷舟的质量g;
G试样的质量,
…—试样干物质含量百分率。
如果符合重复性(B2.3.2条)的要求,取两次测定的算术平均值作为结果。82.3.2重复性
按GB8306中4.2条规定执行。
附加说明:
本标准由商业部土特产品管理司提出。本标准由商业部土特产品管理司归口。本标准由商业部杭州茶叶加工研究所、上海市茶叶进出口公司、浙江省茶叶公司、安徽省茶叶公司、江西省茶叶果品公司负责起草。本标准主要起草钟萝、尹在继、周卫龙、江顺珠、郑惠如。248
小提示:此标准内容仅展示完整标准里的部分截取内容,若需要完整标准请到上方自行免费下载完整标准文档。