首页 > 国家标准(GB) > GB/T 6081-1985 直齿插齿刀的基本型式和尺寸
GB/T 6081-1985

基本信息

标准号: GB/T 6081-1985

中文名称:直齿插齿刀的基本型式和尺寸

标准类别:国家标准(GB)

标准状态:已作废

实施日期:1986-05-01

作废日期:2002-03-01

出版语种:简体中文

下载格式:.rar.pdf

下载大小:313156

相关标签: 直齿 插齿刀 尺寸

标准分类号

中标分类号:机械>>工艺装备>>J41刀具

关联标准

替代情况:被GB/T 6081-2001代替

出版信息

页数:15页

标准价格:17.0 元

相关单位信息

标准简介

GB/T 6081-1985 直齿插齿刀的基本型式和尺寸 GB/T6081-1985 标准下载解压密码:www.bzxz.net

标准图片预览

GB/T 6081-1985 直齿插齿刀的基本型式和尺寸
GB/T 6081-1985 直齿插齿刀的基本型式和尺寸
GB/T 6081-1985 直齿插齿刀的基本型式和尺寸
GB/T 6081-1985 直齿插齿刀的基本型式和尺寸
GB/T 6081-1985 直齿插齿刀的基本型式和尺寸

标准内容

1适用范围
中华人民共和国国家标准
直齿插齿刀的基本型式和尺寸
The basic type and dimensionsfor spur shaper cutters
UDC 621.913.02
:621.833
GB 6081 --85
1.1木标准规定了模数1~12mm(GB1357一78《渐开线圆柱齿轮模数》),公称分度氮直径25~200mm,分度圆压力角为20°的盘形、碗形和锥柄的直齿插齿刀,精度等级为AA级、A级、B级。
1.2按本标准制造的插齿刀,其精度应符合GR6082一85《直齿插齿刀通用技术条件》的要求。1.3按本标准制造的插齿刀用于加工基准齿形按GB1356—78《渐开线圆柱齿轮基准齿形》规定的齿轮。
2型式和基本尺寸
2.1插齿刀分“种型式和三种精度等级。1型—盘形直齿插齿』(图1、表1~5),其公称分度圆直径为75、100、125、160、200五种,精度等级分AA、A、B三种。Ⅱ 型
一磁形直齿插齿刀(图2、表6~9),其公称分度圆直径为50、75、100、125四种,精度等级分AA、A、BE种。
B两种。
锥柄直齿插齿刀(图3、表10~11),其公称分度圆直径为25、38种、精度等级分A、2.2插齿刀的本型式和尺寸应符合图1~3和表1~11的规定。de.
国家标准局1985-06-06发布
盘形直齿插齿刀
198605-01实施
GB6081-85
公称分度圆直径75mm
分度侧直径
注:在插齿力的原始截面中,齿顶高系数等于1.25,1)
分度圆齿厚等于
公称分度圆直径100mm
分度圆直径
α= 20°
分度阅直检
GB 6081
续表2
注:①在插齿刀的原始截面中,m4时,齿顶高系数为1.25,m4时,齿顶高系数1.3;分度阅两厚等1元m
②按用需要,插齿刀内孔直径可做成44.443mm。表3公称分度圆直径125mm
分度圆直径
m4~8
α=20°
注:()在插齿刀的原始截面中,齿顶高系数等于1.3,分度圆厚等②)按用广需要插收:引的内孔直径可作成41.443mm。131
GB608185
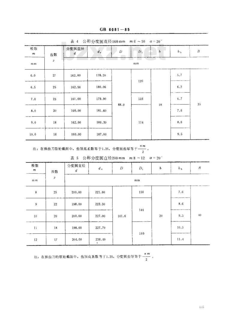
表4公称分度圆直径160mm
分度圆直径
m6~10
注:在插齿刀原始截面中,齿顶高系数等于1.25,分度圆齿厚等十表5公称分度圆直径200mm
分度圆直径
m8~ 12免费标准下载网bzxz
注:在插齿刀的原始截面中,齿项高系数等于1.25,分度圆齿厚等于α=20
GB6081-85
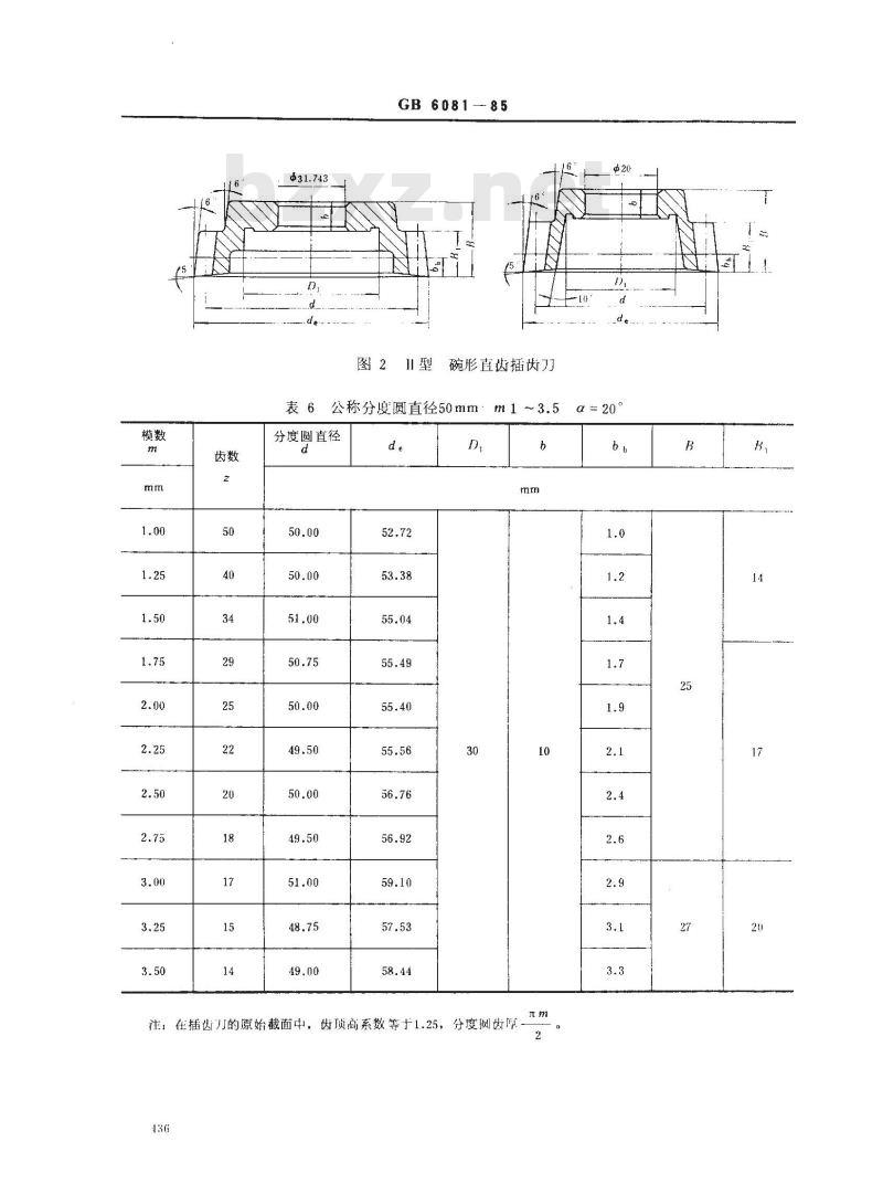
图2Ⅱ型
碗形直齿播齿刀
表6公称分度圆直径50mm
分度圆直径
注:在插齿刀的原始截面中,齿顶高系数等十1.25,分度圆齿厚2
α=20°
GB6081—85
公称分度圆直径75mm
分度圆直径
m1~4
注:在插齿刀的原始截面中,齿顶高系数等于1.25,分度圆齿厚等于
表8公称分度圆直径100mm
分度圆直径
m1~6
α= 20 °
分度圆径
GB6081—85
续表8
注:①在插齿刀原始截面中,m%4附,齿顶高系数为1.25:m:4以齿顶高系数为1.3:分度圆达厚等!②)按用广需要插齿刀的内孔育径可作成44.443mm。438
GB6081-85
公称分度圆直径125mm
分度圆肖径
注:,在内力的原始截面中,齿顾高系数等11.3,分度圆齿厚等于2:按用户需要齿刀的内孔直择可做成44.443mm。α=20
莫民风销
图3=型
锥柄直齿插齿刀
分度例直径
GB6081--85
公称分度圆直径25mm
注:在插伪的原始截面中,齿顶高系数等于1.25,分度圆齿厚等于表11
公称分度圆首径38mm
分度圆直径
社:在插齿刀的原始截面巾,齿顶高系数等广1.25,分度圆芮厚等!
英氏笔
莫氏熊
36081-85
附录A
插齿刀的齿形尺寸
(补充件)
切削刃在前端面上的投影图
渐并线齿形
有效部分起点
图A2在距前端面2.5mm处检查剖面中的齿形图441
盐侧直伦
GB6081-85
公称分度圆直径50mm的碗形直齿插齿刀ha
注:m.n是在插齿加工内齿轮时,按其齿数差等于18计算而得。Pmin
表A2公称分度圆直径75mm的盘碗形直齿插齿刀模效
71,818
66.3266.80
:盘的的mn仙按插齿批工肤条产通得成据法的0mn值是在插售的册:1内轮时:按其街数美享8学南得mex
调直径
GB6081---85
公称分度测置径100mm的盘、
婉形南齿插
注:插齿力的值提按齿刀加上条时计穿而得。0.15
小提示:此标准内容仅展示完整标准里的部分截取内容,若需要完整标准请到上方自行免费下载完整标准文档。