首页 > 国家标准(GB) > GB/T 6082-1985 直齿插齿刀通用技术条件
GB/T 6082-1985

基本信息

标准号: GB/T 6082-1985

中文名称:直齿插齿刀通用技术条件

标准类别:国家标准(GB)

标准状态:已作废

实施日期:1986-05-01

作废日期:2002-03-01

出版语种:简体中文

下载格式:.rar.pdf

下载大小:200284

相关标签: 直齿 插齿刀 通用 技术

标准分类号

中标分类号:机械>>工艺装备>>J41刀具

关联标准

替代情况:被GB/T 6082-2001代替

采标情况:ГОСТ 9323-1979 NEQ

出版信息

页数:7页

标准价格:12.0 元

相关单位信息

标准简介

GB/T 6082-1985 直齿插齿刀通用技术条件 GB/T6082-1985 标准下载解压密码:www.bzxz.net

标准图片预览

GB/T 6082-1985 直齿插齿刀通用技术条件
GB/T 6082-1985 直齿插齿刀通用技术条件
GB/T 6082-1985 直齿插齿刀通用技术条件
GB/T 6082-1985 直齿插齿刀通用技术条件
GB/T 6082-1985 直齿插齿刀通用技术条件

标准内容

1适用范面
中华人民共和国国家标准
直齿插齿刀通用技术条件
Tbe general technical speclficationsforspurshapercutters
UDC621.913.02
: 82 1. 83要
GB 6082--85
1.1本标准适用于模数1 ~12mm (GB 1357一78《渐开线圆柱齿轮模数》)、公称分度圆直径25~200mⅢ、分度圆压力角为20°的盘形、碗形和锥柄的直齿播齿刀。精度等级为AA级、A级、B级。
1.2本标准所规定的公差适用于GB6081一85《直齿插齿刀的基本型式和尺寸》规定的插齿刀。1.按本标准所制造的插齿刀用于加工齿轮精度与JB179一83《渐开线圆柱齿轮精度》相符的齿轮。
2技术要求
2.1插齿刀用W18Cr4V或其他性能相当的高速钢制造。其碳化物均匀度,对于直径不大于100mm的插齿刀应不超过4级,对于直径大于100mm的插齿刀应不超过.5级。2.2插齿刀切削部分硬度为HRC63~66锥柄插齿刀柄部硬度应不低于HRC 35。2.3插齿刀表面不得有裂纹、烧伤及其他影响使用性能的缺陷。2.4
插齿刀各部分的表面粗糙度(按GB1031一83《表面粗糙度:参数及其数值》)应符合表1的规楚。
插齿刀的精
检查表面
刀齿前面
齿质表面
齿侧表面
内孔表面
外支承面
齿顶圆效
内支承面
锥柄表面
国家标准局1985-06-06发布
数及数值
1986-05-01实施
GB 6082—85
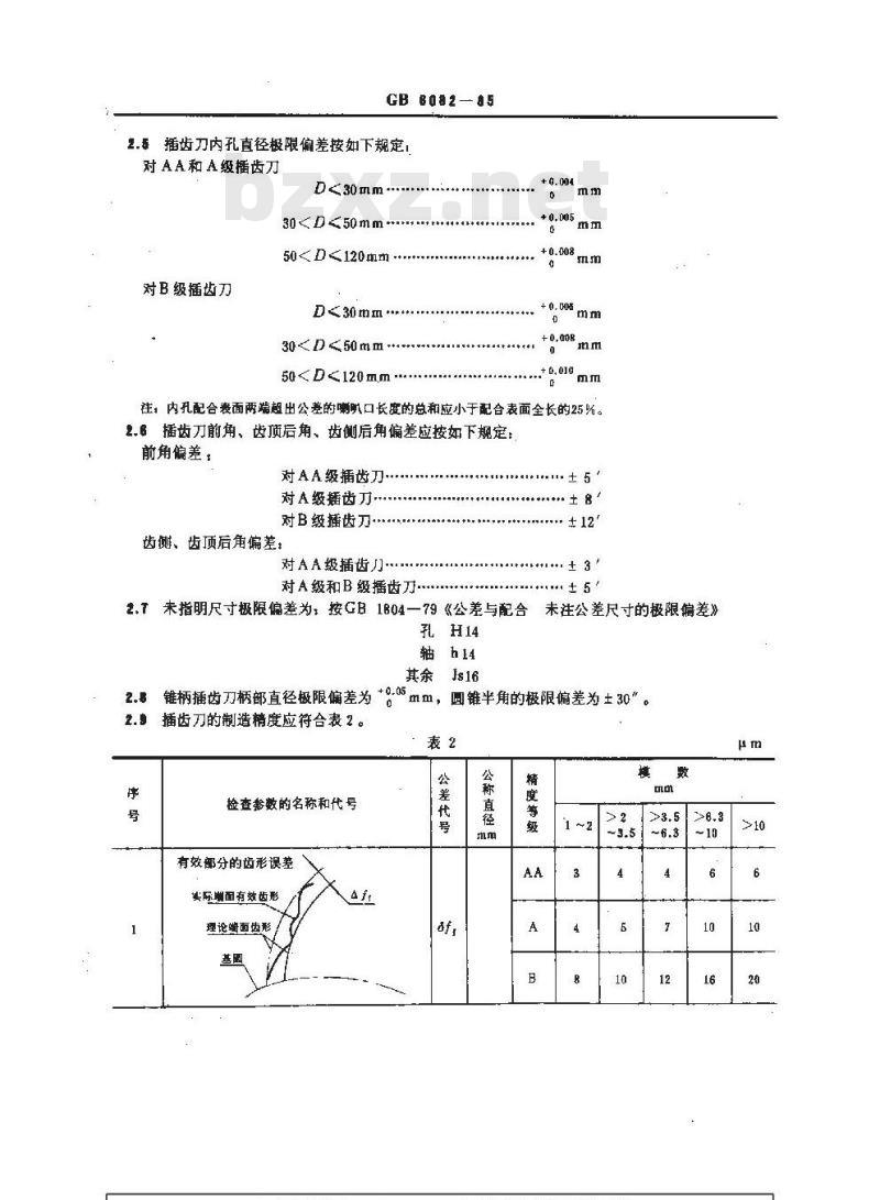
2.弄插齿刀内孔直径极限偏差按如下规定!对AA和A级插齿刀
D<30mm
3050对B级插齿刀
D<30mm
3050+ 0, 000
+0,00BWww.bzxZ.net
往,内孔配合表面两端翅出公差的喇叭口长度的总和应小于配合表面全长的25%。2.6插齿刀前角、齿顶后角、齿侧后角偏差应按如下规定:前角偏差:
对AA级插齿刀…
对A级插齿
对B级插齿刀
齿侧、齿顶后角偏差:
对AA级插齿刀
对A级和B级播齿刀
+++++-+ 5+
·土8
2,T未指明尺寸极限偏差为:按GB1804一79《公差与配合未注公差尺寸的极限偏差》孔H14
轴h14
其余Js16
锥柄插齿刀柄部直径极限偏差为*℃-05mm,圆锥半角的极限偏差为土30”
2.插齿刀的制造精度应符合表2。表2
检查参数的名称和代号
有效郁分的齿形误差
实际删而有效齿形
理论蜡面齿形
检查参数的名称和代号
外国径向画跳动
齿圈径向阅韩动
外厕真径偏差
GB6082-85
续表2
公差代!
公称直径
精度等
1 ~2
± 320
± 400
± 500
检查誉数的名称和代号
前面的斜圆随动
周节案积误疮
周节偏差
实标嘟节
公财为会业
GB0082—85
续表2
检查参数的名称和代号
GB6082-85
续表2
经代号
与一定齿厚相应的齿顾高对理论尺寸的偏差dh.
内支承面对外支承面的平行度
外支承面对内孔的垂直度
(在小于外支承面最大半径:
2 ~ 3 mm 范围内测量
检查参数的名称和代号
GB 6082—85
续表2
公差代号
锥柄插齿刀柄部对轴心线的斜向圆跳动axrl c
性能试验方法
3.1试验应在符合机床精度标准的插齿机上进行。公称直径
3.2试验用齿坏的材料为40号、45号钢(按GB699-65《优质碳素结构钢钢号和般技术条件》)或A6号钢(按GB700-65《普通碳素钢钢号和-般技术条件》)。其硬度为HB170~200,齿坏直径可按20个齿计算,宽度为40mm,试验的齿坏数量不少于5个。9.3模数由1~3mm的插齿刀,次切至全齿深,模数大于3~6.3mm的插齿刀分二次或三次切至全齿深,模数大于6.3扭m的插齿刀分四次或四次以上切至全齿深。3.4试验用的冷却润滑液为硫化袖或其他适当的冷却润滑液,流盘不少于51/min。3.5插齿刀试验时的切削规范应符合表3的规定。表3
插齿刀每一往复行程的阅周走刀mm
切前逮度
3.6经试验的插齿刀切削刃不得有崩刃或显着的磨钝现象,并可继续使用。标志与包装
4.1标志
4.1.1在每把插齿刀的外支承面上(锥柄插齿刀标志在颈部)应标志:制造厂商标,
公称分度圆直径:
模数;
基准齿形角:
齿数;
精度等级;
材料(普通高速钢不标);
制造年份。
4.1,2插齿刀的包装盒上应标志:乳.产品名称;
制造广名称及商标:
公称分度圆直径:
d、模数:
e。基准齿形角;
f..精度等级;
g.材料,
h:制造年份;
i.标准代号。
4.2包装
GB 6082-85
插齿刀在包装前应经防锈处理,并采取措施,防止在包装运输中产生损伤。附加说明:
本标准由中华人民共和国机械工业部提出,由机械工业部成都工具研究所归口。本标准由哈尔滨第-工具厂负责起草。本标准主要起草人姜公伟、马丽心。自本标准实施之日起,原部标准JB2496—78《直齿插齿刀》作废。本标准参照采用TOCT9323—79《精插齿力技术条件》。本标准委托成都工具研究所负责解释。
小提示:此标准内容仅展示完整标准里的部分截取内容,若需要完整标准请到上方自行免费下载完整标准文档。