首页 > 农业行业标准(NY) > NY 5013-2001 无公害食品 苹果产地环境条件
NY 5013-2001

基本信息

标准号: NY 5013-2001

中文名称:无公害食品 苹果产地环境条件

标准类别:农业行业标准(NY)

标准状态:已作废

发布日期:2001-09-03

实施日期:2001-10-01

作废日期:2006-04-01

出版语种:简体中文

下载格式:.rar.pdf

下载大小:111391

相关标签: 无公害 食品 苹果 产地 环境

标准分类号

中标分类号:农业、林业>>经济作物>>B31瓜果、蔬菜种植与产品

关联标准

替代情况:被NY 5013-2006代替

出版信息

出版社:农业出版社

页数:6页

标准价格:12.0 元

出版日期:2001-10-01

相关单位信息

发布部门:中华人民共和国农业部

标准简介

NY 5013-2001 无公害食品 苹果产地环境条件 NY5013-2001 标准下载解压密码:www.bzxz.net

标准图片预览

NY 5013-2001 无公害食品 苹果产地环境条件
NY 5013-2001 无公害食品 苹果产地环境条件
NY 5013-2001 无公害食品 苹果产地环境条件
NY 5013-2001 无公害食品 苹果产地环境条件
NY 5013-2001 无公害食品 苹果产地环境条件

标准内容

中华人民共和国农业行业标准
NY 5013--2001
无公害食品
2001-09-03发布
苹果产地环境条件
2001-10-01实施
中华人民共和国农业部发布
NY5013—2001
本标准由中华人民共和国农业部提出。前
本标准起草单位:农业部环境保护科研监测所。本标准主要起草人:黄士忠、徐应明、黄永春、米长虹、张克强。34
1范围
无公害食品
苹果产地环境条件
NY 5013--2001
本标准规定了无公害苹果产地和环境条件的定义、产地的选择要求、环境空气质量、灌溉水质量、土壤环境质量的各个项目及其浓度(含量)限值和试验方法。本标准适用于无公害苹果产地。2规范性引用文件
下列文件中的条款通过本标准的引用而成为本标的条款。凡是注日期的引用文件,其随后所有的修改单(不包括勘误的内容)或修订版均不适用于本标准,然而,鼓励根据本部分达成协议的各方研究是否可使用这些文件的最新版本。凡是不注日期的引用文件,其最新版本适用于本标推水质pH值的测定玻璃电极法
GB/T 6920
水质六价铬的测定二苯碳酰二肼分光光度法GB/T 7467
GB/T 7468
GB/T 7475
GB/T 7484
GB/T7485
GB/T 7487
总汞的测定冷原子吸收分光光度法铜、锌、铅、镉的测定原子吸收分光光度法氟化物的测定离子选择电极法
总砷的测定二乙基二硫代氨基甲酸银分光光度法氰化物的测定第二部分:氰化物的测定水质
GB/T 8170
数值修约规则
GB/T 15262
GB/T 15432
GB/T 15433
GB/T15434
GB/T 15435
环境空气二氧化硫的测定
环境空气
环境空气
环境空气
环境空气
甲醛吸收-副玫瑰苯胺分光光度法总悬浮颗粒物的定重量法
氟化物的测定石灰滤纸·氟离子选择电极法氟化物的测定
滤膜·氟离子选择电极法
二氧化氮的测定Saltzman法
土壤环境质量标准
GB 15618
GB/T 16488
GB/T 17134
GB/T 17136
GB/T17137
GB/T 17138
GB/T 17141
石油类和动植物油的测定红外光度法土壤质量
土壤质量
土壤质量
总砷的测定
总汞的测定
总铬的测定
二乙基二硫代氨基甲酸银分光光度法冷原子吸收分光光度法
火焰原子吸收分光光度法
火焰原子吸收分光光度法
土壤质量
铜、锌的测定
石墨炉原子分光光度法
土壤质量
铅、镛的测定
农田土壤环境质量监测技术规范NY/T 395
农用水源环境质量监测技术规范NY/T 396
NY/T 397
3术语和定义
农区环境空气质量监测技术规范下列术语和定义适用于本标推。35
NY 5013--2001
苹果产地
具有一定面积和生产能力的栽培苹果的土地。3.2
环境条件
影响苹果生长和质量的空气、灌溉水和士壤等自然条件。4要求
4.1产地选择
无公害苹果产地应选择在生态条件良好,远离污染源,并具有可持续生产能力的农业生产区域。4.2产地空气环境质量
无公害苹果产地环境空气质量应符合表1的规定。表1空气中各项污染物的浓度限值项
总浮颗粒物(TSP)(标准状态),mg/m≤二氧化硫(SO,)(标准状态),mg/m二氧化氮(NO,)(标准状态)mg/m2氟化物(F)(标准状态)
注1:日平均指任何--日的平均浓度;注2:1h平均指任何1h的平均浓度。4.3产地农田灌溉水质量
日平均
7 ±g/m
1.8 μg/(dm. d)此内容来自标准下载网
无公害苹果产地农田灌溉水质应符合表2的规定。浓度限值
1h平均
20 μg/m2
表2农田灌溉水中各项污染物的浓度限值项
总汞.mg/L
总碑,mg/L
总铅,mg/1
铬(穴价),mg/1
氟化物,mg/l
氰化物,mg/L
石油类,mg/L
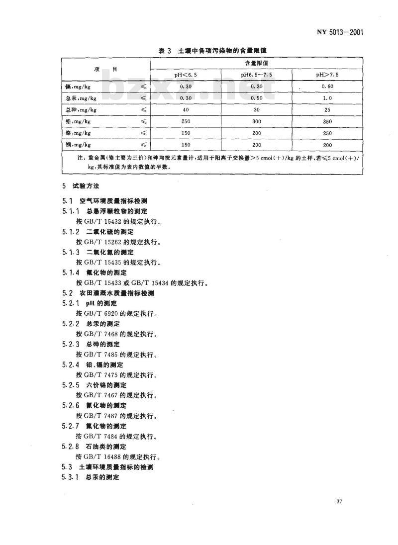
4.4产地土壤环境质量
无公害苹果产地土壤质量应符合表3的规定。36
浓度限值
.mg/kg
总汞,mg/kg
总砷,mg/kg
铅,mg/kg
铬,mg/kg
铜,mg/kg
表3土填中各项污染物的含量限值含量限值
PH6. 5~7. 5
NY5013—2001
注:重金属(铬主要为三价)和砷均按元素量计,适用于阳离子交换量>5cmol(十)/kg的土样,若≤5 cmol(十)/kg,其标准值为表内数值的半数。5试验方法
5.1空气环境质量指标检测
5. 1. 1总患浮颗粒物的测定
按GB/T15432的规定执行。
5. 1. 2二氧化硫的测定
按GB/T15262的规定执行。
5.1.3二氧化氮的测定
按GB/T15435的规定执行。
5.1.4氟化物的测定
按GB/T15433或GB/T15434的规定执行。5.2农田灌溉水质量指标检测
5. 2. 1 pH 的测定
按GB/T6920的规定执行。
5.2.2总汞的测定
按GB/T7468的规定执行。
5.2.3总砷的测定
按GB/T7485的规定执行。
5.2.4铅、的测定
按GB/T 7475的规定执行。
5.2.5六价铬的测定
按GB/T7467的规定执行。
5.2.6氰化物的测定
按GB/T7487的规定执行。
5.2.7氟化物的测定
按GB/T7484的规定执行。
5.2.8石油类的测定
按GB/T16488的规定执行。
5.3土壤环境质量指标的检测
5.3.1总汞的测定
NY 5013—2001
按GB/T17136的规定执行。
5.3.2总碑的测定
按GB/T17134的规定执行。
5.3.3铅、镉的测定
按GB/T17141的规定执行。
5.3.4铬的测定
按GB/T17137的规定执行。
5.3.5铜的測定
按GB/T17138的规定执行。
6检验规则
6.1产地环境
无公害苹果产地必须符合无公害苹果产地环境条件要求。6.2采样方法
6.2.1环境空气质量监测的采样方法按NY/T397执行。6.2.2灌溉水质量监测的采样方法按NY/T396执行。6.2.3土壤环境质量监测的采样方法NY/T395执行。6.3检验结果数值修约
按GB/T8170执行。
小提示:此标准内容仅展示完整标准里的部分截取内容,若需要完整标准请到上方自行免费下载完整标准文档。