首页 > 农业行业标准(NY) > NY 5016-2001 无公害食品 柑桔产地环境条件
NY 5016-2001

基本信息

标准号: NY 5016-2001

中文名称:无公害食品 柑桔产地环境条件

标准类别:农业行业标准(NY)

标准状态:已作废

发布日期:2001-09-03

实施日期:2001-10-01

作废日期:2006-04-01

出版语种:简体中文

下载格式:.rar.pdf

下载大小:138207

相关标签: 无公害 食品 柑桔 产地 环境

标准分类号

中标分类号:农业、林业>>经济作物>>B31瓜果、蔬菜种植与产品

关联标准

替代情况:被NY 5013-2006代替

出版信息

页数:6页

标准价格:12.0 元

相关单位信息

标准简介

NY 5016-2001 无公害食品 柑桔产地环境条件 NY5016-2001 标准下载解压密码:www.bzxz.net

标准图片预览

NY 5016-2001 无公害食品 柑桔产地环境条件
NY 5016-2001 无公害食品 柑桔产地环境条件
NY 5016-2001 无公害食品 柑桔产地环境条件
NY 5016-2001 无公害食品 柑桔产地环境条件
NY 5016-2001 无公害食品 柑桔产地环境条件

标准内容

中华人民共和国农业行业标准
NY 5016—2001
无公害食品
2001-09-03发布
柑桔产地环境条件
2001-10-01实施
中华人民共和国农业部
3发布
NY 5016-2001
本标准由中华人民共和国农业部提出,前
本标准起草单位:农业部农业环境质量监督检验测试中心(重庆)、西南农业大学资源环境学院。本标准主要起草人:唐书源、陈玉成、赵中金、李传义、陈景春、易庭辉等。62
1范围
无公害食品,柑桔产地环境条件NY 5016-—2001
本标准规定了无公害柑桔产地和环境条件的定义、柑桔产地选择要求、环境空气质量、灌溉水质量、土壤环境质量的各个项目及其浓度限值(含量)和相应的试验方法。本标准适用于无公害柑桔鲜果产地。2规范性引用文件
下列文件中的条款通过本标准的引用而成为本标准的条款。凡是注日期的引用文件,其随后所有的修改单(不包括勘误的内容)或修订版均不适用于本标准,然而鼓励根据本标准达成协议的各方研究是否可使用这些文件的最新版本。凡是不注日期的引用文件,其最新版本适用于本标准。GB3095环境空气质量标准
GB5084
农田灌溉水质标准
GB/T6920水质pH值的测定玻璃电极法GB/T 7467
GB/T 7468
GB/T7475
GB/T 7484
GB/T 7485
GB/T7486
GB/T 7487
水质六价铬的测定二苯碳酰二肼分光光度法水质
总汞的测定冷原子吸收分光光度法水质
铜、锌、铅、镉的测定原子吸收分光光度法氟化物的测定离子选择电极法
总砷的测定二乙基二硫代氮基甲酸银分光光度法水质
氰化物的測定第一部分:总氰化物的测定水质
氰化物的测定第二部分:氰化物的测定GB/T 11896
水质氯化物的测定硝酸银容量法GB/T15262
环境空气二氧化硫的测定甲醛吸收-副玫瑰苯胺分光光度法,总悬浮颗粒物的测定重量法
GB/T 15432
环境空气
GB/T 15433
环境空气
GB/T15434
环境空气
GB/T15435环境空气
氟化物的测定石灰滤纸·氟离子选择电极法氟化物的测定滤膜·氟离子选择电极法二氧化氮的测定Saltzman 法
GB15618土壤环境质量标准
GB/T17134土壤质量,
总砷的测定
二乙基二硫代氨基甲酸银分光光度法GB/T17135土壤质量
GB/T 17136
5土壤质量
GB/T 17137
土壤质量
GB/T 17138
土壤质量
GB/T 17140
土壤质量
总砷的测定硼氢化钾-硝酸银分光光度法总汞的测定
冷原子吸收分光光度法
总铬的测定火焰原子吸收分光光度法铜、锌的测定
铅、镉的测定
火焰原子吸收分光光度法
KI-MIBK萃取火焰原子吸收分光光度法总铅、总镉的测定石墨炉原子吸收分光光度法GB/T 17141
土壤质量
农田土壤环境质量监测技术规范NY/T 395
农田水源环境质量蓝测技术规范NY/T 396
NY 5016-2001
NY/T397农区环境空气质量监测技术规范3术语和定义
下列术语和定义适用于本标准。3.1
柑桔产地
具有一定面积和生产能力的裁培柑桔的土地3.2
环境条件
影响柑橘生长和质量的空气、灌溉水和土壤等自然条件。4要求
4.1产地选择
无公害柑桔产地,应选择生态条件良好,远离污染源,并具有可持续生产能力的农业区域。4.2产地环境空气质量
无公害柑桔产地环境空气质量应符合表1规定。表1空气中各项污染物的浓度限值项
总悬浮颗粒物(TSP)(标准状态),mg/m2≤二氧化硫(SO2)(标准状态),mg/m2二氧化氮(NO2)(标准状态),mg/m氟化物(F)(标准状态),μg/(dm2·d)μg/m3
注 1:日平均浓度指任何一日的平均浓度。注2:一小时平均浓度指任何一小时的平均浓度日平均浓度
-小时平均浓度
注3:氟化物日平均浓度1.8为挂片法之值;日平均浓度7和-小时平均浓度20为动力法之值。4.3产地谨溉水质量
无公害柑桔产地灌溉水质量应符合表2规定。表2灌溉水中各项污染物的浓度限值项
总汞,mg/L
总,mg/L
总砷,mg/L
总铅,mg/l
铬(六价),mg/L
氟化物,mg/L
氯化物,mg/L
石油类,mg/LwwW.bzxz.Net
氮化物,mg/L
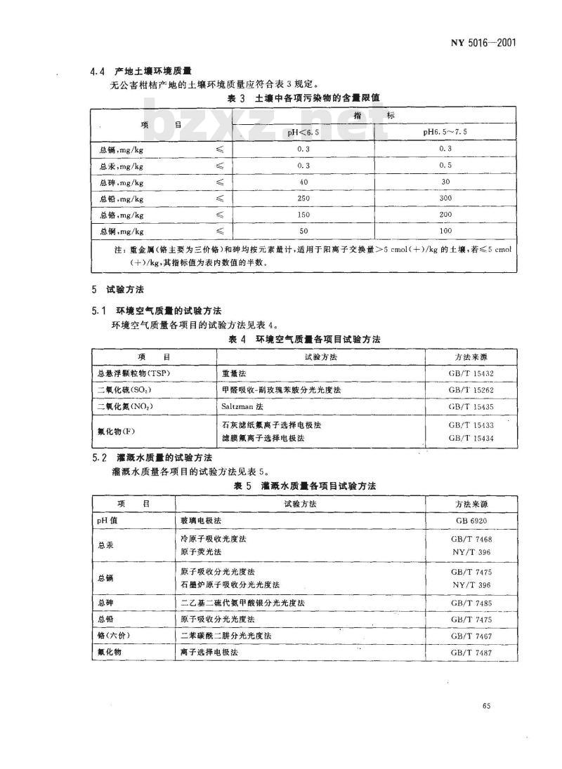
4.4产地士境环境质量
无公害柑桔产地的土壤环境质量应符合表3规定。表3土壤中各项污染物的含量限值项
总,mg/kg
总汞,mg/kg
总砷,mg/kg
总铅,mg/kg
总铬,mg/kg
总铜,mg/kg
NY 5016--2001
pH6. 5~ 7. 5
注:重金属(铬主要为三价铬)和砷均按元素量计,适用于阳离子交换量>5 cmol(+)/kg的土壤,若≤5cmol(+)/kg,其指标值为表内数值的半数,5试验方法
5.1环境空气质量的试验方法
环境空气质量各项目的试验方法见表4。表4环境空气质量各项目试验方法项
总悬浮颗粒物(TSP)
二氧化硫(SO2)
二氧化氮(NO,)
氟化物(F)
5.2灌溉水质量的试验方法
重量法
试验方法
甲醛吸收-副玫瑰苯胺分光光度法Saltzman 法
石灰滤纸氟离子选择电极法
滤膜氟离子选择电极法
灌溉水质量各项目的试验方法见表5。表5灌溉水质量各项目试验方法
铬(六价)
氟化物
【玻璃电极法
冷原子吸收光度法
原子荧光法
原子吸收分光光度法
石墨炉原子吸收分光光度法
试验方法
二乙基二硫代氨甲酸银分光光度法原子吸收分光光度法
二苯碳酰二肼分光光度法
离子选择电极法
方法来源
GB/T15432
GB/ 15262
GB/T15435
GB/T 15433
GB/T 15434
方法来源
GB6920
GB/T7468
NY/T396
GB/T 7475
NY/T396
GB/T 7485
GB/T 7475
GB/T 7467
GB/T 7487
NY 50162001
氰化物
石油类
氯化物
异烟酸-吡啶啉酮比色法
吡啶-巴比妥酸比色法
紫外分光光度法
重量法
硝酸银容量法
表5(续)
试验方法
注:项目中有两种以上试验方法者,都可采用,其中第一种为仲裁方法。5.3土填环境质量的试验方法
土壤环境质量各项目的试验方法见表6。表6土填环境质量各项目试验方法项目
试验方法
石墨炉原子吸收分光光度法
KI-MIBK萃取原子吸收分光光度法玲原子吸收法
冷原子荧光法
二乙基二硫代氨基甲酸银分光光度法硼氢化钾硝酸银光度法
石墨炉原子吸收分光光度法
KI-MIBK萃取火焰原子吸收分光光度法火焰原子吸收分光光度法
火焰原子吸收分光光度法
注:项目中有两种以上试验方法者,都可采用,其中第一种为仲裁方法。6检验规则
6.1产地环境
无公害柑桔产地必须符合无公害柑桔产地环境条件要求。6.2采样方法
6.2.1产地环境空气的采样方法按照NY/T397执行。6.2.2产地灌溉水的采样方法按照NY/T396执行。6.2.3产地土壤的采样方法按照NY/T395执行。6.3检验结果的数值修约
按照GB/T 8170执行。
方法来源
GB/T 7486
GB/T 7487
NY/T 396
GB/T 11896
方法来源
GB/T 17141
GB/T17140
GB/T 17136
NY/T395
GB/T 17134
GB/T17135
GB/T 17141
GB/T17140
GB/T 17137
GB/T 17138
小提示:此标准内容仅展示完整标准里的部分截取内容,若需要完整标准请到上方自行免费下载完整标准文档。