首页 > 农业行业标准(NY) > NY/T 864-2004 苦丁茶
NY/T 864-2004

基本信息

标准号: NY/T 864-2004

中文名称:苦丁茶

标准类别:农业行业标准(NY)

标准状态:现行

发布日期:2005-01-04

实施日期:2005-02-01

出版语种:简体中文

下载格式:.rar.pdf

下载大小:315933

标准分类号

标准ICS号:食品技术>>茶、咖啡、可可>>67.140.10茶

中标分类号:食品>>饮料>>X55茶叶制品

关联标准

出版信息

出版社:中国农业出版社

页数:7页

标准价格:8.0 元

出版日期:2005-02-01

相关单位信息

起草人:刘洪升、冯信平、贺利民等

起草单位:农业部热带农产品质量监督检验测试中心

归口单位:中华人民共和国农业部

提出单位:中华人民共和国农业部

发布部门:中华人民共和国农业部

标准简介

本标准规定了冬青属苦丁茶、冬青科冬青属大叶冬青、苦丁茶的术语和定义、要求、试验方法、检验规则、标志、标签、包装、运输与贮存。本标准适用于冬青科芽、叶为原料制成的苦丁茶。 NY/T 864-2004 苦丁茶 NY/T864-2004 标准下载解压密码:www.bzxz.net

标准图片预览

NY/T 864-2004 苦丁茶
NY/T 864-2004 苦丁茶
NY/T 864-2004 苦丁茶
NY/T 864-2004 苦丁茶
NY/T 864-2004 苦丁茶

标准内容

ICS67.140.10
中华人民共和国农业行业标准
NY/T864-2004
苦丁茶
Kudingcha
2005-01-04发布
2005-02-01实施
中华人民共和国农业部发布
本标准由中华人民共和国农业部提出并归口:本标准起草单位:农业部热带农产品质量监督检验测试中心。本标准主要起草人:刘洪升、章程辉、冯信平、贺利民、汤建彪、井桂豪。NY/T864—2004
1范围
苦丁茶
NY/T864—2004
本标准规定了冬背科冬青属苦丁茶(llerkudlingchaC.J.Tseng)、冬青科冬青属大叶冬青(lerlatifoliuThunb.)苦丁茶的术语和定义、要求、试验方法、检测规则、标识、包装、运输和存本标准适用于采用冬青科芽、叶为原料制成的苦丁茶。2规范性引用文件
下列文件中的条款通过本标准的引用而成为本标准的条款。凡是注日期的引用文件,其随后所有的修改单(不包括勘误的内容)或修订版均不适用1本标准,然而,鼓励根据本标准达成协议的各方研究是否可使用这些文件的最新版本。凡是不注口期的引用文件,其最新版本适用于本标准。包装储运图示标志
GB/T 5009.11
GB/T 5009.12
GB/T 5009.13
GB/T 5009.16
GI3/T 5009.17
GB/T 5009.18
GB/T 5009.123
GB7718
食品中总砷及无机砷的测定
食品中铅的测定
食品中铜的测定
食品中锅的测定
食品中氟的测定
食品中总汞及有机汞的测定
食品中铬的测定
食品标签通用标准
GB/T8302
GB/T8304
GB/T8305
GB/T8306
GB/T8307
GB/T8308
GB/T8310
GB/T 8311
GB11688
水分测定
水浸出物的测定
总灰分测定
水溶性灰分和水不溶性灰分测定酸不溶性灰分测定
粗纤维测定
粉末和碎茶含量测定
食品包装用厚纸卫生标准
GB/T14487
JJF1070
茶叶感官中评术语
定量包装商品净含量计量检验规则茶叶中甲萘威、丁硫克白威、多菌、残杀威和抗蚜威的最大残留限量茶叶中氟氯氰菊酯和氟氰戊菊酯的最大残留限革国家质量技术监督局43号令《定量包装商品计量监督规定》3术语和定义
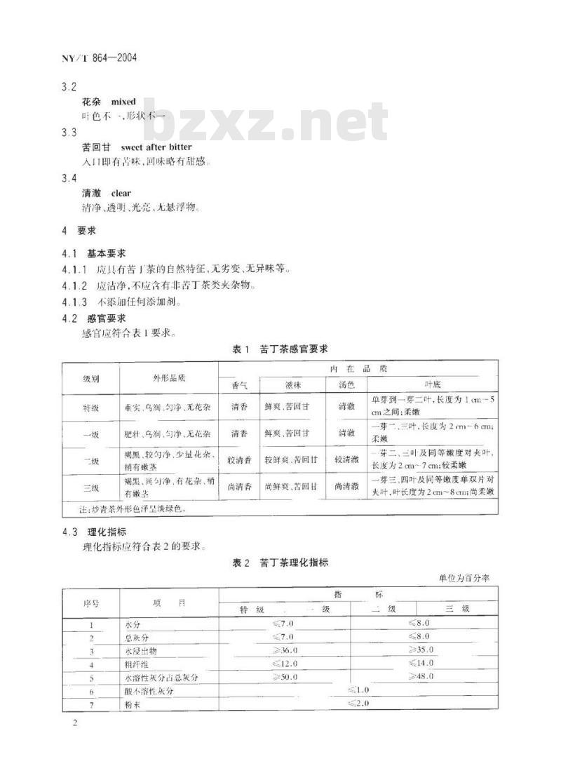
下列术语和定义适用于本标准。3.1
匀净neat
勾整,不含梗补及其他夹杂物
NY/T864—2004
花杂mixed
叶色不,形状不一
苦回甘swectafterbitter
人!即有苦味,回味略有甜感
清澈clear
清净、透明、光亮、无悬浮物。4要求
4.1基本要求
4.1.1应!有苦茶的自然特征,无劣变,无异味等。4.1.2应洁净,不应含有非苦丁茶类夹杂物4.1.3不添加任何添加剂。
4.2感官要求
感官应符合表丨要求。
表1苦丁茶感官要求
外形品质
重实,乌润、匀净、无花杂
肥壮、乌润、钉净、无花杂
褐黑、较勾净、少量花杂、
稍有嫩茎
褐黑、尚匀净、有花杂、稍
有嫩基
注:炒青茶外形色泽淡绿色
4.3理化指标
理化指标应符合表2的要求。
总灰分
水没出物
粗纤维
水溶性灰分占总灰分
酸不溶性灰分
较清香
尚清香
鲜爽,苦回甘
鲜爽、苦回甘
较鲜爽、苦回廿
尚鲜爽、苦回日
内在品质
较清澈
尚清澈
表2苦丁茶理化指标
单芽到一芽二叶,长度为1cm~5
cm之间:柔嫩
一芽一,三叶,长度为2cm~6cm;柔嫩
芽二,三叶及同等嫩度对夹叶,长度为2cm7.cm;较柔嫩
-芽三、四叶及同等嫩度单双片对火叶,叶长度为2cm~8cm;尚柔嫩单位为百分率免费标准下载网bzxz
4.4卫生指标
生指标应符合表3要求
铅(以Pb计)
铜(以(u计)
铬(以Pb计)
镭(以cd计)
汞(以IHg计)
氟(以F计)
碑(以As计)
甲茶威(carbauryl))
硫克有威(carbosutfan)
多菌灵(carbondazim)
残杀威(propoxur)
抗蚜威(pimicarb)
氟氯氰菊酯(cyfluthrin)
氟氰戊翁酯(fincythrinate)
注:其他卫生指标执行国家相关标准。4.5净含量负偏差
表3苦丁茶卫生指标
执行国家质量技术监督局43号令《定量包装商品计量监督规定》5试验方法
5.1取样
按GB/T8302规定执行
5.2基本要求和感官要求检测
按GB/T14487规定执行。
5.3理化指标检测
5.3.1水分
按GB/T8304规定执行。
5.3.2总灰分
按GB/I8306规定执行。
5.3.3水浸出物
按GB/T8305规定执行。
5.3.4粗纤维
按GB/T8310规定执行。
5.3.5水溶性灰分
按GB/T8307规定执行。
5.3.6酸不溶性灰分
NY/T864-~2004
单位为毫克每千克
NY/T864—2004
按GB/T8308规定执行
5.3.7粉末和碎茶含量
按GB/8211规定执行
5.4卫生指标的检测
按(GB/15009.11规定执行
按GB/T5009.12规定执行
按GB/T5009.13规定执行
按GB/T5009.15规定执行
按GB3/T5009.17规定执行
按GB/T5009.18规定执行
按GB/T5009.123规定执行。
5.4.8甲萘威、丁硫克百威、多菌灵、残杀威、抗蚜威按NY660附录A规定执行。
5.4.9氟氯氰菊酯、氟氰戊菊酯
按VY661附录A规定执行
5.5净含量负偏差检测
按JJF1070规定执行,
5.6包装标签检验
按GB7718规定执行
6检验规则
6.1组批
同一产地、同一生产日期、同一原料、同一等级节丁茶产品为一批次。6.2抽样方法
按GB/T8302规定执行
6.3交收(出厂)检验
6.3,1每批产品交收(出厂)前,应进行检验,检验合格并附有合格证的产品方可出售。6.3.2交收(出厂)检验内容为感官、水分、粉末、净含量、包装、标志和标签。6.4型式检验
型式检验是对产品质量进行全而考核.有下列情形之一者应对产品质量进行型式检验a)新产品试制或原料、工艺、设备有较大改变时:b)因人为或自然因素使生产环境发生较人变化;c)前后两次抽拍样检验结果差异较大:d)有关行政主管部门提出型式检验要求型式检验时,应按第4章规定的全部技术指标要求进行检验6.5判定规则
6.5.1经检验符合本标准要求的产品,按第4章等级要求分别定为相应等级6.5.2基本要求、卫生指标有一项不符合要求的产品,判为不合格产品6.6复验
Y/T864—2004
理化指标检验不合格,可对保留样进行复检或在同批产品中重新按GB/8302规定加倍取样,对不合格项门进行复检,以一次复检为限,结果以复检为准7标识
7.1标志
包装储运图示标志应符合GB191规定2标签
应符合GB7718的规定。标签内容中应标明苦丁茶科、属、种名称,明确植物学名或拉丁文:8包装
8.1包装材料应干燥、清洁、无异味,不影响苦丁茶品质。便于装卸、仓储和运输8.2接触茶叶的内包装材料应符合GB11680规定:9运输和贮存
9.1运输工具应清洁、干燥、无异味、无污染;运输时应防潮、防雨、防暴晒;装卸时轻放轻卸,严禁与有毒、有异味、易污染的物品混装混运。2应贮于清洁、干燥、阴凉、避光、无异气味的专用仓库巾,仓库周围应无异味污染。防高温、防光照9.2
防氧化,密封此存。
小提示:此标准内容仅展示完整标准里的部分截取内容,若需要完整标准请到上方自行免费下载完整标准文档。