首页 > 冶金行业标准(YB) > YB/T 126-1997 钢丝网架夹芯板用钢丝
YB/T 126-1997

基本信息

标准号: YB/T 126-1997

中文名称:钢丝网架夹芯板用钢丝

标准类别:冶金行业标准(YB)

标准状态:现行

发布日期:1997-08-04

实施日期:1997-12-01

出版语种:简体中文

下载格式:.rar.pdf

下载大小:406369

相关标签: 钢丝网 夹芯板 钢丝

标准分类号

标准ICS号:冶金>>钢铁产品>>77.140.65钢丝、钢丝绳和环节链

中标分类号:冶金>>钢铁产品>>H49钢丝、钢丝绳

关联标准

出版信息

出版社:中国标准出版社

书号:155066.2-11904

页数:5页

标准价格:8.0 元

出版日期:2004-04-19

相关单位信息

起草人:刘万刚、刘建华、任景华、王希哲、王晓青

起草单位:天津市大成五金厂、苏州混凝土水泥制品研究院

归口单位:全国钢标准化技术委员会

提出单位:全国钢标准化技术委员会

发布部门:中华人民共和国冶金工业部

标准简介

本标准规定了钢丝网架夹芯板用钢丝的定义、分类及代号、尺寸、技术要求、试验方法、检验规则、包装、标志及质量证明书。本标准适用钢丝网架夹芯板用冷拉钢丝、镀锌钢丝(以下简称钢丝)。 YB/T 126-1997 钢丝网架夹芯板用钢丝 YB/T126-1997 标准下载解压密码:www.bzxz.net

标准图片预览

YB/T 126-1997 钢丝网架夹芯板用钢丝
YB/T 126-1997 钢丝网架夹芯板用钢丝
YB/T 126-1997 钢丝网架夹芯板用钢丝
YB/T 126-1997 钢丝网架夹芯板用钢丝
YB/T 126-1997 钢丝网架夹芯板用钢丝

标准内容

YB/T126-1997
本标准土要参照国内企业标准和根据使用用户要求制定。本标出企国钢标准化技术委员会提出井归口。本标湃主婴起草单位:天津市大成江金厂,苏州混凝十水泥制品研究院本标准主要起草人刘万刚、刘建华、代景华、工希哲、土晓青。1范围
中华人民共和国黑色冶金行业标准钢丝网架夹芯板用钢丝
Steel wires Ior steel net Framc core boardYB/T 126
本标征规定了钢丝网架夹芯极用钢丝的定义,分炎及代号、尺寸,技术要求,试验力法,检验规则,包装、标志及质宝证响书.
本标准适用于钢丝网架火芯板用冷拉钢丝、镀锌钢丝(以下简称钢丝)2引用标准
下划标准所包否的条文,通过在本标准中引用满构或为本标准的条文。本标准比版时·所示版本均为有效。所标准部会被修订使用不标准的各力应探讨使用下驾标准最病版本的可能性。G7—低候钢热轧网盘条
GB22887金属拉件试骏力法
B238-8%金厨线材反复变尚试验方法(:13 2103---88丝验收、包装,标点及研量证明-书的--微规注G13/T2973--91镀锌钢效锌层乐金试输方然GF2976—8%金线材缠绕试验方达钢产品标记代号
(37[155751995
3定义
辆丝网架夹芯板用钢丝:指子钢丝网架夹芯板支学胃架的钢丝4分类及代号
4.1钢丝接用途分为两种,按GB/T1557.,共代号为:板条拼按夹芯板川钢丝LISC:
插丝炎芯板用钢丝
其中:S,,I分别是炎文学 Sheet,tore,Insert 的字头。4. 2钢丝接交货状态分为两种接(;B/T 15575,其代少为:冷拉钢丝WCT)
镀镇钢垒
4. 3钢丝的途及交货状态在合同注明5尺寸、外形、重
5.1尺小及许差
5. 1. 1被条拼按芯板用钢丝的直径及诈偏举应合表1的规定中华人民共和国治金工业部1997-08-04批准1997-12-01实施
纲直猛
YR/T 126
512插丝求芯版用钢丝的直径及允许偏差感符合表2的规定表2
5.2外形bZxz.net
钢丝的不圆度应不大于直径公差之半钢丝捆内不得有紊乱的丝圈或成““学形“5. 3
允疗崛片
每捆钢丝的重量、接点数及每捆最小重虽应符合表3的舰定,3
钢丝直径.mm
2. 0--3.
-$. nn--. Gc
每捆焊接点数
不大」
世按改划封丝
最低,kp
非标排播
每性最小重后
5.3.2标准捆丝每钢重的允许偏差火捆重的一2%,但每批交货重垫不允许有负偏益5.3.3非标准捆钢丝每拥量量出供方确定或效方协议确定供最小重量应符合表3的视定。5.3.4纳丝成品接头处要对正平.做好阳腐处卵,此处不作为活量验收依据-按头数量不得超过表3的焊接点数
5. 4 标记示列
例1:为2.03mm抗拉强度为A级的板杀排接夹心板用镀锌钢丝:标记:S7-USC-2.03-A-YR/T 126997
例?:直径为3.5们mm的插丝类芯板H冷拉钢丝.标记为:WCI-UIC.3. 50-YH/T 125
6技术要求
钢绝用整条成符合(R701的规定,牌号山制造选定,6.2
力学性能
6.2.1极条讲接类芯板用纳丝的力学性能应符合表1的规定,钢丝直径
590~·740
YB/T 126—1997
抗拉强度·MPa
50~85m
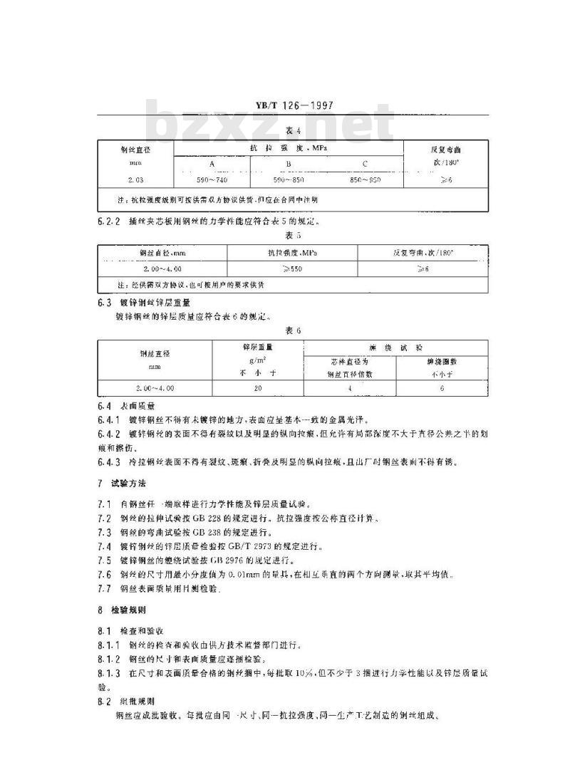
注,抗拉强度缴别可按供需双方协议供货,机应在合同中注明6.2.2插丝夹芯板用钢丝的,力学性能应符合表5的规定,表
钢丝自轻,mm
2. 00~-4. 00
注;经供需双方协议,也可接用户的要求供货6.3镀锌谢丝锌层重量
抗拉强度,MPa
镀锌钢丝的锌层质量应符合表6的规定。表6
丝直径
2. 0C~ 4. 00
6.4表面压量
铎层重直
不小于
85%~950
反复曲
次/180
反复弯曲,/180
编绕试验
芯评直径为
谢丝古径倍数
6.4.1镀锌钢丝不得有未镀锌的地方,表面应呈基本---致的金属光泽。绅绕国数
不小于
6.4.2键锌钢丝的表面不得有裂纹以及明显的纵向拉策,担允许有局部深度不大于直径公差之半的划痕和擦伤。
6.4.3冷拉钢丝表面不得有裂纹、斑痕,折叠及明显的纵问拉痕,且出厂时钢丝表间不得有诱。试验方法
自钢丝任-端取样进行力学性能及锌层质量诚验。7.1
钢丝的拉伸试验按GB228的规定进行,抗拉强度按公称直径叶算,7.3钢丝的弯曲试验按 GB 238 的规定进行。镀铲制丝的锌层质量检验按 GB/T 2973 的规定进行,7.4
镀锌钢丝的继绕试验按(:13 297G的现定进行。7.5
钢丝的尺寸用最小分度值为心心1mm的量其,在和互函直的两个方尚测毕,取其半均值钢丝表面质鼠用且测检验
8检验规则
检查和验收
8.1.1钢丝的检查和验收供方技术监督部门进行。8.1.2钢丝的尺小和表面质量应逐捆检验,8.1.3在尺寸和表面质量合格的钢效捆中,每批取10%,但不少于3捆进行力学性能以及锌层质品试验。
8.2组批规则
钢丝应成批验收。每批应由同-尺止、同一扰拉强度,同一型产工艺制班的翊丝组成8.3复验均判定规则
YB/T 126—1997
钢丝的复验与判定规则成符合GB 2103的规定。9包装、标志及质量保证书
9.1包装
9.1.1每捆丝用1.60mm~2.20mm软钢丝均勾捆扎四处,每处两圈并应扎紧不得松动,9.1.2镀锌钢丝的外包装应内衬防潮纸(或塑料薄膜),外用塑编布(或麻布)包装。包装应严紧不允许有外磷钢丝。
9.1.3经供需双方协议,也可按,H他包装方式交货标志及质量证明书
丝的标志及质量证明书应符合GB2103的规定
小提示:此标准内容仅展示完整标准里的部分截取内容,若需要完整标准请到上方自行免费下载完整标准文档。