首页 > 冶金行业标准(YB) > YB/T 5220-1993 非机械弹簧用碳素弹簧钢丝
YB/T 5220-1993

基本信息

标准号: YB/T 5220-1993

中文名称:非机械弹簧用碳素弹簧钢丝

标准类别:冶金行业标准(YB)

标准状态:现行

发布日期:1993-12-08

实施日期:1994-01-01

出版语种:简体中文

下载格式:.rar.pdf

下载大小:77828

相关标签: 机械 弹簧 碳素 弹簧钢

标准分类号

标准ICS号:冶金>>钢铁产品>>77.140.65钢丝、钢丝绳和环节链

中标分类号:冶金>>钢铁产品>>H49钢丝、钢丝绳

关联标准

替代情况:原标准号GB 10564-89

出版信息

页数:4页

标准价格:8.0 元

出版日期:1994-01-01

相关单位信息

起草人:张吉吾、纪贵、常济平、陈壮、封文华

起草单位:首钢特殊钢公司、冶金工业部情报标准研究总所

提出单位:中华人民共和国冶金工业部情报标准研究总所

标准简介

本标准规定了非机械弹簧钢丝的分类、尺寸、外形、技术要求、试验方法、检验规则、包装标志及质量证明书等。本标准适用于家俱、汽车座靠垫、室内装饰等非机械弹簧用圆形截面的冷拉碳素弹簧钢丝。 YB/T 5220-1993 非机械弹簧用碳素弹簧钢丝 YB/T5220-1993 标准下载解压密码:www.bzxz.net

标准图片预览

YB/T 5220-1993 非机械弹簧用碳素弹簧钢丝
YB/T 5220-1993 非机械弹簧用碳素弹簧钢丝
YB/T 5220-1993 非机械弹簧用碳素弹簧钢丝
YB/T 5220-1993 非机械弹簧用碳素弹簧钢丝

标准内容

中华人民共和国黑色治金行业标准非机械弹簧用碳素弹簧钢丝
Carbon steel wire fot non-
mechanical spring
主题内容与适用范围
YB/T 5220-93
本标准规定了非机械弹簧钢丝的分类、尺寸、外形、技术要求、试验方法、检验规则、包装标志及质量证明书等。
本标准适用于家俱、汽车座靠垫、室内装饰等非机械弹簧用圆形截面的冷拉碳素弹簧钢丝。2引用标准
GB 228
GB 342
GB 699
金属拉伸试验方法
冷拉圆钢丝尺寸、外形、重量及允许偏差优质碳素结构钢技术条件
GB1298
碳素工具钢技术条件
GB2103
钢丝验收、包装、标志及质量证明书的一般规定GB 6397
3分类
金属拉伸试验试样
钢丝按强度分为九组:
A1、A2、A3组:用于较低应力弹簧。A4、A5、A6组:用于一般应力弹簧。A7、A8、A9组:用于较高应力弹簧。4尺寸、外形
4.1钢丝的直径范围为0.20~7.00mm。钢丝直径应符合GB342中表1的规定。可供中间尺寸的钢丝,但不推荐使用,
4.2钢丝直径的允许偏差应符合表1规定。合同未注明时按h11级供货。4.3钢丝的椭圆度应不大于直径公差之半。4.4钢丝盘应规整,不得有影响使用的扭曲或呈“co\形。4.5标记举例
直径3.00mm、直径允许偏差为h11级的A4组钢丝,其标记为:非机械用弹簧钢丝3-0-hl1-GB342—82A4-YB/T5220--93
中华人民共和国治金工业部1993-12-08批准1994-01-01实施
钢丝直径
>0. 30~0. 60
>0. 60~1. 00
>1. 00~3. 00
>3. 00~6. 00
>6. 00~7. 00
技术要求
5.1牌号及化学成分
YB/T5220—93
钢丝应选用GB699或GB1298中规定的牌号制造。亦可用质量相当的其他牌号的钢制造。5.2力学性能免费标准下载网bzxz
钢丝的抗拉强度应符合表2的规定。5.2.1
5.2.2各组钢丝的参考直径范围见附录A。表2
5.3T.艺性能
抗拉强度
1180~~1380
(120~141)
1 380~1580
(141~161)
1 580~1 780
(161~182)
抗拉强度
1780~1980
(182~202)
1 980~2 180
(202~222)
2180~~2380
(222243)
MPa(kgf/mm2)
抗拉强度
2 380~2 580
(243~263)
2 580~2 780
(263284)
2 7802980
(284~304)
5.3.1直径不大于4.00mm的钢丝应进行缠绕试验。钢丝在直径等于钢丝直径的芯棒上缠绕两圈后表面不得有裂纹或折断。
5.3.2直径大于4.00mm的钢丝应进行弯曲试验,驾曲后表面不得有裂纹或折断。5.4表面质量
钢丝表面应光滑,不得有肉眼可见的裂纹、折选、结疤、氧化铁皮和锈蚀等有害缺陷。6
试验方法
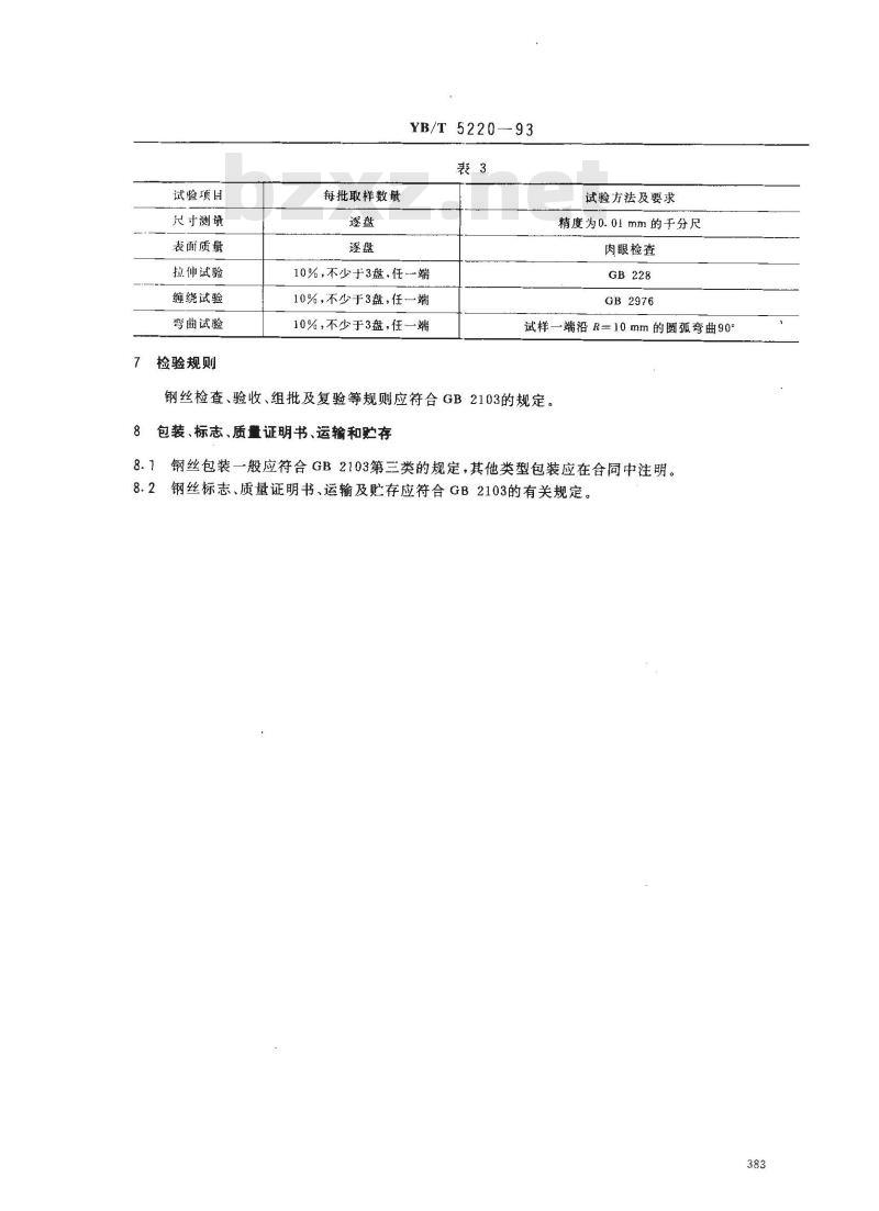
钢丝检验项目的试验方法、取样数量及试验要求应符合表3的规定。382
试验项目
尺寸测录
表面质量
拉伸试验
缠绕试验
弯曲试验
检验规则
每批取样数量
YB/T 5220-93
10%,不少于3盘,任-一端
10%,不少于3盘,任一端
10%,不少于3盘,任一端
试验方法及要求
精度为0.01mm的于分尺
肉眼检查
GB2976
试样一端沿R=10mm的圆弧弯曲90°钢丝检查、验收、组批及复验等规则应符合GB2103的规定。8包装、标志、质量证明书、运输和贮存8.7钢丝包装一般应符合GB2103第三类的规定,其他类型包装应在合同中注明。8.2钢丝标志、质量证明书、运输及贮存应符合GB2103的有关规定。383
YB/T 5220--93
附录A
各组强度钢丝的参考直径范围
(参考件)
各组强度钢丝的参考直径范围见表Al。A1
附加说明:
直径范
6.00~7.00
3.20~7.00
1.60~6.00
0.60~4.00
0.30~1.60
0.301. 00
0.30~0.60
0.20~0.40
本标准由中华人民共和国冶金工业部情报标准研究总所提出。本标准由首钢特殊钢公司、冶治金工业部情报标准研究总所负责起草。本标准主要起草人张吉吾、纪贵、常济平、陈壮、封文华。38.4
小提示:此标准内容仅展示完整标准里的部分截取内容,若需要完整标准请到上方自行免费下载完整标准文档。