首页 > 纺织行业标准(FZ) > FZ/T 93003-1991 纺纱和捻线用金属钩
FZ/T 93003-1991

基本信息

标准号: FZ/T 93003-1991

中文名称:纺纱和捻线用金属钩

标准类别:纺织行业标准(FZ)

标准状态:已作废

实施日期:1992-01-01

出版语种:简体中文

下载格式:.rar.pdf

下载大小:82944

相关标签: 纺纱 捻线 金属

标准分类号

中标分类号:纺织>>纺织机械与器具>>W93纺部机械与器具

关联标准

替代情况:被FZ/T 93003-2002代替

采标情况:ISO 2266-1974 NEQ

出版信息

页数:3页

标准价格:8.0 元

相关单位信息

标准简介

FZ/T 93003-1991 纺纱和捻线用金属钩 FZ/T93003-1991 标准下载解压密码:www.bzxz.net

标准图片预览

FZ/T 93003-1991 纺纱和捻线用金属钩
FZ/T 93003-1991 纺纱和捻线用金属钩
FZ/T 93003-1991 纺纱和捻线用金属钩

标准内容

中华人民共和国纺织行业标准
纺纱和捻线用金属钩
本标准参照采用国际标准ISO2266-1974《纺纱和捻线用钢丝圈》。1主题内容与适用范围
FZ/T 93003--1991
本标准规定了纺纱和捻线用金属钩(以下简称“金属钩”)的产品分类、技术要求、试验方法、检验规则和标志、包装、贮存。
本标准适用于纺纱和捻线垂面和锥面钢领用金属钩。2引用标准
GB/T699优质碳素结构钢技术条件GB/T3110黄铜线
GB/T2828逐批检查计数抽样程序及抽样表(适用于连续批的检查)FZ/T90041.4纺纱和捻线平面钢领用钢丝圈试验方法显微维氏硬度3产品分类
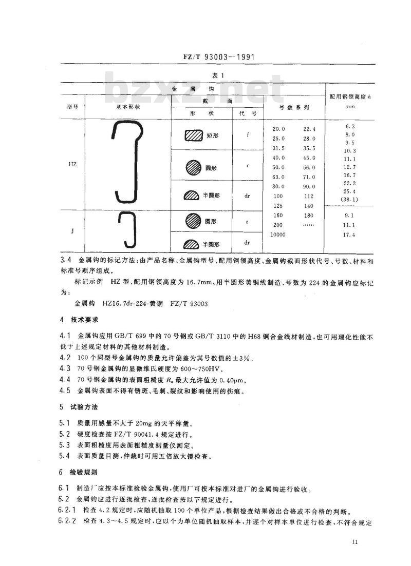
3.1根据配用钢领型式,金属钩分为HZ型和J型两类。HZ型适用于垂面钢领,J型适用于锥面钢领。3.2金属钩的号数是表示1000个同型号金属钩质量的克数值。3.3金属钩的类型、截面形状、号数系列和配用的钢领高度应符合图1、图2及表1规定。图1
垂面钢领用HZ型金属钩
图2锥面钢领用J型金属钩
中华人民共和国纺织工业部1991-06-01批准10
1992-01-01实施
基本形状
FZ/T93003---1991
半圆形
半圆形
号数系列
配用钢领高度h
3.4金属钩的标记方法:由产品名称、金属钩型号、配用钢领高度、金属钩截面形状代号、号数、材料和标准号顺序组成。
标记示例HZ型、配用钢领高度为16.7mm、用半圆形黄铜线制造、号数为224的金属钩应标记为:
金属钩HZ16.7dr-224-黄铜FZ/T930034技术要求
4.1金属钩应用GB/T699中的70号钢或GB/T3110中的H68铜合金线材制造,也可用理化性能不低于上述规定材料的其他材料制造。4.2100个同型号金钩的质量允许偏差为其号数值的士3%。4.370号钢金属钩的显微维氏硬度为600~750HV。4.470号钢金属钩的表面粗糙度R。最大充许值为0.40μm。4.5金属钩表面不得有锈斑、毛刺、裂纹和影响使用的伤痕。5试验方法
质量用感量不大于20mg的天平称量。5.2硬度检查按FZ/T90041.4规定进行。5.3表面粗糙度用表面粗糙度测量仪测定。表面质量目测,仲裁时可用五倍放大镜检查。5.4
6检验规则
6.1制造厂应按本标准检验金属钩,使用厂可按本标准对进厂的金属钩进行验收。6.2金钩应进行逐批检查,逐批检查按以下规定进行。6.2.1检查4.2规定时,应随机抽取100个单位产品,根据检查结果做出合格或不合格的判断。6.2.2检查4.3~4.5规定时,应以个为单位随机抽取样本,并逐个对样本单位进行检查,不符合规定11
FZ/T 93003--1991
的样本单位为不合格。检查采用GB/T2828中的二次抽样方案,从正常检查开始,并按GB/T2828中4.6.3和4.6.4规定进行。检查时,其样本大小及检查合格或不合格的判断应根据GB/T2828中4.11规定按下述3项分别进行:
检查4.3规定时,采用特殊检查水平S-2,合格质量水平为6.5;检查4.4规定时,采用特殊检查水平S-2,合格质量水平为6.5;检查4.5规定时,采用特殊检查水平S-3,合格质量水平为10。6.2.3样本的抽取和检查按GB/T2828中4.9和4.10规定进行。6.2.4逐批检查合格或不合格的判断按以下规定进行:当6.2.1和6.2.2中a~~c项全判为合格时,则判该检查批逐批检查合格,否则,就判为不合格。6.2.5逐批检查后的处置按GB/T2828中4.12规定进行。7标志、包装、购存
7.1金属钩应用镀锌铁皮或其他材料制造的包装盒盛装,包装盒底面积为 100mm×75mm,高度为35,50,65,120mm。运往外地时应加外包装,外包装采用钉板箱或双瓦榜纸箱。7.2金属钩的包装标志应符合以下规定。7.2.1每个包装盒上应标明:
制造厂名或商标;
产品标记;
生产年月或生产批号;
数量,wwW.bzxz.Net
合格标记。
外包装箱上应标明:
制造厂名;
产品标记;
盒数;
毛重;
体积(长×宽×高=m2),
出厂日期;
小心轻放及怕湿标志。
金属钩应贮存在通风干燥处,供货方应保证金属钩到达使用厂后一年内不生锈。附加说明:
本标准由纺织工业部技术装备司提出。本标准由陕西纺织器材研究所归口。本标准由陕西纺织器材研究所负起草。本标准主要起草人赵玉生、何万瑛。12
小提示:此标准内容仅展示完整标准里的部分截取内容,若需要完整标准请到上方自行免费下载完整标准文档。