首页 > 机械行业标准(JB) > JB/T 5111.2-1991 水平分模平锻机凹模体 结构与尺寸
JB/T 5111.2-1991

基本信息

标准号: JB/T 5111.2-1991

中文名称:水平分模平锻机凹模体 结构与尺寸

标准类别:机械行业标准(JB)

标准状态:现行

发布日期:1991-07-15

实施日期:1992-07-01

出版语种:简体中文

下载格式:.rar.pdf

下载大小:44757

相关标签: 水平 锻机 结构 尺寸

标准分类号

中标分类号:机械>>工艺装备>>J46模具

关联标准

出版信息

页数:3页

标准价格:8.0 元

相关单位信息

归口单位:北京机电研究所

标准简介

本标准规定了水平分模平锻机凹模体的结构与尺寸。 JB/T 5111.2-1991 水平分模平锻机凹模体 结构与尺寸 JB/T5111.2-1991 标准下载解压密码:www.bzxz.net

标准图片预览

JB/T 5111.2-1991 水平分模平锻机凹模体 结构与尺寸
JB/T 5111.2-1991 水平分模平锻机凹模体 结构与尺寸
JB/T 5111.2-1991 水平分模平锻机凹模体 结构与尺寸

标准内容

中华人民共和国机械行业标准
水平分模平锻机凹模体
结构与尺寸
主题内容与适用范围
本标准规定了水平分模平锻机凹模体的结构与尺寸。本标准适用于水平分模平锻机用凹模体。2结构与尺寸
结构见图1、尺寸见表1。
中华人民共和国机械电子工业部1991-07-15批准5×45
纤维方向
JB/T5111.2-91
其余12.5
5×45°
1992-07-01实施此内容来自标准下载网
镦锻力
凹模体尺寸
JB/T 5111.2—91
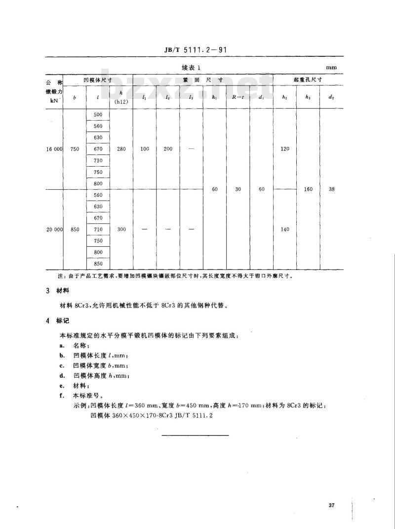
表1水平分模凹模体尺寸
紧固尺寸
起重孔尺寸
凹模体尺寸
JB/T5111.2—91
续表1
注:由于产品工艺需求,要增加凹模镶块镶嵌部位尺寸时,其长度宽度不得大于钳口外廊尺寸。3材料
材料8Cr3,充许用机械性能不低于8Cr3的其他钢种代替。4标记
本标推规定的水平分模平锻机凹模体的标记由下列要素组成:a.
名称;
凹模体长度l,mm,
凹模体宽度b,mm;
凹模体高度h,mm;
材料;
本标准号。
起重孔尺寸
示例:凹模体长度l=360mm,宽度b=450mm,高度h170mm材料为8Cr3的标记:凹模体360×450×170-8Cr3JB/T5111.237
小提示:此标准内容仅展示完整标准里的部分截取内容,若需要完整标准请到上方自行免费下载完整标准文档。