首页 > 烟草行业标准(YC) > YC/T 47-1996 烟草机械 WZ21~26型机械式真空回潮机
YC/T 47-1996

基本信息

标准号: YC/T 47-1996

中文名称:烟草机械 WZ21~26型机械式真空回潮机

标准类别:烟草行业标准(YC)

标准状态:已作废

发布日期:1996-07-08

实施日期:1998-01-12

作废日期:2006-02-27

出版语种:简体中文

下载格式:.rar.pdf

下载大小:288188

相关标签: 烟草 机械 机械式 真空 回潮

标准分类号

中标分类号:食品>>食品加工机械>>X94制烟机械

关联标准

出版信息

页数:11页

标准价格:15.0 元

相关单位信息

标准简介

YC/T 47-1996 烟草机械 WZ21~26型机械式真空回潮机 YC/T47-1996 标准下载解压密码:www.bzxz.net

标准图片预览

YC/T 47-1996 烟草机械 WZ21~26型机械式真空回潮机
YC/T 47-1996 烟草机械 WZ21~26型机械式真空回潮机
YC/T 47-1996 烟草机械 WZ21~26型机械式真空回潮机
YC/T 47-1996 烟草机械 WZ21~26型机械式真空回潮机
YC/T 47-1996 烟草机械 WZ21~26型机械式真空回潮机

标准内容

YC/T47—1996
WZ21~26型机械式真空回潮机由钢制方形中空箱体、机械泵(罗茨泵、叶片泵)和喷射泵组成的真空系统及控制系统、辅助部件组成。本标准规定了WZ21~26型机械式真空回潮机的技术要求,试验方法,检验、标志、包装、运输及贮存等,可作为WZ21~26型真空回潮机生产、质量检验,选购验收、使用维护,修理和治谈贸易的技术依据。
本标准从1996年11月1日起实施,1997年11月1日起所有制造的WZ21~26型真空回潮机均应符合本标推的规定。
本标准的附录A,附录B、附录C都是标准的附录。本标准由国家烟草专卖局提出。本标推由全国烟草标准化技术委员会归口。本标准起草单位:北京长征高科技公司。本标准主要起草人:李全祺、朱炳昌、姜广峻。32
1范围
中华人民共和国烟草行业标准
烟草机械
WZ21~26型机械式真空回潮机
Tobacco machinery
Model wz21 to 26 mechancal vacuum pre-conditionerYC/T 47—1996
本标准规定了WZ21~26型机械式真空回潮机的技术要求、试验方法、检验、标志、包装、运输及存等。
本标准适用于WZ21~26型及其改进设计的(A、B、C、D、E型)机械式真空回潮机。2
引用标准
下列标准所包含的条文,通过在本标准中引用而构成为本标准的条文。本标准出版时,所示版本均为有效。所有标准都会被修订,使用本标准的各方应探讨使用下列标准最新版本的可能性。GB1576—1985低压锅炉水质标推GB 2635--1992
GB 2894-1988
安全标志
噪声源声功率级的测定简易法
GB/T 3768—1983
GB/T 13306--1991
YC/T 1—1994
烟草机械
YC/T 10. 10--1993
YC/T 10. 11--1993
YC/T 10.12—-1993
YC/T 10.14—1993
YC/T 10.16--1996
YC/T 11.2—1993
产品型号编制规则
烟草机械
烟草机械
烟草机械
烟草机械
烟草机械
烟草机械
通用技术条件
通用技术条件
通用技术条件
通用技术条件
通用技术条件
装有电子器件的电控设备
电气装配
产品图样及设计文件
烟草机械产品命名方法
YC/T 15—1994
卷烟工艺规范
3分类与命名
分类与命名按YC/T1和YC/T15执行。3.1型号
3.1.1型号示例如下:
国家烟草专卖局1996-07-08批准基本要求
1996-11-01实施
YC/T 47-1996
改进设计代号
-型别序号
型别代号
组别代号
类别代号
3.1.2型号一览表见附录A(标准的附录)。3.2基本参数
3.2.1性能指标见表1。
产品型号
额定生产能力.kg/h
极限真空压强,Pa
工作真空压强.Pa
回潮后烟叶增湿率,%
烟叶回透率,%
加潮后烟包包心温度,C
WZ21.WZ22
(A.B,C.D.E)
第一次改进设计
机械式
真空回潮
增温增湿
WZ23.WZ24
(A,B.C,D,E)
WZ25.WZ26
(A、B,C、D、E)
4士1(来料含水率≤12):3士1(来料含水率>12)≥98无水溃烟叶(含水率大于25%的烟叶)甲级烟叶不应大于70乙级烟叶不应大于80注:额定生产能力考核时,烟叶含水率按12%计算。3.2.2
耗能指标见表2。
产品型号
耗电功率,kw
蒸汽耗量,kg/h
水耗量,kg/h
压缩空气耗量,m/h
结构参数见表3。
产品型号
外形尺寸.mn
重量kg
箱体、门材质
WZ21.WZ22
(A.B.C.D.E)
WZ21,WZ22
(A.B.C.D.E)
WZ23,W224
(A.B,C.D.E)
WZ23.WZ24
(A.B.C,D.E)
不锈钢
WZ25,WZ26
(A.B.C,D.E)
WZ25.WZ26
(A,B,C.D.E)
20 800
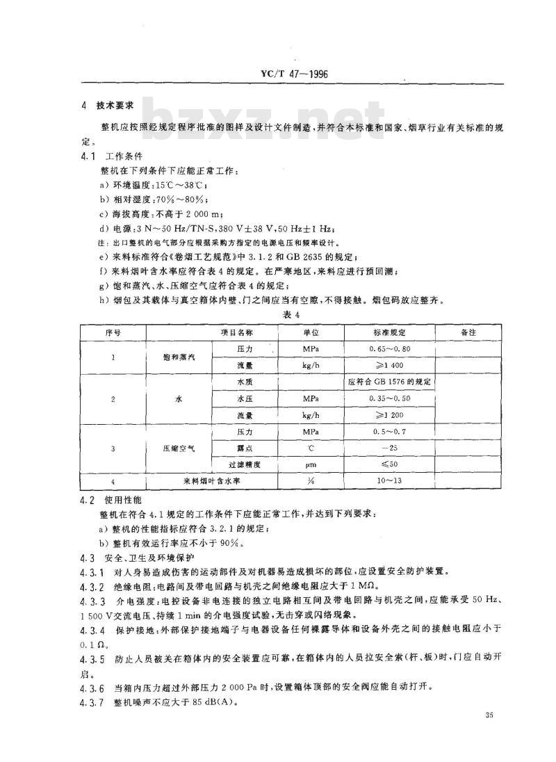
4技术要求
YC/T 47-1996
整机应按照经规定程序批准的图样及设计文件制造,并符合本标准和国家、烟草行业有关标准的规定。
4.1工作条件
整机在下列条件下应能正常工作:a)环境温度:15℃~38℃;
b)相对湿度:70%~80%,
c)海拨高度:不高于2000m;
d) 电源:3 N-50 Hz/TN-S,380 V±38 V,50 Hz±1 Hz注:出口整机的电气部分应根据采购方指定的电源电压和率设计。e)来料标准符合卷烟工艺规范》中3.1.2和GB2635的规定;f)来料烟叶含水率应符合表4的规定。在严寒地区,来料应进行预回潮;g)饱和蒸汽、水、压缩空气应符合表4的规定:h)烟包及其载体与真空体内壁,门之间应当有空晾,不得接触。烟包码放应整齐,表4
4.2使用性能
跑和蒸汽
压缩空气
项目名称
过滤精度
来料烟叶含水率
标准规定
0. 65~0. 80
≥1400
应符合GB1576的规定
0. 35 ~ 0. 50
≥1200
0.5~0.7
整机在符合4.1规定的工作条件下应能正常工作,并达到下列要求:a)整机的性能指标应符合3.2.1的规定;b)整机有效运行率应不小于90%。4.3安全、卫生及环境保护
4.3.1对人身易造成伤害的运动部件及对机器易造成损坏的部位,应设置安全防护装置。4.3.2绝缘电阻:电路间及带电回路与机壳之间绝缘电阻应大于1M2。备注
4.3.3介电强度:电控设备非电连接的独立电路相互间及带电回路与机壳之间,应能承受50Hz、1500V交流电压,持续1min的介电强度试验,无击穿或闪络现象。保护接地:外部保护接地端子与电器设备任何裸露导体和设备外壳之间的接触电阻应小于4. 3.41
4.3.5防止人员被关在箱体内的安全装置应可靠,在箱体内的人员拉安全索(杆、板)时,门应自动开启。
当箱内压力超过外部压力2000Pa时,设置箱体项部的安全阀应能自动打开。4. 3. 6
整机噪声不应大于85dB(A)。
4.4装配
YC/T 47-1996
4.4.7装配应符合YC/T10.11和YC/T10.16的有关规定。4.4.2回潮箱体
4.4.2.1回潮箱体焊接后,在长度方向上简内两对角线之差不大于15mm,两端面上对角线之差不大于5mm,
4.4.2.2箱体的端面与门的贴合部位应加工平整。4.4.2.3箱体在加工后,应进行真空检漏试验,当箱内真空压强达到1066Pa(8Torr)后,保持12h,箱内平均真空压强升高率应不大于266Pa/h(即2Torr/h)。4.4.3门运行机构
前后门的开启与关闭应平衡灵活,运行可靠。4.4.4真空系统
4.4.4.1真空系统组装前应彻底清除管路及阀门、水箱.冷凝器内部残留的焊渣、铁屑等异物。4.4.4.2真空系统安装后,应进行从简体真空碟阀到排气管单向阀之间各连接处的空气正压试验,试验压力为0.1MPa~0.2MPa,保持15min,各结合面不得有渗漏。4.4.5增湿系统
蒸汽系统和冷水系统装配后,应进行水压试验,试验压力为工作压力的1.5倍,保持15min,各管路连接处和阀门不得渗漏。
4.4.6在标推大气压力下,用本机抽真空系统抽真空到真空箱内绝对压力到1066MPa时,时间应小于8 min。
4.4.7在系统真空压强1066Pa的情况下,保压10min,压力升高值不高于3333Pa。4.5空载运行
·整机应连续空载运行4h以上,运行正常,控制系统应能满足空载运行所需的各种功能。4.5.1手动运行
将整机置于“手动”状态,检查下列各项:a)门的开启、关闭性能应符合4.4.2要求;b)箱体的密封性能应符合4.4.1.4要求;c)极限真空压强,应能达到666Pa的要求:d)系统正常工作温度、压力、时间控制点应能调至设定值。4.5.2自动运行
将整机置于“自动”状态,按两次回潮周期设定,进行不少于6次的空载运行,并应满足下列要求:a)整机启动、运行平稳,无异常;b)整机工作过程符合设计要求,动作准确、可靠。4.6负载运行
整机应以额定生产能力进行负载运行21h以上,并达到下列要求:a)整机运行正常,控制系统应能满足负载运行的各种功能;b)使用性能符合4.2的要求。
注:整机受整线工艺设计的限制达不到额定生产能力时,可以工艺设计能力代替额定生产能力。4.7外观 
4.7.1整机外表涂漆层质量应符合YC/T10.10--1993中4.3.5的有关要求。4.7.2整机外观涂漆色泽应与整线设备相协调。5试验方法
5.1试验用仪器、仪表及精度
YC/T 47—1996
a)真空表:0~~-0.1MPa.精度0.4级;b)U形水银压力计;
c)500V兆欧表;
d)压力表:1.5级。
5.2极限真空压强
极限真空压强按以下试验方法进行:a)清理回潮筒内部,除去积水、污物并擦干内壁;b)关闭回潮筒通向外部的阀门(空阀、安全阀、蒸汽阀)等;c)关闭回潮简门;
d)用整机本身的真空泵对回潮筒抽真空,当简内压力持续5min不再降低时,记录简内绝对压力:e)重复上述试验三次,以三次试验结果的算术平均值作为试验结果。5.3抽真空时间
在测量工作真空压强时,记录从启动抽真空系统到箱内压力降低到1066Pa时所用的时间。以三次测量的算术平均值作为测试结果。5.4噪声
整机噪声声压级的测试方法见附录B(标准的附录)。5.5电气安全性能
电控部分的绝缘电阻,介电强度和保护接地的测试方法按YC/T10.14-1993中4.24.4执行。5.6烟叶品种和等级
来料烟叶的品种和等级检验按《卷烟工艺规范》中9.2.3.1和GB2635执行。5.7烟叶含水率和温度
来料烟叶含水率、真空回潮后烟叶含水率和温度检验按《卷烟工艺规范》中9.2.3.2~~9.2.3.4执行,
5.8有效运行率
整机应以额定生产能力正常运行,连续三天,每天一班,每班不少于7h的考核运行时间(若不能保证每班7h的考核运行时间,应延长该班的工作时间或重新考核),有效运行率按式(1)计算。实际合格品产量
有效运行率(%)=三
额定产量
式中:额定产量=额定生产能力X(考核时间一非整机故障停机时间)注
1额定生产能力按烟叶含水率12%计算,实际合格品产量也应按含水率12治计算。2整机受整线工艺设计的限制达不到额定生产能力时可以用工艺设计能力代替额定生产能力进行计算。(1)
3整机有效运行率的计算与采购方日常使用整机时有效作业率考核是有区别的,后者存在资源配置,环境条件和企业管理等因素的影响。
6检验
整机的检验分出厂检验、验收检验和型式检验。6.1出厂检验
6.7.1每台整机检验项目应按4.3~4.5和4.了及7.1、7.2.1、7.2.2执行。6.1.2每台整机经制造厂质量检验部门检验合格+并附有产品合格证书后方可出厂。6.2验收检验
6.2.1每台整机按4.5和4.6进行验收检验。6.2.2整机的验收检验应在采购方进行。验收检验时,应做好工作条件记录和验收记录,作为验收凭证。工作条件记录和验收记录按附录C(标准的附录)执行。37
6.3型式检验
YC/T 47--1996
6.3.1有下列情况之一时,应进行型式检验:a)新产品和老产品转厂生产的试制定型鉴定;b)正式生产后,如产品设计有较大改变,可能影响产品性能时;c)正式生产时,积累50台产量后,应周期性进行-次检验;d)产品停产三年后恢复生产时;e)出厂检验结果与上次型式检验有较大差异时;f)国家技术监督机构提出要求时。6.3.2型式检验项目为本标准所有技术要求和产品质量特性重要度分级表中的关键特性项目和重要特性项目。
6.3.3型式检验的整机应在经出厂检验合格的产品中随机抽取,抽样率为10%。若出厂整机数少于10台时,随机抽检一台。
6.4判定规则
6.4.1在各项检验中,检验结果符合本标准规定时,判定产品为合格。6.4.2在检验中,当某项技术指标未达到本标准规定时,允许调试后进行复验。若复验两次仍达不到规定时,则判定为不合格。
7标志、包装、运输及贮存
7.1标志
7.1.7标志应符合GB2894和GB/T13306等有关规定。铭牌至少应包括下列内容:a)产品型号及名称;
b)额定生产能力;
c)制造厂名称:
d)制造日期和出厂编号。
7.1.2包装,运输及贮存标志应符合YC/T10.12—1993中3.5的规定。7.2包装、运输及存
7.2.1包装应符合YC/T10.12的有关规定。7.2.2随机文件应符合YC/T11.2的有关规定7.2.3运输、贮存应符合YC/T10.12—一1993中第4章的规定。在开箱验货前,若采购方在露天放置包装箱时应采取防雨、水措施。
8产品遗任
产品责任宜在采购方同供方签订的合同中予以明确。注:建议至少在合同中明确:采购方在遵守本标准和使用说明书规定的条件下,整机自开箱验货确认无误之日起18个月内,若因制造质量而不能正常使用,供方应及时免费修理或更换。38
A1产品型号一览表
产品型号一览表见表A1。
额定生产能力,kg/h
YC/T 47—1996
附录A
(标推的附录)
型号一览表
左或右式机
结构特点
开门方式
进出料方式
无烟包车
侧拉门
提升门
侧拉门
提升门
侧拉门
提升门
侧拉门
携升门
链条传动滚道输送烟包车
钢丝绳牵引输送烟包车
无烟包车
链条传动滚道输送烟包车
钢丝绳牵引输送烟包车
无烟包车
链条传动滚道输送烟包车
钢丝绳牵引输送烟包车
无烟包车
链条传动滚道输送烟包车
钢丝绳牵引输送烟包车
无烟包车
链条传动滚道输送烟包车
钢丝绳牵引输送烟包车
无烟包车
链条传动滚道输送烟包车
钢丝绳牵引输送烟包车
无烟包车
链条传动滚道输送烟包车
钢丝绳牵引输送烟包车
无烟包车
链条传动凌道输送烟包车
钢丝绳牵引输送烟包车
额定生产能力,kg/h
YC/T 47--1996
表A1(完)
左或右式机
结构特点
开门方式
进出料方式
无烟包车
侧拉门
提升门
侧拉门
提升门
额定生产能力按烟叶含水率12%计算。2左式机是指观察者面对电控柜,其真空箱体在左侧者。反之为右式机。2
附录B
(标准的附录)
整机噪声声压级的测定
B1测试仪器
链条传动液道输送烟包车
钢丝绳牵引输送烟包车
无烟包车
链条传动液道输送烟包车
钢丝绳牵引输送烟包车
无烟包车
链条传动滚道输送烟包车
钢丝绳牵引输送烟包车
无烟包车
链条传动滚道输送烟包车
钢丝绳牵引输送烟包车
测量整机噪声声压级应用精密声级计,A计权网络,测试仪器按GB/T3768--1983中第4章执行。B2测试环境
B2.1整机周围不应放置障碍物。B2.2整机与周围墙壁的距离不应少于2000mm。B2.3背景噪声的要求按GB/T3768—1983中3.2执行。B3测试过程中整机的状态下载标准就来标准下载网
B3.1叶片泵隔音罩应装好。
B3.2叶片泵排管已接人总排风系统。B3.3在进行测试时,整机应处于正常的运行状态。B4测量方法
B4.1传声器应面向整机噪声源.并与水平面平行。B4.2传声器距离地面高度1500mm。40
B4.3传声器到整机的距离1000mm。B4.4测点数与测点布置图见图B1。YC/T 47—1996
B4.5背景噪声的修正按GB/T3768—1983中6.5执行。B4.6噪声声压级的计算按GB/T3768--1983中7.1执行,1000
一基本测点—
附加测点(水平面上A声级最高点)图B1測点布置图
附录C
(标难的附录)
工作条件记录和验收记录
C1工作条件记录
工作条件记录见表C1。
表C1工作条件记录
产品型号、名称
制道厂名称
制造日期、出广编号
测试地点、时间
测试人员(签字)
评价:
环境温度
相对湿度
海拨高度
饱和蒸汽压力
饱和蒸汽流量
水流量
压缩空气压力
项目名称
压缩空气露点
压缩空气过滤精度
电源:3N~50H2/TN-S
来料含水率
型机械式真空回潮机
标准规定
15℃~38C
70%~80%
0. 65 MPa~0. 8 MPa
≥1 400 kg/h
符合GB1576的规定
D.35 MPa-0. 5 MPa
≥1 200 kg/h
0. 5 MPa~0. 7 MPa
≤50 μm
380 V±38 V
50 Hz±1 Hz
10%~13%
验收记录
验收记录见表C2。
产品型号、名称
制造名称
制造日期、出厂编号
验收地点,时间
项目名称
额定生产能力(按含水率12%计)烟叶增混率
烟叶回透率
回潮后烟叶温度
极限真空压强
结论:
有效运行率
YC/T 47--1996
验收记录表
型机械式真空回潮机
标准规定
按表1规定
来料含水率≤12%时,
4%±1%
来料含水率>12%时,
3%±1%
≥98%
甲级烟≤70℃
级烟80℃
≥90%
整机运行正常,控制系统功能齐全、稳定采购方代表(签字):
供方代表(签字):
采购方单位(签章):
年月日
供方单位(签章):
年月日
小提示:此标准内容仅展示完整标准里的部分截取内容,若需要完整标准请到上方自行免费下载完整标准文档。