首页 > 烟草行业标准(YC) > YC/T 57-1996 烟草机械 WQ21~22型螺旋式烟梗回潮机
YC/T 57-1996

基本信息

标准号: YC/T 57-1996

中文名称:烟草机械 WQ21~22型螺旋式烟梗回潮机

标准类别:烟草行业标准(YC)

标准状态:已作废

发布日期:1996-07-08

实施日期:1996-11-01

作废日期:2006-02-27

出版语种:简体中文

下载格式:.rar.pdf

下载大小:198411

相关标签: 烟草 机械 螺旋式 回潮

标准分类号

中标分类号:食品>>食品加工机械>>X94制烟机械

关联标准

出版信息

页数:9页

标准价格:14.0 元

相关单位信息

标准简介

YC/T 57-1996 烟草机械 WQ21~22型螺旋式烟梗回潮机 YC/T57-1996 标准下载解压密码:www.bzxz.net

标准图片预览

YC/T 57-1996 烟草机械 WQ21~22型螺旋式烟梗回潮机
YC/T 57-1996 烟草机械 WQ21~22型螺旋式烟梗回潮机
YC/T 57-1996 烟草机械 WQ21~22型螺旋式烟梗回潮机
YC/T 57-1996 烟草机械 WQ21~22型螺旋式烟梗回潮机
YC/T 57-1996 烟草机械 WQ21~22型螺旋式烟梗回潮机

标准内容

YC/T57-1996
本标准规定了WQ21~22型螺旋式烟梗回潮机的技术要求、试验方法、检验、标志、包装、运输及贮存等,可作为WQ21~22型螺旋式烟梗回潮机生产、质量检验、选购验收、使用维护、修理和洽谈贸易的技术依据。
本标准从1996年11月1日起实施,1997年11月1日起所有制造的WQ21~22型螺旋式烟梗回潮机均应符合本标准的规定。
本标的录A是标准的附录。
本标准由国家烟草专卖局提出。本标准由全国烟草标准化技术委员会归口。本标准起草单位:秦皇岛烟草工业机械厂。本标谁主要起草人:何宝强、沈素娟。153
1范围
中华人民共和国烟草行业标准
烟草机械
WO2122型螺旋式烟梗回潮机
Tobacco machinery-
Model wQ21 to 22 conditioning screw for stemYC/T 57-1996
本标准规定了烟草机械WQ21~22型螺旋式烟梗回潮机的技术要求、试验方法、检验、标志、包装、运输及贮存等。
本标准适用于烟草制丝线的WQ21~~22型螺旋式烟梗回潮机(以下简称整机)。2引用标准
下列标准所包含的条文,通过在本标准中引用而构成为本标准的条文。本标准出版时,所示版本均为有效。所有标准都会被修订,使用本标准的各方应探讨使用下列标准最新版本的可能性。GB2894--1988安全标志
噪声源声功率级的测定简易法
GB/T 3768--1983
1标牌
GB/T 13306--1991
YC/T1—1994烟草机械产品型号编制规则YC/T 10.101993
YC/T 10.11--1993
YC/T 10.12—1993
YC/T 10.14--1993
YC/T 10.16--1996
YC/T 11.2---1993
YC/T 15—1994
卷烟工艺规范
3分类与命名
烟草机械通用技术条件涂漆
烟草机械
烟草机械
烟草机械
烟草机械
烟草机械
通用技术条件装配
通用技术条件
通用技术条件
通用技术条件
装有电子器件的电控设备
电气装配
基本要求
产品图样及设计文件
烟草机械产品命名方法
分类与命名按YC/T1和YC/T15执行。3.1型号
型号示例如下:
国家烟草专卖局1996-07-08批准154
1996-11-01实施
型号一览表见表1。
产品型号
YC/T 57--1996
-型别序号
-型别代号
组别代号
类别代号
表1型号一览表
额定生产能力,kg/h
375~1250可调
375~1250可调
螺旋式
其他回潮
增温增湿
结构(左式机或右式机)
左式机是指观察者沿物料流向观察,主机操作面在右边者。反之,为右式机。2额定生产能力按物料含水率12%计算。3.2基本参数
3.2.1性能指标应符合表2规定。型号
额定生产能力,kg/h
出料含水率,%
出料温度,C
注:额定生产能力按含水率12%计算。3.2.2下载标准就来标准下载网
耗能指标见表3。
蒸汽消耗量.kg/h
压缩空气消耗蟹,L/h
耗水量,kg/h
耗电总功率.kw
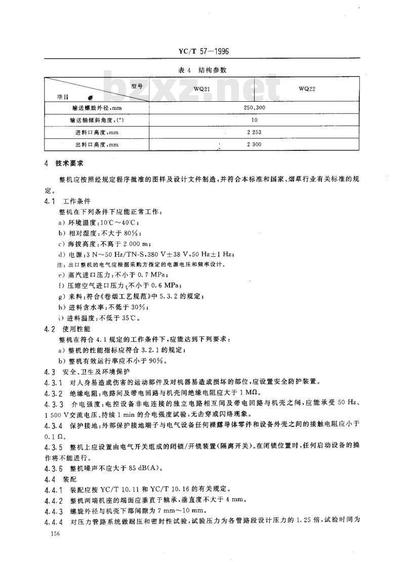
3.2.3结构参数见表4。
表2性能指标
375~1250可调
表3耗能指标
50~100
输送螺旋外径,mm
输送轴倾斜角度,(\))
进料口高度,mm
出料口高度,mm
技术要求
YC/T 57--1996
表4结构参数
整机应按照经规定程序批推的图样及设计文件制造,并符合本标准和国家、烟草行业有关标推的规定。
4.1工作条件
整机在下列条件下应能正常工作:a)环境温度:10℃~40℃;
b)相对湿度:不大于80%;
c)海拔高度:不高于2000m;
d)电源:3N~50Hz/TN-S,380 V±38 V,50Hz±1Hz#注:出口整机的电气应根据采购方指定的电源电压和频率设计。e)蒸汽进口压力:不小于0.7MPa:f)压缩空气进口压力:不小于0.6MPa;g)来料:符合《卷烟工艺规范》中5.3.2的规定,h)进料含水率:不低于30%;
i)进料温度:不低于35℃。
4.2使用性能
整机在符合4.1规定的工作条件下,应能达到下列要求:a)整机的性能指标应符合3.2.1的规定:b)整机有效运行率应不小于90%。4.3安全、卫生及环境保护
4.3.1对人身易造成伤害的运动部件及对机器易造成损坏的部位,应设置安全防护装置。4.3.2绝缘电阻:电路间及带电回路与机壳间绝缘电阻应大于1Ma。4.3.3介电强度:电控设备非电连接的独立电路相互间及带电回路与机壳之间,应能承受50Hz、1500V交流电压、持续1min的介电强度试验,无击穿或闪络现象。4.3.4保护接地:外部保护接地端子与电气设备任何裸露导体零件和设备外壳之间的接触电阻应小于o.10.
4.3.5整机上应设置由电气开关组成的闭锁/开锁装置(隔离开关)。在闭锁位置时,任何启动设备的操作将不能进行,
4.3.6整机噪声不应大于85dB(A)。4.4装配
4.4.1装配应按YC/T10.11和YC/T10.16的有关规定。整机两端机座的端面应垂直于轴承,垂直度不大于4mm。4.4.2
螺旋外径与机壳下部间隙为7mm~10mm。4.4.3
4.4.4对压力管路系统做耐压和密封性试验,试验压力为各管路段设计压力的1.25倍,试验时间为156
10 min,不得渗漏。
4.4.5螺旋轴旋转方向应正确。
4.5空载运行
YC/T 57---1996
整机应以额定速度连续空载运行4h以上,并达到以下要求:a)控制系统运转正常可靠,应满足空载运行所需的各种功能;b)整机启动应平稳、迅速、无跳动,螺旋运行无刮、卡、碰现象,c)输出速度在设计范围内任意调节:d)空载功率不应超过额定值的70%。4.6负载运行
烟梗回潮机应以额定生产能力进行负载运行21h以上,并达到以下要求:a)整机运转正常,控制系统应能满足负载运行所需的各种功能;b)整机的使用性能符合4.2规定。注:整机受整线工艺设计的限制达不到额定生产能力时,可以工艺设计能力代替额定生产能力进行运行。4.7外观
4.7.1外表面涂漆层质量应符合YC/T10.10—1993中4.3.5的有关要求。4.7.2整机外观涂漆色泽应与整线设备相协调。5试验方法
5.1试验用仪器、工具及精度
a)声级计为2型;
b)兆欧表:500V,0.5级。
5.2额定生产能力
在符合4.1工作条件下,整机正常工作30min后,以电子皮带秤3h累积称重的算术平均值(换算成12%含水率的标准重量)作为评定依据。5.3出料含水率
a)取样在整机出口处随机取样100g,置于样品盒中;b)测定方法按《卷烟工艺规范》中9.2.3.12.2的规定。5.4出料温度
出料温度的检验方法按《卷烟工艺规范》中9.2.3.7.1的规定。5.5有效运行率
整机应以额定生产能力正常运行,连续工作三天,每天一班,每班不少于?h的考核运行时间(若不能保证每班7h考核时间,应延长该班工作时间或重新考核),有效运行率按式(1)计算:有效运行率(%)—实际合格品产量额定产量
式中:额定产量一额定生产能力×(考核时间一非整机故障停机时间)注
1额定生产能力按含水率12%计算,实际合格品产量也应按含水率12%计算。2整机受整线工艺设计的限制达不到额定生产能力时,可以工艺设计能力代替额定生产能力进行计算。(1)
3整机有效运行率的计算与采购方日常使用整机时有效作业率的考核是有区别的,后者存在资源配置、环境条件、企业管理等因素的影响。
5.6噪声
5.6.1按GB/T3768--1983中6.4测量整机噪声,并符合以下规定:a)主要测点距离为1000mm;
b)测点距反射面的高度1500mm;157
YC/T 57--1996
c)测点数为5点,即4个基本测点再加上水平面上A声压级最高点的附加测点,见图1。1000
O一基本测点;一附加测点
图1测点布置图
5.6.2背景噪声按GB/T3768--1983中6.5修正。5.6.3测量表面平均声压级的计算按GB/T3768—1983中7.1。5.7电气安全性能
绝缘电阻、介电强度和保护接地的测试方法按YC/T10.14--1993中4.2~4.4进行。6检验
整机的检验分为出厂检验、验收检验和型式检验。6.1出厂检验
6.1.1每台整机出厂检验项目为4.3~4.5和4.7及7.1、7.2.1、7.2.2。6.1.2每台整机经制造厂质量检验部门检验合格,并附有产品合格证后方可出厂。6.2验收检验
6.2.1每台整机应按4.5和4.6进行验收检验。6.2.2整机的验收检验宜在采购方进行。验收检验时,应做好工作条件记录和验收记录,作为验收凭证。工作条件记录和验收记录见附录A(标准的附录)。6.3型式检验
6.3.1有下列情况之一时,应进行型式检验:a)新产品或老产品转厂生产的试制定型鉴定:b)正式生产后,如设计有较大改变可能影响产品性能时:c)正常生产时,积累生产50台产量后,应周期性进行一次检验;d)停产三年后恢复生产时;
e)出厂检验结果与上次型式检验有较大差异时;f)国家技术监督机构提出进行型式检验时。6.3.2型式检验项目
型式检验项目为本标准所有技术要求及产品质量特性重要度分级表中的关键特性项目和重要特性项目。
6.3.3型式检验应在经出厂检验合格的产品中随机抽取、抽样率为10%。若整机数量少于10台时,则随机抽取一台。
6.4判定规则
6.4.1在各项检验中,检验结果均符合本标准规定时,则判定产品为合格。158
YC/T 57--1996
6.4.2在检验中,当某项指标达不到标准规定时,允许调试后进行复验,若复验两次仍达不到规定时,则判定产品为不合格。
7标志、包装、运输及贮存
7.1标志
7.1.1标志应符合GB2894和GB/T13306的有关规定。铭牌的内容至少应包括:a)产品型号及名称;
b)额定生产能力;
c)制造厂名称;
d)制造日期、出厂编号。
7.1.2包装、运输及贮存标志应符合YC/T10.12—1993中3.5的规定。7.2包装、运输及存
7.2.1包装应符合YC/T10.12中的有关规定。7.2.2随机文件应符合YC/T11.2的规定。7.2.3运输、贮存应符合YC/T10.12一1993中第4章的规定。在开箱验货前若采购方在露天放置包装箱时应采取防雨、水措施。
8产品贵任
产品责任宜在采购方与供方签订的合同中予以明确。注:建议至少在合同中明确:采购方在遵守本标准和产品便用说明书规定的条件下,整机自开箱验货确认无误之日起18个月内若因制造质量而不能正常使用、供方应免费理或更换。159
工作条件记录
工作条件记录见表A1。
产品型号、名称
制造广名称
制造日期、出厂编号
测试地点、时间
测试人员(签字)
评价:
环境温度
相对湿度
海拔高度
项目名称
电源:3N~50Hz/TN-S
蒸汽进口压力
压缩空气进口压力
进料含水率
进料温度
YC/T 57—1996
附录A
(标推的附录)
工作条件记录和验收记录
表A1工作条件记录
型螺旋式烟梗回潮机
标准规定
10℃~40℃
≤2000m
380V±38 V
50 Hz±1 Hz
≥0. 7 MPa
≥0.6 MPa
符合《卷工艺规范》
中5.3.2的规定
≥30%
≥35℃
验收记录
验收记录见表A2。
产品型号、名称
制造厂名称
制造日期、出厂编号
验收地点、时间
结论:
项目名称
额定生产能力(按12%含水率计算)出料含水率
出料温度
有效运行率
运行正带,控制系统功能齐全稳定采购方代表(签字):
供方代表(签字):
YC/T 571996
表A2验收记录
型螺旋式烟梗回潮机
标准规定
1375kg/h~1250kg/h可调
32%~35%
50℃~55℃
采购方单位(签章):
年月日
供方单拉(签章):
年月日
小提示:此标准内容仅展示完整标准里的部分截取内容,若需要完整标准请到上方自行免费下载完整标准文档。