首页 > 机械行业标准(JB) > JB/T 5201.1-2007 滚丝机 第1部分:精度
JB/T 5201.1-2007

基本信息

标准号: JB/T 5201.1-2007

中文名称:滚丝机 第1部分:精度

标准类别:机械行业标准(JB)

标准状态:现行

发布日期:2007-08-28

实施日期:2008-02-01

出版语种:简体中文

下载格式:.rar.pdf

下载大小:1817443

相关标签: 精度

标准分类号

标准ICS号:机械制造>>无屑加工设备>>25.120.20轧制、挤压和拉制设备

中标分类号:机械>>通用加工机械与设备>>J62锻压机械

关联标准

替代情况:替代JB/T 5201.1-1999

出版信息

出版社:机械工业出版社

书号:15111·8739

页数:6页

标准价格:10.0 元

出版日期:2008-01-01

相关单位信息

起草人:马立强、梅松芳

起草单位:济南铸锻所捷迈机械有限公司;山东省青岛生建机械厂

归口单位:全国锻压机械标委会

提出单位:中国机械工业联合会

发布部门:中华人民共和国国家发展和改革委员会

标准简介

JB/T 5201的本部分规定了滚丝机的几何精度、工作精度要求及检验方法。本部分适用于最滚压力16kN~1250kN,两主轴作同步同方向回转,并作水平方向相对运动的滚丝机。也适用于最大滚压力16kN~315kN,三主轴作同步同方向回转并相对运动的滚丝机。 JB/T 5201.1-2007 滚丝机 第1部分:精度 JB/T5201.1-2007 标准下载解压密码:www.bzxz.net

标准图片预览

JB/T 5201.1-2007 滚丝机 第1部分:精度
JB/T 5201.1-2007 滚丝机 第1部分:精度
JB/T 5201.1-2007 滚丝机 第1部分:精度
JB/T 5201.1-2007 滚丝机 第1部分:精度
JB/T 5201.1-2007 滚丝机 第1部分:精度

标准内容

ICS25.120.20
备案号:
中华人民共和国机械行业标准 JB/T5201.1—2007
代替JB/T5201.1—1999
滚丝机第1部分:精度
Thread rolling machines—Part l: Testing of the accuracy2007-08-28 发布
2008-02-01实施
中华人民共和国国家发展和改革委员会发布前言.
规范性引用文件
般要求
4几何精度要求及检验
5工作精度要求及检验..
表1两轴滚丝机的几何精度检验
表2三轴滚丝机的几何精度检验
表3工作精度要求及检验
JB/T5201.1—2007
......
在JB/T5201《滚丝机》总标题下,拟分为三个部分:-第1部分:精度;
第2部分:技术条件;
一第3部分:基本参数。
本部分为JB/T5201的第1部分。
本部分代替JB/T5201.1—1999《滚丝机精度》。本部分与JB/T5201.1一1999相比,主要变化如下:增加了“前言”;
JB/T5201.1—2007
一扩大了适用范围。范围中增加了“也适用于最大滚压力16kN~315kN,三主轴作同步同方向回转并作相对运动的滚丝机”;-两轴滚丝机的几何精度要求及检验中增加了“两主轴轴肩端面的重合度”(本部分表3中G5项);
增加了三轴滚丝机的“几何精度要求及检验”(本部分的4.2)。本部分由中国机械工业联合会提出。本部分由全国锻压机械标准化技术委员会(SAC/TC220)归口。本部分主要起草单位:济南铸锻所捷迈机械有限公司、青岛生建机械厂。本部分主要起草人:马立强、梅松芳。本部分所代替标准的历次版本发布情况:ZBJ62017-1989;JB/T5201.1-1999。1范围
滚丝机第1部分:精度
JB/T5201的本部分规定了滚丝机的几何精度、工作精度要求及检验方法。JB/T5201.1—2007
本部分适用于最大滚压力16kN~1250kN,两主轴作同步同方向回转,并作水平方向相对运动的滚丝机。也适用于最大滚压力16kN~315kN,三主轴作同步同方向回转并作相对运动的滚丝机。2规范性引用文件
下列文件中的条款通过JB/T5201的本部分的引用而成为本部分的条款。凡是注日期的引用文件,其随后所有的修改单(不包括勘误的内容)或修订版不适用于本部分,然而,鼓励根据本部分达成协议的各方研究是否可使用这些文件的最新版本。凡是不注日期的引用文件,其最新版本适用于本部分。
GB/T197—2003普通螺纹公差(ISO965-1:1998,MOD)GB/T3934普通螺纹量规技术条件(GB/T3934-2003,ISO1502:1996,MOD)GB/T10923—1989锻压机械精度检验通则(neqISO230-1:1986)3一般要求
3.1滚丝机的精度检验应符合GB/T10923的规定。3.2精度检验前,应将滚丝机安置在适当的基础上,并按使用说明中的要求将其调平。3.3本部分所列出的精度检验项目顺序,并不是实际检验顺序。可按装拆检验工具和检验方便,安排顺序进行检验。
4几何精度要求及检验
4.1两轴滚丝机的几何精度检验应符合表1的规定表1两轴滚丝机的几何精度检验
检验项目
主轴轴肩的端
面圆跳动
滚压力范围」允差
16~63
>63~315
>315~800
>800~1250
检验工具
指示器
检验方法
参照GB/T10923-—1989中
5.6.2.2的规定,将带有平基面
的指示器置于机身台面上,使
指示器测头触及主轴轴肩端
面上,旋转主轴检测,指示器
读数的最大差值为端面圆跳
动的数值
左、右主轴分别检验
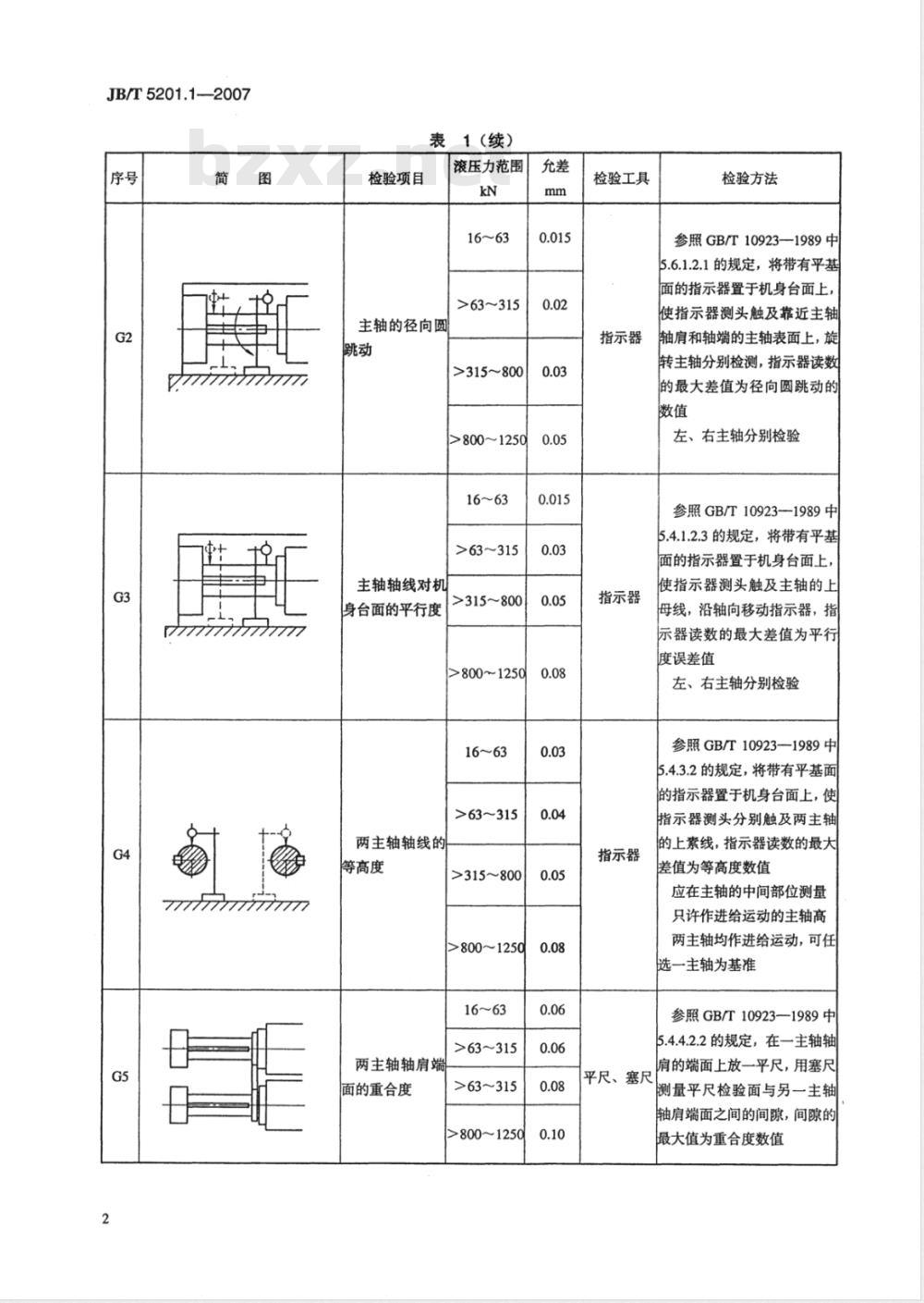
JB/T5201.1—2007
检验项目
表1(续)
滚压力范围
>63~315
主轴的径向圆
>315800
>800~1250
16~63
>63~315
主轴轴线对机
身台面的平行度
两主轴轴线的
等高度
两主轴轴肩端
面的重合度
>315~800
>800~1250
>63~315
>315~800
>800~1250
>63~315
>63~315
>8001250
检验工具
指示器
指示器
指示器
平尺、塞尺
检验方法
参照GB/T10923—1989中
5.6.1.2.1的规定,将带有平基
面的指示器置于机身台面上,
使指示器测头触及靠近主轴
轴肩和轴端的主轴表面上,旋
转主轴分别检测,指示器读数
的最大差值为径向圆跳动的
左、右主轴分别检验
参照GB/T10923-—1989中
5.4.1.2.3的规定,将带有平基
面的指示器置于机身台面上,
使指示器测头触及主轴的上
母线,沿轴向移动指示器,指
示器读数的最大差值为平行
度误差值
左、右主轴分别检验
参照GB/T10923-1989中
5.4.3.2的规定,将带有平基面
的指示器置于机身台面上,使
指示器测头分别触及两主轴
的上素线,指示器读数的最大
差值为等高度数值
应在主轴的中间部位测量
只许作进给运动的主轴高
两主轴均作进给运动,可任
选一主轴为基准
参照GB/T10923—1989中
5.4.4.2.2的规定,在一主轴轴
肩的端面上放一平尺,用塞尺
测量平尺检验面与另一主轴
轴肩端面之间的间隙,间隙的
最大值为重合度数值
4.2三轴滚丝机的几何精度检验应符合表2的规定。表2三轴滚丝机的几何精度检验
5工作精度要求及检验
检验项目
主轴轴肩的端
面圆跳动
主轴的径向圆
三主轴轴线间
的平行度
三主轴轴肩端
面的重合度
工作精度要求及检验应符合表3的规定。压力范围
>63~200
>200~315下载标准就来标准下载网
16~63
>63~200
>200~315
>63~200
>200~315
>63~200
>200~315
表3工作精度要求及检验
螺纹量规
注1:工件材料为45钢。
注2:材料硬度为(200土15)HB。检验项目
滚压螺纹尺寸精
项目要求
检验工具
指示器
指示器
内径千分尺
JB/T5201.1—2007
检验方法
参照GB/T10923—1989中
5.6.2.2的规定,将指示器置于
后支座侧面上,使其测头触及
主轴轴肩的端面上,缓慢转动
主轴检测。指示器读数的最大
差值为端面圆跳动的数值
三主轴均应进行检验
参照GB/T10923-—1989中
6.1.2.1的规定,将指示器置于
后支座侧面上,使其测头触及
靠近轴肩和轴端处的主轴表
面上,缓慢转动主轴检测。指
示器读数的最大差值为径向
圆跳动的数值
三主轴均应进行检验
参照GB/T10923—1989中
5.4.1.2.2的规定,用内径千分
尺分别在其中任意两轴线间
的两端位置上测量,测取的最
大差值为两轴线平行度误差
参照GB/T10923-1989中
5.4.4.2.2的规定,在主轴轴
肩的端面上放一平尺,用塞尺
平尺、塞尺
分别测量平尺检验面与另外
两主轴轴肩端面之间的间隙,
间隙的最大值为重合度数值
检验工具
符合GB/T197-
2003规定的4h级
GB/T3934规定
的普通螺纹量规
检验方法
连续滚压工件20
件,一次滚压成形后
民共和国
机械行业标准
滚丝机第1部分:精度
JB/T5201.1—2007
机械工业出版社出版发行
北京市百万庄大街22号
邮政编码:100037
210mm×297mm·0.5印张·11千字2008年1月第1版第1次印刷
定价:10.00元
书号:15111·8739
//www.cmpbook.com
网址:http:
编辑部电话:
直销中心电话:
(010)88379779
(010)88379693
封面无防伪标均为盗版
版权专有
侵权必究
小提示:此标准内容仅展示完整标准里的部分截取内容,若需要完整标准请到上方自行免费下载完整标准文档。